СЦБИСТ - железнодорожный форум, блоги, фотогалерея, социальная сеть
Ушел из жизни Крупицкий Адольф Зельманович
6 февраля 2026 года ушел из жизни Крупицкий Адольф Зельманович, более шести десятков лет проработавший в институте «Гипротранссигналсвязь». Всю свою трудовую деятельность А.З. Крупицкий посвятил проектному делу. После окончанию обучения в Ленинградском институте инженеров железнодорожного транспорта в 1959 году начал свою профессиональную деятельность в качестве старшего электромеханика дистанции сигнализации и связи на Казахской железной дороге. В 1960 году пришел на работу в институт на должность инженера, работал руководителем группы, главным инженером проектов.

Читать далее
Вернуться   СЦБИСТ - железнодорожный форум, блоги, фотогалерея, социальная сеть > Техника > Уголок радиолюбителя > Автоматика в быту
Закладки ДневникиПоддержка Сообщество Комментарии к фото Сообщения за день
Ответить в этой теме   Перейти в раздел этой темы    
 
В мои закладки Подписка на тему по электронной почте Отправить другу по электронной почте Опции темы Поиск в этой теме
Старый 06.06.2015, 23:29   #1 (ссылка)
Crow indian
 
Аватар для Admin

Регистрация: 21.02.2009
Возраст: 40
Сообщений: 30,120
Поблагодарил: 398 раз(а)
Поблагодарили 5995 раз(а)
Фотоальбомы: 2607 фото
Записей в дневнике: 699
Репутация: 126089

Тема: Датчик "двигатель запущен"


Датчик "двигатель запущен"


А. НАТНЕНКОВ, г. Каргат Новосибирской обл.

Автор предлагает несложный для повторения блок, на выходе которого появляется сигнал о запуске и работе автомобильного двигателя. Установка датчика в устройство управления прогреванием двигателя, разработанного и опубликованного ранее [1], приводит к повышению надёжности работы устройства. Датчик может быть использован и как автономный.

В журнале "Радио" была опубликована моя статья "Устройство управления прогреванием двигателя " [1]. При попытке установки данного устройства в автомобиль ВАЗ 21074 с инжекторным двигателем возникли проблемы с надёжностью пуска. Дело в том, что в этих моделях автомобилей выходные импульсы с электронного блока — датчика тахогенератора (ДТГ) имеют амплитуду +5 В и по уровню совместимы с ТТЛ логикой. Причём постоянная составляющая +5 В появляется сразу после включения зажигания ещё до запуска двигателя. Это напряжение, поступая на базу транзистора VT3 датчика "двигатель работает" через резистивный делитель R22—R24, вызывало проблемы с пуском. Необходимо было разработать новый датчик, свободный от указанного недостатка. Он выполнен отдельным блоком и может быть установлен не только в разработанное ранее устройство управления прогреванием двигателя, но и на другие модели автомобилей, в том числе как автономный блок индикации запуска и работы двигателя.


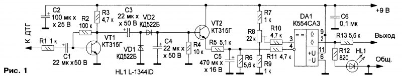
Схема датчика представлена на рис. 1. Он собран на распространённой микросхеме К554САЗ [2] и двух транзисторах КТ315Г. На транзисторе VT1 собран усилитель—инвертор сигналов с ДТГ, которые появляются на его выходе в виде последовательности прямоугольных импульсов с момента начала запуска двигателя стартёром. Диоды VD1, VD2 выпрямляют эти импульсы. Далее выпрямленное напряжение сглаживает конденсатор С4, и в виде нарастающего положительного перепада оно поступает на эмиттерный повторитель на транзисторе VT2. С выхода эмит-терного повторителя нарастающий перепад напряжения поступает на цепь задержки R5R6C5. Она необходима для задержки подачи напряжения в блок управления, чтобы счётчик DD5 (см. статью и рис.1 [1]) нормально отработал время запуска двигателя и только затем отключился. Задержанный по времени перепад напряжения поступает на инвертирующий вход компаратора DA1, собранного на указанной выше микросхеме К554САЗ. Резисторы R7—R9 образуют источник образцового напряжения. Подстроечным резистором R8 устанавливают порог срабатывания компаратора, тем самым регулируют время задержки. При указанных на схеме номиналах цепи R5R6C5 время задержки равно 1,5 с при установке движком резистора R8 напряжения на неинвертирующем входе компаратора около +3,8 В. Через это время после пуска двигателя автомобиля на выходе (вывод 2) DA1 появится напряжение около 8 В, которое через токоограничивающий резистор R13 поступает на выход датчика. Светодиод HL1 индицирует, что двигатель запущен.


В датчике можно применить резисторы, оксидные конденсаторы и керамический С6, маломощные диоды и транзисторы структуры п-р-п любого типа. Микросхему К554САЗ можно заменить аналогом LM311, но цоколёвка у неё другая.

Датчик собран на печатной плате из фольгированного с одной стороны стеклотекстолита размерами 112x76 мм. Чертёж печатных проводников платы и расположенные на ней элементы показаны на рис. 2.

Для сопряжения с указанным выше устройством управления [1] выход датчика подсоединяют к контакту 6 разъёма Х1 .2, а линию питания +9 В и общий провод — соответственно к контактам 1 и 2 разъёма Х5. Если предполагается автономная работа датчика, то линию питания +9 В подключают к бортовой сети автомобиля через любой стабилизатор напряжения +9 В с током нагрузки не менее 20 мА.

Налаживание собранного датчика заключается в установке движком подстроечного резистора R8 необходимой задержки.

Если это устройство будет встроено в автомобиль с карбюраторным двигателем, то сопротивление резистора R1 необходимо увеличить до 100 кОм, а на его входе установить дополнительный маломощный стабилитрон (на рис. 1 не показан) на напряжение около 5 В, например КС447А. Катод стабилитрона подключают к точке соединения резистора R1 с конденсатором С1, а анод — к общему проводу. На печатной плате для стабилитрона предусмотрены две свободные контактные площадки с отверстиями.

ЛИТЕРАТУРА

1. Натненков А. Устройство управления прогреванием двигателя. — Радио, 2007, № 7, с. 38—41.

2. Chipinfo. К554САЗА, К554САЗБ — компа-

ратор напряжения с малым входным током. — URL: http://www.chipinfo.ru/dsheets/ic/554/ca3.html (21.01.2015).
Admin вне форума   Цитировать 14
Старый 14.06.2015, 11:26   #2 (ссылка)
Робот
 
Аватар для СЦБот

Регистрация: 05.05.2009
Сообщений: 2,482
Поблагодарил: 0 раз(а)
Поблагодарили 82 раз(а)
Фотоальбомы: не добавлял
Репутация: 0

Тема: Тема перенесена


Эта тема была перенесена из раздела Уголок радиолюбителя.

Перенес: Admin
СЦБот вне форума   Цитировать 0
Похожие темы
Тема Автор Раздел Ответов Последнее сообщение
/ Лента новостей / Запущен "национальный поисковик" sputnik.ru Admin Интернет-технологии 5 23.05.2014 08:27
=Распоряжение= № 300р от 14 февраля 2008 г. - Об утверждении стандарта ОАО "РЖД" "Организация технической учебы работников ОАО "РЖД". Общие положения" Admin 2005-2008 годы 0 04.05.2014 03:20
=Распоряжение= № 2117р от 22 октября 2012 г. - О внесении изменений в порядок применения осевых масел ИНТЕСМО марок "Л", "3", "С" И "В" Admin 2012 год 0 05.01.2013 22:07
=Распоряжение= № 2706р от 29 декабря 2009 г.- Об утверждении стандарта ОАО "РЖД" "Система управления промышленной безопасностью в ОАО "РЖД". Общие положения" Admin 2009 год 0 14.07.2012 20:29
=Распоряжение= № 2576р от 14 декабря 2010 г. - Об утверждении стандарта ОАО "РЖД" "Система управления охраной труда в ОАО "РЖД". Организация обучения" Admin 2010 год 1 28.05.2012 09:18

Ответить в этой теме   Перейти в раздел этой темы   Translate to English

Возможно вас заинтересует информация по следующим меткам (темам):


Здесь присутствуют: 1 (пользователей: 0 , гостей: 1)
 

Ваши права в разделе
Вы не можете создавать новые темы
Вы не можете отвечать в темах
Вы не можете прикреплять вложения
Вы не можете редактировать свои сообщения

BB коды Вкл.
Смайлы Вкл.
[IMG] код Вкл.
HTML код Выкл.
Trackbacks are Вкл.
Pingbacks are Вкл.
Refbacks are Выкл.



Часовой пояс GMT +3, время: 19:37.

Яндекс.Метрика Справочник 
сцбист.ру сцбист.рф

СЦБИСТ (ранее назывался: Форум СЦБистов - Railway Automation Forum) - крупнейший сайт работников локомотивного хозяйства, движенцев, эсцебистов, путейцев, контактников, вагонников, связистов, проводников, работников ЦФТО, ИВЦ железных дорог, дистанций погрузочно-разгрузочных работ и других железнодорожников.
Связь с администрацией сайта: admin@scbist.com
1 2 3 4 5 6 7 8 9 10 11 12 13 14 15 16 17 18 19 20 21 22 23 24 25 26 27 28 29 30 31 32 33 34 
Powered by vBulletin® Version 3.8.1
Copyright ©2000 - 2026, Jelsoft Enterprises Ltd.
Powered by NuWiki v1.3 RC1 Copyright ©2006-2007, NuHit, LLC Перевод: zCarot