РИСУНКИ, ЧЕРТЕЖИ, СХЕМЫ. ЧЕРТЕЖИ В "КОМПАСЕ"
Чертежи узлов локомотивов и вагонов, выполненные в программе "Компас-3D" (формат файлов CDW), можно бесплатно скачать с файлообменного сервиса DEPOSITFILES
Вопросы по программе "Компас-3D"
Автотормозное оборудование |
|
Компрессор КТ-6 |
|
Кран машиниста усл. № 395 |
|
Кран вспомогательного тормоза усл. № 254 |
|
Электрические аппараты электровозов |
|
Токоприемник П-5 |
|
Быстродействующий выключатель БВП-5 |
|
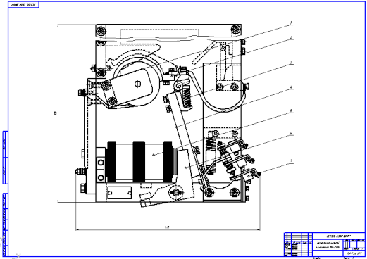
Быстродействующий выключатель вспомогательных машин БВЗ-2 |
|
Электропневматический контактор |
|
Электромагнитный контатор МК |
|
Групповой переключатель ПКГ |
|
Тормозной переключатель |
|
Ножевой отключатель двигателей |
|
Ящик резисторов КФ |
|
Крышевой разъединитель |
|
Вилитовый разрядник |
|
Контроллер машиниста КМЭ-8 |
|
Панель управления ПУ-037 |
|
Следующая страница "Компас-чертежей" - Механическое оборудование и электрические машины электровозов
Смотрите также страницу "Компас-чертежей" - Вагоны







