![]() |
Раздел XIV
АППАРАТУРА ДИСПЕТЧЕРСКОЙ ЦЕНТРАЛИЗАЦИИ «ЛУЧ»
1. Основные сведения
Аппаратура диспетчерской централизации с циклическим контролем «Луч» является поколением ДЦ, серийно выпускаемой промышленностью в последние годы, и предназначена для управления практически на любом расстоянии стрелками и сигналами целого диспетчерского участка и телеконтроля за их состоянием. Систему «Луч» начали внедрять с 1978 г.
Основной аппаратурой диспетчерской централизации «Луч» является каналообразующая и логическая аппаратура, а также стативы, предназначенные для размещения аппаратуры.
2. Каналообразующая аппаратура
Назначение. Каналообразующая аппаратура системы «Луч» предназначена для формирования, передачи, усиления и приема частотных импульсов управляющих и известительных приказов.
Некоторые конструктивные особенности. Каналообразующая аппаратура включает в себя генератор центрального поста ЦГЛ, генераторы линейного пункта ЛГЛ-1 — ЛГЛ-IV, усилители центрального поста ЦУЛ-1 — ЦУЛ-IV, усилители линейного пункта ЛУЛ, демодуляторы ЦЦМЛ-1 — ЦЦМЛ-IV, преобразователь частоты ТПЧЛ, блок согласования каналов БСКЛ, фильтр ФАЛ, статический преобразователь напряжения ПР.
Питание аппаратуры осуществляется от источника постоянного тока напряжением 12 В и 24 В — генераторы ЛГЛ-1 — ЛГЛ-IV, ЦГЛ, демодуляторы ЦЦМЛ-1 — ЦЦМЛ-IV, усилители ЛУЛ; 24 В — усилители ЦУЛ-1 — ЦУЛ-IV, преобразователь частоты ТПЧЛ, блок согласования каналов БСКЛ, статический преобразователь напряжения ПР. Допустимые колебания напряжения источников питания не более +10%. Максимальная амплитуда пульсаций напряжения питания не должна превышать 1%.
Электрическая прочность и сопротивление изоляции аппаратуры. Электрические цепи, изолированные друг от друга и от корпуса выдерживать без пробоя и перекрытия испытательное напряжение переменного тока 1000 В частотой 50 Гц мощностью не менее 0,5 кВА. Сопротивление изоляции токоведущих частей аппаратуры, изолированных от корпуса, относительно корпуса и между собой в нормальных климатических условиях не должно быть менее 20 МОм. Измерение сопротивления изоляции производится мегаомметром при напряжении 500 В постоянного тока с погрешностью измерения не более 10%.
Условия эксплуатации. Каналообразующая аппаратура должна эксплуатироваться при температурах окружающего воздуха от —20 до +40°С и относительной влажности окружающего воздуха 45—80% при температуре +25°С.
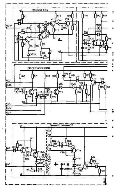
3. Генератор центрального поста ЦГЛ
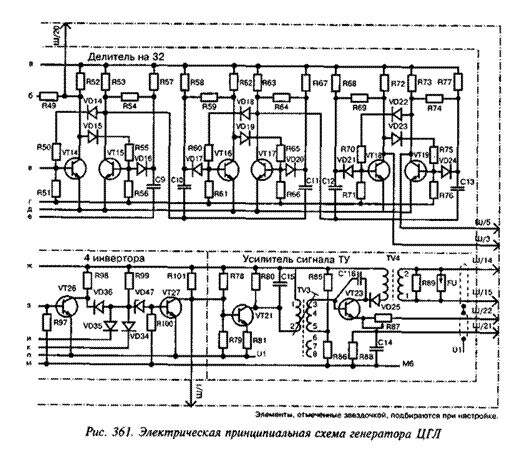
Назначение. Генератор центрального поста ЦГЛ (черт. 601.34.61) предназначен для формирования частот управляющего приказа.
Некоторые конструктивные особенности. Генератор ЦГЛ (рис. 360) включается в схему с помощью 22-штырной штепсельной колодки. Электрическая принципиальная схема генератора ЦГЛ показана на рис. 361. Основные данные элементов, входящих в генератор ЦГЛ, приведены в табл. 314.
Электрические характеристики. Генератор ЦГЛ генерирует тактовую частоту 4000+4 Гц (клемма II), а также частоты 3000 Гц ( клемма 4), 1000 Гц (клемма 2), 500 Гц (клемма 20) и 125 Гц (клеммы 3— 5), которые получаются делением и умножением тактовой частоты. Время установления колебаний тактовой частоты при включении генератора не должно быть более 4 с.
При номинальном напряжении питания уровень сигнала частоты
|
|


Таблица
314
Условное
обозначение на схеме, наименование и тип элементов генератора ЦГЛ
|
Условное обозначение на рис. 361 |
Наименование элемента |
Тип элемента |
|
R1 |
Резистор |
ЛЛТ-1 ВТ-1 кОм± 10% |
|
R2* |
Резистор |
WlT-0,5-160 кОм ± 10% |
|
R3, R13, R18, R25, R30, R32, R33, R35, R40, R42, R43, R45, R50, R52, R53, R55, R60, R62, R63, R65, R70, R72, R73, R75, R79 |
Резистор |
\ЛЛТ-0,5-1 кОм± 10% |
|
R4, R6, R85 |
Резистор |
МЛТ-0,5-2 кОм ± 10% |
|
R5, R7* |
Резистор |
МЛТ-0,5-47 Ом ± 10% |
|
R8 |
Резистор |
МЛТ-0,5-240 Ом ± 10% |
|
R9 |
Резистор |
МЛТ-0,5-1,ЗкОм ± 10% |
|
R10, R12, R21, R26, R90, R93, R96, R99 |
Резистор |
МЛТ-0,5-2,4 Ом ± 10% |
|
R11, R22 |
Резистор |
МЛТ-0,5-24 Ом ± 10% |
|
R14, R19, R29, R34, R39, R44,
R49, R54, R59, R64, R69, R74 |
Резистор |
МЛТ-0,5-3 кОм ± 10% |
|
RI5... RI7, R20, В27, R3I, R41, R36,
R46, R5I, R56, R61, R66, R71.R76, R91, R92, R94, R95, R97, R98, R100, R101 |
Резистор |
МЛТ-0,5-24 кОм ± 10% А |
|
R23* |
Резистор |
МЛТ-0,5-120Ом± 10% |
|
R24, R78 |
Резистор |
МЛТ-0,5-2,2 кОм ± 10% |
|
R28, R37, R38, R47, R48, R57,
R58, R67, R68, R77 |
Резистор |
МЛТ-0,5-20 кОм ± 10% А |
|
R80 |
Резистор |
МЛТ-0,5-1,8кОм± 10% |
|
R81* |
Резистор |
МЛТ-0,5-1,6кОм ± 10% |
|
R86 |
Резистор |
МЛТ-0,5-510Ом± 10% |
|
R87 |
Резистор |
ППЗ-43-68 0м± 10% |
|
R88 |
Резистор |
МЛТ-0,5-180Ом+ 10% |
|
R89 |
Резистор |
МЛТ-0,5-620 Ом ± 10% |
|
С1 |
Конденсатор |
К71-7-0,02мкФ± 1% |
|
|
|
|
Продолжение табл. 314
|
Условное обозначение на рис. 361 |
Наименование элемента |
Тип элемента |
|
С2 |
Конденсатор |
МБМ-160-1 ± 10%, 3 шт. включены параллельно |
|
СЗ |
Конденсатор |
К71-7-0,424мкФ± 1% |
|
G4... С9 |
Конденсатор |
К73-15-160В-6800 пФ ± 10% |
|
С10...С13 |
Конденсатор |
МБМ-160-0,1 ± 10% |
|
С14 |
Конденсатор |
МБГО-2-160-30-И |
|
С15 |
Конденсатор |
К71-7-0,333 мкф± 1% ОЖО.461.100 ТУ |
|
С16* |
Конденсатор |
К31-11-2-Г-680пФ± 10% ОЖО.461.106 ТУ |
|
VD1... VD24, VD26, VD28... VD36 |
Диод полупроводниковый |
Д223Б, аА0 336.613.ТУ |
|
VD27 |
Диод полупроводниковый |
Д226Б, ЩБЗ.362.002 ТУ1 |
|
VD37 |
Стабилитрон полупроводниковый |
Д814А |
|
VD38... VD40, VD44... VD47 |
Стабилитрон полупроводниковый |
КС133А |
|
FU |
Разрядник |
Р-4, ЭФЗ 393.016 ТУ |
|
VT1... VT7, VT9...VT19, VT24...VT27 |
Транзистор |
КТ201Б |
|
VT8, VT21, VT23 |
Транзистор |
КТ608Б |
|
TV1 |
Трансформатор |
черт. 625.10.94-43, 1-2-307 вит., 79 мГ; 3-4-110 вит., 5-6-14 вит., 6-7-6 вит., ПЭБЧ 00,31 |
|
TV2 |
Трансформатор |
черт. 625.10.94-44, 1-2-89 вит., 6,6 мГ, 3-4-18 вит., 5-6-2 вит., 6-7-4 вит., ПЭБЧ 00,41 |
|
TV3 |
Трансформатор |
черт. 625.10.94-45, 1-2-600 вит., 304 мГ; 3-4-60 вит., 4-5-15 вит., 6-7-5 вит., 7-8-11 вит., ПЭВ-1 00,21 |
|
TV4 |
Трансформатор |
черт. 644.25.61-19; 1-2-1000 вит., 3-4-1540 вит., ПЭВ-1 00,23 |
Продолжение табл. 314
|
Условное обозначение на рис. 361 |
Наименование элемента |
Тип элемента |
|
Ш |
Колодка штепсельная |
710.09 90 |
|
Р |
Резонатор кварцевый |
IV-B-20 ГФ-4 кГц-С2/20 |
|
|
* Элементы, обозначенные звездочкой, подбираются при настройке.
500 Гц на выходе генератора ЦГЛ (клеммы 14 и 15) должен быть плюс 15,5±0,5 дБ (4,6±0,3 В). При этом одна из клемм 7, 9 или 16 блока ЦГЛ должна быть соединена с клеммой 20, а остальные — с клеммой 12, или одна из клемм 8, 10, 17 — с клеммой 20, а остальные — с клеммой 12; между клеммами 21 и 22 установлена перемычка.
Монтаж блока выполняется проводом марки МГШВ-0,2.
Контактная система. Монтаж генератора ЦГЛ выведен на 22-ножевую штепсельную колодку (черт. 710.09.90). Нумерация контактов 22-ножевой колодки, если смотреть на колодку со стороны кожуха, снятого с блока, приведена на рис. 362.
Габаритные и установочные размеры приведены на рис. 360, масса 5,6 кг.
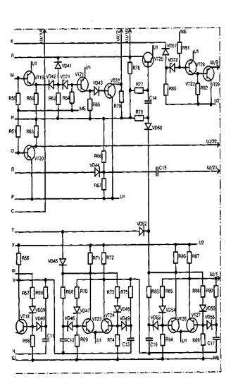
4. Генераторы линейного пункта ЛГЛ-1 - ЛГЛ-IV
Назначение. Линейные генераторы ЛГЛ-1 — ЛГЛ-IV предназначены для формирования рабочих частот известительного приказа соответственно I—IV каналов, а также тактовой частоты.
Некоторые конструктивные особенности. Линейные генераторы изготавливаются четырех типов: ЛГЛ-1 (черт. 601.34.72), ЛГЛ-Н (черт. 601.34.72-02), ЛГЛ-Ш (черт. 601.34.72-03), ЛГЛ-IV (черт. 601.34.72-04). Линейные генераторы (см. рис. 360) включаются в схему с помощью 22-штырной штепсельной колодки.
Электрическая принципиальная схема линейных генераторов ЛГЛ-1 — ЛГЛ-IV .показана на рис. 363. Каждый тип генератора отличается друг от друга величинами емкостей СЗ, С5 и С18, обмоточными данными трансформатора TV2 и дросселя L2, а также схемным включением конденсатора С4 и трансформатора TV2. В линейном генераторе ЛГЛ-1 конденсатор СЗ имеет емкость 0,5 мкФ, 250 В; С5 - 3900 пФ, 500 В; С18 - 0,295 мкФ, 250 В. В генераторе ЛГЛ-Н конденсатор СЗ имеет емкость 0,2 мкФ, 250 В; С5 — 4300 пФ, 500 В; С18 — 0,125 мкФ, 250 В. В генераторе ЛГЛ-Ш конденсатор СЗ имеет емкость 0,2 мкФ, 250 В; С5 - 3900 пФ, 500 В; С18 - 0,0669 мкФ, 250 В. В генераторе ЛГЛ-IV конденсатор СЗ имеет емкость 0,1 мкФ, 250 В; С5 - 5100 пФ, 500 В; С18 - 0,042 мкФ, 250 В.
Данные трансформаторов TV2 и дросселей L2, примененных в линейных генераторах ЛГЛ-1 — ЛГЛ-IV, приведены в табл. 315.
Таблица 315 Данные трансформаторов и дросселей
|
Выводы обмоток |
Число витков |
Индуктивность, мГ |
Марка и диаметр провода, мм |
Выводы обмоток |
Число витков |
Индуктивность, мГ |
Марка и диаметр провода, мм |
|
TV2 (черт. 626.14.00-10) генератора ЛГЛ-1 |
TV2 (черт. 626.14.00-11) генератора ЛГЛ-Н |
||||||
|
1—2 |
404 |
22,5 |
ПЭЛШО
Ø 0,49 |
1—2 |
331 |
15,2 10 |
ПЭЛШО Ø 0,51 |
|
1-3 |
496 |
34 14 |
4—5 |
3 |
|||
|
4—5 |
4 |
5—6 |
9 |
||||
|
5—6 |
12 |
6—7 |
6 |
||||
|
6-7 |
8 |
8-9 |
269 |
||||
|
8-9 |
318 |
10—11 |
5 |
||||
|
10—11 |
5 |
11 — 12 |
10 |
||||
|
11—12 |
10 |
13—14 |
62 |
||||
|
13—14 |
76 |
15—16 |
32 |
||||
|
15—16 |
39 |
|
|||||
|
L2 (черт. 625.10.95-05) генератора ЛГЛ-1 |
L2 (черт. 625.10.95-06) генератора ЛГЛ-Н |
||||||
|
1—2 |
120 |
12 42 |
ПЭВ-1 Ø 0,35 |
1—2 |
77 |
5 18 |
ПЭВ-1 Ø 0,47 |
|
1—3 |
224 |
1—3 |
146 |
||||
|
4—5 |
10 |
4—5 |
6 |
||||
Продолжение табл.
315
|
Выводы обмоток |
Число витков |
Индуктивность, мГ |
Марка и диаметр провода, мм |
Выводы обмоток |
Число витков |
Индуктивность, мГ |
Марка и диаметр провода, мм |
|
L2 (черт. 626.14.00-12) генератора ЛГЛ-Ш |
L2 (черт. 626.14.00-13) генератора ЛГЛ-IV |
||||||
|
1-2 |
249 |
8,6 11,5 4,1 |
ПЭЛШО Ø
0,51 |
1—2 |
200 |
5,5 9 4,2 |
ПЭЛШО Ø
0,51 |
|
1-3 |
288 |
1—3 |
255 |
||||
|
4—5 |
2 |
4—5 |
2 |
||||
|
5—6 |
6 |
5—6 |
6 |
||||
|
6—7 |
4 |
6—7 |
4 |
||||
|
8-9 |
172 |
8-9 |
175 |
||||
|
10—11 |
4 |
10—11 |
4 |
||||
|
11—12 |
8 |
11 — 12 |
8 |
||||
|
13—14 |
55 |
13—14 |
48 |
||||
|
15—16 |
28 |
15—16 |
25 |
||||
|
12 (черт. 625.10.95-07) генератора ЛГЛ-Ш |
L2 (черт. 625.10.95-08) генератора ЛГЛ-IV |
||||||
|
1—2 |
57 |
2,7 10 |
ПЭВ-1 Ø
0,51 |
1—2 |
45 |
1,7 6 |
ПЭВ-1 Ø
0,51 |
|
1-3 |
109 |
1—3 |
84 |
||||
|
4-5 |
5 |
4—5 |
4 |
||||
Схемы включения конденсатора С4 и обмоток трансформаторов TV2 линейных генераторов приведены: ЛГЛ-I на рис. 364, а; ЛГЛ-И на рис. 364, б; ЛГЛ-Ш
на рис. 364, в; ЛГЛ-IV
на рис. 364, г.
Основные данные элементов, входящих в
линейные генераторы ЛГЛ, приведены в табл. 316.
Электрические характеристики. Генераторы ЛГЛ-I — ЛГЛ-IV генерируют тактовую частоту 4000 Гц и две рабочие частоты
соответствующего канала ТС: ЛГЛ-1 - 1025 и 1225 Гц (I канал ТС), ЛГЛ-П -1625 и 1825 Гц (II канал ТС), ЛГЛ-Ш - 2225 и 2425 Гц (III канал ТС),
ЛГЛ-IV — 2825 и 3025 Гц (IV канал ТС). Все рабочие частоты, генерируемые генератором, не
должны отличаться от номинальных величин более чем на ±0,5%. Тактовая частота
не должна отличаться от номинальной более чем на 0,1%. Время установления
колебаний тактовой частоты при включении генератора не должно быть более 4 с.
Напряжение на выходе генераторов ЛГЛ-I — ЛГЛ-IV не должно
Таблица
316 Условное обозначение на схеме, наименование и тип элементов
генераторов ЛГЛ
|
Условное обозначение на рис. 363 |
Наименование элемента |
Тип элемента |
|
R1 |
Резистор |
МЛТ-1 ВТ-1 кОм ± 10% |
|
R2* |
Резистор |
МЛТ-0,5-160 кОм ± 10% А |
|
R3, R13, R23, R27, R41, R43...R45, R49, R51...R53, R57, R59...R61.R66, R68... R70, R74, R77, R79...R81, R85 |
Резистор |
МЛТ-0,5-1 кОм ± 10% |
|
R4, R6 |
Резистор |
МЛТ-0,5-2 кОм ± 10% |
|
R5, R7 |
Резистор |
МЛТ-0,5-47 Ом ± 10% |
|
R8 |
Резистор |
МЛТ-0,5-240 Ом ± 10% |
|
R9 |
Резистор |
МЛТ-0,5-1,3 кОм± 10% |
|
R10, R12, R15, R18, R21, R28...R30, R39 |
Резистор |
МЛТ-0,5-2,4 кОм + 10% |
|
R11 |
Резистор |
МЛТ-0,5-24 Ом ± 10% |
|
R14, R24, R65, R72, R76, R83, R90...R95 |
Резистор |
МЛТ-0,5-3 кОм± 10% |
|
R16, R17, R19, R20, R22, R25, R26, R38, R42, R46, R50, R54, R58, R62, R67, R71, R78, R82 |
Резистор |
МЛТ-0,5-24 кОм ± 10% А |
|
R31, R32 |
Резистор |
МЛТ-0,5-470 Ом ± 10% |
|
R33, R35 |
Резистор |
МЛТ-0,5-4,7 кОм ± 10% |
|
R34, R37 |
Резистор |
МЛТ-0,5-1,5кОм± 10% |
|
R36 |
Резистор |
МЛТ-0,5-110 Ом ± 10% |
|
R40, R47, R48, R55, R56, R63 |
Резистор |
МЛТ-0,5-20 кОм ± 10% А |
|
R64, R73, R75, R84 |
Резистор |
МЛТ-0,5-30 кОм ± 10% А |
|
R86 |
Резистор |
МЛТ-0,5-510Ом± 10% |
|
R87 |
Резистор |
МЛТ-0,5-680 Ом ± 10% |
|
R88 |
Резистор |
МЛТ-0,5-200 Ом ± 10% |
|
|
|
|
Рис. 363. Электрическая принципиальная схема линейных генераторов ЛГЛ – 1 – ЛГЛ - 4
Продолжение табл. 316
|
Условное обозначение на рис. 363 |
Наименование элемента |
Тип элемента |
|
R89 |
Резистор |
ППЗ-43-47 Ом ± 10% |
|
С1 |
Конденсатор |
К71-7-0,02мкФ± 1% |
|
С2 |
Конденсатор |
МБМ-160-1 мкФ ± 10%, 3 шт. параллельно |
|
СЗ |
Конденсатор |
К71-7-.... ± 1% в зависимости от типа ЛГЛ |
|
С4 |
Конденсатор |
К71-7-0,5мкФ± 1% |
|
С5 |
Конденсатор |
К31-11-3-Г-... + 5% в зависимости от типа ЛГЛ |
|
С6 |
Конденсатор |
МБГО-2-160В-4 мкФ — II |
|
С7...С12 |
Конденсатор |
К31-11-3-Г-5600 пФ ± 10% |
|
С13...С16 |
Конденсатор |
БМ-2-160В-0.05 мкФ ± 10% |
|
С17 |
Конденсатор |
К71-7-0,5 мкФ± 1% |
|
С18 |
Конденсатор |
К71-7-... ± 1% в зависимости от типа ЛГЛ |
|
С19 |
Конденсатор |
МБГО-2-200В-10мкФ-И |
|
С20 |
Конденсатор |
МБГО-2-160В-30мкФ-И |
|
С21 |
Конденсатор |
К31-11-2-Г-470пФ± 10% |
|
С22* |
Конденсатор |
К31-11-2-Г-680пФ± 10% |
|
VD1...VD36 |
Диод полупроводниковый |
Д223Б |
|
VD37 |
Диод полупроводниковый |
Д226Б |
|
VD38, VD46, VD47 |
Стабилитрон полупроводниковый |
Д814А |
|
VD39...VD45 |
Стабилитрон полупроводниковый |
КС133А |
|
L1 |
Дроссель |
черт. 625.10.95-04, выводы 1-2-290 вит., Ц_2 = 71 мГ, выводы 3-4-13 вит., проводом ПЭВ-1 0 0,33 мм |
|
L2 |
Дроссель |
в зависимости от типа ЛГЛ, см. табл. 315 |
|
Условное обозначение на рис. 363 |
Наименование элемента |
Тип элемента |
|
VT1...VT22 |
Транзистор |
КТ201Б |
|
VT23 |
Транзистор |
КТ608Б |
|
TV1 |
Трансформатор |
черт. 625.10.94-43, выводы 1-2-307 вит., Ц_г = 79 мГ, выводы 3-4-110 вит., Z-3-4 = 9,6 мГ, выводы 5-6-14 вит., проводом ПЭВ-1 0 0,31 мм |
|
TV2 |
Трансформатор |
в зависимости от типа ЛГЛ, см. табл. 315 |
|
JV3 |
Трансформатор |
черт. 644.25.61.07, выводы 1-2 — 400 вит., 2-3-100 вит., выводы 4-5 и 5-6 по 425 вит., проводом ПЭЛШО 0 0,2 мм |
|
Р |
Резонатор кварцевый |
IV-B-20 ГФ-4 кГц-С2/20 |
|
Ш |
Колодка штепсельная |
черт. 710.09.90 |
* Элементы, обозначенные звездочкой, подбираются при настройке.
быть менее 2,1 В и 1,9 В соответственно на высокой и низкой рабочих частотах канала ТС при напряжении источника питания 12 В и нагрузке 330 Ом на выходе генератора.
Делитель частоты в генераторах ЛГЛ-1 — ЛГЛ-IV должен выдавать импульсы прямоугольной формы с продолжительностью периода 2 мс (клемма 21) и 8 мс (клемма 5). Монтаж блока выполняется проводом марки МГШВ-0,2.
|
|
Контактная система. Монтаж генераторов ЛГЛ выведен на 22-но-жевую штепсельную колодку (черт. 710.09.90). Нумерация контактов
22-ножевой колодки, если смотреть на
колодку со стороны кожуха, снятого с блока, приведена
на рис. 362.
Габаритные и установочные размеры
приведены на рис. 360, масса 5,6 кг.
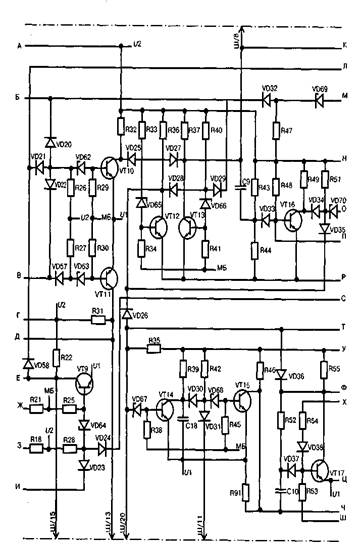
5. Усилители центрального поста ЦУЛ-1 — ЦУЛ-IV
Назначение. Усилители ЦУЛ-1—ЦУЛ-IV предназначены для усиления импульсов известительного
приказа соответственно I—IV каналов.
Некоторые конструктивные особенности. Усилители изготовляются четырех типов:
ЦУЛ-1 (черт. 601.34.71), ЦУЛ-П (черт. 601.34.71-02), ЦУЛ-Ш (черт.
601.34.71-03), ЦУЛ-IV (черт. 601.34.71-04). Усилители ЦУЛ (см. рис. 360) включаются в
схему с помощью 22-штырной штепсельной колодки.
Электрическая принципиальная схема
усилителей центрального поста ЦУЛ-1 — ЦУЛ-IV показана на рис. 365. Каждый тип усилителя отличается друг
от друга величинами емкостей С1, С2, С5—СЮ, С13, а также
обмоточными данными дросселей LI—L5 и
трансформаторов TV2,
TV3.
Напряжение и емкости конденсаторов С1, С2, С5—СЮ, С13 усилителей ЦУЛ-1 — ЦУЛ-IV приведены в табл. 317.
Данные дросселей LI—L5 и трансформаторов TV2 и TV3, примененных в усилителях ЦУЛ-1—ЦУЛ-IV, приведены в табл. 318.
Основные данные элементов, входящих в
усилители ЦУЛ, приведены в табл. 319.
Электрические характеристики. Затухание фильтра в полосе частот канала
ТУ усилителей ЦУЛ-Н — ЦУЛ-IV на частотах 500, 600, 700 и 800 Гц и усилителя ЦУЛ-1 на
частотах 500, 600, 700 Гц не должно быть менее 54,6 дБ (6,3 Нп), и не менее 33
дБ (3,8 Нп) на частоте 800 Гц усилителя ЦУЛ-1.
Затухание фильтра в полосе частот канала
ТС усилителей ЦУЛ-1 — ЦУЛ-IV не должно быть более 10 дБ (1,15 Нп) для частот своего
канала и не менее 41,6 дБ (4,8 Нп) для частот соседних каналов.
Уровень сигнала на выходе усилителей ЦУЛ-1
— ЦУЛ-IV (клеммы 7 и 8) с проверенным фильтром при
напряжении источника питания 24 В должен быть (2,3!^)
дБ (1±0,15) В при подаче на вход усилителя сигнала с уровнем минус 41 дБ (7,0
мВ) более высокой из пары частот данного канала, при этом уровень сигнала на
контрольном выходе (клеммы 21 и 9) должен быть минус (4,53±0,58) дБ
(0,46±0,03) В. При увеличении входного сигнала до минус 33 дБ
Таблица
317 Напряжение и емкости конденсаторов усилителей ЦУЛ
|
Тип усилителя и номер канала ТС |
ЦУЛ-1 |
ЦУЛ-П |
ЦУЛ-Ш |
ЦУЛ-IV |
|
Условное обозначение на схеме |
Напряжение и емкость |
|||
|
С1 |
200 В 4700 пФ |
315 В (2200+1000)
пФ |
315В 2200 пФ |
315 В
50 В (1500+100)
пФ |
|
С2 |
160 В 0,033 мкФ |
200 В 0,015+0,0033
мкФ |
200 В 0,01+0,0033
мкФ |
200 В 0,01 мкФ |
|
С5 |
100 В 0,335 мкФ |
100 В 0,35 мкФ |
100 В 0,347 мкФ |
100 В 0,3 мкФ |
|
С6 |
100 В 0,057 мкФ |
100 В 0,042 мкФ |
100 В 0,053 мкФ |
100 В 0,027 мкФ |
|
С7 |
100 В 0,057 мкФ |
100 В 0,029 мкФ |
100 В 0,022 мкФ |
100 В 0,014 мкФ |
|
С8 |
100 В 0,5 мкФ |
100 В 0,5 мкФ |
100 В 0,5 мкФ |
100 В 0,5 мкФ |
|
С9 |
100 В 0,115 мкФ |
100 В 0,057 мкФ |
100 В 0,055 мкФ |
100 В 0,036 мкФ |
|
СЮ |
100 В 0,27 мкФ |
100 В 0,36 мкФ |
100 В 0,36 мкФ |
100 В 0,347 мкФ |
|
С11 |
100 В 0,234 мкФ |
100 В 0,15675 мкФ |
100 В 0,117 мкФ |
100 В 0,0944 мкФ |
(17 мВ) сигнал на выходе усилителя (клеммы
7—8) не должен увеличиваться более чем на 2 дБ (26%).
Монтаж блока выполняется проводом марки
МГШВ-0,2.
Контактная система. Монтаж
усилителей ЦУЛ выведен на 22-но-жевую штепсельную колодку (черт. 710.09.90).
Нумерация контактов 22-ножевой колодки, если смотреть на колодку со стороны
кожуха, снятого с блока, приведена на рис. 362.
Габаритные и установочные размеры приведены на рис. 360, масса 5,1 кг.
|
|

Таблица 318
Данные дросселей и трансформаторов усилителей ЦУЛ
|
Выводы обмоток |
Число витков |
Индуктивность, мГ |
Марка и диаметр провода, мм |
Выводы обмоток |
Число витков |
Индуктивность, мГ |
Марка и диаметр провода, мм |
|
L1 (черт. 625.10.95-11) усилителя ЦУЛ-1 |
L1 (черт. 625.10.95-19) усилителя ЦУЛ-Н |
||||||
|
1—2 |
449 |
169 |
ПЭВ-1 Ø
0,25 |
1—2 |
373 |
117 |
ПЭВ-1 Ø0,29 |
|
3—4 |
14 |
3—4 |
13 |
||||
|
L1 (черт. 625.10.95-30) усилителя ЦУЛ-Ш |
L1 (черт. 625.10.95-24) усилителя ЦУЛ-IV |
||||||
|
1-2 |
267 |
60 |
ПЭВ-1 Ø
0,35 |
1—2 |
292 |
72 |
ПЭВ-1 Ø
0,31 |
|
3—4 |
9 |
3-4 |
10 |
||||
|
1-2(черт. 625.10.95-10) усилителя ЦУЛ-1 |
L2(чepт. 625.10.95-20) усилителя ЦУЛ-Н |
||||||
|
1—2 |
670 |
375 |
ПЭВ-1 Ø
0,25 |
1—2 |
636 |
340 |
ПЭВ-1 Ø
0,23 |
|
3-4 |
24 |
3—4 |
20 |
||||
|
L2 (черт. 625.10.95-31) усилителя ЦУЛ-Ш |
L2(черт. 625.10.95-25) усилителя ЦУЛ-IV |
||||||
|
1—2 |
550 |
235 |
ПЭВ-1 Ø
0,25 |
1—2 |
526 |
232 |
ПЭВ-1 Ø
0,25 |
|
3—4 |
19 |
3-4 |
18 |
||||
|
L3 (черт. 625.10.95-34) усилителя ЦУЛ-1 |
L3(чepт. 625.10.95-21) усилителя ЦУЛ-П |
||||||
|
1—2 |
202 |
34,1 |
ПЭВ-1 Ø
0,35 |
1—2 |
120 |
12,05 |
ПЭВ-1 Ø
0,47 |
|
1—3 |
220 |
40,9 |
1-3 |
144 |
17,13 |
||
|
4-5 |
8 |
4—5 |
5 |
||||
|
L3 (черт. 625.10.95-32) усилителя ЦУЛ-Ш |
L3 (черт. 625.10.95-26) усилителя ЦУЛ-IV |
||||||
|
1—2 |
88 |
6,6 |
ПЭВ-1 Ø
0,51 |
1—2 |
76 |
4,9 |
ПЭВ-1 Ø
0,51 |
|
1—3 |
106 |
9,46 |
1—3 |
85 |
6,08 |
||
|
4—5 |
3 |
4—5 |
3 |
||||
|
Ь4(черт. 625.10.95-09) усилителя ЦУЛ-1 |
L4 (черт. 625.10.95-22) усилителя ЦУЛ-И |
||||||
|
1—2 |
700 |
410 |
ПЭВ-1 Ø
0,21 |
1—2 |
592 |
295 |
ПЭВ-1 Ø
0,23 |
|
3—4 |
24 |
3-4 |
21 |
||||
Продолжение табл.
318
|
Выводы обмоток |
Число витков |
Индуктивность, мГ |
Марка и диаметр провода, мм |
Выводы обмоток |
Число витков |
Индуктивность, мГ |
Марка и диаметр провода, мм |
|
L4 (черт. 625.10.95-33) усилителя ЦУЛ-Ш |
L4 (черт. 625.10.95-27) усилителя ЦУЛ-IV |
||||||
|
1-2 |
408 |
140 |
ПЭВ-1 Ø
0,27 |
1-2 |
398 |
133 |
ПЭВ-1 Ø
0,23 |
|
3—4 |
14 |
3-4 |
14 |
||||
|
L5 (черт. 625.10.95-12) усилителя ЦУЛ-1 |
L5 (черт. 625.10.95-23) усилителя ЦУЛ-Н |
||||||
|
1-2 |
264 |
58,5 |
ПЭВ-1 Ø
0,35 |
1—2 |
216 |
39,3 |
ПЭВ-1 Ø
0,38 |
|
3-4 |
8 |
3-4 |
7 |
||||
|
L5 (черт. 625.10.95-29) усилителя ЦУЛ-Ш |
L5 (черт. 625.10.95-28) усилителя ЦУЛ-IV |
||||||
|
1-2 |
187 |
29,4 |
ПЭВ-1 Ø
0,41 |
1—2 |
168 |
23,8 |
ПЭВ-1 Ø
0,47 |
|
3-4 |
6 |
3—4 |
5 |
||||
|
TV2 (черт. 625.10.94-11) усилителя ЦУЛ-1 |
TV2 (черт. 625.10.94-19) усилителя ЦУЛ-П |
||||||
|
1-2 |
368 |
115 |
ПЭВ-1 Ø
0,23 |
1—2 |
239 |
48 |
ПЭВ-1 Ø
0,29 |
|
3—4 |
262 |
57,3 |
3-4 |
169 |
24 |
||
|
5-6 |
12 |
5-6 |
6 |
||||
|
TV2 (черт. 625.10.94-23) усилителя ЦУЛ-Ш |
ТУ2(черт. 625.10.94-21) усилителя ЦУЛ-IV |
||||||
|
1—2 |
175 |
26 |
ПЭВ-1 Ø
0,33 |
1—2 |
154 |
20 |
ПЭВ-1 Ø
0,38 |
|
3-4 |
124 |
13 |
3—4 |
109 |
10 |
||
|
5-6 |
4 |
5-6 |
4 |
||||
|
TV3 (черт. 625.10.94-12) усилителя ЦУЛ-1 |
TV3 (черт. 625.10.94-20) усилителя ЦУЛ-П |
||||||
|
1-2 |
316 |
84 |
ПЭВ-1 Ø
0,23 |
1—2 |
173 |
25 |
ПЭВ-1 Ø
0,31 |
|
3—4 |
316 |
84 |
3—4 |
173 |
25 |
||
|
5-6 |
12 |
5—6 |
6 |
||||
|
TV3 (черт. 625.10.94-13) усилителя ЦУЛ-Ш |
TV3 (черт. 625.10.94-22) усилителя ЦУЛ-IV |
||||||
|
1—2 |
127 |
135 |
ПЭВ-1 Ø
0,35 |
1-2 |
105 |
95 |
ПЭВ-1 Ø
0,38 |
|
3-4 |
127 |
135 |
3—4 |
105 |
95 |
||
|
5—6 |
4 |
5-6 |
4 |
||||
Таблица
319 Условное обозначение на схеме, наименование и тип элементов
усилителей ЦУЛ
|
Условное обозначение на рис. 319 |
Наименование элемента |
Тип элемента |
|
R1 |
Резистор |
МЛТ-0,5 ВТ-51 кОм ± 10% |
|
R2, R3, R9, R16 |
Резистор |
МЛТ-0,5-1,0кОм±5% |
|
R4, R5*, R13 |
Резистор |
МЛТ-0,5-4,3 кОм ± 5% |
|
R6 |
Резистор |
МЛТ-1-750 Ом ± 10% |
|
R7 |
Резистор |
МЛТ-0,5-2,0 кОм ± 5% |
|
R8 |
Резистор |
МЛТ-0,5-1,8кОм± 10% |
|
R10, R14 |
Резистор |
МЛТ-0,5-3,0 кОм ± 5% |
|
R11 |
Резистор |
МЛТ-0,5-36 кОм ± 10% |
|
R12 |
Резистор |
МЛТ-2-470Ом± 10% |
|
R15* |
Резистор |
МЛТ-0,5-30 кОм ± 5% |
|
С15, С16 |
Конденсатор |
K10-7B-M30-3300 пФ ± 10% |
|
С1 |
Конденсатор |
БМ2- ... ± 5% (по табл. 317) К10-7В-М1500-... ± 5% (по табл. 317) |
|
С2 |
Конденсатор |
БМ2- ... ± 5% (по табл. 317) |
|
СЗ |
Конденсатор |
К10-7В-М1500-560 пФ ± 20% |
|
С4, С12 |
Конденсатор |
МБМ-160-1.0 + 10% |
|
С5... СЮ |
Конденсатор |
К71-7-... ± 1% М (по табл. 317) |
|
С11.С14 |
Конденсатор |
К10-7В-М1500-1000 пФ + 20% |
|
С13 |
Конденсатор |
К71-7-... ± 1% М (по табл. 317) |
|
VD1...VD4 |
Диод полупроводниковый |
Д223Б |
|
VD5...VD8 |
Стабилитрон полупроводниковый |
КС156А |
|
VD9, VD10 |
Стабилитрон полупроводниковый |
КС113А |
|
DD1...DD3 |
Микросхема |
К140УД1А |
|
FU1, FU2 |
Разрядник |
Р4 |
|
L1...L5 |
Дроссель |
по табл. 318 |
Продолжение табл.
319
|
Условное обозначение на рис. 319 |
Наименование элемента |
Тип элемента |
|
TV1 |
Трансформатор |
черт. 644.25.61-22, выводы 1-2, 3-4 по 3000 вит. проводом ПЭВ-1 0 0,15 мм |
|
TV2, TV3 |
Трансформатор |
по табл. 318 |
|
TV4 |
Трансформатор |
черт. 644.25.61-23, выводы 1-2-2800 вит., 3-4-690 вит., 4-5-60 вит., проводом ПЭВ-1 0 0,23 мм |
|
Ш |
Колодка штепсельная |
черт. 710.09.90 |
* Элементы, обозначенные звездочкой,
подбираются при настройке.
6. Усилители линейного пункта ЛУЛ
Назначение. Усилитель типа ЛУЛ (черт. 601.34.69)
предназначен для усиления импульсов управляющего приказа.
Некоторые конструктивные особенности. Усилитель ЛУЛ (рис. 360) включается в
схему с помощью 22-штырной штепсельной колодки. Электрическая принципиальная
схема усилителя линейного пункта ЛУЛ показана на рис. 366.
Данные дросселей L1...L3 и трансформаторов TV1...TV5, примененных в усилителях ЛУЛ, приведены в табл. 320.
Основные данные элементов, входящих в
усилитель ЛУЛ, приведены в табл. 321.
Электрические характеристики. Постоянное стабилизированное напряжение на
клеммах 19—12 и 20—12 усилителя ЛУЛ при номинальном напряжении питания должно
составлять плюс 6,3±0,1 и минус (6,3±0,1) В
соответственно. При изменении напряжения питания на ±10% напряжение на
указанных клеммах не должно изменяться более чем на ±0,15 В.
Затухание входного фильтра ПФ1 усилителя ЛУЛ на частоте 500 Гц не должно быть более 9,1
дБ (1,05 Нп) и не должно быть менее 28,7 дБ (3,3 Нп) на частоте 350 Гц, 52,1
дБ (6,0 Нп) на частотах 1025, 1625, 2225 и 2825 Гц.
Затухание промежуточного фильтра ПФ2 усилителя ЛУЛ на частоте 500 Гц не должно быть более 9,1 дБ (1,05 Нп) и не должно быть менее 18,7 дБ (2,15 Нп) на частоте 350 Гц и 51,1 дБ (6,0 Нп) на частотах 1025, 1625, 2225 и 2825 Гц.
|
|


|
|

Табл ица 320 Данные
дросселей и трансформаторов усилителей ЛУЛ
|
Выводы обмоток |
Число витков |
Индуктивность, мГ |
Марка и диаметр провода, мм |
Выводы обмоток |
Число витков |
Индуктивность, мГ |
Марка и диаметр провода, мм |
|
L1 (черт. 625.10.95-41) |
TV1 (черт. 625.10.94-50) |
||||||
|
1—2 |
752 |
475 |
ПЭВ-1
Ø 0,21 |
1—2 |
213 |
38 |
ПЭВ-1
Ø 0,21 |
|
3-4 |
5 |
3—4 |
106 |
9,5 |
|||
|
4—5 |
18 |
4—5 |
388 |
L3-5 = 205 |
|||
|
|
6—7 |
5 |
|||||
|
7-8 |
12 |
||||||
|
L2 (черт. 625.10.95-42) |
TV2... TV4 (черт. 625.10.94-51) |
||||||
|
1-2 |
470 |
186 |
ПЭВ-1
Ø 0,27 |
1—2 |
301 |
76 |
ПЭТВ Ø 0,19 |
|
3—4 |
5 |
3—4 |
150 |
19 |
|||
|
4—5 |
12 |
4—5 |
344 |
L3-5 = 205 |
|||
|
|
6—7 |
5 |
|||||
|
7—8 |
12 |
||||||
|
L3(4epT. 625.10.95-43) |
TV5 (черт. 625.10.94-60) |
||||||
|
1—2 |
443 |
165 |
ПЭВ-1
Ø 0,27 |
1—2 |
348 |
109,5 |
ПЭВ-1
Ø 0,23 |
|
3-4 |
4 |
3—4 |
174 |
27 |
|||
|
4—5 |
12 |
5-6 |
3 |
||||
|
|
6-7 |
9 |
|||||
Чувствительность усилителя ЛУЛ с проверенными фильтрами и стабилизатором напряжения должна быть минус 40,8дБ (7±1 мВ). Чувствительность определяется по наименьшему уровню сигнала частоты 500 Гц на входных клеммах (10—11), при котором напряжение на выходе 8—12 круто нарастает от величины, не превышающей 30 мВ, до (4,4±0,6) В, а на клеммах 7—12 — от величины, не превышающей 30 мВ, до (4,0±0,5) В. Напряжение на клеммах 9—12 при включении между этими клеммами резистора 360 Ом и коротком замыкании на входе усилителя ЛУЛ (перемычка 10—11) не должно быть менее плюс 7,4 дБ (1,8 В). Частота этого напряжения может принимать одно из двух дискретных значений 1480 Гц или 1520 Гц и не должна отличаться от указанных величин более чем на ±5 Гц.
Таблица 321 Условное обозначение на схеме,
наименование и тип элементов усилителей ЛУЛ
|
Условное обозначение на рис. 366 |
Наименование элемента |
Тип элемента |
|
R1, R3, R5... R8, R24, R25, R29, R30 |
Резистор |
МЛТ-0,5-620 Ом ± 5% |
|
R4 |
Резистор |
МЛТ-0,5-15кОм±5%А |
|
R9* |
Резистор |
МЛТ-0,5-22 кОм ± 10% А |
|
R10, R15, R17, R19, R45, R64 |
Резистор |
МЛТ-0,5-1,0кОм± 10% |
|
R11*, R12, R50 |
Резистор |
МЛТ-0,5-6,2 кОм ± 10% |
|
R13 |
Резистор |
МЛТ-0,5-3,6 кОм ± 10% |
|
R14 |
Резистор |
МЛТ-0,5-2,2 кОм + 10% |
|
R16, R58, R62 |
Резистор |
МЛТ-0,5-4,3 кОм ± 5% |
|
R18, R23 |
Резистор |
МЛТ-0,5-30 кОм ± 10% А |
|
R20*, R21, R52, R53, R63 |
Резистор |
МЛТ-0,5-8,2 кОм ± 10% А |
|
R22, R48, R49, R61 |
Резистор |
МЛТ-0,5-10кОм±5% |
|
R26, R40, R41 |
Резистор |
МЛТ-0,5-360 Ом ± 10% |
|
R27, R28 |
Резистор |
МЛТ-2-8,2 0м± 10% |
|
R31, R32 |
Резистор |
МЛТ-0,5-200 Ом ± 10% |
|
R33*, R36* |
Резистор |
МЛТ-0,5-220 Ом 1 10% |
|
R34, R35 |
Резистор |
МЛТ-0,5-390 Ом ± 10% |
|
R37, R46, R47, R51, R54 |
Резистор |
МЛТ-0,5-5,1 к0м±5% |
|
R38* |
Резистор |
МЛТ-0,5-30 кОм ± 5% |
|
R39 |
Резистор |
МЛТ-0,5-36 кОм ± 5% А |
|
R42 |
Резистор |
МЛТ-0,5-150Ом± 10% |
|
R43 |
Резистор |
МЛТ-0,5-1,5кОм± 10% |
|
R44, R57, R59 |
Резистор |
МЛТ-0,5-2,4 кОм + 10% А |
|
R55 |
Резистор |
МЛТ-0,5-18 кОм ± 10% А |
|
R56 |
Резистор |
\ЛЛТ-0,5-12кОм± 10% А |
|
R60 |
Резистор |
МЛТ-0,5-24 кОм ± 10% А |
Продолжение табл.
321
|
Условное обозначение на рис. 366 |
Наименование элемента |
Тип элемента |
|
С1 |
Конденсатор |
К71-7-0,212 мкФ± 1% |
|
С2, СЗ, С5, С8, С9, С11 |
Конденсатор |
К71-7-0,5мкФ± 1% |
|
С4 |
Конденсатор |
К71-7-0,046мкФ± 1% |
|
С6, С12, С17, С20, С23 |
Конденсатор |
К10-7В-М1500-560 пФ ± 20% |
|
С7 |
Конденсатор |
К50-20-16В-5мкФ |
|
СЮ |
Конденсатор |
К71-7-0,123 мкФ± 1% |
|
С13 |
Конденсатор |
БМ-2-160-0,05 мкФ ± 10% |
|
С14 |
Конденсатор |
К71-7-100В-0.022 мкФ ± 1% |
|
С15 |
Конденсатор |
К71-7-0,1 мкФ± 1% |
|
С18, С19 |
Конденсатор |
К50-20-16-100 |
|
С21 |
Конденсатор |
МБМ-160-1.0+ 10% |
|
С22 |
Конденсатор |
МБМ-160-0,1 + 10% |
|
С24 |
Конденсатор |
К31-11-2-Г-750пФ±5% |
|
VD5, VD6, VD8 |
Стабилитрон полупроводниковый |
КС133А |
|
VD7 |
Стабилитрон полупроводниковый |
КС168А |
|
VD1, VD2, VD3 |
Диод полупроводниковый |
Д223Б |
|
VD4 |
Диод полупроводниковый |
Д226Б |
|
VT1, VT3, VT7, VT9, VT11...VT15 |
Транзистор |
КТ201Б |
|
VT2, VT4, VT8, VT10, VT16 |
Транзистор |
КТ203Б |
|
VT5 |
Транзистор |
П701 |
|
VT6 |
Транзистор |
П306 |
|
Ш |
Колодка |
черт. 710.09.90 |
|
DD1...DD7 |
Микросхема |
К140УД1А |
|
DD8, DD9 |
Микросхема |
К140УД1А |
* Элементы, обозначенные звездочкой, подбираются при настройке.
При подаче на вход 10—11 сигнала частоты
(500±3) Гц напряжением 14 мВ должен осуществляться режим захвата частоты.
Постоянное напряжение на выходе фазовых
детекторов (клеммы 14—12, 16—12 и 22—12) не должно быть менее 10,0 В при подаче на вход усилителя ЛУЛ сигнала частоты 500 Гц
напряжением (15+45) мВ (минус 34 — минус 24,6 дБ), а на клеммы 13, 15 и 21 соответственно
последовательности прямоугольных импульсов той же фазы и той же частоты.
Постоянное напряжение на указанных клеммах не должно быть более 1,0 В при изменении фазы последовательности прямоугольных
импульсов на клеммах 13, 15 и 21 на противоположную.
Монтаж усилителя ЛУЛ выполняется проводом
марки МГШВ-0,2.
Контактная система аналогична ранее описанному генератору ЦГЛ
(см. рис. 362).
Габаритные и установочные размеры
приведены на рис. 360, масса 5,6 кг.
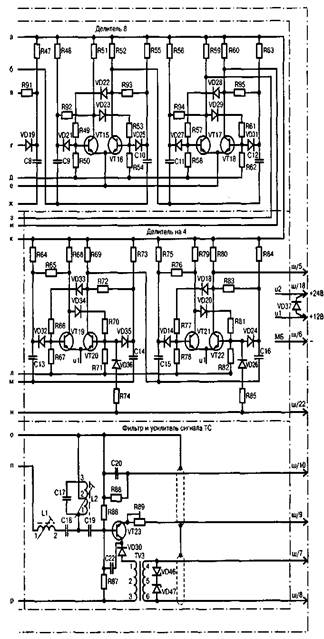
7. Демодуляторы типов ЦДМЛ-1 — ЦДМЛ-IV
Назначение. Демодуляторы предназначены для приема и
расшифровки импульсов известительного приказа соответственно I—IV каналов и преобразования их в импульсы постоянного тока.
Некоторые конструктивные особенности. Демодуляторы изготовляются четырех типов:
ЦДМЛ-1 (черт. 601.34.64), ЦДМЛ-И (черт. 60 Г. 34.64-02), ЦДМЛ-Ш (черт.
601.34.64-03), ЦДМЛ-IV (черт. 601.34.64-04). Демодуляторы (см. рис. 360) включаются в
схему с помощью 22-штырной штепсельной колодки. Электрическая принципиальная
схема демодуляторов типов ЦДМЛ-1 — ЦДМЛ-IV показана на рис. 367. Каждый тип демодулятора отличается
друг от друга величинами емкостей конденсаторов С5, С6
и обмоточными данными трансформаторов TV2 и TV3.
В демодуляторе ЦДМЛ-1 в качестве С5 и С6 применены конденсаторы МБГП-2-200 В-3,9 мкФ ±10%, в
демодуляторе ЦДМЛ-И в качестве как С5, так и С6 применены конденсаторы
МБГП-2-200 В-2 мкФ ±10% и МБМ-160 В-1 мкФ ±10%, включенные параллельно, общей
емкостью по 3 мкФ; в демодуляторах ЦДМЛ-Ш и ЦДМЛ-IV в качестве С5 и С6 применены конденсаторы МБГП-2-200 В-2
мкФ ±10%.
Данные трансформаторов TV2, TV3, примененных в демодуляторах ЦДМЛ-1 —
ЦДМЛ-IV, приведены в табл. 322.
Основные данные элементов, входящих в демодуляторы ЦДМЛ, приведены в табл. 323.
|
|
Схема 367 (часть 1.)
|
|
|
|
Схема 367(часть 2.). Электрическая принципиальная схема демодуляторов ЦДМЛ-1 – ЦДМЛ - 4
|
|