![]() |
Таблица 59
Варианты сборки и размеры панелей пультов
|
Формула пульта |
Вариант сборки |
Размеры полезного поля панели, мм |
Максимальное количество вводных клемм |
|
|
светосхемы |
управления |
|||
|
А |
Одна панель длиной |
800x640 |
800x200 |
20 |
|
Б |
Одна панель длиной |
1200x640 |
1200x200 |
32 |
|
АБ (БА) |
Одна панель длиной |
2000x640 |
2000x200 |
52 |
|
2А |
Две панели длиной |
1600x640 |
1600x200 |
40 |
|
2Б |
Две панели длиной |
2400x640 |
2400x200 |
64 |
Панель клеммная ПП-20 допускает
присоединять один провод сечением до 2,5 мм2 или два провода сечением до 0,75 мм2,
при этом суммарный ток через лепесток не должен
превышать 10 А.
Панель клеммная двухрядная на 14 зажимов допускает подключать к шпилькам провода сечением до 6 мм2, при этом количество проводов под один зажим не более двух, а суммарный ток через шпильку не должен превышать 15 А. К паечному концу может быть присоединен либо один провод сечением до 2,5 мм2, либо два провода сечением до 1 мм2.
Панель клеммная двухрядная на 8 зажимов допускает подключать на пару контактных шайб один провод сечением до 10 мм2 либо два провода сечением до 6 мм2. Суммарный ток через шпильку не должен превышать 35 А. Для внешних соединений количество проводов допускается не более четырех, для внутренних соединений — не более двух.
Панель клеммная на 3 зажима допускает подключать провода сечением до 35 мм2, снабженные кабельными наконечниками, при этом количество проводов может быть не более двух на каждую пару контактных шайб, а суммарный ток через шпильку не должен превышать 70 А.
В блочных пультах ППНБ устанавливаются блоки кнопок, которые состоят из применяющихся типовых малогабаритных кнопок по черт. 387-00-00 и 393-00-00 с контактным набором и цветом головок согласно конкретному проекту, основания, устанавливаемого в квадратном окне фальш-панели, и лицевой заглушки.
Типы выпускаемых блоков кнопок приведены в табл. 60.
Таблица 60
Типы выпускаемых блоков кнопок
|
Тип блока кнопки |
Номер чертежа |
|
КМД |
15899-01-00 |
|
КМДФ |
15899-01-00-01 |
|
кмдп |
15899-02-00 |
|
КМДФП |
15899-02-00-01 |
В блочных пультах ППНБ устанавливаются блоки коммутаторов трехпозиционных типа КМТБ-4фт, черт. 15899-07-00 и КМТБ-2фт, черт. 15899-07-00-01, которые были разработаны для блочных пультов на базе трехпозиционного коммутатора, черт. 170-00-00А (404-00-00). Нумерация контактов блоков коммутаторов типа КМТБ-4фт и КМТБ-2фт приведена в табл. 61.
Таблица 61 Нумерация контактов блоков коммутаторов КМТБ-4фт и КМТБ-2фт
Со стороны монтажа
|
32 |
Ф |
12 |
|
31 |
О |
11 |
|
33 |
т |
13 |
|
42 |
Ф |
22 |
|
41 |
О |
21 |
|
43 |
т |
23 |
|
32 |
Ф |
12 |
|
31 |
0 |
11 |
|
33 |
т |
13 |
Контакты замкнуты
|
Положение рукоятки |
||
|
среднее |
повернутое по часовой стрелке |
повернутое против часовой стрелки |
|
11—13 |
11-12 |
11-13 |
|
21—23 |
21—22 |
21-23 |
|
31—33 |
31—33 |
31—32 |
|
41—43 |
41—43 |
41—42 |
Сопротивление изоляции. При температуре воздуха (20±5)°С, относительной влажности 65+15% и испытательном напряжении 500 В постоянного тока сопротивление изоляции между всеми соединенными между собой вводными токоведущими клеммами и корпусом пульта должно быть не менее 20 МОм.
Электрическая
прочность изоляции 1000В переменного
тока 50 Гц в течение 1 мин.
Габаритные размеры, мм
ППНБ-800-75 885x906x1460
ППНБ-1200-75 1240x906x1460
Масса, кг
ППНБ-800-75 115
ППНБ-1200-75 151
При заказе заводу-изготовителю необходимо представить в трех экземплярах конкретный проект, включающий вид панели пульта в масштабе 1:1 с обозначением всех узлов, участвующих в схеме, и спецификацию; монтажные схемы и указать конфигурацию пульта.
15. Табло выносные блочные типа ТВБ
Назначение. Табло ТВБ предназначены для контроля за положением стрелок, показаниями сигналов и установкой маршрутов в устройствах электрической и диспетчерской централизации и других устройствах железнодорожной автоматики и телемеханики. В устройствах ЭЦ и ДЦ используются совместно с пультами-манипуляторами.
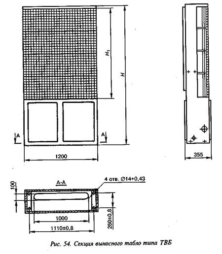
Некоторые конструктивные особенности. Блоки световой индикации (мозаичные блоки), используемые при изготовлении блочных выносных табло типа ТВБ, выпускаются с 1984 года 44 типов, а световоды для них — 21 типа. Конструкция блока световой индикации описана в разделе «Пульты наклонные с табло из блочных элементов типа ППНБ». Табло изготавливают из секций трех типов по высоте и с количеством секций от трех до девяти. В технически обоснованных случаях по согласованию с заводом табло может быть заказано из 10—12 секций.
Внешний вид секции приведен на рис. 54.
Типы секций, их размеры и масса приведены в табл. 62.
Таблица 62
Типы секций выносного табло, их размеры и масса
|
Тип секции |
Номер чертежа |
Размеры, мм |
Масса, кг |
|
|
Н\ |
Н |
|||
|
СТБ-1903 |
16608-00-00 |
1200 |
1903 |
185 |
|
СТБ-2303 |
16609-00-00 |
1600 |
2303 |
205 |
|
СТЕ-2703 |
16610-00-00 |
2000 |
2703 |
225 |
|
|
В зависимости от конкретного проекта табло изготавливают различных типоразмеров из отдельных секций.
Типы изготавливаемых выносных табло, их конфигурации, размеры и масса приведены в табл. 63.
Для изготовления табло ТВБ заказчик должен
представить заводу-изготовителю рабочие
чертежи конкретного проекта в масштабе I: I в трех экземплярах: сборочные
чертежи на лицевые панели секций, склеенные попанельно; спецификации табло; монтажные схемы секций, склеенные
попанельно; схемы клеммных панелей и
шин. При заказе, например, трехсекционного табло высотой
|
|
Зазор по периметру блочных
элементов, установленных в любом месте общей лицевой панели, не должен превышать
Освещенность индикаторов
мозаичных блоков световой индикации при
использовании в них ламп накаливания КМ24-35 и КМ24-90 по ТУ 16-88 ИКАВ 675-250.001 при напряжении питания (23±2)В
и при использовании светофильтров СФ из силикатного стекла толщиной
Сопротивление изоляции между всеми соединенными между собой токоведущими частями, изолированными от корпуса, и корпусом секций табло должно быть не менее 10 МОм при температуре окружающего воздуха (25±10)°С и относительной влажности (65+15)%.
Таблица 64
Освещенность индикаторов мозаичных блоков световой индикации

Электрическая прочность изоляции всех токоведущих частей, изолированных от корпуса, по отношению к корпусу секции табло должна выдерживать без пробоя и перекрытия в течение 1 мин испытательное напряжение 1000 В от источника переменного тока частоты 50 Гц.
16. Пульты-табло с субблоками на светодиодах типа ППНБМ
Назначение. Пульты-табло с субблоками на светодиодах типа ППНБМ предназначены для управления стрелками и сигналами на промежуточных станциях с количеством централизованных стрелок до 30 и являются пультами-табло III поколения, производство которых начато с 1999 года.
При сложном путевом развитии промежуточной станции с числом централизованных стрелок менее 30 в исключительных случаях разрешается применение выносного табло и пульта-манипулятора.
Некоторые конструктивные особенности. Пульты-табло типа ППНБМ являются модернизированным вариантом пультов из блочных элементов типа ППНБ. В пультах-табло ППНБМ применены субблоки на светодиодах вместо мозаичных блоков с коммутаторными лампами в пультах-табло ППНБ.
Внешний вид выпускаемых пультов-табло типа ППНБМ-800 (черт. 17417-00-00) приведен на рис. 55, типа ППНБМ-1200 (черт. 17415-00-00) приведен на рис. 56.
Панель светосхемы у пульта-табло типа ППНБМ-800 набирается из типовых светодиодных блочных элементов размером 40x40 мм и имеет размеры 800x640 мм (40 ммх20 шт. и 40 ммх16 шт.).
Панель
светосхемы у пульта-табло типа ППНБМ-1200 набирается из типовых светодиодных
блочных элементов размером 40x40 мм и имеет размеры 1200x640 мм (
Возможные варианты сборки пультов-табло (конфигурации), полезное поле панелей светосхемы и управления приведены в табл. 65.
Приведенные в табл. 65 возможные варианты сборки пультов-табло используются при проектировании в зависимости от необходимости, что, в свою очередь, зависит от сложности путевого развития проектируемой станции.
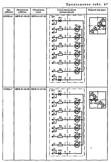
Для создания светосхемы пультов-табло разработаны и изготавливаются 38 типов субблоков ИСОЕЦ (индикатора состояния объекта электрической централизации), отличающихся друг от друга электрической принципиальной схемой, внешним видом и маской.
Внешний вид субблока ИСОЕЦ (черт. 16878-91-00) приведен на рис. 57.
Каждая разновидность субблока состоит из печатной платы со светодиодами 1 и печатной платы с резисторами и диодами 2. При установке субблока в информационное поле (соту) он оснащается соответствующей квадратной маской (40x40x3 мм) с окнами для прохода светодиодов.
Типы субблоков ИСОЕЦ, их номера чертежей, характеристики приведены в табл. 66.
Электрические принципиальные схемы субблоков ИСОЕЦ, внешние виды масок, их номера чертежей приведены в табл. 67.
В качестве индикаторов HL1... HL7 применены:
К — индикатор единичный КИПД 28В-К (прямоугольной формы излучающей поверхности, красный);
Ж — индикатор единичный КИПД 28В-Ж (прямоугольной формы излучающей поверхности, желтый);
Л — индикатор единичный КИПД 28В-Л (прямоугольной формы излучающей поверхности, зеленый);
|
|
Ко — индикатор единичный КИПД 21Б-К (круглой формы излучающей поверхности, красный);
|
|
Жо – индикатор единичный КИПД 21Б – Ж (круглой формы излучающей поверхности, желтый);
Ло — индикатор единичный КИПД 21Б-Л (круглой формы излучающей поверхности, зеленый).
Электропитание световых индикаторов осуществляется от источника постоянного тока номинальным напряжением 6 В с допускаемыми отклонениями не более ±1,5%.
Ток, потребляемый светодиодами КИПД 21Б-К (красный,
корпус диаметром
Индикаторы прямоугольной формы изготавливаются по техническим условиям АДБК.432220.358 ТУ, индикаторы круглой формы — по техническим условиям АДБК.432220.195 ТУ.
Яркостный контраст между индикатором и мнемознаком и фоном мнемосхемы — не менее 65%.
В качестве резисторов Rl... R7 применены резисторы С2-33 Н-0,125-180 Ом ±5%-Д-В и С2-33 Н-0,125-360 Ом ±5%-Д-В, ответствующий тип выбирается проектом.
В
качестве диодов VD1 и VD2 применены диоды КД510А
В качестве разъема ХР1 применена вилка прямая 011п-ВС-39-14/35,5х6,3-В52 НЩО.364.063 ТУ.
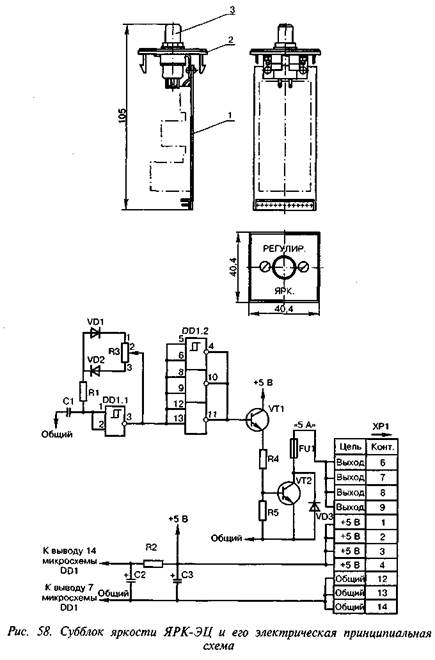
Кроме субблоков ИСОЕЦ разработаны и выпускаются субблоки яркости ЯРК-ЭЦ, черт. 16878-80-00 (рис. 58), которые предназначены для регулировки яркости свечения красных светодиодов на информационном поле табло.


|
|
|
|
|
|
|
|
|
|
|
|
|
|

·
Допускается поворот субблока на 90°.
· ** Допускается поворот субблока на 180°.
Цифры на виде сверху обозначают номера контактов вилки, соответствующих светодиодов; буквы обозначают цвета индикаторов.
Контакты вилки 1,2 — питание красных светодиодов.
Контакты вилки 13, 14 — питание желтых и зеленых светодиодов.
Субблок ЯРК-ЭЦ включается в электрическую схему совместно с субблоками переключателя, черт. 16878-82-00 (рис. 59), который обеспечивает отключение регулятора яркости при выходе его из строя. В качестве переключателя используется переключатель ПТ8-8 АГО.360.216 ТУ.
Субблок ЯРК-ЭЦ состоит из печатной платы с элементами /, печатной платы с регулировочным резистором 2 и заглушки 3.
|
|
|
|
|
|
|
|
|
|
|
|
|
|
|
|
|
|
|
|
|
|
|
|
|
|
|
|
Таблица 68
Наименование и тип элементов, применяемых в субблоке ЯРК-ЭЦ
|
Условное обозначение элементов на рис. 58. |
Наименование элементов |
Тип элементов |
|
R1 |
Резистор |
С2-ЗЗН-0.125 Вт-22 кОм±10%-Б-Д-В |
|
R2 |
Резистор |
С2-ЗЗН-0,125Вт-1 кОм±10%-Б-Д-В |
|
R3 |
Резистор |
СП4-1а-0,25 Вт-220 кОм±30%-В-ВС-2-16 |
|
R4 |
Резистор |
С2-ЗЗН-0.25 Вт-150 Ом±10%-Б-Д-В |
|
R5 |
Резистор |
С2-ЗЗН-0.125 Вт-3,3 кОм±10%-Б-Д-В |
|
С1 |
Конденсатор |
К10-7В-Н30-0,01 мкФ±20% |
|
С2, СЗ |
Конденсатор |
К53-14-6,ЗВ-6,8 мкФ+10% |
|
DD1 |
Микросхема |
К561ТЛ1 6К0.348.457-16ТУ |
|
FU1 |
Вставка плавкая |
ВП1-2; 5 А, 250 В |
|
VD1, VD2 |
Диод |
КД521 А |
|
VD3 |
Диод |
КД243В |
|
VT1 |
Транзистор |
КТ315В |
|
VT2 |
Транзистор |
КТ829 Г |
|
ХР1 |
Вилка прямая |
ОНпВС-39-14В-52 |
меняются блоки кнопок и блоки коммутаторов, а также ключи-жезлы.
Блоки кнопок разработаны на основе типовых малогабаритных кнопок, у которых контактный набор и нумерация контактов типовые. Блок кнопки любого типа состоит из кнопки 1 (контактный набор по проекту), основания 2 и заглушки 3. Заглушка кнопок с пломбировкой имеет пломбировочное устройство. Чертежи применяемых блоков кнопок КМДП (черт. 16878-08-00) приведены на рис. 60, КМДФ (черт. 16878-08-00-01) и КМДФП (черт. 16878-08-00-02) на рис. 61, КМД (черт. 16878-09-00) на рис. 62.
Чертежи и нумерация контактов со стороны монтажа применяемых блоков коммутаторов КМТБ-4фт (черт. 16878-10-00) приведены на рис. 63, КМТБ-2фт (черт. 16878-10-00-01) на рис. 64, КМДБ-2фт (черт. 17354-35-00) на рис. 65.
Ключи-жезлы устанавливаются для обслуживания перегонов, оборудованных устройствами автоматической блокировки.
Ключи-жезлы имеют 8 серий.
|
|
|
|
|
|
|
|
|
|

Первые две серии ключей-жезлов всегда занимаются для нужд смены направления при капитальном ремонте одного из путей на двухпутных участках железнодорожных линий и резервного управления станцией при диспетчерской централизации.
В конкретных проектах серии ключей-жезлов следует занимать начиная с серии III.
На каждой из двух боковых сторон пультов-табло максимально можно установить два ключа-жезла черт. 13049-00-00 (места 1 и 2) и два ключа-жезла с электрозащелкой, черт. 380-00-00А (места 3 и 4). Допускается установка ключей-жезлов и на 3-м и 4-м местах. Установка ключей-жезлов с защелками на 1-м и 2-м местах не допускается.
|
|
Замок ключа-жезла с
электрозащелкой (черт. 380-00-00А) приведен на рис. 66.
Серия ключа задается конкретным проектом. Замок ключа-жезла с электрозащелкой имеет два положения:
Положение I.
При притянутом якоре электрозащелки стопорный стержень отпирает фиксатор замка. Ключ свободно вынимается. Контакты электрозащелки разомкнуты. Замкнуты контакты 1—2 замка. При обеспечении защелки якорь не отпадает, так как стопорный стержень опирается на фиксатор замка. На рисунке показано положение при притянутом якоре.
Положение II.
При вставленном и повернутом на 90° ключе замыкаются контакты 3—4, и при опущенном якоре электрозащелки стопорный стержень запирает фиксатор замка. Ключ нельзя ни повернуть, ни вынуть. Контакты электрозащелки замкнуты.
Необходимо отметить, что от случайного поворота ключи могут по указанию проекта оснащаться фиксирующим устройством, черт. 13049-08-00, приведенным на рис. 67.
Замок ключа-жезла (черт. 13049-00-00) приведен на рис. 68. Серия ключа задается конкретным проектом. Замок ключа жезла имеет два положения:
Положение I.
Ключ вынут или вставлен, но не повернут, замкнуты контакты 1-2.
Положение II.
Ключ вставлен и повернут на 90°, замкнуты контакты 3—4.
Кроме того в пультах-табло ППНБМ применяются панели двухрядные для пайки на 20 лепестков ПП-20 (черт. 24169-00-00), панели клеммные двухрядные на 14 зажимов (черт. 24209-00-00), панели клеммные на 3 зажима (черт. 24210-00-00), шины с лепестками для пайки (черт. 57-07-00), вилки СП2Ш-30 (черт. 16697-00-00).
Панель двухрядная для пайки на 20 лепестков (рис. 69) допускает присоединять один провод сечением до 2,5 мм2 или два провода сечением до 0,75 мм2. Суммарный ток через лепесток не должен превышать 10 А.
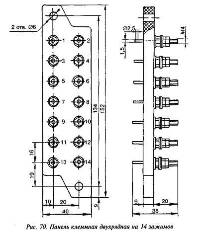
Панель клеммная двухрядная на 14 зажимов (рис. 70) допускает подключать к шпилькам провода сечением до 6 мм2, при этом количество проводов под один зажим не более двух, а суммарный ток через шпильку не должен превышать 15 А. К паечным концам может быть присоединен либо один провод сечением до 2,5 мм2, либо два провода сечением до 1 мм2.
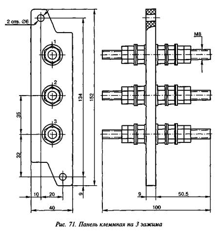
Панель клеммная на 3 зажима (рис. 71) допускает подключать провода сечением до 35 мм2, снабженные кабельными наконечниками, при этом количество проводов может быть не более двух на каждую пару контактных шайб, а суммарный ток через шпильку не должен превышать 70 А.

|
|

|
|
|
|
Шины 57-07-00 (рис. 72)
выпускаются трех типов: I, II и III. Шина типа I на 46 лепестков имеет размеры А —
Вилка соединителя СП2Ш-30 (рис. 73) допускает подключение одного провода сечением до 1 мм2 или двух проводов сечением по 0,5 мм2. Суммарный ток через контакт не должен превышать 5 А.
Пульт-табло ППНБМ любого типа представляет собой бескаркасный корпус, имеющий с лицевой стороны две панели. Одна, сотовая неподвижная панель наклонена под углом 30° от оператора (дежурного), на ней размещены светосхема станции и другая световая индикация. Вторая, поворотная, горизонтальная панель предназначена для размещения аппаратуры управления (кнопок, коммутаторов, счетчиков и т. д.)
Корпус пульта-табло представляет собой сварную конструкцию.
Доступ к монтажной стороне панелей светосхемы, а также к инодным клеммам осуществляется с задней стороны пульта через проем, закрываемый съемными щитами.
С лицевой стороны пульт-табло также имеет съемные щиты для доступа к заводскому монтажу клеммных панелей. На горизонтальной части пульта установлена поворотная рама с монолитной панелью под аппаратуру управления. Рама поворачивается на петлях в сторону оператора на 115°.


В нижней части пульта, на горизонтальных угольниках и полосах, установлены типовые клеммы ПП-20, панели на 14 зажимов, панели на 3 зажима и вилки разъема СП2Ш-30. Количество и тип клеммных панелей устанавливается по конкретному проекту.
На боковинах пульта-табло предусматривается установка замков ключей-жезлов без электрозащелки и с электрозащелкой.
Шины питания устанавливаются в верхней части пульта-табло. Над вводными клеммами, на верхнем угольнике, могут устанавливаться звонки и розетки.
Ввод кабеля внешних цепей производится через отверстие в основании пульта-табло. Пульт-табло крепится к полу болтами или шурупами.
|
|
Максимальное количество приборов, устанавливаемых в одиночном пульте-табло, приведено в табл. 69.
Таблица 69
Максимальное количество приборов, устанавливаемых в одиночном пульте-табло
|
Наименование прибора |
Тип пульта |
|
|
ППНБМ-800 |
ППНБМ-1200 |
|
|
Панели клеммные, шт. |
20 |
32 |
|
Замки ключей-жезлов без электрозащелки, шт. |
4 |
4 |
|
Замки ключей-жезлов с электрозащелками, шт. |
4 |
4 |
|
Звонки |
5 |
5 |
|
Розетки |
1 |
1 |
|
Шина типа II на 31 лепесток |
2 |
4 |
|
Шина типа III на 16 лепестков |
2 |
- |
При проектировании на внешнем виде пультов наносится сетка границ субблоков. В каждом субблоке указывается тип субблока (1, 2, 3, и т. д.) и маска субблока (Ml, M2 и т. д.).
Если пульт состыковывается из двух секций, нумерация секций принимается слева направо с монтажной стороны пульта.
Нумерация клемм в пультах производится слева направо и сверху вниз, глядя со стороны строительного монтажа. Монтажные адреса вводных клемм пульта записываются следующим образом: П11-8 или 2Ш1-8, где первая цифра и буква П — номер секции пульта, вторые цифры — номер клеммы, последняя цифра — номер лепестка или зажима.
Шины питания обозначаются по роду питания — ПТ (СХ) МТ (МС), ПТМ (СХМ) РПТМ (РСХМ); ТП. Сечение общих питающих проводов определяется конкретным проектом.
Внутренний монтаж пульта выполняется гибким многопроволочным проводом марки МГШВ сечением 0,2 мм2. Обвязка обратных проводов питания до шин выполняется гибким проводом марки МГШВ или НВ сечением 0,75 мм2. Обвязка обратных проводов от шин до блоков световой индикации выполняется проводом сечением 0,2 мм2.
В одну обвязку проводов питания допускается включать не более
65 штук светодиодов.
Электрическая прочность и сопротивление изоляции. Электрическая изоляция всех токоведущих частей, изолированных от корпуса,
мо отношению к корпусу выдерживает испытательное напряжение переменного тока 500 В частотой 50 Гц в течение 1 мин.
Сопротивление изоляции между всеми соединенными между собой токоведущими частями, изолированными от корпуса, и корпусом пульта-табло должно составлять не менее 20 МОм.
Для изготовления пульта-табло на заводе заказчик должен представить документацию в трех экземплярах:
— чертеж мнемосхемы лицевых панелей (внешнего вида пульт-табло) в масштабе 1:1;
— спецификацию элементов, устанавливаемых в пульте-табло;
— монтажные схемы (схемы соединений).
Пример записи при заказе и в документации: пульт-табло ППНБМ-1200, черт. 17415-00-00; пульт-табло ППНБМ-800, черт. 17417-00-00. Запись при заказе должна содержать название, 1ип пульта-табло, вариант сборки (если он необходим), номер чертежа.
Необходимо отметить, что один экземпляр чертежей внешнего вида и монтажных схем вместе с пультом-табло завод-изготовитель направляет заказчику изделия. Совместно с пультом-табло заказчику направляются в качестве запасных частей субблоки ИСО, ЯРК, блоки кнопок и блоки коммутаторов в количестве 1% от проектной спецификации, но не менее чем по 1 штуке.
17. Пульты наклонные ПН-640 и ПН-1120 с субблоками на светодиодах
Назначение. Пульты наклонные ПН-640 и ПН-1120 применяются дня управления стрелками районов двойного и местного управления, а также для ограждения составов при их осмотре и ремонте на путях (НТО).
Некоторые конструктивные особенности. Внешний вид пульта наклонного ПН-640 (черт. 17358-00-00) приведен на рис. 74, ПН-1120 (черт. 17354-00-00) — на рис. 75.
Пульт наклонный ПН-640 представляет собой раму с сотовыми ячейками, наклонно установленную на одиночной тумбе. Рама может поворачиваться в сторону оператора на угол более 90°. В ячейки соты устанавливаются светодиодные субблоки ИСОЕЦ, блоки кнопок и коммутаторов.
В тумбе размещены 6 штук клеммных панелей, типы которых определяются конкретным проектом. Боковые стенки тумбы имеют съемочные щиты для доступа к заводскому и строительному мон-1ажу. В тумбе могут быть размещены два звонка на напряжение 24 В.
|
|
Пульт наклонный ПН-1120 представляет собой раму с сотовыми ячейками, наклонно установленную на двух тумбах. Рама может поворачиваться в сторону оператора на угол более 90°. В ячейки соты устанавливаются светодиодные субблоки ИСОЕЦ, блоки кнопок и коммутаторов.
В каждой тумбе размещены в два ряда вводные клеммы в количестве по 10 штук.
Боковые стенки тумб имеют съемные щиты для доступа к заводскому и строительному монтажу.
Для создания светосхемы пультов наклонных применяются те же 38 субблоков ИСОЕЦ, те же блоки кнопок и коммутаторов, что и в ранее описанных пультах-табло с субблоками на светодиодах типа ППНБМ.
Электрическая прочность,
сопротивление изоляции пультов наклонных
ПН-640 и ПН-1120, требования к монтажу те же, что и у ранее описанных пультов-табло ППНБМ.
|
|
Для изготовления пульта наклонного на заводе заказчик должен представить техническую документацию в трех экземплярах:
—чертеж лицевой панели (внешнего вида) в масштабе 1:1;
—спецификацию элементов, устанавливаемых в пульте;
—монтажные схемы (схемы соединений).
Запись при заказе должна содержать название, тип пульта, номер чертежа.
Пример записи при заказе:
пульт ПН-640, черт. 17358-00-00;
пульт ПН-1120, черт. 17354-00-00.
Необходимо отметить, что один экземпляр чертежей внешнего вида и монтажных схем вместе с пультом завод-изготовитель направляет заказчику изделия. Совместно с пультом заказчику направ-ляются в качестве запасных частей субблоки, блоки кнопок и блоки коммутаторов в количестве 1% от проектной документации, но не менее чем по 1 штуке.
18. Табло выносные блочные унифицированные с субблоками на светодиодах типа ТВБУ
Назначение. Табло ТВБУ предназначены для контроля за положением стрелок, показаниями сигналов и установкой маршрутов в устройствах электрической и диспетчерской централизации и других устройствах железнодорожной автоматики и телемеханики. В устройствах ЭЦ и ДЦ используются совместно с пультами-манипуляторами.
Некоторые конструктивные особенности. Табло типа ТВБУ являются модернизированным вариантом табло из блочных элементов типа ТВБ. В табло ТВБУ применены субблоки на светодиодах вместо мозаичных блоков с коммутаторными лампами в табло ТВБ.
Выносное табло собирается из прямоугольных секций соответствующего типа в зависимости от необходимой высоты. Табло собирается с помощью угловых вставок с углом 10°, 20°, 30°.
Внешний вид секции выносного табло приведен на рис. 76.
Вид с лицевой стороны на информационное поле секций табло приведен на рис. 77. Внешний вид выносного табло в сборе изображен на рис. 78.
Типы секций, их размеры и масса приведены в табл. 70.
Таблица 70
Типы секций выносного табло ТВБУ, их размеры и масса
|
Тип секции |
Номер чертежа |
Размеры, мм |
Масса, кг |
|
|
H1 |
Н |
|||
|
СТБУ-1503 |
16878-01-00 |
640 |
1503 |
102 |
|
СТБУ-1823 |
16878-01-00-01 |
960 |
1823 |
119 |
|
СТБУ-2143 |
16878-01-00-02 |
1280 |
2143 |
136 |
|
СТБУ-2463 |
16878-01-00-03 |
1600 |
2463 |
153 |
|
СТБУ-2783 |
16878-01-00-04 |
1920 |
2783 |
170 |
В зависимости от конкретного проекта выносное табло изготавливают различных типоразмеров из отдельных секций.
Типы изготавливаемых выносных табло, их конфигурации, размеры и масса приведены в табл. 71.
Секция табло СТБУ оформлена в виде прямоугольного корпуса, изготавливаемого из листовой стали, согнутой в специальный профиль. На лицевой стороне закреплена сота, в которой устанавливаются субблоки и блоки. Для удобства монтажа и обслуживания на обратной стороне, а также в нижней части лицевой стороны секции имеются съемные шиты, снабженные пломбировочными винтами.
|
|
В нижней части секции расположены угольники для установки клеммных панелей. На нижнем угольнике могут устанавливаться звонки и розетки для подключения освещения и паяльника. Шины питания размещены на перемычках рамы и на крыше корпуса секции. Вводное отверстие для кабелей расположено в нижнем основании секции под изолированными угольниками. На боковинах крайних секций могут быть установлены замки ключей-жезлов.