![]() |
Раздел VI
ПРИБОРЫ ЗВУКОВОЙ ОПОВЕСТИТЕЛЬНОЙ СИГНАЛИЗАЦИИ
1. Гудок переменного тока типа ГПР
Назначение. Гудок переменного тока типа ГПР (рис. 134) применяется для внутренней и наружной установок в электрической производственной и тревожной сигнализации в качестве акустического сигнального прибора средней мощности; изготовляется по черт. 1314.00.00.
Технические характеристики
Напряжение питания, В 127
50Гц
Потребляемая
мощность не более, ВА 45
Ток не более, А 0,35
Дальность
отчетливой слышимости сигнала на
открытом воздухе при отсутствии посторонних
шумов не менее, м 140

Частота колебаний мембраны, пер/с 50
Сопротивление каждой катушки гудка
постоянному току, Ом 151
Число витков в одной
катушке 3900
Диаметр провода, мм 0,18
Марка провода ПЭВ
Катушки гудка включаются параллельно (рис. 135).
При установке гудка необходимо его заземлить, для чего на его корпусе имеется специальный винт.
Категорически запрещается регулировка механизма, смена катушек и подключение проводников при наличии напряжения питания.
Электрическая прочность и сопротивление изоляции. Изоляция токоведущих частей должна выдерживать в течение 1 мин без пробоя и перекрытия при температуре (25+10)"С и относительной влажности окружающего воздуха до 80% испытательное напряжение 1500 В переменного тока частотой 50 Гц при мощности испытательной установки 1 кВ А.
Сопротивление изоляции всех токоведущих частей гудка относительно корпуса, а также между собой должно быть не менее 10 МОм при температуре (25±10)°С и относительной влажности до 80%.
Условия эксплуатации. Гудок переменного тока предназначен для работы при температуре окружающего воздуха от —45 до +40°С и относительной влажности до 80 % при температуре +20°С.
Габаритные размеры 514x160x193 мм; масса — 6,2 кг.
2. Звонки электрические постоянного тока
Назначение. Звонки постоянного тока (рис. 136) предназначены для акустической сигнализации перегорания предохранителей, контроля посылки вызова и других целей в устройствах СЦБ.
Некоторые конструктивные особенности. Звонки (рис. 137) изготовляют на рабочее напряжение 3, 6, 12, 24 и 48 В. В звонке устанавливается искрогасящий конденсатор БМ-2 емкостью 0,04—0,5 мкФ. Номера чертежей, рабочее напряжение, обмоточные данные звонков приведены в табл. ПО.
Сила звука должна быть не менее 60 дБ.
Звонок дает отчетливый акустический сигнал. Он должен быть отрегулирован так, чтобы начинал звонить при напряжении, равном 50% от рабочего.
Необходимо отметить, что ранее в
таких звонках вместо конденсатора С устанавливался резистор R
(искрогасяшее сопротивление)
типа МЛТ-0,5 Вт,
величина которого в зависимости от рабочего напряжения звонка приведена в последней колонке
табл. 110, обозначенной
звездочкой. В этом случае звонок на рабочее напряжение 3 В
искрогасящего ректора не имел и регулировался так, чтобы начинал звонить при
напряжении 1,5 В.
Монтаж звонка выполняется проводом арки
ПМВГ сечением 0,2 мм2.
Электрическая прочность и сопротивление
изоляции. Изоляция между
всеми токоведущими частями и корпусом звонков должна выдерживать в течение 1
мин напряжение 00 В переменного тока частотой 50 Гц.
Сопротивление изоляции токоведущих частей звонка по отношению к корпусу при
нормальных климатических условиях должно быть не менее 25 МОм, при воздействии
дестабилизирующих факторов — не менее 6 МОм.
Габаритные размеры, мм: диаметр 80, высота 50; масса — 0,26 кг.
|
|
|
|
Таблица 110
Электрические характеристики
|
Номер чертежа |
Рабочее напряжение, В |
Обмоточные данные |
Сопротивление искрогасящее типа МЛТ-0,5 Вт ± 10%, Ом |
||
|
Сопротивление постоянному току, Ом+10% |
Диаметр провода ПЭЛ, мм |
Число витков |
|||
|
32613-00-00 |
3 |
11 |
0,29 |
1000 |
— |
|
32614-00-00 |
6 |
60 |
0,2 |
2500 |
240 |
|
32615-00-00 |
12 |
150 |
0,16 |
4000 |
510 |
|
32616-00-00 |
24 |
450 |
0,12 |
6600 |
2200 |
|
32617-00-00 |
48 |
2500 |
0,08 |
16000 |
12500 |
Примечание. Колебание рабочего напряжения от номинального допускается ±10%.
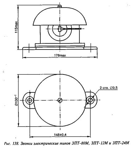
3. Звонки электрические типов ЗПТ-80М, ЗПТ-12М, ЗПТ-24М
Назначение. Звонки электрические типов ЗПТ-12М, ЗПТ-24М и ЗПТ-80М (рис. 138) служат для акустической сигнализации на железнодорожных переездах и в различных железнодорожных устройствах.
Некоторые конструктивные особенности. Звонок представляет собой закрытую конструкцию, в которой расположена электромагнитная система (рис. 139).
В схеме звонков всех типов применен конденсатор типа БМТ-2-400 В-0,25 мкФ±10% и резистор типа ВС-0,25 Вт-30 Ом-II-А. Монтаж выполняется проводом ПМВ сечением 0,5 мм2.
Звонки обеспечивают уровень звукового давления, измеряемого на расстоянии 3,2 м ... 3,5 м от звонка, не ниже (80+5) дБ. Практически они обеспечивают четкое и слышимое звучание на расстоянии не менее 80 м.
Звонки ЗПТ-12М (черт. ЗПТ-24М-00-00-00) и ЗПТ-24М (черт. ЗПТ-24М-00-00-00-01) являются звонками постоянного тока, их питание осуществляется от источника постоянного тока номинальным напряжением соответственно 12 В и 24 В.
Звонок ЗПТ-80М (черт. ЗПТ-24М-00-00-00-02) является звонком переменного тока, его питание осуществляется от источника однофазного переменного тока номинальным напряжением 80 В частотой 50 Гц.
Электрические характеристики звонков приведены в табл. 111.

Таблица 111
Электрические характеристики
|
Тип звонка |
Напряжение, В |
Ток не более, А |
Потребляемая мощность не более, В |
Обмоточные данные |
||
|
Число витков |
Диаметр провода ПЭЛ, мм |
Сопротивление катушки, Ом |
||||
|
1ПТ-12М |
12 |
0,160 |
2,4 |
1400 |
0,31 |
24 |
|
ШГ-24М |
24±4 |
0,100 |
3,6 |
3000 |
0,25 |
45 |
|
ИН-80М |
-80+10 |
0,160 |
13,6 |
6500 |
0,12 |
610 |
|
|
Электрическая прочность и сопротивление изоляции. Изоляция всех токоведущих частей по отношению к корпусу звонков 12 и 24 В постоянного тока должна выдерживать в течение 1 мин испытательное напряжение 300 В переменного тока частотой 50 Гц, а изоляция звонка на 80 В переменного тока — 1500 В переменного тока частотой 50 Гц.
Сопротивление изоляции между токоведущими частями и корпусом должно быть не менее:
— в нормальных климатических условиях — 100 МОм;
—
при воздействии верхнего значения влажности воздуха по условиям эксплуатации (90%) — 5 МОм;
—
при воздействии
верхнего значения рабочей температуры (+60°С) - 20 МОм
В качестве ЗИП с каждым звонком поставляется по две мембраны, по два якоря, по две шайбы и по два контактных винта.
Средняя наработка на отказ — не менее 8000 часов; средний срок службы звонка — не менее 15 лет.
Гарантийный срок — 24 месяца со дня ввода в эксплуатацию при условии предварительного хранения не более шести месяцев.
Габаритные размеры 178x130x115 мм; масса — 1,0 кг.