Подключение тепловоза к испытательному стенду
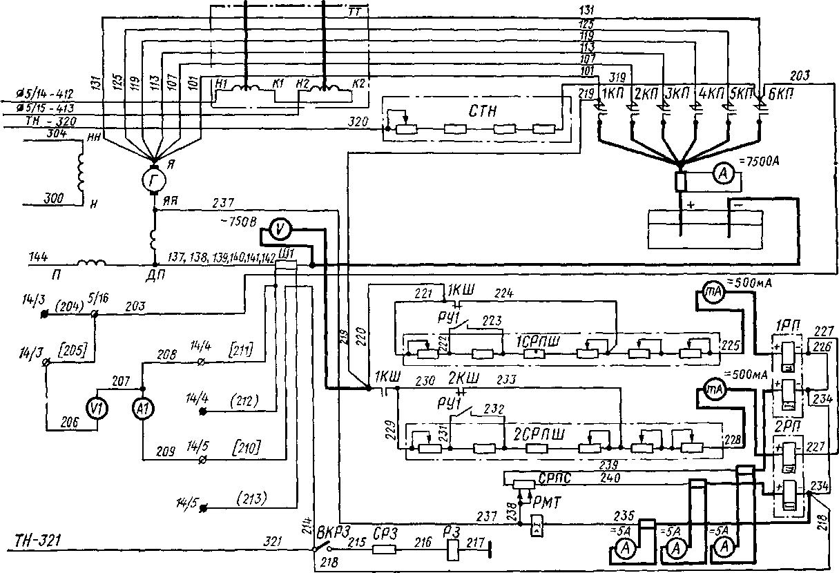
Для проведения реостатных испытаний тяговый генератор подключают к водяному реостату. Для этого провода 102, 108, 114, 120, 126, 132 отключают от подвижных контактов контакторов 1КП—6КП и на их место подключают шесть проводов, соединенных с положительными пластинами водяного реостата; провода 106, 112, 118, 124, 130, 136 отключают от шунта Ш1 и на их место подключают шесть проводов, соединенных с отрицательными пластинами водяного реостата. Выключатель реле заземления ВКРЗ на время реостатных испытаний отключают. В электрическую схему тепловоза включается ряд измерительных приборов для контроля работы электрооборудования и настройки. На рис. 110 показана схема подключения тягового генератора к реостату и включение приборов испытательного стенда в высоковольтную часть схемы. Измерительные приборы для замера величин токов и напряжений в низковольтной части схемы подключаются при помощи специального штепсельного разъема РЗР. Схема подключения приборов стенда и сигнальных ламп контроля работы реле перехода к разъему РЗР приведена на рис. 111. Все амперметры стенда должны быть рассчитаны на работу с наружными шунтами 75 мВ, за исключением амперметров в цепи катушек напряжения реле перехода, которые рассчитаны на прямое включение в цепь. Приборы для измерения тока и напряжения тягового генератора, а также приборы для измерения токов в обмотках подмагничивания амплистата должны иметь класс точности 0,5. Остальные приборы можно взять класса точности 1,5. Амперметр для измерения тока в размагничивающей обмотке возбудителя должен иметь нуль в середине шкалы.
Кроме приборов, включенных в электрическую схему тепловоза на все время испытаний, необходимо иметь тестер для замера сопротивлений и напряжений в схеме, а также мегомметр с напряжением 500 В для проверки сопротивления изоляции. Испытательный стенд должен быть оборудован термометром и барометром для определения температуры окружающего воздуха и атмосферного давления.
Объем реостатных испытаний в каждом конкретном случае определяется характеристикой ремонта, который прошел тепловоз. Испытания могут быть ограничены контролем внешней характеристики генератора либо тепловоз может быть подвергнут полным реостатным испытаниям с проверкой и настройкой всех узлов схемы тепловоза.

Рис. 110. Подключение тепловоза к водяному реостату
Ниже приводится описание и методика проведения полных реостатных испытаний электрооборудования тепловоза.










