1.1. Элементы электрических схем
Прежде чем начать изучать электрические схемы тепловозов, надо познакомиться с их элементами. Так, в схемы тепловозов входят электрические машины, аккумуляторные батареи, электрические аппараты и приборы.
Электрические машины. Все рассматриваемые в настоящей книге тепловозы имеют электрическую передачу постоянного тока (рис. 3). Для такой передачи в качестве тягового генератора и тяговых двигателей (ТЭД) используются машины постоянного тока. Кроме тягового генератора и ТЭД, на тепловозах устанавливаются следующие электрические машины: возбудитель, подвоз-будитель, вспомогательный генератор и вспомогательные электродвигатели.
По виду преобразования энергии среди электрических машин постоянного тока различают генераторы и двигатели. Все они имеют обмотки: якоря, добавочных полюсов, возбуждения. По способу включения обмоток возбуждения различают машины с независимым возбуждением и с самовозбуждением. При этом последние могут иметь последовательное, параллельное и смешанное возбуждение (рис. 4).
Тяговый генератор Г постоянного тока служит для преобразования механической энергии дизеля в электрическую для питания ТЭД, а также для вращения валов дизеля при его пуске (при этом генератор работает в режиме двигателя). Тяговые гене-
раторы на всех тепловозах имеют в режиме тяги независимое возбуждение от возбудителя, а в режиме пуска дизеля — последовательное возбуждение (рис. 5). У них есть обмотки: якоря, добавочных полюсов, независимого возбуждения и пусковая (последовательного возбуждения).
Тяговые электродвигатели ТЭД служат для преобразования электрической энергии в механическую и создания силы тяги. Они имеют последовательное возбуждение. В ТЭД есть обмотки: якоря, добавочных полюсов, последовательного возбуждения.
Возбудитель В служит для возбуждения (создания магнитного потока полюсов) тягового генератора. Возбудитель тепловозов типа ТЭ10 имеет независимое возбуждение. У него есть обмотки: якоря, добавочных полюсов, две обмотки независимого возбуждения.
Синхронный подвозбудитель СПВ (см. рис. 3) служит для возбуждения возбудителя и питания обмоток

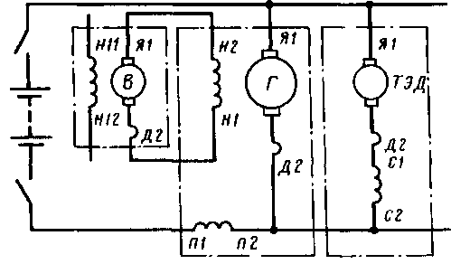
Рис. 3. Принципиальная схема электрической
передачи тепловозов типа ТЭ10: Г — тяговый генератор постоянного тока, ТЭД — тяговый электродвигатель постоянного тока, В — возбудитель; СПВ — синхронный подвозбудитель, ВГ — вспомогательный генератор, РН — регулятор напряжения

Рис. 4. Системы возбуждения электрических машин постоянного тока тепловозов
всех электрических аппаратов, которые могут работать лишь на переменном токе. Он имеет обмотки: ротора, независимого возбуждения (рис. 6).

Рис. 5. Обмотки возбуждения тягового генератора и ТЭД: ЯІ—Д2 обмотки якоря и добавочных полюсов; НІ—Н2—обмотка независимого возбуждения тягового генератора; Я/—П2 — пусковая обмотка тягового генератора, С/—С2 — обмотка последовательного возбуждения ТЭД; НИ— НІ2 — обмотка независимого возбуждения возбудителя

Рис. 6. Обмотки синхронного под-возбудителя: С/—С2 — обмотка ротора; ИІ—И2 — обмотка независимого возбуждения
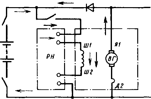
Вспомогательный генератор ВГ— машина постоянного тока, которая служит для возбуждения синхронного подвозбудителя (см. рис. 3) и возбудителя, заряда аккумуляторной батареи, питания цепей управления, освещения, вспомогательных электродвигателей. Вспомогательный генератор в обычном режиме имеет параллельное возбуждение, а при пуске дизеля — независимое возбуждение от аккумуляторной батареи (рис. 7). У него есть обмотки: якоря, добавочных полюсов, параллельного возбуждения.
Вспомогательные электродвигатели постоянного тока с параллельным или смешанным возбуждением общепромышленного исполнения используются для привода топливоподка-чивающего, маслопрокачивающего насосов, вентиляторов кузова и кабины машиниста, отопительно-венти-ляционной установки.
Аккумуляторные батареи. Батареи используются на тепловозах для питания тягового генератора при пуске дизеля, а также для питания цепей управления, освещения, вспомога-
тельных электродвигателей при неработающем дизеле.
Электрические аппараты и приборы. Рубильник аккумуляторной батареи ВБ служит для включения батареи в цепи тепловоза. Этот рубильник включается вручную машинистом на всех секциях тепловоза перед началом работы.
Реверсор ПР служит для смены направления движения тепловоза путем изменения направления тока в обмотке возбуждения ТЭД. Он имеет 24 силовых контакта и 4 вспомогательных.
Контроллер управления КМ служит для включения и выключения цепей управления (трогание тепловоза с места, переключение электромагнитов регулятора МР1—МР4 с целью изменения частоты вращения валов дизеля, включение отдельных реле). Штурвал (и соответственно главный барабан) контроллера имеет 15 рабочих позиций и одну нулевую. Реверсивная рукоятка контроллера (реверсивный барабан) имеет положения «Вперед», «Назад» и нейтральное. При этом на ведущей секции тепловоза реверсивная рукоятка (реверсивный барабан) занимает положение «Вперед» или «Назад», а на ведомой (ведомых) секции она должна находиться в нейтральном положении. С помощью контактов реверсивного барабана подготавливается цепь для поворота реверсора в положение «Вперед» или «Назад». На тепловозах типов ТЭ10М, ТЭ10У дополнительные контакты реверсивного барабана, кроме

Рис 7. Обмотки вспомогательного генератора: Я1—Д2 обмотки якоря и добавочных полюсов, Ш1—Ш2 — обмотка возбуждения Черные стрелки указывают направление тока при нормальном режиме (параллельное возбуждение), зеленые — при пуске (независимое возбуждение)
того, обеспечивают избирательность питания отдельных цепей только через контроллер ведущей секции.
На тепловозах устанавливаются электропневматические и электромагнитные контакторы. Электропневматическими являются силовые контакторы П1—П6 и контакторы ослабления возбуждения двигателей ВШ1, ВШ2. Электромагнитные контакторы используются в качестве контакторов возбуждения генератора КВ, возбуждения возбудителя ВВ, пуска дизеля Д1—ДЗ, электродвигателей топливоподкачивающего КТН и маслопрокачивающего КМН насосов, отопительно-вентиляцион-ной установки КМК.
Каждый контактор имеет включающую катушку, главный контакт (замыкающий), вспомогательные контакты (замыкающие и размыкающие). Замыкающие контакты замк-


Рис. 9. Управляющие и защитные тепловозные реле
нуты, когда включен контактор (подано напряжение на его катушку), и разомкнуты, когда контактор выключен. Размыкающие контакты, наоборот, замкнуты, когда контактор выключен, и разомкнуты, когда контактор включен.
Широко применяются на тепловозах и другие коммутационные аппараты: рубильники, переключатели, замковые ключи, конечные выключатели, тумблеры, кнопки и др.
Среди многочисленных тепловозных реле различают реле неэлектрические и электрические (рис. 8).
К неэлектричес ким реле относят реле давления масла РДМ1, РДМ2, давления воздуха в тормозной магистрали РДВ, температурные ТРВ, ТРМ. Эти реле имеют замыкающие и размыкающие контакты.
К специальным электрическим реле относят:
реле переключения РП1.РП2— для включения и выключения контакторов ослабления возбуждения ТЭД;
реле боксования РБ1—РБЗ—для снижения мощности генератора при боксовании колесных пар и сигнализации об этом машинисту;
реле разносного боксования РПЗ— для выключения тяги при одновременном боксовании всех колесных пар тепловоза;
реле заземления РЗ—для выключения тяги при заземлении в силовой тяговой цепи и сигнализации об этом машинисту;
реле обрыва полюсов РОП — для выключения тяги при обрыве межполюсных перемычек ТЭД.
Эти реле имеют одну или две катушки, замыкающие и размыкающие контакты.
К электрическим относятся также реле времени и реле управления.
Помимо классификации, приведенной выше, все реле можно разделить на две группы: защитные и управляющие (рис. 9). Некоторые реле могут выполнять роль как защитных, так и управляющих. Например, температурные реле ТРВ, ТРМ защищают дизель от недопустимых режимов работы, а температурные реле ВКВ и ВКМ управляют открытием и закрытием жалюзи холодильника в зависимости от температуры воды или масла (в последнем случае температурные реле называют терморегуляторами).
Из регуляторов на всех тепловозах используются регулятор напряжения вспомогательного генератора БРН (полупроводникового типа) и терморегуляторы ВКВ, ВКМ в системе управления жалюзи холодильника.
На тепловозах широко применяются включающие электропневматические вентили. Электропневматический включающий вентиль — это электрический аппарат, который при возбуждении его катушки обеспечивает подачу воздуха в какой-либо механизм управления и выпускает воздух из механизма при снятии напряжения с катушки. На тепловозах используют вентили в электропневматических контакторах (77/— П6, ВШ1, ВШ2), для управления реверсором (ПР), песочницами (КлП), топливными насосами дизеля (ВП6, ВП7, ВП9), муфтой вентилятора (ВП2) и жалюзи холодильника (ВПЗ—ВП5) и др.
В объединенных регуляторах тепловозов применяются электромагниты МР1—МР4, которые служат для регулирования силы нажатия все-режимной пружины с целью изменения частоты вращения валов дизеля. Электромагнит МР5 выключает регулятор мощности при боксовании
и на 1—3-й позициях контроллера. Электромагнит ЭТ регулятора при пуске дизеля включает подачу топлива и останавливает дизель при снижении давления масла ниже допустимого (когда выключается реле давления масла).
На объединенном регуляторе установлен индуктивный датчик ИД, с помощью которого регулятор мощности дополнительно изменяет возбуждение тягового генератора.
Бесконтактный тахометрический блок БТ служит для регулирования возбуждения тягового генератора в функции частоты вращения валов дизеля, а следовательно, для автоматического регулирования мощности тягового генератора в зависимости от частоты вращения (позиции контроллера).
На тепловозах типа ТЭ10 в системах автоматического регулирования (САУ) электропередачи применяют магнитные усилители — ам-плистат возбуждения возбудителя АВ, трансформатор постоянного напряжения (ТПН), трансформаторы постоянного тока (ТПТ). Принцип работы магнитных усилителей и их характеристики рассматриваются в гл. 2 настоящей книги.
Напряжение переменного тока от синхронного подвозбудителя подводится к потребителям — рабочим обмоткам магнитных усилителей АВ, ТПН и ТПТ, к бесконтактному тахо-метрическому блоку БТ, а также к обмотке индуктивного датчика ИД через распределительный трансформатор ТР.
Стабилизирующий трансформатор СТр служит для успокоения (стабилизации) переходных процессов в электрических цепях. Он имеет первичную и вторичную обмотки.
Для регулирования тока в цепях используются резисторы различной конструкции и мощности. Они могут быть регулируемыми и нерегулируемыми.
На тепловозах применяется ряд панелей и блоков полупроводниковых приборов: панели диода заряда
батареи ДЗБ, диодов в цепях уравнительных соединений ПВ1—ПВЗ, диода гашения поля генератора ДТП, блоки диодов селективного узла БВ, диодов индуктивного датчика БВ2, диодов сравнения в цепи катушек реле боксования БДС, диодов реле заземления БВЗ, панель диодов автоматики холодильника Д1-ДИ.
Для защиты электрических цепей от перегрузки или короткого замыкания применяются автоматы максимального тока (А4, А5 и т. д.) или плавкие предохранители 107. Последние размещаются на панелях.
Звуковой сигнал (зуммер) СБ сигнализирует о работе реле боксования, а также о срабатывании пожарной сигнализации.
Для сигнализации о режимах работы дизеля, электрооборудования используются сигнальные лампы, которые размещаются в специальной арматуре.
В качестве измерительных приборов на тепловозах используются: амперметр А1 и вольтметр VI силовой тяговой цепи, амперметр заряда батареи А2, вольтметр цепей управления V, электроманометры ЭМ и электротермометры ЭТ, указатель повреждений УП в цепях управления. Амперметр в комплекте включает прибор и внешний шунт, вольтметр— прибор и добавочный резистор. Указатель повреждений состоит из прибора, панели резисторов и переключателя. Электроманометр и электротермометр состоят из указателя и датчика (приемника).
На тепловозах предусмотрено управление двумя или тремя секциями с одного (ведущего) пульта тепловоза (это называется «управлением по системе многих единиц»). Для этого на раме каждой секции тепловоза установлены по три колодки (розетки) межсекционного соединения, к контактам которых подключены провода от соответствующих цепей. Эти колодки (розетки) соединяются между собой вставками (штепселями) и многожильным ка-
белем. При этом применяется как прямое, так и перекрещенное соединение контактов вставок (штепселей). Прямое соединение контактов применяется для большинства цепей, перекрещенное — для цепей, которые связаны с изменением направления движения тепловоза или питанием сигнальных ламп. Отдельные колодки (розетки) РПБ служат для соединения «плюсов» и «минусов» батарей всех секций между собой.
Для испытания тепловоза после ремонта устанавливаются колодки (розетки) реостатных испытаний РРИ, к которым подводятся провода от смонтированных на тепловозах шунтов реостатных испытаний, а также от цепей, в которых измеряется напряжение.
Для ввода в цех неработающего тепловоза к его ТЭД через специальные колодки (розетки) РВД подводится напряжение от стационарного источника напряжения, находящегося в депо.
На тепловозах предусмотрена возможность выключения неисправного ТЭД. Для этого служат выключатели ОМ1—ОМ6 в виде тумблеров (по одному на каждый двигатель). Каждый из выключателей имеет по два замыкающих и одному размыкающему контакту.










