9.3. Коммутационные аппараты
На панели / электропневматического контактора типа ПК-753 (рис. 9.8) на литом кронштейне 2 укреплены неподвижный контакт 4 и дуго-гасительная катушка 3. На этой же панели установлен цилиндр 16 электропневматического привода. Поршень 15 привода штоком 13 связан с рычагом 9, на котором шар-
нирно закреплен подвижный контакт 5 с притирающей пружиной 8. Ток к подвижному контакту подводится через гибкий шунт 12. На рычаге
9 установлена изоляционная колодка
10 с подвижными блок-контактами. Неподвижные блок-контакты 11 укреплены на кронштейне корпуса привода. Силовые контакты 4 и 5 закрываются дугогасительной камерой 7 с полюсами 6.
При включении катушки электропневматического вентиля 17 воздух поступает в цилиндр привода и перемещает поршень вправо. Рычаг 9 поворачивается вокруг оси 0 до момента соприкосновения контактов. Дальнейший поворот рычага 9 приводит к повороту подвижного контакта вокруг оси 0' и сжатию притирающей пружины #. При выключении катушки вентиля 17 под действием пружины 14 подвижная часть контактора возвращается в исходное положение. Контакторы подобного типа рассчитаны на ток 1000—1200 А и напряжение 900—1000 В и применяются на тепловозах всех типов для подключения тяговых электродвигателей к тяговому генератору.
При необходимости одновременного переключения многих цепей целесообразно применять контакторы с групповым, а не с индивидуальным приводом. Такие аппараты используют для переключения обмоток возбуждения тяговых двигателей, включения шунтирующих резисторов и т. д.
Реверсорами называют аппараты, предназначенные для изменения направления тока в обмотках возбуждения тяговых двигателей. При этом изменяется направление вращения якорей двигателей, т. е. направление движения локомотивов. Реверсор представляет собой коммутирующий аппарат с групповым приводом.
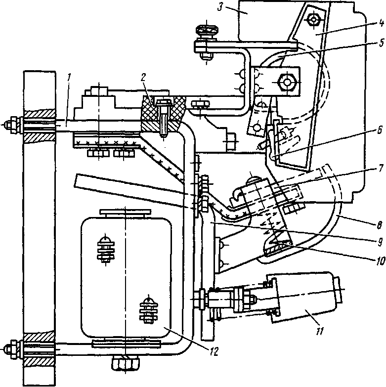
На валу 5 реверсора типа ППК-8601 (рис. 9.9), связанном с диаф-рагменным приводом, установлены кулачки 6. Привод выполнен двусторонним, т. е. имеет две камеры, диафрагмы которых связаны зубча-


той рейкой, входящей в зацепление с шестерней вала 8. При впуске воздуха в одну из камер вал 8 поворачивается на заданный угол, кулачки 6 через ролики 9 поворачивают контактный элемент с рычагом 4, на котором закреплены подвижные контакты 3 с пружинами 7. Неподвижные контакты 2 установлены на изолированных стойках 10 и кронштейнах 5. В положении, показанном на схеме (рис. 9.10, а), ток проходит от вывода Я Я якоря тягового двигателя через замкнутые контакты /, обмотку возбуждения тягового двигателя К-КК, контакты 4 к тяговому генератору Г (или к выпрямительной установке ВУ). При повороте вала реверсора замыкаются контакты 2 и 3 (рис. 9.10,6) и направление тока в обмотке К-КК изменяется на обратное. Схема включения реверсора на тепловозах показана на рис. 9.10, е. Управление реверсором осуществляется специальной рукояткой контроллера машиниста. Реверсор не имеет дугога-сящих устройств, и поэтому переключение его допустимо лишь при отсутствии тока в цепи тяговых двигателей.
Групповой контактор типа ПКГ-560, предназначенный для подключения резисторов ослабления возбуждения тяговых двигателей, показан на рис. 9.11. При включении электропневматического вентиля / воздух поступает в камеру под диафрагмой 9 и шток 5 с установленными на нем контактодержа-телями 2 перемещается вверх. Подвижные контакты 6 с пружинами
7 замыкают неподвижные контакты 5, установленные на изоляторах на стойках 3. Контакты выполнены из металлокерамики СОК-15 (15% серебра и 85 % окиси кадмия), имеющей низкое переходное сопротивление, что имеет большое значение, так как сопротивление резисторов ослабления возбуждения невелико и переходное сопротивление контактов

Рис. 9.11. Электропневматический групповой контактор
может быть соизмеримо с ним. Число контактных групп определяется количеством параллельных цепей тяговых электродвигателей. При выключении вентиля / камера под диафрагмой сообщается с атмосферой и шток 8 под действием пружины 4 возвращается в исходное положение.
Контакторы такого типа применяются на тепловозах 2ТЭ10Л, 2ТЭ10В, 2ТЭ116, ТЭП60, ТЭП70, ТЭП75 и др.
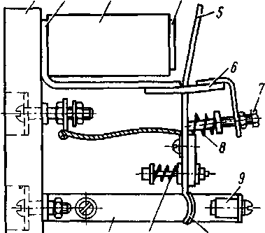
На скобе / электромагнитного контактора КПВ-504 (рис. 9.12), которая одновременно служит и маг-нитопроводом, установлена изоляционная планка 2. На ней укреплены дугогасящая катушка 5, дугогасящая камера 3 с полюсами 4 и неподвижный контакт 6. На якоре 9 установлен подвижный контакт 7 с притирающей пружиной 10, к кронштейну которого прикреплен дугогаситель-ный рог 8. На скобе / установлены
блок-контакты //. Включение контактора осуществляется катушкой 12, а выключение — пружиной 10, а также под действием веса подвижных частей.
Контакторы типа КПВ используются в цепях пуска дизеля и предназначены для коммутации относительно больших токов. Для коммутации вспомогательных цепей (возбуждения тягового генератора, питания электродвигателя масляного насоса и т. д.) используются контакторы типа ТК.ПМ (рис. 9.13). Контактор имеет катушку 12 с сердечником, укрепленную на изоляционной основе /. При прохождении тока в катушке подвижный якорь 9 притягивается к сердечнику катушки и замыкает подвижный 7 и неподвижный 6 контакты. Притирающий ход контактов обеспечивается пружиной /7, а выключение — пружиной 10. Контактор имеет дугогасящую камеру 8 с полю-

Рис. 9.12. Электромагнитный контактор КПВ-504
250
сами 5 и рогами 4 и дугогася-щую катушку 2 с сердечником 3. Все элементы контактора собраны на панели 13. Контакторы типа ТКПМ могут иметь одну или две пары силовых контактов.
Реле управления служат для коммутации цепей управления тепловоза. На тепловозах применяют реле типа Р45М (рис. 9.14). На панели / установлена катушка 3 с сердечником 4 и магнитопроводом 2, на кронштейне 6 которого закреплен якорь 5 с подвижным контактом 10. Неподвижный контакт 9 установлен на стойке 12. Пружина // служит для притирания контактов. Реле может иметь замыкающие (разомкнутые в выключенном положении реле) и размыкающие (замкнутые в выключенном положении реле) контакты пальцевого или мостиково-го типа. При включении якорь притягивается к сердечнику и контакты замыкаются (или размыкаются). Реле выключается пружиной 8, натяжение которой регулируется болтом 7. На тепловозах последних выпусков устанавливаются реле типа ТРПУ1 (рис. 9.15), имеющие меньшие габаритные размеры и большее количество контактов. Реле имеет катушку /, якорь 2 и контакты 3.
Контроллер машиниста, служащий для дистанционного управления электрической передачей, частотой вращения коленчатого вала дизеля и изменения направления движения, относится к коммутационным аппаратам с ручным приводом. Основным элементом контроллера является контактная группа, состоящая из кулачковых контакторов (рис. 9.16, а).
На изоляционных стойках 1 н 8 установлены рычаг 2 с подвижным контактом 6 и неподвижный контакт 7. На вал 10 насажен пластмассовый прессованный кулачок 9. Ролик 4 рычага 2 прижимается к образующей кулачка пружиной 3. Пружина 5 обеспечивает притирание контактов. Число контактных групп опреде-

Рис. 9.13. Электромагнитный контактор типа ТКПМ

12 11 10
Рис. 9.14. Реле управления типа Р45М

Рис. 9.15. Реле управления типа ТРПУ1

ляется количеством цепей, которые должны коммутироваться контроллером.
Контроллеры имеют две рукоятки, связанные с кулачковыми валами зубчатыми передачами. Главная рукоятка имеет 15 или 16 рабочих позиций и одну (нулевую) позицию холостого хода. Фиксация позиций осуществляется с помощью храпового механизма (рис. 9.16,6).
Кроме того, имеется съемная реверсивная рукоятка, при помощи которой устанавливают направление движения локомотива. Реверсивная рукоятка обычно имеет три положения («вперед», нулевое и «назад») и сблокирована так, чтобы ее можно было перевести из нулевого положения в рабочее только при нулевом положении главной рукоятки. Это исключает возможность реверсирования тяговых двигателей при включенной силовой цепи. Реверсивная рукоятка может быть снята также только в нулевом положении, при этом главная оказывается запертой. При наличии на локомотиве одной реверсивной рукоятки такая блокировка исключает возможность одновременного управления локомотивом с двух постов.

Рис. 9.16. Контроллер машиниста
К коммутационным аппаратам с ручным приводом относятся рубильники, тумблеры, переключатели и др. Их конструкция достаточно проста и не нуждается в специальных пояснениях.










