7.4. Электрические передачи
На тепловозах применяют электрические передачи трех видов. Передача постоянного тока (рис. 7.12), в которой и тяговый генератор Г, и тяговые двигатели ЭД выполнены в виде машин постоянного тока. Такие передачи наиболее просты, не имеют промежуточных звеньев, обладают высокими к. п. д. и регулировочными качествами. Однако при росте секционной мощности тепловозов снижается надежность тяговых генераторов. Поэтому такие передачи применяются только при секционной мощности до 2210 кВт (тепловозы ТЭ1, ТЭ2, ТЭМ2, ТЭЗ, ТЭ10 и др.). Передача переменно-постоянного тока (рис. 7.13), в которой тяговый генератор Г выполнен в виде синхронного генератора переменного тока, а тяговые двигатели ЭД—постоянного тока. Для преобразования переменного тока в постоянный между генератором и двигателями включена выпрямительная установка ВУ, в связи с чем несколько снижается

Рис. 7.12. Схема передачи постоянного тока

Рис. 7.13. Схема передачи переменно-постоянного тока
общий к. п. д. передачи. Однако в эксплуатации это снижение экономичности компенсируется снижением эксплуатационных расходов за счет большой надежности тягового синхронного генератора. Такие передачи применяются на тепловозах с секционной мощностью 1470— 4400 кВт (тепловозы ТЭМ7, ТЭ116, ТЭП70 и др.).
При дальнейшем увеличении мощности лимитирующим становится тяговый электродвигатель. Поэтому в перспективе намечается применение передач переменного тока (рис. 7.14), в которых и тяговые двигатели выполнены в виде машин переменного тока. Для нормальной работы таких двигателей требуется одновременное регулирование напряжения и частоты переменного тока. Поэтому между генератором и двигателями включается преобразователь частоты ПЧ. Такие передачи будут установлены на тепловозах мощностью 4400 кВт в секции и более.
Применение электрической передачи на тепловозах исключает жесткую связь между коленчатым валом дизеля и колесными парами. При постоянной частоте вращения коленчатого вала дизеля и установившейся скорости тепловоза частота вращения п якоря тягового двигателя постоянного тока определяется напряжением II, подведенным к нему,

Рис. 7.14. Схема передачи переменного тока
и магнитным потоком Ф и не зависит от частоты вращения вала дизеля:
где /„ и /?я — ток и сопротивление в цепи якоря; се — постоянный коэффициент.
Наиболее важным требованием, предъявляемым к силовой установке локомотива, является использование ее полной мощности в возможно большем диапазоне скоростей движения. Это требование частично выполняется за счет естественных характеристик тяговых электрических машин. Для полного использования мощности на тепловозах применяют специальные системы регулирования как тяговых генераторов, так и тяговых электродвигателей.
Системы регулирования тяговых генераторов тепловозов. Мощность дизеля, который является одним из основных элементов силовой установки теплонояа.
![]()
где Л/г И Т)г — мощность и к. п. д. тягового генератора; Л?,,сп — мощность, расходуемая на привод вспомогательных механизмов (вентиляторы холодильника и тяговых двигателей, насосы и т. д.).
При постоянной частоте вращения коленчатого вала дизеля можно ПрИНЯТЬ Л/всп И Г)г постоянными. Тогпя![]()
Эта характеристика (рис. 7.15), так называемая внешняя характеристика тягового генератора, должна иметь ограничения по максимальному напряжению игта11 и току /гтах тягового генератора.
Наибольшее распространение получили генераторы постоянного тока. Как известно, ии один из генераторов постоянного тока с независимым, параллельным, последовательным или смешанным возбуждением не имеет такой внешней харак-
теристики. Синхронные генераторы переменного тока имеют хотя и падающую, но далекую от требуемой внешнюю характеристику. Поэтому на тепловозах применяют генераторы со специальной системой возбуждения (рис. 7.16). На вход системы возбуждения СВ вводят сигналы по току /г и напряжению 11г тягового генератора Г. Напряжение £/„, вырабатываемое системой возбуждения, подведено к обмотке ОВГ возбуждения тягового генератора. В результате обеспечивается изменение магнитного потока Фг и напряжения иг тягового генератора по требуемому закону.
При движении тепловоза с поездом часто не требуется использование полной мощности дизеля (при малой массе поезда, движению по легкому профилю или с ограничением скорости и др.). Уменьшение мощности дизеля достигается изменением частоты вращения Яд его коленчатого вала, причем каждому значению пя соответствует определенная мощность, при которой к. п. д. дизеля будет максимальным. Поэтому система возбуждения тягового генератора должна обеспечить при частичных нагрузках постоянство мощности генератора на уровнях, соответствующих экономичным режимам работы дизеля (см. рис. 7.15). Для изменения мощности тягового генератора при изменении частоты вращения коленчатого вала пд, а значит, и мощности дизеля Д на вход системы возбуждения вводят сигнал по пд. В результате на выходе системы возбуждения, а следовательно, и на выходе тягового генератора

Рис. 7.15. Характеристики тягового генератора тепловоза
получается семейство характеристик (см. рис. 7.15).
В рассмотренной системе предполагалось, что мощность тягового генератора стабильна и равна мощности дизеля. В действительности, даже при постоянной частоте вращения коленчатого вала изменяется как мощность дизеля, так и мощность тягового генератора. Мощность дизеля зависит от атмосферных условий (давления и температуры воздуха). Кроме того, может меняться и мощность, расходуемая на привод вспомогательных механизмов (вентилятор холодильника и компрессор тормозной системы могут быть включены или выключены и т. д.). В результате изменяется и мощность, передаваемая тяговому генератору, так называемая свободная мощность дизеля. Мощность тягового генератора также может изменяться в зависимости от температуры обмотки ОВГ, влияния гистерезиса и других факторов. В то же время, как указывалось выше, необходимо выдержать условие Ne = = const. Поэтому на вход системы возбуждения СВ вводят еще один

Рис. 7.16. Функциональная схема возбуждения тягового генератора тепловоза
7 Зак. 443 1 93

Рис. 7.17. Система возбуждения тягового генератора тепловоза ТЭЗ
сигнал X, пропорциональный свободной мощности дизеля. Реагируя на этот сигнал, система возбуждения обеспечивает непрерывное поддержание равенства.
Таким образом, звеном, регулирующим работу тягового генератора, является система возбуждения СВ. Возможны два основных принципа построения системы возбуждения, в которых требуемые характеристики обеспечиваются: конструкцией магнитной системы и схемой возбуждения специальной машины — возбудителя В тягового генератора; подбором параметров и схемой включения различных аппаратов (применяемые машины имеют обычное исполнение). Возможны системы, в которых сочетаются оба принципа. К первому принципу, например, относится система возбуждения тепловоза ТЭЗ, а ко второму — тепловозов ТЭ10, ТЭЮЛ и ТЭП60.
Система возбуждения тягового генератора тепловоза ТЭЗ. Обмотка возбуждения ОВГ (рис. 7.17) тягового генератора Г получает пита-

Рис. 7.18. Возбудитель тягового генератора тепловоза ТЭЗ
ние от генератора постоянного тока— возбудителя В. Магнитная система возбудителя В состоит из шести полюсов: ненасыщенных /—4 (рис. 7.18, а) и насыщенных 5 и 6. На ненасыщенных полюсах расположены независимая Я (см. рис. 7.17), регулировочная Р и ограничительная О обмотки, а на насыщенных — параллельная Я и дифференциальная Д. Так как якорь возбудителя имеет волновую обмотку, то электродвижущие силы (э. д. с), наводимые в обмотке якоря каждой группой полюсов, складываются.
Обмотка независимого возбуждения Я включена на постоянное напряжение вспомогательного генератора ВГ, и создаваемая ею э. д. с. £1 (рис. 7.18, б) не зависит от тока /г тягового генератора Г (см. рис. 7.17). Параллельная обмотка Я включена на напряжение возбудителя В. Дифференциальная обмотка Д включена параллельно обмотке ДП добавочных полюсов тягового генератора, поэтому ток в обмотке Д пропорционален току /г. Магнитодвижущие силы (м. д. с.) параллельной £„ и дифференциальной /•'д обмоток направлены навстречу друг другу. (На рис. 7.17 стрелками показаны направления м. д. с. отдельных обмоток.) В результате зависимость э. д. с. £2 (см. рис. 7.18, б), создаваемой насыщенными полюсами, от тока /г имеет четыре участка:
/—2, где ток тягового генератора, а следовательно, и м. д. с. дифференциальной обмотки Д невелики; сердечник полюса насыщен под действием параллельной обмотки Я и Еч мало зависит от /г;
2— 3 — сердечник полюса не насыщен и £2 примерно обратно пропорциональна /г; при этом м. д. с. обмотки Я больше м. д. с. обмотки Д (£п> Л);
3— 4 — сердечник полюса не насыщен, но £п</гд, и поэтому э. д. с. Еч меняет свой знак;
4— 5 — сердечник полюса опять насыщен, но уже под действием м. д. с. дифференциальной обмотки.
Электродвижущая сила возбудителя Ев = Еі +Е2 (кривая /'—2'— 3'—5'). На участке /'—2' обеспечивается примерно постоянное значение Ев и тока возбуждения генератора
I^==-p-r--p— -const,
**овг ^оаг
где /?овг — сопротивление обмотки ОВГ. Напряжение тягового генератора

где пд — частота вращения якоря генератора (принята постоянной); Фг — магнитный поток тягового генератора; с'е, с" — постоянные коэффициенты.
Следовательно, при /нг — const напряжение тягового генератора Uv~ ~ const, т. е. в интервале токов 0—/Г2 обеспечивается ограничение напряжения тягового генератора за счет насыщения полюсов 5 и 6 возбудителя.
На участке 2'—4' кривой Ев напряжение возбудителя изменяется примерно обратно пропорционально току тягового генератора, т. е. в интервале токов 1Г2—Л-4 внешняя характеристика генератора будет примерно гиперболической.
Таким образом, за счет конструкции магнитной системы возбудителя В обеспечиваются два участка внешней характеристики тягового генератора — ограничение по напряжению (участок /'—2') и ограничение по мощности (участок 2'—4'). Для ограничения максимального тока тягового генератора применена специальная схема, включающая в себя ограничительную обмотку О (см. рис. 7.17) возбудителя, расположенную на его ненасыщенных полюсах, тахогенератор Т2 и диод Д2. Из схемы следует, что ток в обмотке О

где /дВ — ток тяговых двигателей / и 2; Лові и Ros2 — сопротивления обмоток ОВ1 и ОВ2 возбуждения тяговых двигателей / и 2; Яйп — сопротивление обмотки ДП добавочных полюсов тягового генератора; R0 — сопротивление ограничительной обмотки О возбудителя; £/т2 — напряжение специальной машины постоянного тока — тахогенератора Т2; С\ и С% — постоянные, значения которых ясны из выражений; k — число параллельных групп тяговых двигателей.
Из уравнения следует, что направление тока в ограничительной обмотке определяется значениями
/г и l/t2.
Однако пои
)
ток в обмотке О проходить не может, так как этому препятствует диод Д2. При увеличении /г меняется знак неравенства и по обмотке О проходит ток. Магнитодвижущая сила этой обмотки направлена навстречу магнитодвижущей силе обмотки Н. В результате уменьшается напряжение возбудителя, а следовательно, и напряжение тягового генератора. Параметры элементов схемы рассчитывают так, чтобы напряжение Ur резко уменьшалось при незначительном увеличении тока /г, в результате чего ограничивается ток тягового генератора.
Так как якорь тахогенератора Т2 связан с коленчатым валом дизеля, то напряжение сЛ-2 пропорционально пд и ток /г, при котором начнется снижение напряжения тягового генератора, также пропорционален па. Благодаря этому обеспечивается плавное нарастание максимального тока, а следовательно, и силы тяги тяговых двигателей по мере увеличения частоты вращения вала дизеля.
Якоря возбудителя В и тягового генератора Г приводятся от колен-
чатого вала дизеля, поэтому их напряжения пропорциональны пя. Тем самым изменяется мощность генератора в зависимости от пй на частичных нагрузках.
Таким образом, в результате взаимодействия обмоток Н, П, Д и О и специальной конструкции сердечников насыщенных полюсов возбудителя В обеспечивается гиперболическая внешняя характеристика тягового генератора Г с ограничениями по максимальному напряжению и току. Однако в таком виде схема имеет существенный недостаток: мощность тягового генератора может быть не равна свободной мощности дизеля. Чтобы исключить этот недостаток, в схему введены регулировочная обмотка Р, тахогенератор ТІ и диод Д1 — так называемый узел автоматического регулирования мощности (АРМ).
При увеличении нагрузки на дизель его регулятор частоты вращения увеличивает подачу топлива, а значит, и мощность дизеля, поддерживая постоянной частоту вращения коленчатого вала. Однако подача топлива и мощность дизеля ограничены некоторым максимальным значением. При дальнейшем увеличении нагрузки регулятор уже не может увеличивать подачу топлива (рейки топливных насосов находятся в положении «на упоре»), и частота вращения коленчатого вала начинает уменьшаться («просадка оборотов»). В этом случае при уменьшении нагрузки подача топлива не будет уменьшаться до тех пор, пока не восстановится заданная частота вращения коленчатого вала дизеля. На этом свойстве системы регулирования подачи топлива дизеля и основана работа узла АРМ.
Магнитодвижущая сила регулировочной обмотки Р направлена согласно с м. д. с. независимой обмотки Н, и поэтому увеличение тока в ней приводит к увеличению мощности тягового генератора. При всех включенных вспомогательных на-
грузках и холодной обмотке ОВГ возбуждения тягового генератора путем изменения напряжения тахогенератора 77 устанавливают такое значение тока в регулировочной обмотке Р, т. е. и мощности тягового генератора, чтобы «просадка оборотов» составила 25—30 1/мин. Если нагрузка на дизель по какой-либо причине уменьшается, то увеличивается частота вращения его вала и напряжение тахогенератора 77, связанного с дизелем. Соответственно возрастают ток в регулировочной обмотке и мощность тягового генератора. При увеличении нагрузки происходит обратный процесс.
Таким образом, описанная система регулирования обеспечивает выполнение основных требований, предъявляемых к системам возбуждения тягового генератора тепловозов. Однако она имеет и ряд существенных недостатков.
Во-первых, узел АРМ может работать только при максимальной частоте вращения вала дизеля. Действительно, ток в регулировочной обмотке
![]()
где UTi и 11ы — напряжение тахогенератора ТІ и вспомогательного генератора ВГ; Rp — сопротивление регулировочной обмотки.
Как уже указывалось, UT\ пропорционально пд, а ивг = const во всем диапазоне рабочей частоты коленчатого вала дизеля. Но при
Uar> Ut\ ТОК В обмОТКе Р ПрОХО-
дить не должен, так как в этом случае увеличение г'р привело бы уже не к увеличению, а к уменьшению мощности тягового генератора. Чтобы исключить такую возможность, в схему введен диод Д1. Поэтому узел АРМ работает только при максимальном значении f/ті и пд.
Во-вторых, как уже указывалось, напряжение тягового генератора, а следовательно, и его мощность пропорциональны ид и UB. В свою оче-
редь, {/в = "д- Следовательно, при уменьшении частоты вращения коленчатого вала дизеля мощность тягового генератора уменьшается быстрее, чем мощность дизеля, и не соответствует экономическим режимам дизеля на частичных нагрузках.
В-третьих, максимальный ток тягового генератора, ограничиваемый системой регулирования, зависит от температуры обмоток OBI, ОВ2 и ДП (см. рис. 7.17). Действительно, в постоянную Ci в формуле (7.1)
ВХОДЯТ СОПрОТИВЛенИЯ /?ов1, /?ов2 И
Яяп, зависящие от температуры этих обмоток. Следовательно, если в эксплуатации температура обмотки ДП, например, возрастает, то ограничение будет наступать при меньших значениях тока тягового генератора и наоборот.
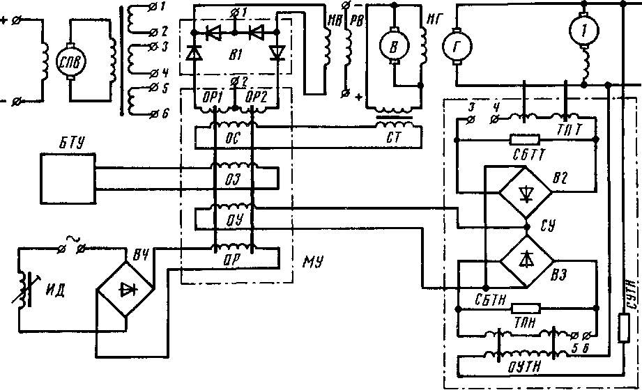
Система возбуждения тягового генератора тепловоза типа ТЭ10. Обмотка возбуждения H Г (рис. 7.19) тягового генератора Г получает питание от возбудителя В — генератора постоянного тока. На главных полюсах возбудителя расположены две обмотки: независимая НВ и размагничивающая PB. Первая подключена к магнитному усилителю МУ, а вторая—к вспомогательному
генератору. Магнитодвижущие силы обмоток HB и РВ направлены встречно. Магнитный усилитель МУ выполнен по схеме с внутренней обратной связью, имеет две рабочие обмотки ОР1 и ОР2 и четыре обмотки управления:
обмотку управления ОУ, подключенную к селективному узлу СУ;
задающую 03, подключенную к бесконтактному тахометрическому устройству БТУ, напряжение на выходе которого пропорционально частоте вращения коленчатого вала;
регулировочную ОР, включенную последовательно с обмоткой датчика ИД регулятора частоты вращения вала дизеля (РЧВ);
стабилизирующую ОС, подключенную к вторичной обмотке стабилизирующего трансформатора СТ.
Селективный узел СУ состоит из двух измерительных трансформаторов (постоянного тока ТПТ и постоянного напряжения ТПН), выпрямительных мостов В2 и ВЗ и балластных резисторов СБТТ и СБТН. Магнитный усилитель МУ, трансформаторы ТПТ и ТПН и индуктивный датчик ИД питаются от синхронного генератора СПВ через распределительный трансформатор.

Рис. 7.19. Система возбуждения тягового генератора тепловоза ТЭ10
Связь по току /г тягового генератора в рассматриваемой схеме осуществляется через селективный узел. Трансформаторы постоянного тока ТПТ и постоянного напряжения ТПН представляют собой магнитные усилители, выполненные так, что ток ТПТ пропорционален току тягового генератора, а ток ТПН — напряжению тягового генератора, независимо от напряжения и частоты источника питания. Обмоткой управления ТПТ служат силовые кабели, проходящие через окно его сердечника, а ТПН имеет специальную обмотку управления ОУТН, включенную через добавочный резистор СУТН на напряжение генератора.
Рассмотрим принцип работы селективного узла. Предположим, что в какой-то момент времени имело место равновесие в схеме на рис. 7.20, а (мосты В2 и ВЗ, показанные на рис. 7.19, заменены вентилями В2 и ВЗ), т. е.
![]()
где Яу, Ябт и #6„ — сопротивления соответственно обмотки управления магнитного усилителя и балластных резисторов СБТТ и СБТН; /у — ток в обмотке управления; /ут и г'у„ — составляющие тока 1У соответственно от трансформаторов ТПТ и ТПН; г'бт и /бн — токи в балластных резисторах.
При увеличении тока /г тягового генератора растет ток трансформатора ТПТ и его составляющая /ут. Соответственно увеличивается и ток управления гу. Магнитодвижущая
сила обмотки управления направлена так, что при увеличении тока в ней напряжение на выходе магнитного усилителя уменьшается. Соответственно снижается и напряжение иг тягового генератора, а с ним и токи /„ трансформатора ТПН и /ун. В результате при увеличении тока тягового генератора напряжение его уменьшается практически по линейному закону (участок БВ на рис. 7.20, б), а ток в обмотке управления магнитного усилителя остается почти постоянным.
Покажем это аналитически. В соответствии с обозначениями на рис. 7.20, а можно написать:
)
Исключая из уравнений (7.2) величины /т, /„, /вн, /бт, /Ут и /ун и учитывая, что
получим
![]()
где кг и ки — постоянные коэффициенты.
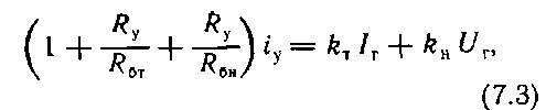
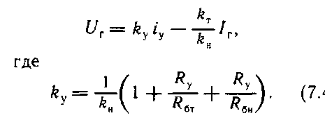
Уравнение (7.3) можно записать в виде
*)
Из уравнения (7.4) следует, что если 1У изменяется незначительно, то при увеличении тока генератора

его напряжение будет уменьшаться почти линейно. Чтобы выполнить условие малого изменения 1У на участке БВ внешней характеристики тягового генератора, система регулирования «магнитный усилитель — возбудитель — тяговый генератор» должна иметь большой коэффициент усиления. Это обеспечивается в основном за счет значительного коэффициента усиления магнитного усилителя.
При увеличении тока генератора его напряжение снижается по линии БВ (см. рис. 7.20, б). При этом составляющая гух возрастает, а /ун убывает. В точке В внешней характеристики составляющая /у„ становится равной нулю и в дальнейшем /у = /т. Если ток генератора продолжает возрастать, то из-за большого коэффициента усиления системы регулирования напряжение тягового генератора резко снижается даже при незначительном увеличении /г — наступает ограничение максимального тока тягового генератора (участок ВГ на рис. 7.20, б).
В случае уменьшения тока генератора напряжение его возрастает. В точке Б ток /ут = 0 и связь по току генератора по существу прекращается. В результате при дальнейшем уменьшении /г напряжение £/г остается практически постоянным — наступает ограничение напряжения тягового генератора.
Таким образом, система регулирования с селективным узлом обеспечивает падающую внешнюю характеристику тягового генератора с необходимыми ограничениями по максимальному току и напряжению.
Обмотка магнитного усилителя 03, м. д. с. которой пропорциональна частоте вращения коленчатого вала дизеля па, обеспечивает смещение характеристик тягового генератора в зависимости от па. Магнитодвижущая сила Г3 обмотки 03 направлена навстречу м. д. с. Ру обмотки управления ОУ, и увеличение /•'з вызывает увеличение тока возбуждения возбудителя В.
Из рассмотрения работы селективного узла следует, что на участке БВ внешней характеристики тягового генератора не обеспечивается выполнение одного из основных требований к системам регулирования тепловозных дизель-генераторов — использование полной мощности дизеля. Поэтому в схему вводят еще один узел — регулировочную обмотку ОР (см. рис. 7.19), включенную последовательно с индуктивным датчиком ИД объединенного регулятора дизеля. Если мощность дизеля Ne не соответствует заданной Л/ен при данной частоте вращения коленчатого вала, то серводвигатель регулятора мощности перемещает шток индуктивного датчика1. Если Ne< <iVeH, то ток датчика, а значит, и ток регулировочной обмотки МУ увеличиваются.
При этом возрастает напряжение на выходе магнитного усилителя, а следовательно, и напряжение и мощность тягового генератора. Шток датчика будет перемещаться до тех пор, пока не наступит равновесие Ne = NeH. При Ne> NeH происходит обратный процесс. Аналогично осуществляется регулирование и на частичных нагрузках.
Таким образом, суммарная магнитодвижущая сила магнитного усилителя F = F3-\- Fp— Fy, где Fp — м. д. с. регулировочной обмотки. Систему регулируют так, чтобы во всех случаях обеспечить работу магнитного усилителя на линейной части его выходной характеристики.
Испытания системы возбуждения показали, что в ней иногда возникают незатухающие колебания. Поэтому в систему введен стабилизирующий трансформатор CT (см. рис. 7.19), первичная обмотка которого включена на напряжение возбудителя ß, а от вторичной получает питание стабилизирующая обмотка ОС магнитного усилителя МУ. В установившемся режиме по пер-
' Принцип работы объединенного регулятора мощности рассмотрен в гл. 5.
вичной обмотке проходит постоянный ток и поэтому э. д. с. вторичной обмотки трансформатора СТ и ток в стабилизирующей обмотке ОС равны 0. Во время переходного процесса, когда меняется напряжение возбудителя, во вторичной обмотке СТ наводится э. д. с. и по обмотке ОС протекает ток. При этом суммарная м. д. с. магнитного усилителя изменяется таким образом, чтобы замедлить скорость изменения тока на выходе МУ. В результате обеспечивается стабилизация режима работы системы регулирования.
Таким образом, рассмотренная система регулирования обеспечивает выполнение требований, предъявляемых к системам возбуждения тягового генератора тепловозов. К ее недостаткам следует отнести некоторую сложность (две электрические машины и несколько аппаратов) и использование машин постоянного тока, которые тяжелее, дороже и требуют большого ухода по сравнению с машинами переменного тока.
Для тепловозов применяют системы возбуждения с использованием управляемых диодов-тиристоров (рис. 7.21). В этих системах в качестве возбудителя В используют синхронный генератор переменного тока. Обмотка возбуждения Я—ЯЯ тягового генератора подключается к возбудителю через тиристорный регулятор ТРВ. В регулятор вводят связи по току генератора Уг, частоте вращения коленчатого вала ид и мощности Л/е дизеля. В результате получают нужные характеристики тягового генератора. Такие системы применяют на тепловозах 2ТЭ116, ТЭП70, ТЭП75 и др.

Рис. 7.21. Система возбуждения главного генератора с тиристорным регулятором возбуждения
Системы регулирования тяговых электродвигателей. Как известно, частота вращения якоря двигателя постоянного тока
п =
с.Ф
(7.5)
где С/д — напряжение, приложенное к двигателю; /я и /?„ — ток и сопротивление якоря; Ф — магнитный поток двигателя; се — машинная постоянная.
Из формулы (7.5) следует, что частоту вращения якоря тягового двигателя можно изменить, регулируя напряжение, магнитный поток или сопротивление в цепи якоря. Из-за больших потерь последний способ на тепловозах не применяется.
Способы регулирования напряжения. Напряжение на двигателе можно изменить, регулируя магнитный поток тягового генератора или изменяя схему соединения тяговых двигателей. Рассмотрим возможные схемы соединения тяговых двигателей. При последовательном соединении тяговых двигателей к каждому из них подводится напряжение ил = = 11г/ту где и? — напряжение тягового генератора; ш — число двигателей, соединенных последовательно.
Переключая тяговые двигатели в параллельные группы с другим числом последовательно соединенных двигателей, можно получить несколько ступеней напряжения на двигателях. Очевидно, что при четырех двигателях возможны три схемы их соединения (все последовательно, две параллельные группы по два последовательно соединенных двигателя и все параллельно), при шести двигателях — уже четыре схемы ит. п.
Следовательно, с точки зрения получения большего числа ступеней регулирования целесообразно включать возможно большее число двигателей. Но следует учитывать, что при увеличении числа переключений резко возрастает количество аппаратов и усложняется схема их включения. Поэтому обычно число воз-
можных соединении двигателей ограничивается двумя-тремя.
Переключение двигателей возможно тремя способами: с разрывом цепи, коротким замыканием одного или группы двигателей и по схеме моста. Каждый из способов различается снижением силы тяги в процессе переключения и необходимым числом аппаратов. Эти два фактора и определяют область их применения. При переключении с разрывом силовой цепи сила тяги локомотива снижается до нуля. Поэтому такой способ практически не применяют. Переключение по схеме моста на тепловозах не применяют, так как он невозможен без установки дополнительных сопротивлений в цепи якорей двигателей.
Метод короткого замыкания для переключения заключается в следующем (рис. 7.22). При включенном контакторе / и выключенных контакторах 2 и 3 тяговые двигатели (или группы двигателей) ЭД1 и ЭД2 соединены последовательно. При переключении вначале замыкается контактор 2 и двигатель ЭД1 оказывается замкнутым контакторами 1 и 2, а двигатель ЭД2 подключается на полное напряжение генератора. Затем контактор / выключается, а контактор 3 включается и двигатель ЭД1 также подключается к генератору. При переключении происходит снижение силы тяги. Однако в связи с большой инерционностью электрических машин и малым временем переключения это снижение силы тяги получается небольшим и способ переключения коротким замыканием используется на тепловозах.
На тепловозах напряжение тяговых двигателей изменяется за счет изменения напряжения тягового генератора иг по внешней характеристике. Действительно, при изменении сопротивления движению поезда изменяется скорость V тепловоза. Ток тягового двигателя
Рис. 7.22. Схема переключения тяговых дви телей методом короткого замыкания
Следовательно, изменение частоты п вращения якоря двигателя, пропорциональной скорости V тепловоза, влечет за собой увеличение или уменьшение тока генератора. Соответственно по внешней характеристике тягового генератора меняется его напряжение. Таким образом, на тепловозах отклонение скорости движения автоматически влечет за собой изменение напряжения, подводимого к тяговым двигателям. Кроме того, напряжение генератора 0Г~сегПдФг. Регулируя частоту вращения /гд коленчатого вала дизеля, можно регулировать и напряжение тягового генератора. Этим способом обычно пользуются при трогании тепловоза с места.
Способ регулирования магнитного потока. При последовательном возбуждении тяговых двигателей одновременно с изменением тока якоря изменяется и магнитный поток. Это обеспечивает некоторую степень саморегулирования, благодаря чему двигатели последовательного возбуждения широко применяют на локомотивах.
Для уменьшения размеров и массы тягового генератора целесообразно максимально использовать возможности регулирования магнитного потока тяговых двигателей. При этом габаритные размеры тягового генератора можно уменьшить, что видно из формулы (7.5). Очевидно, что заданный диапазон измерения частоты вращения якорей тяговых двигателей можно обеспечить за счет изменения их магнитного потока или подводимого к ним напряжения, причем чем больше степень регулирова-

ния магнитного потока, тем меньше необходимый диапазон регулирования напряжения тягового генератора. Следовательно, можно снизить максимальное напряжение, от которого зависят размеры магнитной системы, габаритные размеры и масса тягового генератора.
Поэтому на тепловозах с электрической передачей широко применяют различные способы уменьшения магнитного потока (ослабления возбуждения) тяговых двигателей. Степень ослабления возбуждения а = /7оп//гпп, где Роп и Рпп — магнитодвижущие силы обмотки возбуждения соответственно при ослабленном и полном возбуждении.
Максимальная допустимая степень ослабления магнитного потока ограничивается коммутационными условиями на коллекторе, которые характеризуются максимальной реактивной э. д. с. ег в коммутирующих секциях и максимальным межла-мельным напряжением ек. Поэтому с точки зрения коммутации наиболее тяжелым для двигателя является режим максимальной скорости движения при наибольшем ослаблении возбуждения, так как именно в этом случае ег и ек достигают максимального значения.
Существуют два основных способа регулирования магнитного потока: отключением части витков обмотки возбуждения (рис. 7.23, а) и шунтированием обмотки возбуждения (рис. 7.23, б). При отключении части витков контактор / замыкается, а контактор 2 размыкается. Отключение части витков только замыканием контактора 1 недопустимо, так как при резких бросках

Рис. 7.23. Схемы регулирования магнитного потока
тока в закороченной части витков индуктируется э. д. с. и появляется ток, м. д. с. которого направлена против м. д. с. основной части обмотки. В результате резко уменьшается поток двигателя, что может привести к нарушениям коммутации.
Степень ослабления возбуждения
![]()
Метод отключения части витков при нескольких ступенях регулирования не применяют, так как при этом усложняется конструкция тягового двигателя из-за необходимости выполнения нескольких выводов от обмотки возбуждения и увеличивается число контакторов.
Метод регулирования магнитного потока шунтированием обмотки возбуждения нашел повсеместное распространение благодаря своей простоте. В этом случае параллельно обмотке возбуждения контактором / (см. рис. 7.23, б) подключается резистор Степень ослабления возбуждения
где /я и /в — токи якоря двигателя и обмотки возбуждения; 01 — число витков обмотки возбуждения.
Легко показать, что
где /?в и /?ш — сопротивления обмотки возбуждения и шунтирующего резистора. Следовательно, изменяя Яш, можно регулировать степень ослабления возбуждения. Это позволяет легко получить необходимое число ступеней регулирования.
Недостатками метода регулирования с помощью шунтирующего резистора являются необходимость в установке громоздких и тяжелых шунтирующих резисторов, усложнение схемы при большом числе ступеней ослабления возбуждения и
некоторые явления, возникающие во время переходных процессов при ступенчатом регулировании и ухудшающие коммутационные условия работы двигателей.
Поэтому в последние годы ведутся исследования различных систем плавного регулирования магнитного потока для тяговых двигателей смешанного или независимого возбуждения. Кроме устранения недостатков, свойственных системам ступенчатого регулирования, эти схемы позволяют: повысить противобок-совочную устойчивость локомотивов, что особенно важно при росте их мощности, разработать простые схемы реостатного торможения и т. д.
Следует отметить, что на тепловозах увеличение тока двигателей при
изменении схемы соединения или ослаблении возбуждения вызывает соответствующее увеличение тока тягового генератора и уменьшение его напряжения. Мощность же тягового генератора и тяговых двигателей при этом остается постоянной, а значит, при переключениях в схеме не изменяется и сила тяги тепловоза. Следовательно, на тепловозах изменение схемы соединения тяговых двигателей и ослабление их магнитного потока позволяют лишь многократно использовать внешнюю характеристику тягового генератора. При этом ту же максимальную скорость движения можно получить при меньшем напряжении, а значит, при меньших габаритных размерах и массе тягового генератора.










