13.4. Цепи дистанционного управления тяговой передачей
К цепям дистанционного управления тяговой передачей относят схемы реверсирования, включения-выключения тяги и переходов. Данные схемы у тепловозов (дизель-поездов) различных серий существенно отличаются друг от друга. В первую очередь это касается цепей реверсирования, которые у тепловозов с электрической передачей, с одной стороны, и тепловозов с гидропередачей и дизель-поездов — с другой, принципиально различны.
Реверсирование гидравлической (механической, гидромеханической) передачи осуществляется переводом (переключением) шлицевых муфт коробки передач. Процесс этот значительно более длительный, чем разворот пневматического реверсора (до 5 с); главная проблема, возникающая при реверсировании этих передач, — попадание муфты «зуб в зуб». Успешный перевод муфт возможен только при медленно вращающихся валах передачи.
В гидравлических коробках тепловозов используется так называемое ведение гидроаппаратов (особенно часто — гидромуфт): при вращении насосного колеса турбинное колесо даже в случае отсутствия масла в аппарате медленно вращается за счет движения воздуха. При реверсировании передачи, а также переключении режимов шлицевые муфты кратковременно выводят в нейтральное положение, т. е. разобщают со всеми шестернями, после чего шестерни, сцепленные с турбинными колесами, начинают вращаться, что дает возможность ввести муфту в зацепление.
На дизель-поездах с механической (Д), гидромеханической (Д1) и гидравлической без гидромуфты (ДР1 всех индексов) коробками передач такая возможность отсутствует, поэтому при попадании «зуб в зуб» кратковременно собирают схему тяги, вследствие чего шестерни начинают вращаться. При их вращении по инерции производят перевод шлицевых муфт.
Цепи включения и выключения тяги тепловозов (дизель-поездов) с гидравлической (механической, гидромеханической) передачей образуют одну схему со схемой переходов в отличие от тепловозов с электрической передачей, где цепи управления переходами (ослаблением поля) представлены в виде отдельной схемы.
Включение тяги на тепловозе (дизель-поезде) с гидравлической передачей заключается в заполнении маслом одного из гидроаппаратов (в зависимости от скорости тепловоза или дизель-поезда).
Процессами опорожнения-наполнения на тепловозах, имеющих гидромуфту, управляют три электрогидравлических вентиля (ЭГВ), на тепловозах, не имеющих ее, — два. Для заполнения первого гидротрансформатора включают один ЭГВ, второго гидротрансформатора — два, гидромуфты (если таковая имеется) — три. Гидравлическая система управления передачей устроена таким образом, что при переходе процессы наполнения одного аппарата и опорожнения другого происходят параллельно, что делает переход плавным. На дизель-поездах ДР1 (всех индексов) каждый ЭГВ включает свой аппарат.
На дизель-поездах Д и Д1 включение тяги производится включением фрикционной муфты соответствующей передачи.
Включение муфт осуществляется сжатым воздухом, пропуск которого к механизмам включения осуществляют электропневматические вентили (ЭПВ). Процессы опорожнения механизма одной муфты и наполнения механизма другой протекают параллельно, что обеспечивает плавность перехода.
Схемы дистанционного управления гидравлической (механической, гидромеханической) передачей. Схемы реверсирования тепловозов с гидропередачей и дизель-поездов принципиально одинаковы. Отличия связаны с тем, что коробки передач тепловозов позволяют изменять не только направление движения, но и пере-
даточное отношение (при переключении режимов: поездной, маневровый).
Схема привода шлицевых муфт гидромеханической коробкой передач приведена на рис. 13.25. Шлицевые муфты, производящие реверсирование и переключение режимов, перемещаются рычагами, связанными с валами, которые поворачиваются зубчатыми секторами, сцепленными с рейками пневматических сервоцилиндров.
В гидропередаче имеются две муфты (заднего и переднего хода); каждая их них может быть выведена из зацепления (находиться в нейтрали) либо сцеплена с шестернями маневрового или поездного режима.
Соответственно сервоцилиндров также два. При отсутствии воздуха в обеих полостях цилиндра он выводится пружинами, переводя через привод шлицевую муфту в нейтраль. Подавая сжатый воздух в соответствующую полость, производят перевод рейки в положение маневрового или поездного режима. Подачу сжатого воздуха осуществляют электропневматические вентили ВРПП (поездной «Вперед»), ВРПМ (маневровый «Вперед»), ВРЗП (поездной «Назад»), ВРЗМ (маневровый «Назад»).

Рис. 13.25. Схема привода шлицевых муфт гидромеханической коробкой
передач:
ВККП, КНП — концевые выключатели переднего хода; ВККЗ, КНЗ — концевые выключатели заднего хода; ВРПП, ВРПМ, ВРЗП, ВРЗМ, ВБР — электропневматические вентили; Ат — сообщение с атмосферой
Приводы муфт оборудованы специальным устройством (механической блокировкой), исключающим одновременное введение в зацепление обеих муфт, что привело бы к поломке передачи: цилиндр заднего хода может быть переведен в одно из рабочих положений при нахождении цилиндра переднего хода в нейтрали, и наоборот. Кроме того, для контроля нахождения цилиндров в нейтрали электрической схемой в ней имеются концевые выключатели КНП (переднего хода) и КНЗ (заднего хода), контакты которых размыкаются при выводе цилиндра из нейтрали (на схеме обозначаются нормально замкнутыми).
Для удержания зубчатой рейки в переведенном положении (маневровом или поездном) на ней имеются пазы, в которые входит шток пневматического фиксатора. Фиксация осуществляется за счет усилия пружины; для разблокирования рейки в полость цилиндра фиксатора необходимо подать сжатый воздух, после чего шток поднимется и выйдет из зацепления с пазом рейки. Нейтральное положение рейки не фиксируется.
При блокировании рейки фиксатором в переведенном положении он остается в таковом даже при отсутствии сжатого воздуха в полости сервоцилиндра.
Фиксаторы оборудованы концевыми выключателями ВККП (передний ход) и ВККЗ (задний ход). Они имеют контакты, замыкающиеся при разблокировании рейки (изображаются нормально разомкнутыми) и замыкающиеся при блокировании рейки (изображаются нормально замкнутыми).
Электропневматический вентиль ВБР пропускает сжатый воздух в полости цилиндров фиксаторов через блокировочный клапан, исключающий разблокирование рейки, связанной с переведенной муфтой, во время движения тепловоза: сжатый воздух от ВБР поступает в полость клапана, после чего его шток прижимает трапецеидальный поворачивающийся хвостовик к шайбе, установленной на одном из валов передачи; если вал вращается, шайба поворачивает хвостовик, шток получает возможность перемещаться дальше и перекрывает доступ сжатого воздуха к полостям цилиндров фиксатора, одновременно сообщая их с атмосферой.
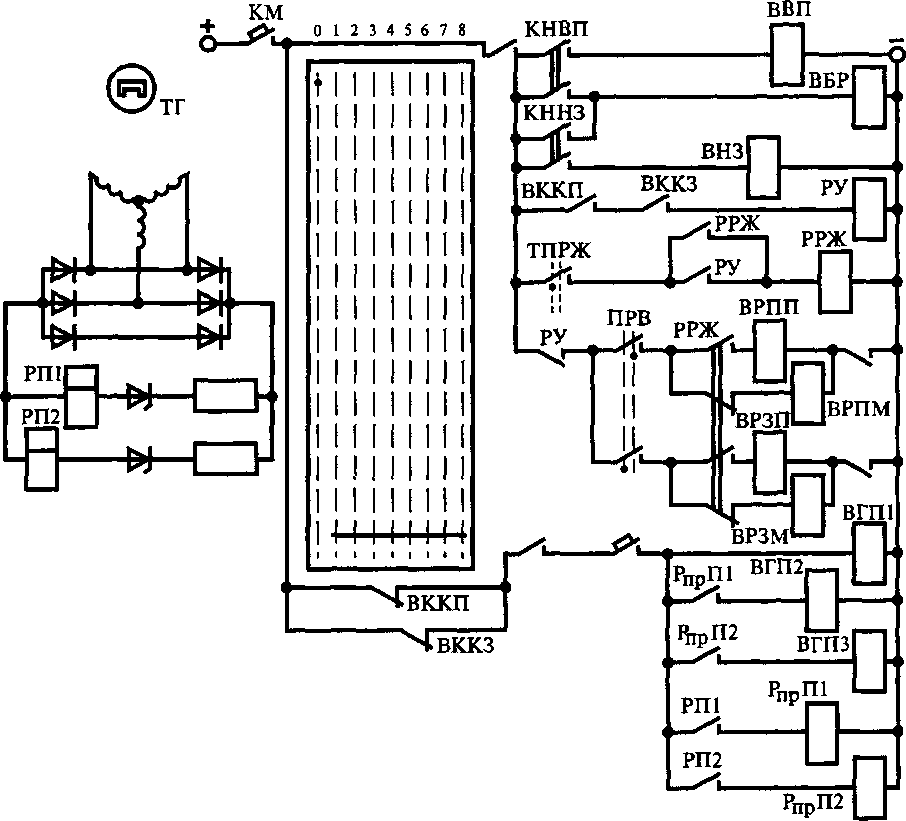
Схема управления унифицированной гидравлической передачей (УГП) Калужского завода приведена на рис. 13.26.
На современных тепловозах с гидропередачей устанавливают унифицированный контроллер для маневровых тепловозов, оснащенный пневмоцилиндрами, осуществляющими поворот главного и реверсивного валов. Перевод реверсивного вала осуществляют пневмоцилиндры, доступ сжатого воздуха к которым производят электропневматические вентили ВП («Вперед») и ВНЗ («Назад»). Контакты реверсивного вала контроллера коммутируют вспомогательные цепи — пескоподачи и прожекторов. Кроме того, установка унифицированного контроллера на тепловозе с гидро-

Рис. 13.26. Упрощенная схема управления тяговой гидравлической
передачей:
ТГ — тяговый генератор; ВВП, ВНЗ — электропневматические вентили «Вперед» и «Назад»; ТПРЖ — тумблер; ВККП, ВККЗ — концевые выключатели «Вперед» и «Назад» соответственно; РУ — промежуточное реле управления; ПРВ — переключатель режимов; ВРПП, ВРПМ, ВРЗП, ВРЗМ, ВБР — электропневматические вентили; ВГП1, ВГП2, ВГПЗ — электрогидравлические вентили; РП1, РП2 — реле переходов; РпрП1, РпрП2 — промежуточные реле; РРЖ — реле управления; КНВП, КННЗ — кнопки «Вперед» и «Назад» соответственно; КМ контроллер машиниста; 0—8 — позиции контроллера
передачей позволяет осуществлять управление набором-сбросом позиций контроллера со вспомогательного пульта и обеспечивает невозможность реверсирования при нахождении штурвала контроллера на позиции выше нулевой (в результате механической блокировки валов).
Выбор режима («Поездной» — «Маневровый») осуществляют переключением тумблера ТПРЖ, реверсирование — кнопками КНВП («Вперед») и КННЗ («Назад»).
Отметим, что на тепловозах с гидропередачей реверсирование выполняют нажатием кнопки. Машинист должен держать кнопку нажатой до окончания процесса реверсирования, о чем его проинформирует зажигание контрольной лампы. Этим тепловозы с гидропередачей отличаются от тепловозов с электрической передачей, реверсированием которых машинист управляет, переводя рукоятку без самовозврата, т. е. поворачивая реверсивный вал контроллера. Если на тепловозе с гидропередачей устанавливается унифицированный контроллер, его реверсивный вал рукояткой не оборудуется.
Реверсирование дизель-поездов осуществляется рукояткой, однако в процессе реверсирования машинисту приходится нажимать кнопку «Разблокирование реверсора» (на ДР1 всех серий) или «Проворот шестерен реверсора» (на Д, Д1).
Реверсирование осуществляется только на неподвижном тепловозе (дизель-поезде), при нахождении штурвала контроллера машиниста в позиции холостого хода.
После нажатия кнопки КНВП (или КННЗ) через контакт контроллера, замкнутого при нахождении его штурвала в нулевой позиции, и контакт соответствующей кнопки получает питание вентиль ВБР, который пропускает сжатый воздух к блокировочному клапану; поскольку валы передачи не вращаются, клапан пропускает сжатый воздух к полостям пневмоцилиндров фиксаторов, те поднимаются, и рейка, связанная с переведенной муфтой, разблокируется, после чегб пружина перемещает шток сер-воцилиндра в нейтраль. В результате обе муфты оказываются в нейтрали, и валы передачи начинают вращаться за счет ведения гидроаппаратов. Поднявшиеся фиксаторы замыкают нормально разомкнутые контакты концевых выключателей ВККП и ВККЗ. Эти контакты собирают цепь катушки промежуточного реле управления РУ, замыкающий контакт которого подготавливает цепь катушки реле управления РРЖ; катушка реле получает питание лишь в том случае, если тумблер ТПРЖ находится в положении «Поездной», после чего РРЖ своим замыкающим контактом собирает цепь самопитания, которая сохранится после размыкания РУ.
Кроме катушки вентиля ВБР при нажатии кнопки КНВП (или КННЗ) получит питание вентиль привода реверсивного вала контроллера ВВП (или ВНЗ), который перейдет в соответствующее выбранному направлению положение.
После раскрутки валов передачи блокировочный клапан перекрывает подачу сжатого воздуха к пневмоцилиндрам фиксаторов, те опускаются, контакты концевых выключателей ВККП и ВККЗ размыкаются, катушка РУ теряет питание, после чего через нормально замкнутый контакт РУ, контакты реверсивного вала контроллера и реле РРЖ в соответствии с выбранным режимом и направлением (т. е. в зависимости от того, какая кнопка (КНВП
или КННЗ) нажата, и от положения тумблера ТПРЖ) получит питание катушка одного из электропневматических вентилей (ВРПП, ВРПМ, ВРЗП, ВРЗМ), а затем в соответствующую полость сервоцилиндра соответствующего направления будет подан сжатый воздух, и муфта будет переключена. Поскольку валы передачи вращаются, попадание «зуб в зуб» исключено. После переключения муфты фиксатор заблокирует рейку, и нормально разомкнутые контакты конечного выключателя соответствующего фиксатора (ВККН или ВККЗ) замкнутся.
На случай неисправности механической блокировки в схеме предусмотрена защита от одновременного включения муфт противоположного направления: в общую минусовую цепь ВРПП и ВРПМ включен размыкающий контакт концевого выключателя КНЗ, а в общую минусовую цепь ВРЗП и ВРЗМ — размыкающий контакт КНП. Таким образом, если одна из муфт по какой-то причине в процессе реверсирования не переместится в нейтраль, ни один из электропневматических вентилей цилиндра противоположного направления не сможет получить питание по минусу.
После перевода штурвала контроллера на первую позицию все цепи реверсирования теряют питание, блокирование муфты в переведенном положении осуществляется фиксатором, шток которого прижимается к рейке пружиной. Одновременно с разборкой цепей реверсирования происходит сборка схемы тяги: через нормально замкнутые контакты концевого выключателя ВККП (или ВККЗ, в зависимости от направления движения; эти контакты обеспечивают невозможность сборки схемы при незафиксированных рейках и разборку схемы при их разблокировании) и через контакт контроллера машиниста, замкнутый при нахождении его штурвала на позициях с первой по восьмую, получает питание электрогидравлический вентиль ВГП1 — происходит наполнение первого гидротрансформатора.
Для управления переходами на тепловозе установлен таходат-чик — маломощный генератор, на статоре которого уложена трехфазная обмотка, а якорь представляет собой постоянный магнит. Якорь приводится во вращение одним из валов передачи. Спрямленное трехфазным мостом напряжение таходатчика, пропорциональное частоте вращения вала, а следовательно, и скорости тепловоза, подводится к катушкам реле переходов РП1 и РП2.
Цепь катушки каждого реле содержит сопротивление и стабилитрон. По достижении напряжением таходатчика определенной величины происходит пробой стабилитрона, якорь реле притягивается, его контакт собирает цепь соответствующего промежуточного реле (контакты РП1 — РпрП1, РП2 — РпрП2), контакт реле РпрШ собирает цепь катушки электрогидравлического вентиля ВГП2 (контакт РП2 — ВГПЗ). Величины сопротивлений в цепях катушек РП1 и РП2 подобраны таким образом, чтобы РШ замы-
кались при скорости включения второго гидротрансформатора, а РП2 — при скорости включения гидромуфты. Поскольку сила тока включения реле больше силы тока отключения, прямой переход происходит при более высокой скорости, чем обратный. Этим достигается устойчивость работы схемы переходов.
Реальные схемы управления переходами несколько сложнее: в них имеются контакты реле, катушки которых получают питание одновременно с вентилями регулятора дизеля. Контакты этих реле шунтируют и дешунтируют сопротивления в цепях катушек РП, производя таким образом коррекцию скоростей переходов в зависимости от позиции контроллера. На тепловозах с пневматическим контроллером с той же целью в цепи катушек РП введены реостаты, движки которых механически связаны со штурвалом контроллера. На дизель-поездах ДР1 (всех индексов) схема управления переходами аналогична (с использованием таходатчика и реле).
На дизель-поездах венгерского производства схемы управления переходами принципиально иные: на Д установлены центробежные датчики частоты вращения, оборудованные электрическими контактами; на Д1 таходатчик представляет собой не синхронный генератор, а импульсный электромагнитный преобразователь постоянного напряжения в переменное с частотой, пропорциональной частоте вращения ротора преобразователя, т.е. скорости поезда.
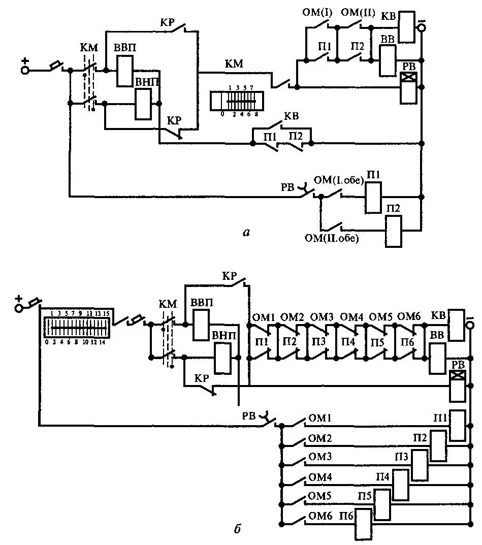
Схемы дистанционного управления электрической передачей. Существуют две схемы реверсирования тепловоза с электрической передачей. Одна из них (рис. 13.27, а) применяется на маневровых тепловозах (ТЭМ2 всех индексов, ЧМЭЗ всех индексов, ТЭМ7А и т.д.). Разворот реверсора на этих тепловозах осуществляется на нулевой позиции контроллера. При переводе реверсивной рукоятки в положение «Вперед» или «Назад» получает питание катушка соответствующего ЭПВ реверсора. В общую минусовую цепь ЭПВ включены размыкающие блок-контакты поездных контакторов, исключающие разворот реверсора при замкнутых контакторах: при получении катушкой вентиля постороннего питания, приваривании контактов, механическом заедании привода. После сборки схемы тяги эти контакты шунтируются замыкающим блок-контактом контактора возбуждения, что позволяет сохранить питание ЭПВ выбранного направления. На тепловозах чешского производства ЧМЭЗ всех индексов эта защита отсутствует.
Реверсирование магистральных тепловозов осуществляется при сборке схемы тяги (см. рис. 13.27, б): после перевода штурвала контроллера на первую позицию в зависимости от положения реверсивной рукоятки получает питание катушка электропневматического вентиля ВВП или ВНП.

Рис. 13.27. Упрощенная схема включения-выключения тяги тепловозов с электрической передачей мощности:
а — отечественных маневровых; б — магистральных; КМ — контроллер машиниста; 0— 15 — позиции контроллера; КВ — контактор возбудителя; ВВ — контактор возбуждения возбудителя; ВВП, ВНЗ — электропневматические вентили «Вперед» и «Назад»; РВ — реле времени; ПІ — П6 — поездные контакторы; КР — контактор реверсора; ОМ(І), ОМ(Н), ОМ(І.обе), ОМ(ІІ.обе), ОМІ — ОМ6 —
отключатели моторов
При нахождении штурвала контроллера на нулевой позиции катушки обоих вентилей обесточены: реверсор, независимо от положения реверсивной рукоятки, развернут в том направлении, в котором последний раз тепловоз двигался в режиме тяги.
Дальнейшая сборка схемы тяги возможна только при соответствии разворота реверсора положению реверсивной рукоятки. Достигается это тем, что аппараты схемы получают питание либо от цепи катушки вентиля реверсора ВВП через блок-контакт реверсора, замкнутый при его развороте вперед, либо от цепи катушки вентиля реверсора ВНП через блок-контакт, замкнутый при развороте реверсора назад. Блок-контакты также исключают сборку схемы при неполном переводе реверсора и обеспечивают ее разборку в случае самопроизвольного разворота реверсора. Следует обратить внимание на то, что при нахождении штурвала контроллера на первой и более высоких позициях на тепловозах с электрической передачей в отличие от тепловозов с гидропередачей цепи реверсирования сохраняют питание. Отличие это связано с тем, что на первых фиксация реверсора осуществляется пневматически, а на тепловозах с гидропередачей — блокированием муфт — механически (сжатыми пружинами).
Сборка схемы тяга происходит в следующей последовательности: получает питание катушка реле времени поездных контакторов РВ, контакт которого собирает цепь катушек вентилей поездных контакторов; после замыкания контакторов их замыкающие блок-контакты собирают цепь катушек контакторов возбуждения.
При переводе штурвала контроллера на нулевую позицию цепи включения-выключения тяги теряют питание, при этом контакторы возбуждения размыкаются сразу, а поездные контакторы — примерно через 1,2 с. Выдержка времени обеспечивается задержкой размыкания контакта РВ.
Опережение размыкания контакторов возбуждения относительно поездных исключает подгар контактов последних. Наличие блок-контактов поездных контакторов в цепи катушек контакторов возбуждения делает невозможным возбуждение генератора при не полностью замкнувшихся поездных контакторах (в силу здедания привода и т.д.) и обеспечивает снятие возбуждения с генератора в случае самопроизвольного размыкания одного из поездных контакторов. Этим предотвращается выжигание контактов поездных контакторов электрической дутой. Поскольку размыкание поездных контакторов и, особенно, разворот реверсора при протекании через их контакты тока являются чрезвычайно нежелательными явлениями, приводящими зачастую к поломке этих аппаратов, контакты защит устанавливают в цепи, общей для катушек КВ и ВВ или общей для катушек КВ, ВВ и РВ, и никогда — в цепях поездных контакторов, тем более вентилей реверсора.
В целом схемы включения-выключения тяга тепловозов с электрической передачей различаются несущественно: на некоторых (тепловозы 2М62, 2М62У и т.д.) применяется промежуточное реле тяги, катушка которого получает питание при соответствии разворота реверсора положению реверсивной рукоятки, контакт этого
реле собирает цепи остальных аппаратов; на тепловозах ЧМЭЗ всех индексов отсутствует реле времени поездных контакторов; запаздывание их размыкания обеспечивается шунтированием их катушек конденсаторами.
Существенно усложнены схемы включения-выключения тяги тепловозов 2ТЭП6 и ТЭМ7А, оборудованных двумя компрессорами. Эти усложнения связаны с тем, что на данных тепловозах некоторые машины получают питание от высоковольтных цепей и, следовательно, необходимо возбуждение ТГ и при выключенной тяге, т.е. при разомкнутых поездных контакторах. Практически на этих тепловозах возбуждение с ТГ снимается только при замыкании и размыкании поездных контакторов (на ТЭМ7А — и при отключении второго компрессора).
В основном схемы тепловозов различаются количеством и схемами защит, срабатывание которых вызывает разборку схемы тяги или снятие возбуждения с ТГ.
Все современные тепловозы и дизель-поезда оборудованы устройствами, автоматически (т. е. без вмешательства машиниста) выключающими тягу при возникновении ситуации опасной для дизеля, передачи или локомотивной бригады, — так называемыми защитами в цепях тяги.
Срабатывание такой защиты вызывает на тепловозе с электрической передачей потерю питания катушками ЭПВ поездных контакторов и катушками контакторов возбуждения (в последнем случае сила тяги уменьшается до ничтожно малой величины); на тепловозах с гидравлической передачей и дизель-поездах ДР1 (всех индексов) — потерю питания катушками электрогидравлических вентилей передачи; на дизель-поездах Д и Д1 — потерю питания катушкой селективного клапана (что прекращает доступ сжатого воздуха к пневматическим устройствам управления передачей).
Защиты в цепях включения тяги. Защита от сборки схемы тяги при выключенном электропневматическом клапане автостопа (ЭПКА) обеспечивается контактом ключа ЭПКА в цепях тяги, замыкающимся при включении клапана; устанавливается на всех сериях тепловозов и дизель-поездов.
Защита от сборки схемы тяги при недопустимо низком давлении воздуха в тормозной магистрали обеспечивается контактом реле давления воздуха РДВ в цепях тяги, который замыкается при давлении воздуха в тормозной магистрали выше 270...320 кПа; устанавливается на всех сериях тепловозов и дизель-поездов.
Защита от сборки схемы тяги при обрыве тормозной магистрали обеспечивается контактом одного из исполнительных реле датчика (усл. № 418) в цепях тяги; устанавливается на всех грузовых тепловозах.
Защита локомотивных бригад от попадания под действие высокого напряжения обеспечивается контактами в цепях тяги конеч-
ных выключателей, замкнутых при закрытых дверях (крышках, створках) высоковольтных камер, выпрямительных установок и иных шкафов, где имеются неизолированные части высоковольтных цепей; устанавливается на всех тепловозах с электрической передачей.
Защиты, предотвращающие порчу дизеля. Температурные защиты, предотвращающие перегрев теплоносителей дизеля обеспечиваются контактами температурных реле воды ТРВ и масла ТР в цепях тяги. Они имеются на всех современных тепловозах, кроме ЧМЭЗ всех индексов; на ТЭМ2 всех индексов, ТЭМ15, ТЭМ17 и ТЭМ18 имеется защита только от перегрева воды. Тепловозы 2ТЭ116 оснащены двухуровневой защитой по температуре воды: включая тумблер «Высокотемпературное охлаждение», машинист шунтирует контакт температурного реле, размыкающийся при температуре воды 96 °С, после чего разборка схемы возбуждения ТГ может быть произведена только контактом другого температурного реле, размыкающимся при температуре воды 105 °С.
Защита от работы дизеля под нагрузкой на высоких позициях при недостаточном давлении в масляной системе устанавливается на всех современных тепловозах, кроме ЧМЭЗ всех индексов, ТЭМ2 всех индексов и т.д. Защита осуществляет разборку схемы тяги при работе дизеля на 6 —8-й позициях (маневровые тепловозы) или 12— 15-й позициях (магистральные тепловозы); обеспечивается контактом реле давления масла в цепях тяги. На низких позициях контакт шунтируется замыкающим контактом реле, катушка которого получает питание через контакт контроллера, замкнутый при нахождении его штурвала на низких позициях, или через нормально замкнутый контакт реле, катушка которого получает питание на высоких позициях. На тепловозах 2ТЭ116 защита осуществляется регулятором дизеля (неэлектрически).
Защиты передачи, применяемые на тепловозах (дизель-поездах) со всеми видами передач. Защита от превышения конструкционной скорости устанавливается на тепловозах с гидравлической передачей и дизель-поездах (с целью предотвращения поломки карданных валов и деталей коробки передач), а также тепловозах с электрической передачей (во избежание разбандажировки якорей ТЭД). Этой же защитой осуществляется выключение тяги при разносном боксовании, когда вследствие нарушения сцепления с рельсами колесные пары приобретают опасно высокую частоту вращения. Схема включения реле защиты связана со схемой управления переходами: на тепловозах с гидропередачей, дизель-поездах ДР (всех индексов) и Д1 к таходатчику подключено реле, якорь которого притягивается при превышении конструкционной скорости; на дизель-поездах Д установлен механический датчик превышения конструкционной скорости. На тепловозах 2ТЭ116 устанавливается так называемое третье реле перехода (РПЗ), ка-
тушка напряжения которого получает питание при замыкании ВШ1 и ВШ2. При превышении конструкционной скорости в режиме тяги напряжение ТГ близко к максимальному значению при замкнутых ВШ1 и ВШ2, в силу чего происходит замыкание РПЗ, контакт которого собирает цепь катушки реле защиты.
Защита от недостаточного давления воздуха в системе питания пневматических приводов аппаратов и переключающих устройств, что может привести к нечеткой их работе, заеданию и т.п., установлена на тепловозах, изготовленных на Людиновском тепловозостроительном заводе как с гидропередачей, так и с электрической (ТЭМ7А). Разборку схемы тяги при падении давления в системе управления и несобирание ее при недостаточном давлении осуществляет контакт реле давления воздуха.
Защита от отправления с открытыми входными дверями тамбуров вагонов осуществляется контактами концевых выключателей, замкнутых при закрытых дверях, в цепи селективного клапана. Устанавливается она на дизель-поездах Д и Д1.
Специфические защиты тепловозов с электрической передачей мощности. Защита от сборки схемы тяги при работе дизеля на позиции выше первой (блокировка первой позиции) исключает звонковую работу схемы тяги при неустойчивой работе одной из защит или плохом контакте в каком-либо соединении, так как такая работа может вызвать повреждение контактов силовых аппаратов: в том случае если схема тяги разобралась по той или иной причине, повторно собраться она сможет только после перевода штурвала контроллера на первую позицию. Защита осуществляется нормально замкнутым контактом реле, катушка которого получает питание через контакт контроллера машиниста, замкнутый при нахождении его штурвала на позициях второй и выше. После сборки схемы тяги контакт реле шунтируется замыкающим блок-контактом контактора возбуждения генератора, вследствие чего после перевода контроллера на вторую позицию и выше схема тяги не разбирается.
Защита от одновременной сборки схем проворота коленчатого вала дизеля и тяги осуществляется размыкающими блок-контактами пусковых контакторов в цепях тяги.
Защита от сборки схемы тяги при повреждении изоляции силовых цепей осуществляется реле заземления (РЗ), оборудованным защелкой или удерживающей катушкой, рабочая катушка которого подключается через настроечное сопротивление между силовой цепью тепловоза и его корпусом (рис. 13.28, а). Если где-либо нарушена изоляция силовой схемы относительно корпуса, катушка РЗ оказывается включенной в замкнутую цепь, якорь РЗ притягивается и его контакт разбирает схему тяги.
Очевидным недостатком этой схемы является незамыкание реле при повреждении изоляции вблизи места подключения катушки.

Рис. 13.28. Схемы подключения реле заземления:
а — простейшая; б — мостовая; СРЗ — сопротивление реле заземления; РЗ —
катушка реле заземления
Этого недостатка лишена устанавливаемая на более современных тепловозах мостовая схема включения реле (см. рис. 13.28, б).
Защита от превышения максимального тока ВУ на тепловозах с передачей переменно-постоянного тока осуществляется реле с удерживающей катушкой, рабочая катушка которого подключена через настроечное сопротивление к мостам ТПТ. При недопустимом возрастании силы тока ВУ вследствие неисправности системы автоматического регулирования передачи или из-за короткого замыкания в силовой схеме сила тока в катушке реле становится достаточной для притяжения якоря, и контакт реле разбирает схему тяги.
Защита от работы тепловоза в режиме тяги при пробое плеча выпрямительной установки на тепловозах с передачей переменно-постоянного тока осуществляется реле с защелкой или удерживающей катушкой, рабочая катушка которого подключается к нейтральным точкам звезд ТГ. При пробое одного из плеч ВУ, что опасно из-за недопустимого возрастания амплитуды силы тока исправных фаз, симметрия фаз нарушается, вследствие чего по рабочей катушке реле начинает протекать ток, якорь реле притягивается, и контакт реле разбирает цепи тяги.
Защита от движения в режиме тяги при отсутствии охлаждения ТЭД и ВУ осуществляется размыкающими блок-контактами трехфазных автоматических выключателей асинхронных двигателей, приводящих в действие вентиляторы охлаждения ТЭД и ВУ (специфическая защита тепловозов 2ТЭ116).
Противобоксовочная защита тепловозов. Тепловозы с электрической передачей более склонны к боксованию, поскольку в отличие от тепловозов с гидропередачей и дизель-поездов оборудованы индивидуальным приводом колесных пар. В силу этого про-

Рис. 13.29. Схемы противобоксовочной защиты тепловозов с электрической передачей:
а — простейшая; б — мостовая (контакты поездных контакторов и цепи шунти-ровки поля и реверсирования ТЭД не показаны); ТГ — тяговый генератор; ТД1 — ТД6 — тяговые электродвигатели; РБ, РБ1, РБ2, РБЗ — реле боксова-ния; ПІ — П6 — поездные контакторы; ВУ — выпрямительная установка; РОП — реле защиты от сборки схемы тяги при обрыве якорной цепи одного из тяговых
электродвигателей
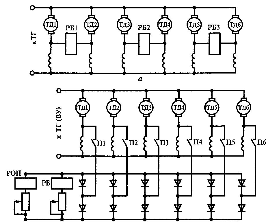
тивобоксовочные защиты устанавливаются именно на этих тепловозах. Простейшую защиту от боксования (рис. 13.29, а) осуществляют три реле боксования (РБ), катушку каждого из которых подключают к началам обмоток возбуждения двух ТЭД. У двух небоксующих ТЭД силы якорных токов одинаковы (если не учитывать разницу характеристик двигателей), в силу чего практически равны падения напряжения на обмотках возбуждения, и, таким образом, потенциалы начал обмоток почти одинаковы. Следовательно, ток через катушку реле не протекает (или протекает очень незначительный, недостаточный для замыкания реле).
В том случае, если колесная пара, приводимая во вращение одним из ТЭД, начнет боксовать, сила его якорного тока и паде-
ние напряжения на обмотке возбуждения существенно уменьшатся, вследствие чего катушка реле окажется подключенной к точкам с разными потенциалами, по катушке потечет ток и якорь реле притянется.
Размыкающие контакты всех трех реле боксования включены в цепь катушки контактора возбуждения возбудителя (ВВ) (рис. 13.30): при замыкании хотя бы одного из реле цепь катушки разрывается, возбуждение с возбудителя снимается и его напряжение падает до минимальной величины, обусловленной остаточной намагниченностью его полюсов, при этом существенно уменьшается сила тока возбуждения и мощность ТТ, что приводит к прекращению боксования.
При отключении неисправного ТЭД падение напряжения на обмотке возбуждения отключенного двигателя равно нулю, и в силу этого при движении в режиме тяги катушка соединенного с ним РБ оказывается всегда под действием разности потенциалов, (якорь его постоянно притянут). Во избежание неполучения катушкой ВВ питания в этом случае контакты РБ шунтируют размыкающими блок-контактами поездных контакторов ТЭД, к которым подключено реле (см. рис. 13.30).
Рассмотренная схема обладает рядом очевидных недостатков: несрабатывание защиты при одновременном боксовании двух смежных ТЭД; чрезмерное снижение мощности при срабатывании защиты с резким ее нарастанием после прекращения боксования; отсутствие защиты у исправного ТЭД, смежного с отключенным.
Более современные тепловозы оборудуют схемой, лишенной этих недостатков. Начала обмоток возбуждения всех ТЭД подключают к одному диодному мосту, в диагональ которого включена катушка одного РБ. При равенстве потенциалов всех начал обмоток, т.е. при отсутствии боксования, все диоды моста закрыты и ток через катушку РБ не протекает; при боксовании хотя бы одного ТЭД симметрия нарушается и через катушку протекает ток. Очевидно, реле будет замыкаться при любом числе боксующих колесных пар, кроме всех шести (на ТЭМ7А — восьми). Защиту от боксования всех колесных пар осуществляет РБЗ.
Поскольку при отключении неисправного ТЭД симметрия моста, очевидно, нарушается, в цепи, соединяющие начала обмоток возбуждения с мостом, включены размыкающие блок-кон-

Рис. 13.30. Цепь катушки контактора возбуждения возбудителя тепловоза, оборудованного простейшей проти-вобоксовочной защитой:
РБ1 — РБЗ — реле боксования; П1 — П6 — поездные контакторы; ВВ — контактор возбуждения возбудителя
такты соответствующих поездных контакторов. Таким образом, при отключении неисправного ТЭД защита всех остальных двигателей сохраняется.
Один из замыкающих контактов РБ собирает цепь катушки электромагнита противобоксовочной защиты регулятора дизеля (МР5), что приводит в конечном итоге к увеличению индуктивного сопротивления индуктивного датчика. Другие контакты РБ шунтируют или, напротив, дешунтируют сопротивления в цепях автоматического регулирования тяговой передачи, что также приводит к снижению мощности ТГ.
В целом, по сравнению со старой схемой снижение мощности при срабатывании защиты менее существенно, а процесс ее нарастания протекает более плавно.
На тепловозах 2ТЭ116 и ТЭМ7А устанавливают параллельно два РБ различной чувствительности — РБ1 (первой ступени) и РБ2 (второй ступени). Замыкание контактов менее чувствительного РБ2 вызывает большее снижение мощности. Кроме того, в схеме имеется ряд усложнений, связанных с необходимостью обеспечения ее устойчивой работы при боксовании во время работы на ослабленном поле.
Применение мостовой схемы позволяет осуществить также защиту от сборки схемы тяги при обрыве якорной цепи одного из ТЭД. Параллельно РБ подключают рабочую катушку низкочувствительного реле РОП с удерживающей катушкой. Якорь реле притягивается только при серьезном нарушении симметрии моста, т.е. в том случае, если сила тока одного из ТЭД равна нулю при том, что его поездной контактор замкнут (из-за обрыва кабеля, неисправности щеточного аппарата и т.д.). Разрывающий контакт РОП разрывает цепи тяги (рис. 13.29, б).










