II.3. Системы дизеля
Топливная система состоит из насоса подачи топлива, фильтров грубой и тонкой очистки топлива, насосов высокого давления, форсунок и трубопроводов низкого и высокого давления.
Топливный насос высокого давления (рис. 26), предназначенный для подачи топлива в форсунку, размещается на лотке. В корпусе 5 насоса установлены втулка 16 плунжера с плунжером 17 и корпус // клапана с клапаном 12. Втулка плунжера и седло клапана закреплены в корпусе насоса нажимным штуцером 13. Втулка плунжера зафиксирована стопорным винтом 15.
Во втулке плунжера имеются два отверстия В для подвода и отсечки топлива. На плунжере в верхней его части расположены верхняя и нижняя спиральные отсечные кромки Г, обеспечивающие изменение количества подаваемого топлива в цилиндры при повороте плунжера. Спиральные отсечные кромки на плунжере расположены таким образом, что при движении рейки в корпус насоса подача топлива уменьшается, а при выдвижении увеличивается. На цилиндрической поверхности плунжера имеются две кольцевые канавки. Широкая канавка при любом рабочем положении плунжера по высоте соединена через канал Е во втулке с полостью всасывания насоса, что исключает протечку топлива по плунжеру в масляную систему. На втулке плунжера установлен зубчатый венец 6. В зацеплении с зубчатым венцом находится рейка 31, посредством которой механизм управления топливными насосами поворачивает плунжер. Максимальный выход рейки 31 насоса, замеряемый от торца рейки до болта 9, ограничивается винтом 30, который препятствует повороту зубчатого венца и перемещению рейки насоса. Размер М устанавливается при регулировании насоса по производительности на стенде изменением положения рейки и прокладок под болтом 9.
Снизу к корпусу топливного насоса крепится направляющая втулка 2 толкателя. В нее запрессована втулка 1. Во втулке 1 размещен толкатель, состоящий из корпуса 23, оси 24, втулки 25, ролика 26, упора 22 и тарелки 21, удерживающей толкатель во втулке / от выпадания при транспортировке и монтаже насоса.
Для обеспечения одинаковых углов начала подачи топлива до верхней мертвой точки (в. м. т.) по всем цилиндрам дизеля необходимо, чтобы зазор между плунжером и седлом нагнетательного клапана при верхнем крайнем положении плунжера был одинаковым у всех насосов и равным (2±0,1) мм. Указанный зазор устанавливается набором регулировочных стальных прокладок 19 между опорными поверхностями фланца направляющей втулки 2 толкателя и лотком. Необходимая толщина регулировочных прокладок определяется на стенде завода-изготовителя, и этот размер набора прокладок в миллиметрах выбивается на поверхности А корпуса насоса. Эта толщина прокладок является исходной при установке насоса на дизель. При регулировке давления сгорания допускается уменьшение или увеличение толщины прокладок на 0,5 мм.
Рис. 26. Топливный насос высокого давления:
1, 25 — втулки; 2 — направляющая втулка; 3 — шпилька; 4 — нижняя тарелка; 5 — корпус насоса; 6 — зубчатый венец; 7 — пружина; 8 — верхняя тарелка; 9 — болт; 10, 18, 20, 36 — уп-лотнительные кольца; 11 — корпус нагнетательного клапана; 12 — клапан; 13 — нажимной штуцер; 14 — прокладка; 15, 35 — стопорные винты; 16 — втулка плунжера; 17 — плунжер; /о — регулировочная прокладка; 21 — тарелка; 22 — упор; 23 — корпус толкателя; 24 — ось ролика; 26 — ролик; 27, 30 — винты; 28 — крышка; 29 — пробка; 31 — рейка; 32 — колпак; 33 — фланец; 34 — штифт; И, М — установочные размеры; Л — поверхность маркировки толщины прокладок; Б — полость высокого давления; В — отверстия для подвода и отсечки топлива; Г — отсечные кромки; Д — отверстие для слива масла; Е — канал; Ж — полость низкого давления; И — отверстие для подвода масла к толкателю
Трущиеся поверхности корпуса 23 толкателя, ролика 26 и втулки 25 смазываются маслом, поступающим из канала лотка в отверстие И; затем масло сливается в лоток по трем отверстиям Д. Насос по началу подачи топлива и подаче регулируют на специальном стенде с эталонными форсункой и форсуночной трубкой.
Форсунка закрытого типа (рис. 27) установлена в крышке цилиндра. Плотность установки форсунки достигается за счет применения резинового кольца 9 и наличия конусной поверхности А. К нижнему торцу корпуса 7 крепятся колпаком 4 корпус 2 распылителя и сопло 1. Для обеспечения одинаковой затяжки колпаков на каждом колпаке 4 нанесены риски, равномерно расположенные по окружности. В корпусе 2 распылителя размещена игла 3, разобщающая внутренние полости форсунки и камеру сгорания. Корпус распылителя и игла представляют собой комплект спаренных деталей. Игла прижимается к корпусу распылителя пружиной 8 через штангу 6. Пружина сжимается поворотом регулировочного винта 11, положение которого фиксируется гайкой 75. Сверху на регулировочный винт навертывается штуцер 75, к которому присоединяется трубка отвода топлива, просочившегося через зазор между иглой и корпусом распылителя.
Рис. 27. Форсунка: 1 — сопло; 2 — корпус распылителя; 3 — Игла; 4 — колпак; 5,9 — уплотнительные кольца; б — штанга; 7 — корпус форсунки; 8 — пружина; 10 — тарелка; // — регулировочный винт; 12, 14 — прокладки; 13 — гайка; 15 — штуцер; 16 — корпус фильтра; 17 — стержень; А — конусная поверхность; Б — канал для отвода просачивающегося топлива; В, Г — пазы; Д — отверстия для прохода топлива
Топливо подводится в форсунку через щелевой фильтр, состоящий из корпуса 16 и стержня 17. Топливо, пройдя через продольные пазы В, кольцевой зазор между корпусом и стержнем, поступает в продольные пазы Г, откуда по отверстиям Д — в канал корпуса форсунки. Регулируют форсунку на специальном стенде.
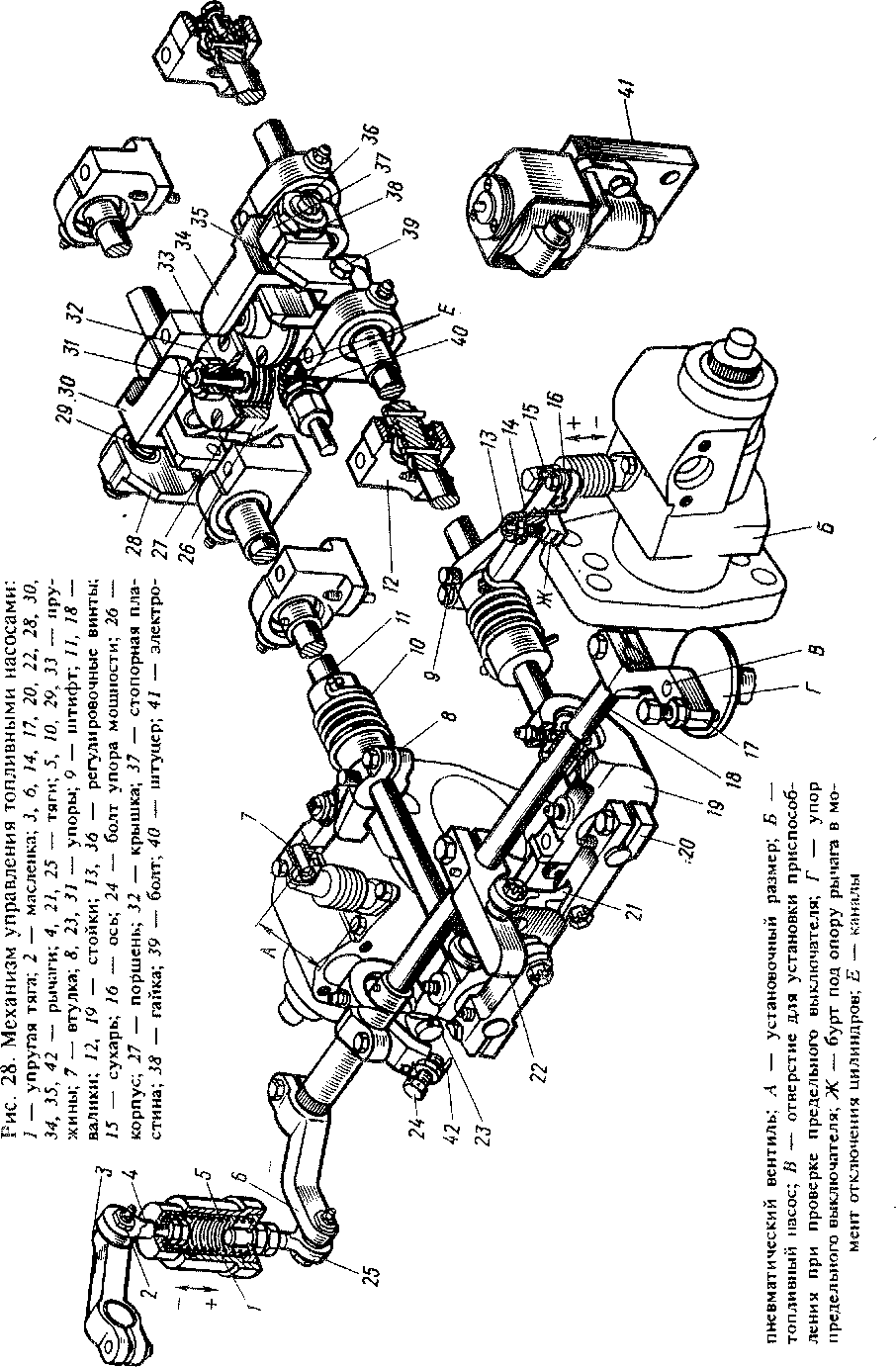
Механизм управления топливными насосами (рис. 28) установлен на лотке и предназначен для перемещения реек топливных насосов объединенным регулятором и отключения топливных насосов (с первого по четвертый каждого ряда цилиндров) на минимальной частоте вращения коленчатого вала дизеля без нагрузки. Механизм приводится в движение от вала сервомотора объединенного регулятора, который посредством рычага 3, тяг 4 и 25, пружины 5 и рычага 6 поворачивает валик 18. Валик 18 через рычаг 22, тягу 21 и рычаги 20 поворачивает валики 11. На валиках 77 неподвижно установлены рычаги 28, 30, 34 и 55. Рычаги 30 и 34 пружинами 29 прижаты к рычагам 28 и 55.
На валиках 77 установлены также упоры 8 и рычаги 14. Упор 8 зафиксирован на валике штифтом 9 и болтом. Пружина 10 прижимает к упору 8 рычаг 14 с винтом 13, которым регулируют выдвижение рейки топливного насоса Б. В рычаг 14 установлены втулка 7 и ось 16, на которой установлен сухарь 75, входящий в паз рейки топливного насоса.
Конструкция механизма управления топливными насосами обеспечивает при необходимости отключение любого из насосов, а также перевод механизма управления в положение нулевой подачи топлива в случае заклинивания плунжера или рейки какого-либо топливного насоса. Для ограничения выхода реек топливных насосов на номинальной мощности на рычаге 42 установлен болт 24 упора мощности.
Для улучшения работы дизель-генератора на минимальной частоте вращения без нагрузки механизм управления топливными насосами имеет механизм отключения, которым отключаются рейки топливных насосов с первого по четвертый каждого ряда цилиндров. Механизм отключения состоит из корпусов 26, поршней 27 с упорами 31,1 пружин 33, прижимающих поршни к корпусам 26, крышек 32 с уплотнительными манжетами и прокладками. Сжатый воздух от магистрали тепловоза подводится к электропневматическому вентилю 41 и далее по трубке к штуцеру и по каналам Е к поршням 27.
При работе дизель-генератора на минимальной частоте вращения без нагрузки (нулевое или 1-е положение контроллера) срабатывает электропневматичес^ий вентиль 41 ж к механизму отключения подводится сжатый воздух. Под давлением сжатого воздуха поршень преодолевает усилие затяжки пружин 55 и 29, а упор 31 перемещает рычаги 30 и 34 и соответственно рейки топливных насосов 1—4 цилиндров обоих радов в положение нулевой подачи топлива. При переводе дизель-генератора на работу под нагрузкой с 1-й позиции и при работе на холостом ходу со 2-й позиции контроллера сжатый воздух выпускается из корпуса механизма отключения через электропневматический вентиль. Под действием пружины 33 упор 31 перемещается вниз до упора в торец корпуса 26, а пружина 29 переставляет рычага и соответственно рейки отключенных насосов на подачу топлива.
Топливоподкачивающий насос (рис. 29) шестеренного типа установлен на приводе насосов и приводится во вращение от него через промежуточный шлицевый вал 18. Ведущий вал 3 и цапфа ведомой шестерни 25 вращаются в металлоке-рамических бронзографитовых втулках 2, 7 и 24, 26, установленных с натягом в крышке 1 и кронштейне 8. Ведущий вал имеет выносной шариковый подшипник 15, установленный в кронштейне по скользящей посадке и зафиксированный от проворота фланцем 17. Ведущая шестерня 4 крепится на валу на шпонке 6. Вал уплотнен в кронштейне двумя манжетами // и 13 со стороны насосной части и одной манжетой 20 со стороны привода. Полость В между манжетами, размещенными со стороны насосной части, заполняется смазкой. Перед манжетой 20, установленной со стороны привода, имеется полость, сообщаемая с атмосферой отверстием Г, а с емкостью для сбора просочившегося топлива и масла штуцером 22 и трубопроводом. Последнее исключает попадание топлива в масляную систему в случае нарушения плотности манжет со стороны насосной части. Ведущий вал 3 для повышения износостойкости под кромками манжет имеет керамическое покрытие. Втулки 2, 7, 24 и 26 смазываются топливом. Топливо, просочившееся через зазоры между втулками и валами шестерен, обеспечивает смазку манжеты 11 и отводится в топливную систему через штуцер 9. Выносной шариковый подшипник 15, манжета 20, шлицевый вал 18 и шлицы ступицы привода насосов смазываются маслом, подводимым через штуцер 14 из масляной магистрали дизеля.
Масляная система включает в себя два насоса масла, полнопоточный фильтр тонкой очистки масла со сменными бумажными фильтрующими элементами, охладитель масла, два центробежных фильтра, сетчатый фильтр масла, установленный на входе в дизель, маслопрокачивающий, насос, трубопроводы, клапаны. Все элементы масляной системы, кроме фильтра тонкой очистки масла, расположены на дизель-генераторе. Оба насоса масла имеют одинаковую конструкцию и подают масло последовательно.
Из масляной ванны поддизельной рамы через сетчатый масло-заборник масло поступает во всасывающую полость правого (первого) насоса масла и подается по трубе к фильтрам тонкой очистки масла, затем в охладитель масла, а от него по трубе в поддизельной раме к левому (второму) насосу масла. Частота вращения и, следовательно, подача первого насоса масла на 3 % больше, чем у второго насоса. На трубе поддизельной рамы между двумя насосами масла закреплены два клапана: невозвратный и предохранительный. Предохранительный клапан предназначен для отвода масла в поддизельную раму в случае возникновения давления перед вторым насосом масла более 0,08—0,12 МПа (0,8—1,2 кгс/см2). Невозвратный клапан служит для всасывания масла вторым насосом непосредственно из емкости масла в раме при недостаточном поступлении масла ко второму насосу. Второй насос масла через сетчатый фильтр подает масло в дизель. Часть масла (*5 %) после второго насоса поступает к центробежным фильтрам тонкой очистки масла и после очистки в них сливается в емкость рамы. дизель-генераторы 1А-9ДГ имели один насос масла.
Внутренняя масляная система дизеля приведена на рис. 30.
Насосы масла шестеренного типа, односекционные, нереверсивные приводятся от привода насосов дизеля через шлице-вое соединение. Рабочие шестерни насосов стальные, косозубые. Для поддержания заданного рабочего давления нагнетательные секции насосов снабжены редукционными клапанами золотникового типа с демпфирующим устойством.
Два полнопоточных фильтра масла, размещенные на раме тепловоза, работают параллельно и имеют по восемь бумажных фильтрующих элементов типа "Нарва 6-4", в которых задерживаются частицы более 40—50 мкм. Фильтры снабжены перепускными клапанами, которые открываются при перепаде давления масла от 0,157 до 0,175 МПа (1,6—-1,8 кгс/см2).
Рис. 30. Внутренняя масляная система дизеля:
1 _ труба отвода масла к сетчатому фильтру; 2 — емкость в раме для размещения масла; 3 — маслозаборник с невозвратным клапаном; 4 — труба подвода масла к первому насосу масла; 5 _ труба подвода масла от полнопоточного фильтра к охладителю масла; 6 — центробежные фильтры масла; 7 — труба подвода масла к центробежным фильтрам; а — канал подвода масла к первому насосу масла; Б — канал подвода масла к полнопоточному фильтру; В то же к охладителю' Г — канал отвода масла к сетчатому фильтру; Д — канал подвода масла к шлицево-му валу привода насосов; Е — то же к подшипникам и шлицевому валу водяного насоса; Ж — то же к шестерням привода насосов; 3 — центральный канал для подвода масла к узлам движения- и — полость для слива масла из подшипников турбокомпрессора; к — канал для подвода масла к подшипникам турбокомпрессора; л — каналы для подвода масла к осям рычагов и гидротолкателям крышек цилиндров; м — канал для подвода масла к толкателям топливных насосов; Я — то же к подшипникам распределительного вала; о — канал для слива масла из поршней'- л _ канал в шатуне; Р — канал для подвода масла к коренным подшивникам; С — то же к подшипникам вентилятора; т — полость для слива масла из подшипников вентилятора; У, Ф, ч ш — каналы для подвода масла к подшипникам и шестерням привода распределительного вала- x — масляный канал в лотке; ц — полость коленчатого вала для подвода масла к десятому коренному подшипнику; Щ — канал для подвода масла из лотка распределительного .вала к приводу распределительного вала; Э — канал для слива масла из верхней части крышки цилиндров в картер дизеля; Ю — полость для смазывания поршневого пальца; Я — канап коленчатого
Охладитель масла (рис. 31) установлен на раме с левой стороны дизеля и предназначен для охлаждения масла, циркулирующего в системе дизеля. Охладитель состоит из корпусов 2 и 22, передней II та задней 1 крышек, охлаждающей секции 10 и кронштейнов 8 и 15. Перегородка 5 крышки // разделяет водяную полость охладителя пополам. Охлаждающая секция 10 состоит из передней 3 и задней 16 трубных досок, в отверстиях которых закреплены оребренные трубки 6 с сегментными перегородками 13, создающими поперечное омы вам ие маслом трубного пучка, что способствует лучшим условиям теплообмена. Заііілшкі плин > »■ 1.1 уменьшают зазоры между корпусом и трубным пучком и тем самым сокращают переток неохлажденного масла. Стык сегментных перегородок и корпуса уплотняется резиновым шнуром 14.
Вода в охладитель масла поступает по патрубку Г передней крышки, проходит по трубкам 6 одной половины секции, а затем по трубкам другой половины секции и выходит из патрубка Д.
Масло в охладитель идет по трубопроводу, расположенному в раме, через отверстие в кронштейне /5, проходит в междутрубном пространстве и выходит через отверстие в кронштейне 8.
Водяная система (рис. 32) двухконтурная, закрытая с избыточным давлением. Через горячий контур отводится тепло от деталей дизеля, а через холодный — от наддувочного воздуха и масла. Вода горячего контура из холодильной камеры тепловоза попадает во всасывающую полость водяного насоса 18 горячего контура и далее через коллекторы правого и левого рядов блока — на охлаждение втулок и крышек цилиндров и среднего корпуса турбокомпрессора. Из крышек цилиндров она поступает йа охлаждение выпускных коллекторов, газовыпускных труб и корпуса турбины. Из выпускного и среднего корпусов турбины и левой газовыпускной трубы вода отводится в холодильную камеру тепловоза. Вода холодного контура из холодильной камеры подается к охладителю масла и далее к охладителю наддувочного воздуха, откуда попадает во всасывающую полость водяного насоса / холодного контура и нагнетается в секции холодильной камеры тепловоза.
Насосы 1 и 18 имеют одинаковую конструкцию. Оба они нереверсивные, центробежные, установлены на приводе насосов и соединены шлицами. Номинальная подача 80 м3/ч при давлении нагнетания 0,345 МПа (3,5 кгс/см2).
Система вентиляции картера создает разрежение в картере дизеля путем отсоса газов турбокомпрессором. Разрежение предотвращает вытекание масла и просачивание газов через зазоры у валов, выходящих наружу, а также через неплотности в соединениях.
Рис. 31. Охладитель масла:
/, // — крышки; 2, 22 — корпуса; 3, 16 — трубные доски; 4, 7, 23 — вентили; 5, 13 — перегородки; 6 — охлаждающие трубки; *, 15 — кронштейны; 9, 21 — заполнители; 10 — охлаждающая секция; 12 — труба; 14 — шнур; 17 — шпилька; 18, 19 — уплотнительное и' промежуточное кольца; 20 — штифт; 24'— прокладка; Г, Д — патрубки;^Ж — отверстие
Система вентиляции состоит из трубопроводов, маслоотдели-тельного бачка, управляемой заслонки и дифференциального манометра. Газы отсасываются из картера и лотка по трубам через мае лоотделительный бачок, а затем поступают по трубе во всасываю щую полость турбокомпрессора.
Рис. 32. Внутренняя водяная система дизеля: /, 18 — водяные насосы холодного и горячего контуров; 2, 17 — трубы для подвода воды к водяным насосам; 3 — патрубки для подвода воды к водяным коллекторам блока цилиндров; 4 — коллектор для воды (расположен по правой и левой сторонам блока цилиндров); 5 — патрубок охладителе наддувочного воздуха; б — выпускной коллектор; 7, 13 — трубы для подвода воды к турбокомпрессору от правого и левого выпускных коллекторов; 8 — канал для подвода воды к среднему корпусу турбокомпрессора; 9, 12 — трубы для перетока воды и отвода пара из правого и левого коллекторов; 10 — труба для отвода воды из среднего корпуса турбокомпрессора; // — труба для отвода пара из среднего корпуса турбокомпрессора; 14 — труба для отвода пара из охладителя наддувочного воздуха; 15 — охладитель наддувочного воздуха; 16 — труба для перетока воды из выпускного коллектора в водяной коллектор; А — полость для отвода воды из дизеля (горячий контур); В — полость для отвода воды из дизеля и охладителя наддувочного воздуха (холодный контур); В — полость для перетока воды из крышки цилиндра к выпускному коллектору; Г — полость для подвода воды, охлаждающей крышку цилиндра; Д •— каналы и полость для подвода воды, охлаждающей втулку цилиндра
Управляемая заслонка (рис. 33) обеспечивает разрежение в картере дизеля в заданных пределах. При повышении частоты вращения коленчатого вала дизеля и, следовательно, увеличении давления-воды, воздействующей на мембрану 3, заслонка 17 поворачивается против часовой стрелки, уменьшая проходное сечение трубы, а при уменьшении частоты вращения заслонка поворачивается по часовой стрелке и увеличивает проходное сечение. Это позволяет поддерживать необходимый диапазон
Измерительным элементом узла является мембрана 3, к которой через отверстие в кране 6 и полость Г корпуса 2 под давлением подводится вода из водяной системы дизеля. К мембране прикреплен шток 5, в который упирается тяга 9. В тягу 9 ввернута тяга 10, связанная шарнирным соединением с рычагом 11, закрепленным на валике 14- Пружина 28 связывает рычаг 11 с корпусом 1. Перемещение мембраны 3 передается заслонке 17, закрепленной в прорези валика 14. Начало поворота заслонки зависит от натяжения пружины 28, а натяжение изменяется вворачиванием (выворачиванием) втулки 30 в корпус 1. Угол поворота заслонки зависит от плеча пружины относительно оси валика. Длина плеча изменяется вращением ролика 24 на шкильке. 25. На угол установки заслонки влияет общая длина тяг 9 и 10.
Система защиты дизеля от превышения коленчатым валом предельно допустимой частоты вращения состоит из предельного выключателя и воздушной захлопки.
Предельный выключатель (рис. 34) останавливает дизель-генератор путем перестановки реек топливных насосов в положение нулевой подачи топлива и подачи гидравлического импульса на закрытие воздушной заслонки при частоте вращения коленчатого вала выше 18,66—19,33 с"1 (1120—1160 об/мин).
Предельный выключатель астатического типа установлен на приводе распределительного вала дизеля. В корпусе 29 предельного выключателя размещены следующие узлы: автомат выключения, состоящий из корпуса 17, стакана 16, втулки 18, пружин 14 и 15, вала 49, шестерни 33, кулачка 50 и рукоятки 48; выключатель, состоящий из штока 44, пружины 39, крышки 42 и кнопки 41; чувствительный элемент, состоящий из груза 30, упора 3, пружины 9, крышки 27, регулировочных прокладок 28.
Вал 31 вращается в роликовых подшипниках 6, установленных в обойме 10, зафиксированной штифтом 11 в крышке 22. Груз с пружиной 9 и крышкой 27 установлен на валу 31 и вращается вместе с валом, который приводится во вращение через шлицевый вал 8 от шестерни в приводе распределительного вала. На валу 25 в плоскости вращения груза установлен рычаг 20, одно плечо которого под действием пружины 37 входит в зацепление со стаканом 16, связанным с механизмом управления топливными насосами. При превышении частотой вращения вала 31 предельно допустимого значения груз под действием центробежных сил, преодолевая
Рис. 34. Предельный выключатель: 1, 13, 32 — прокладки; 2 — болт крепления предельного выключателя; 3, 21 — упоры; 4 — стопорное кольцо; 5 — регулировочное кольцо; 6 — роликовый подшипник; 7 — шлицевая втулка-Я — шлицевый вал; 9, 14, 15, 37, 39 — пружины; 10 — обойма; — штифт; 12, 25 26 31 49 — валы; 16 — стакан; 17, 29 — корпуса; 18 — втулка; 19, 23 — шпильки; 20 — рычаг; 22, 27, 42 — крышки; 24 — шайба; 28 — регулировочная прокладка; 30 — груз; 33 — шестерня'; 34 — электропневматический вентиль; 35 — угольник; 36 — труба для подвода воздуха; 38 — плита; 40 — уплотнительное кольцо; 41 •- кнопка; 43 — штуцер; 44 — шток с поршнем'; 45 — замочная пластина; 46 — болт; 47 — шплинт; 48 — рукоятка; 50 — кулачок; Е, Ж — отверстия; И — окно; К — полость; Л — канавка
усилие пружины 9, перемещается в радиальном направлении и нажимает на рычаг 20, выводя его из зацепления со стаканом. Стакан под действием пружин 14 и 15 резко поднимается вверх и, воздействуя на механизм управления топливными насосами, устанавливает рейки насосов в положение нулевой подачи топлива. Одновременно с этим канавка Л на стакане сообщает полость трубы подвода масла от аккумулятора с полостью сервомотора механизма воздушной захлопки; от аккумулятора подается гидравлический импульс на мембранный пакет сервомотора, и воздушная захлопка срабатывает.
В аварийных случаях при нажатии на пульте в кабине машиниста кнопки остановки электропневматический вентиль 34 сообщает по трубе 36 полость перед поршнем штока 44 с воздушной системой управления. В результате шток перемещается и нажимает на рычаг 20, выводя его из зацепления со стаканом 16, что приводит к выключению подачи топлива в цилиндры дизеля. При ручной остановке дизеля предельным выключателем необходимо нажать на кнопку 41, что также вызовет перемещение штока 44. Для приведения предельного выключателя в рабочее состояние служит рукояткг 48.
Воздушная захлопка (рис. 35) перекрывает путь наддувочному воздуху из турбокомпрессора к цилиндрам дизеля при поступлении на механизм воздушной заслонки импульса давления масла в результате срабатывания предельного выключателя. Механизм воздушной захлопки смонтирован на улитке турбокомпрессора и состоит из следующих основных узлов: рукоятки 36, сервомотора 34, поршня 44 со штоком 50, крышки 49 с заслонкой 54 и проставка 4.
Работа захлопки происходит следующим образом. Масло из патрубка 4 (рис. 36), куда оно постоянно поступает от фильтра масла грубой очистки, по трубе 6 подводится к дросселю 11, проходит через него и заполняет мембранную полость сервомотора 14, вытесняя воздух. Далее по трубе 16 через угольник 19 и отверстие Г стакана 20 масло подается в полость Е предельного выключателя, откуда сливается в привод распределительного вала.
Одновременно с поступлением в трубу 6 масло подается в трубу 31, проходит через редукционный клапан 30, заполняет аккумулятор 27 и попадает в канавку Д предельного выключателя, разобщенную с отверстием Г.
Рис. 35. Воздушная захлопка: ; — сухарь;. 2, 14, 41, 47, 55 — пружины; 3, 11, 19, 21 — кольца; 4 — проставок; 5, 20, 35, 39, 42, 52 — оси; 6 — серьга; 7 — серповидный рычаг; 5 — пробка; 9 — дроссель; 10 — втулка; 12 — диафрагма; 13 — угольник; 15 — стопор; 16 — шайба; 17 — гайка; 18, 24 — штифты; 22 — мембраны; 23, 25, 50 — штоки; 26 — кнопка; 27 — шток; 28 — шплинт; 29 — накладка; 30, 49 — крышки; 31 — плита; 32л~~ стойка; 33 — проволока; 34 — корпус сервомотора; 36 — рукоятка; 37 — защелка; 38, 48 — прокладки; 40 — ролик; 43 — проушина; 44 — поршень; 45 — проставочная втулка; 46 — корпус; 51 — вилка; 53 — сопло; 54 — заслонка; Ж — поверхность; И, М — полости; П, Р — упоры; С — отверстие
Рис. 36. Схема работы воздушной захлопки: 1 — кольцо; 2 — проставок; 3, 12, 21 — пружины; 4 — патрубок; 5 — серповидный рычаг; 6, 16, 26, 28, 31 — трубы; 7 — серьга; с? — кнопка; 9 — поршень; 10 — защелка; 11 — дроссель; 13 — шток; 14 — сервомотор; 15 — заслонка; 17 — улитка турбокомпрессора; 18, 19 — уголь-пики; 20 — стакан; 22, 25 — корпуса; 23 — рычаг; 24 — груз; 27 — аккумулятор; 29 — штуцер для измерения давления масла; 30 — редукционный клапан; А, Е — полости; Б — торец; В, Г — отверстия; Д — канавка
При превышении максимально допустимой частоты вращения коленчатого вала дизеля груз 24 под действием центробежной силы воздействует на рычаг 23 и выводит его из зацепления со стаканом 20. Стакан под действием пружины 21 перемещается вверх, передвигает рейки топливных насосов на нулевую подачу топлива и соединяет канавку Д с отверстием Г, тем самым сообщая аккумулятор с полостью А сервомотора воздушной захлопки. Одновременно перекрывается слив масла из отверстия Г в полость Е.
Из-за наличия сжатого воздуха в аккумуляторе происходит резкое возрастание давления в правой ветви трубопровода, что приводит к сильному воздействию масла на мембранный пакет, гайка которого нажимает на защелку, освобождая поршень 9. Под действием пружины 12 поршень резко перемещается вверх, связанный с ним шток 13 поднимается до упора в торец Б и через вилку, серьгу и серповидный рычаг воздействует на захлопку, опуская ее на проставок. Таким образом происходит перекрытие прохода нагнетаемого турбокомпрессором наддувочного воздуха из улитки к цилиндрам дизеля. Через открывшееся отверстие В воздух выходит из улитки турбокомпрессора- наружу.
От одновременного прекращения подачи в цилиндры топлива и воздуха дизель снижает частоту вращения вала и останавливается. Исключен "разнос" дизеля при переходе от работы на топливе к работе на масле.
На дизель-генераторах 1А-9ДГ воздушной захлопки нет.










