III.5. Воздухопровод приборов управления
и обслуживания
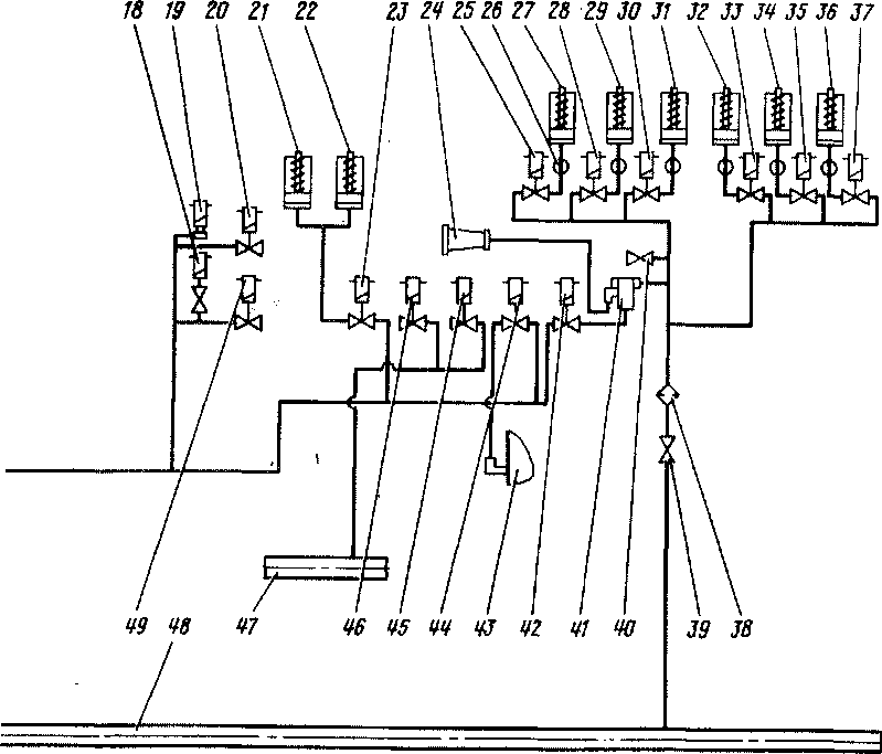
Воздухопровод приборов управления (рис. 53) питает сжатым воздухом элсктропневматические аппараты и пневматические устройства тепловоза. Воздух поступает из питательной магистрали воздухопровода тормозной системы со стороны кабины машиниста тепловоза через разобщительный кран 60, а со стороны холодильной камеры — через кран 39 и очищается в фильтрах 58 и 38. После фильтра 58 воздух подводится к клапану максимального давления 56, отрегулированному на давление 0,55—0,6 МПа (5,5— 6,0 кгс/см2), одновременно через кран 57 он подходит к распределительным коробкам клапанов 7 и 8 тифона 6 и свистка 9, а также к воздухораспределителю 55. Через кран 1 воздух из питательной магистрали подводится к запорно-регулировочным кранам 3 и 5 стеклоочистителей. Клапаны тифона и свистка установлены на боковых стенках кабины машиниста, запорно-регулировочные клапаны стеклоочистителей — перед лобовыми стеклами рядом с пневматическими приводами стеклоочистителей. При нажатии машинистом или помощником машиниста рукоятки клапана тифона и свистка вперед или назад воздух поступает соответственно к тифону 6 или к свистку 9. После этого при наличии достаточного давления воздуха в питательной магистрали тифон издает громкий сигнал низкой частоты, а свисток — высокой частоты.
После клапана максимального давления 56 воздух подводится к ряду электропневматических вентилей. Правильность регулировки клапана максимального давления контролируют по манометру 10. Катушка электропневматического вентиля 54 получает питание при нажатии кнопки аварийной остановки тепловоза. При этом одновременно включается электропневматический вентиль 49 предельного выключателя дизель-генератора и в зависимости от положения реверсора получают питание катушки одного из электропневматических вентилей песочниц передней тележки и одного из вентилей песочниц задней тележки. При включении электропневматического вентиля 54 открывается доступ воздуху к воздухораспределителю 55. Под давлением воздуха, поступающего от электропневматического вентиля 54, клапан воздухораспределителя отжимается и воздух, из питательной магистрали через кран 60, фильтр 58, кран 57, воздухораспределитель 55 устремляется к ти-фону 6. В результате одновременно с остановкой дизель-генератора, подачей песка под колесные пары, экстренным торможением происходит подача звукового сигнала тифоном.
Рис. 53. Схема воздухопро-
/, 39, 40, 51, 57, 59, 60 — краны; 2, 4 — стеклоочистители; 3, 5 — запорно-регулировочные 13 — групповые контакторы; 12, 14 — электропневматические вентили переключателя направ-вентилятора кузова; 17 — электропневматический вентиль привода шибера; 18 — электропнев-ка) привода тахометра дизеля; 20 — электропневматический вентиль пускового сервомотора; ский вентиль привода колес воздухоочистителей; 25, 30, 33, 37 — электропневматические вен-них жалюзи; 28, 35 —■ электропневматические вентили привода боковых жалюзи; 29, 34 — ли; 42 — электропневматический вентиль тнфона вызова помощника машиниста; 43 — тормоз-электропневматические вентили песочниц задней тележки; 47 — воздухопровод песочной сис-дельным выключателем дизеля; 50 — резервуар; 52, 53 — электропневматические вентили пемального давления; 61 — бак установки обмыва лобовых стекол
Каждый из электропневматических вентилей 12 и 14 реверсора включается после установки реверсивной рукоятки в одно из рабочих положений при условии включения остальных электрических аппаратов в цепи катушек электропневматических вентилей. Электропневматические вентили групповых контакторов 11 и 13 ослабления возбуждения включаются при включении реле перехода во время движения тепловоза с тяговой нагрузкой. Электропневматические вентили поездных контакторов 15 включаются при переводе тепловоза, в тяговый режим. Для более четкого срабатывания поездных контакторов и сглаживания колебаний давления воздуха в трубопроводе приборов управления и питательной магистрали при их включении установлен резервуар 50.
вода приборов управления:
краны; 6, 24 — тифоны; 7, 8 — клапаны тифона и свистка; 9 — свисток; 10 — манометр; / /, ления движения (реверсора); 15 — поездной контактор; 16 — пневмоцилиндр привода шибера матический вентиль выключателя восьми топливных насосов дизеля; 19 — выключатель (кноп-21, 22 — пневмоцнлиндры привода колес воздухоочистителей дизеля; 23 — электропневматиче-тили привода верхних жалюзи; 26 — дроссель; 27, 31, 32, 36 — пневмоцнлиндры привода верх-пневмоцилиндры привода боковых жалюзи; 38, 58 — фильтры; 41, 55 — воздухораспределите-ной компрессор; І4 — электропневматический вентиль облегчения пуска компрессора; 45, 46 — темы; 48 — питательная магистраль; 49 — электропневматический вентиль управления пре-сочниц передней тележки; 54 — электропневматический вентиль тифона; 56 — клапан макси-кол кабины машиниста; 62 — клапан подачи воздуха в бак 61
Электропневматические вентили 52 и 53 песочниц передней тележки и вентили 45 и 46 песочниц задней тележки включаются при нажатии педали песочницы. Подача песка только под первую колесную пару происходит при нажатии кнопки подачи песка. Электропневматический вентиль 17 включается одновременно с электродвигателем вентилятора кузова при включении автоматического выключателя вентилятора кузова и перепускает воздух в полость над поршнем пневматического цилиндра 16, установленного в крышке вентилятора кузова. Поршень, опускаясь вниз, давит на плиту обечайки, и обечайка, опустившись, открывает путь воздуху, выбрасываемому вентилятором из кузова в атмосферу. При выключении автоматического выключателя вентилятора электропневматический вентиль 17 разобщает цилиндр 16 с воздухопроводом управления, воздух из цилиндра через вентиль уходит в атмосферу, и обечайка вентилятора под действием четырех пружин возвращается в исходное положение. Нажатием на кнопки 19 включают привод тахометра дизель-генератора. После отпуска кнопки привод тахометра отключается. Электропневматический вентиль 20 включается при пуске дизель-генератора, открывая доступ воздуху в ускоритель пуска, который, создавая давление в масляной системе регулятора дизель-генератора, устанавливает рейки топливных насосов в положение увеличенной подачи топлива. Электропневматический вентиль 18 отключает половину топливных насосов дизеля при работе дизель-генератора на нулевой позиции контроллера машиниста и без нагрузки на первой позиции. Электропневматический вентиль 42 включается нажатием кнопки вызова помощника машиниста. После включения этого вентиля воздух поступает к воздухораспределителю 41, который, сработав, открывает доступ' воздуху из питательной магистрали через кран 39, фильтр 38, воздухораспределитель 41 к тифону 24.
Электропневматические вентили верхних и боковых жалюзи включаются как вручную, так и автоматически. Если тумблер управления холодильником установлен в положение автоматического управления, при повышении температуры охлаждающей жидкости дизеля датчик-реле температуры охлаждающей жидкости замыкает сначала цепь питания катушки электропневматического вентиля правых боковых жалюзи; в случае дальнейшего повышения температуры охлаждающей жидкости включаются правый передний мотор-вентилятор и электропневматический вентиль его верхних жалюзи, а затем правый задний мотор-вентилятор и вентиль его верхних жалюзи. При повышении температуры масла дизеля датчик-реле температуры масла последовательно включает электропневматические вентили жалюзи левых боковых, левых верхних задних и левых верхних передних, а также соответствующие мотор-вентиляторы. На некоторых тепловозах порядок включения мотор-вентиляторов и открытия верхних жалюзи может быть несколько иным. Если тумблер управления холодильником установлен в положение ручного управления, включение электропневматических вентилей боковых и верхних жалюзи происходит одновременно с включением мотор-вентиляторов холодильной камеры их тумблерами. Электропневматические вентили, включившись, перепускают воздух из. питательной магистрали в пневматические цилиндры привода жалюзи. Шток цилиндра, воздействуя на рычажную систему привода жалюзи, открывает их. При отключении электропневматических вентилей привода жалюзи полости цилиндров сообщаются с атмосферой, и под действием возвращающих пружин цилиндров жалюзи закрываются.
Электропневматический вентиль 44 включается в момент начала пуска тормозного компрессора и перепускает воздух из воздухопровода приборов управления в разгрузочное устройство тормозного компрессора. В результате цилиндры компрессора сообщаются с атмосферой, что обеспечивает его пуск без противодавления и перегрузки электродвигателя. При увеличении частоты вращения якоря электродвигателя компрессора до номинальной вентиль выключает разгрузочное устройство, переводя компрессор в нагрузочный режим.
Катушка электропневматического вентиля 23 получает питание одновременно с пуском тормозного компрессора. При включении этого/вентиля воздух поступает из напорной трубы тормозного компрессора в цилиндр механизма привода колеса воздухоочистителя дизеля, и колесо поворачивается. После отключения компрессора воздух из напорной трубы и цилиндра механизма привода выходит в атмосферу через вентиль, и шток привода колеса воздухоочистителя под действием пружины цилиндра возвращается в исходное положение.
В районе аппаратных камер и холодильной камеры тепловоза предусмотрены патрубки с кранами соответственно 51 и 40, к которым подсоединяются шланги для обдува электрических машин, аппаратов и секций радиатора.
Воздух, поступающий к электропневматическим аппаратам и пневматическим устройствам, очищается в фильтрах 38 и 58. Фильтр состоит из корпуса, сеток, набивки и крышки. Для присоединения трубопроводов в корпусе и крышке предусмотрены резьбовые отверстия с трубной резьбой.
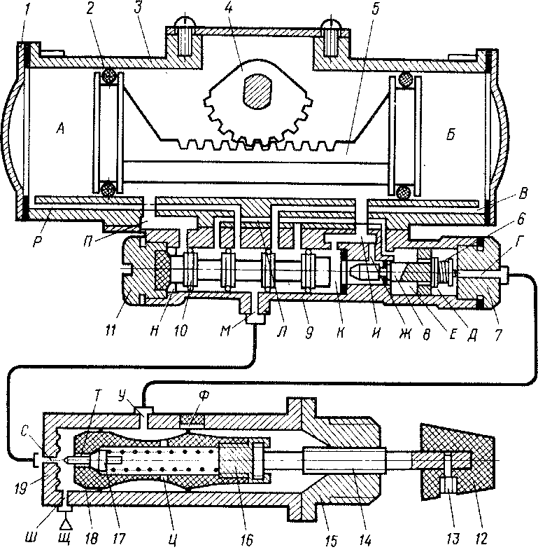
Клапан максимального давления (рис. 54) поддерживает давление воздуха 0,55—0,60 МПа (5,5—6,0 кгс/см2) в воздухопроводе ко всем аппаратам, кроме электропневматических вентилей привода жалюзи, тифонов, свистка и стеклоочистителей. Основными частями клапана являются корпус 11, стакан 5, ввернутый в корпус (между стаканом и корпусом имеется прокладка 7), клапан 8, прижатый к седлу 9 пружиной 10, поршень 6, уплотненный резиновой манжетой, пружина 4 и регулировочный винт 3 с зажимной крышкой 2.
В исходном состоянии поршень 6 прижимает клапан 8 к крышке упора 12, т. е. клапан 8 отжат от седла 9, и полость В сообщается с каналом Г. Воздух под давлением из полости В, пройдя канал Г, попадает в полость над поршнем 6. Когда давление воздуха над поршнем превысит значение, на которое отрегулирован поршень, он переместится вниз, преодолев усилие предварительной затяжки пружины 4. Одновременно под действием пружины 10 клапан 8 сядет на свое седло и прекратит доступ воздуху из полости В в полость Б. При понижении давления воздуха в полости Б вследствие использования его для нужд управления давление в полости над поршнем 6 уменьшится. Когда усилие, создаваемое этим давлением на поршень, станет меньше усилия пружин 4 и 10, поршень переместится вверх, отожмет клапан от седла и сообщит полости В и Б, т. е. возвратится в исходное положение. Резьбовую поверхность крышки упора 12 покрывают графитной смазкой. Трущиеся поверхности клапана смазывают пластичной смазкой.
Давление воздуха регулируют винтом 3. При вворачивании его в стакан 5 давление в трубопроводе после клапана повышается. После регулировки на винт наворачивают зажимную крышку 2 и ставят пломбу. Центрирующая шайба 1 предотвращает перекос и заедание пружины 4 при вворачивании или отворачивании винта 3. Отверстие А сообщает полость под поршнем с атмосферой и служит для контроля исправности уплотнения поршня, а также для выпуска воздуха, проникшего через это уплотнение. При засорении отверстия А в полости под поршнем создается повышенное давление и регулировка клапана нарушается.
Клапан тифона и свистка служит для перепуска воздуха к тифону или свистку. Он присоединен к распределительной коробке на боковой стенке кабины (для машиниста — справа, а для его помощника — слева). Один канал клапана соединен с трубопроводом подвода воздуха, а два других — с трубопроводами отвода воздуха соответственно к тифону и свистку. При нажатии на рукоятку клапана вперед или назад воздух под давлением поступает к тифону или свистку. Когда нажатие прекращается, прекращается и подача воздуха к тифону или свистку.
Рис. 54. Клапан максимального давления:
1 — центрируюишя шайба; 2 — зажимная крышка; 3 — регулировочный винт; 4 — пружина; 5 — стакан; 6 — поршень; 7 — прокладка; 8 — клапан; 9 — седло; > 10 — пружина клапана; 11 — корпус; 12 — крышка упора; А — отверстие; Б, В — полости; Г — канал
Клапан установки обмыва лобовых стекол кабины машиниста имеет аналогичное устройство с клапаном тифона и свистка. При нажатии на его рукоятку воздух поступает в бачок установки и вытесняет воду к соплам, которые разбрызгивают ее в районе работы щеток стеклоочистителей.
Свисток предназначен для подачи звукового сигнала малой громкости. Он имеет фиксированную тональность и не подлежит регулировке.
Тифон служит для подачи громкого звукового сигнала низкой тональности. Для вызова помощника машиниста из машинного отделения используется специальный тифон, расположенный внутри кузова тепловоза. Тифон состоит из корпуса, мембраны, защемленной по периметру крышкой. Центральная часть мембраны прижимается к трубе пружиной, сила нажатия которой регулируется штуцером. При поступлении воздуха из питательной магистрали под давлением 0,6—0,9 МПа (6—9 кгс/см2) через воздухораспределитель мембрана отжимается от трубы, и воздух устремляется через трубу в атмосферу. При этом возникают колебания мембраны, порождающие звук, громкость и тональность которого зависят от степени затяжки пружины.
Стеклоочистители служат для очистки лобовых стекол кабины машиниста при неблагоприятных метеорологических условиях. Перед включением стеклоочистителя стекло должно быть предварительно очищено от сухой грязи, инея, льда, нефтепродуктов и т. п. Для включения в работу стеклоочистителей в кабине машиниста на полке перед лобовыми стеклами установлено два запорно-регу-лировочных золотниковых крана, позволяющих устанавливать минимальную (не более 30 двойных ходов в минуту) и максимальную (не менее 55 двойных ходов в минуту) скорости перемещения щеток. При закрытии запорно-регулировочного крана щетка стеклоочистителя должна автоматически отводиться в правое крайнее положение.
Пневматический привод стеклоочистителя (рис. 55) имеет корпус 3, в котором перемещается зубчатая рейка 5 с уплотнениями 2 на цилиндрических поверхностях торцов. Через зубчатый сектор 4 и ось рейка приводит в движение щетку стеклоочистителя. К корпусу стеклоочистителя крепится корпус распределительного механизма 9, внутри которого находятся золотник 10 и поршень 8 автоматической укладки щетки в крайнее стационарное положение. За-порно-регулировочный кран состоит из корпуса 19, закрытого крышкой 75, золотника 18 с подпружиненным клапаном 17 и регулировочного винта 14 с маховиком 12, вращение которого приводит к перемещению золотника. В начальный момент перемещения золотника 18 вправо на открытие клапан 17 находится в отжатом положении, и воздух из питательной магистрали по каналам Ш, Т, Ц, У и Г поступает в полость Д и перемещает поршень 8 влево. В свою очередь поршень передвигает золотник 10 в крайнее левое положение, если он в нем не находился.
Рис. 55. Схема привода стеклоочистителя:
1, 15 — крышки; 2 — уплотнение; 3 -~ корпус стеклоочистителя; 4 — сектор; 5 —- зубчатая рейка; 6, 17 — клапаны; 7, // — пробки; 8 — поршень; 9 — корпус распределительного механизма; 10, 18 — золотники; 12 —■ маховик; 13 — стопорный винт; 14 — регулировочный винт; 16 —~ болт; 19 — корпус запорно-регулировочного крана; Л, Б, Д, Е, К, Н — полости; В, Г, Ж, И, Л, М, П, Р, С, Т, У, Ф, Ц, Ш — каналы; Щ — подвод воздуха от питательной магистрали
При дальнейшем перемещении золотника 18 вправо клапан 17 под действием пружины садится на седло и разобщает полость Д < питательной магистралью, а уплотнительный поясок золотника П открывает сообщение полости Д с атмосферой через канал Ф. Передвижение золотника 18 изменяет длину щелевого канала Ф и соответственно расход выходящего в атмосферу воздуха, что в конечном итоге приводит к изменению скорости перемещения щетки Стержень клапана 17 открывает канал С, и воздух из питательно! магистрали через каналы Ш, С, М и Р поступает в полость А. По; давлением воздуха зубчатая рейка 5, если она находилась в лево* или промежуточном положении, перемещается вправо, поворачивая сектор 4 и через его ось щетку стеклоочистителя. При перемещении рейки 5 вправо воздух, вытесняемый из полости Б, по каналам В и Л поступает в полость Е, передвигает поршень 8 вправо, проходит через отверстие в поршне, отжимает подпружиненный клапан 6 и по каналам Г, У и Ф выходит в атмосферу.
Когда зубчатая рейка 5, перемещаясь вправо, уплотнением 2 откроет канал Я, воздух из полости А поступит в полость Я золотника 10 и переместит его вправо. При этом воздух из полости К через канал И вытеснится в атмосферу. Переместившись, золотник 10 соединит канал М с каналом В, а Р — с Л. Воздух по каналам М и В начнет поступать в полость Б, а из полости А через каналы Р и Л, полость Е, каналы в клапане 6, Г и Ф будет выходить в атмосферу. Это вызывает перемещение влево зубчатой рейки, уплотнение которой откроет выход воздуху из полости Б и канал И, разобщив последний с атмосферой. Воздух из полости Б поступит в полость К и передвинет золотник 10 влево. При этом воздух из полости Я вытеснится в атмосферу через канал Я. Далее цикл работы стеклоочистителя повторится.
При вращении маховика запорно-регулировочного крана на закрытие золотник 18 перемещается влево, блокируя выход воздуха через канал Ф, стержень клапана 17 перекрывает канал С и, упершись в торец корпуса 19, отжимает клапан от посадочной поверхности, открывая доступ воздуху (из питательной магистрали) по каналам Г, Я и У в канал Г и полость Д. Это вызывает перемещение влево поршня 8, который передвигает влево золотник и соединяет полость Е через каналы Ж и Я с атмосферой. Воздух из полости Б, связанной каналами В и Л с полостью Е, уходит в атмосферу. Под действием остаточного давления в полости 'А и каналах, соединенных с ней, зубчатая рейка передвигается вправо до упора. При дальнейшем вращении маховика крана торец золотника упирается в кольцевые выступы корпуса крана и перекрывает окончательно доступ воздуха к стеклоочистителю.










