РАБОТА ЭЛЕКТРИЧЕСКОЙ СХЕМЫ ПРИ ПУСКЕ дизеля
дизель пускается при помощи стартер-генератора С—Г, работающего во время пуска в режиме электродвигателя с последовательным возбуждением от аккумуляторной батареи. Для подготовки питания цепей автоматического пуска дизеля необходимо включить на левой высоковольтной камере разъединитель аккумуляторной батареи ВБ, а на правой высоковольтной камере— автоматические выключатели: А1 «Возбудитель», А2 «Топливный насос», АЗ «дизель» и А6 «Управление холодильником» (для контроля за показаниями приборов). При этом электрическая схема и вышеуказанные автоматы получают питание от аккумуляторной батареи по следующим цепям (рис. 10): плюс аккумуляторной батареи, провод 950, разъединитель ВБ, провода 952, 969, резистор разряда батареи СЗБ, провод 971, шунт амперметра заряда батареи ШЗБ, провод 1232 на сборную «плюсовую» клемму 18/4 и к автоматам А1, А2, АЗ, А4 и А6;

Рис. 10. Схема питания электроцепей от аккумуляторной батареи при пуске
минус аккумуляторной батареи, провод 951, разъединитель ВБ, провод 1089 и далее на сборную «минусовую» клемму 31/6 и штепсельные разъемы (ШР) ЗМ, провод 1097, 2М, провода 1096, 1099 и 1М, провода 1294, 1298, 1299, 1285. Непосредственно с «минусом» разъединителя ВБ соединены стартер-генератор С—Г, провод 953, клемма ЯЯ и электродвигатель компрессора К, провод 970, клемма КК
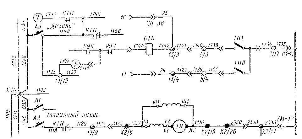
На пульте управления машиниста необходимо включить автомат А У «Управление общее», вставить и повернуть вниз до упора рукоятку блокировки тормоза 367 (для замыкания контактов блокировки БУ), вставить рукоятку реверсивного механизма контроллера и установить ее в одно из рабочих положений «Вперед» или «Назад», а затем включить тумблер ТН1 «Топливный насос» (рис. 11).
Катушка контактора КТН, получив питание, включает контактор КТН по цепи: автомат A3 «дизель», провод //2с?, клемма 17/19, провод 1745, размыкающий контакт реле РУ7, провод 1744, катушка контактора КТН, провода 1742, 1741, 1740, 1739, тумблер ТН1, провода 1734, 1737, минус ШР 1М—17.
Электродвигатель ТН «Топливный насос» включается замыкающим главным контактом контактора КТН и питается по цепи: автомат А2 «Топливный насос», провод 1118, замыкающий главный контакт контактора КТН, провода 1120, 1121, 1122, 1217, электродвигатель ТН, а далее по проводу 1216 на общий «минус» к клеммам Х2/19—20 и ШР 2М—17, по проводам 2360, 2370, 2330.
Последующие операции пуска дизель-генератора выполняются автоматически; для этого достаточно кратковременно нажать на кнопку IIД1 «Пуск дизеля» (рис. 12). После этого плюс от автомата АУ «Управление общее» через провод 1684, замкнутые контакты блокировки тормоза БУ, провода 1685, 1686, реверсивный механизм контроллера в положении «Вперед» или «Назад», провода 1687, 1696, замкнутый на нулевой позиции контроллера кон-

Рис. 11. Схема включения топливного насоса

Рис. 12. Схема включения блока БЯД и электродвигателя МН
такт /0, провода /699, 1683, замкнутый контакт кнопки ПД1 «Пуск дизеля», провода 1702—1705, размыкающий контакт реле РУ9, провода 1706, 1707, размыкающий с выдержкой времени на размыкание контакт БПД «Блока пуска дизеля», провода 1708, 1709, замкнутый (в отключенном положении тумблера) контакт ОМН «Отключение масляного насоса» и провод 1710 подается на катушку контактора КМН, а минус цепи управления — по проводам 1711, 1712 от ШР 2М—10.
Контактор КМН включается и главными замыкающими контактами подает питание на электродвигатель масляного насоса МН по цепи: разъединитель батареи ВБ, провода 952, 979, замыкающий главный контакт контактора КМН, провод 980, предохранитель ПР5, провода 945, 981, 982, на клеммы С1-Ш1 электродвигателя МН, а с клеммы Д2-Ш2 на минус, клеммы Д/31—32, провода 1164, 1163, 1092 и к ШР 2М—13.
Одновременно вспомогательные контакты контактора КМН: собирают схему замещения питания цепи пуска после отпуска кнопки ПД1, и катушка контактора КМН продолжает питаться от автомата АЗ «дизель» через провода 1123, 1745, размыкающие контакты реле РУ8 и РУ4, провод 1746, замыкающие вспомогательные контакты КТН, провод 1747 и КМН, провод 1750, уравнительный резистор СУ, провод 1748, клемму 13/5, провод 1705 и далее через контакты реле РУ9, БПД и ОМН на катушку контактора КМН по ранее описанной цепи;
включают тяговый электромагнит МР6 объединенного регулятора дизеля (рис. 13), катушка которого питается также от автомата A3 (1148) через второй главный контакт КТН, провода 1156, 1152, замыкающий вспомогательный контакт КМН, провода 1158, 1162, 1160, катушку МР6 и далее на минус к клемме Д/7 и по проводам 1161, 1164, 1163, 1092 к ШР 2М—13.
По этой же цепи от клеммы 11/6 (1153, 1166) через размыкающий контакт реле давления масла РДМ1 (1390, 1391. 1404), размыкающий контакт реле РУ12 (1602, 1403, 1603, 1612) подается питание на сигнальную лампу Л ДМ «Давление масла» на пульте машиниста.
После пуска электродвигателя маслопрокачивающего насоса и повышения давления масла в системе дизеля до 0,2—-0,3 кгс/см2 срабатывает реле давления масла РДМЗ и включает в работу блок пуска дизеля БПД (см. рис. 12). Питание на него подается по ранее описанным цепям замещения пуска и включения контактора КМН через размыкающий контакт реле РУ9 (1706), клемму ///// (1715, 1600), замыкающий контакт реле РДМЗ (1601, 1716, 1717) на контакт / ШР блока БПД и с контакта 2 (1718, 1719) на минус цепи управления к ШР 2М-9.
Блок БПД начинает отсчет времени на прокачку масляной системы дизеля перед пуском. Через 60 с по истечении первой выдержки времени его замыкающие контакты (с выдержкой времени на замыкание) включают пусковые контакторы Д1 и Д2 (см. рис. 13). Катушки контакторов питаются от автомата A3 (1123, 1127), а далее через один замыкающий контакт БПД (1087, 1009, 1008) на катушку контактора Д1. Через второй замыкающий контакт БПД (1128, 1130, 1131), замкнутый контакт

Рис. 13. Схема включения контакторов Д1 и Д2, электромагнита МР6 и вентиля ВП7
блокировки 105 валоповоротного механизма дизеля (1132, 1134, 1144, 1145), замыкающий вспомогательный контакт Д1 (1142) на катушку Д2 и от обеих катушек (1138, 1146, 1147) на минус цепи управления к ШР ЗМ—7. Этим же контактом блока БПД через блокировку 105 и клемму Д/8 подается питание на катушку электропневматического вентиля ВП7 и далее на минус к клемме Д/7 и к ШР 2М-13.
Вентиль ВП7 открывает доступ сжатого воздуха к поршню ускорителя пуска дизеля. Перемещение поршня обеспечивает нагнетание масла в аккумулятор регулятора частоты вращения дизеля. При этом шток сервомотора регулятора, перепускной клапан которого перекрыт включенным ранее электромагнитом МР6, перемещает рейки топливных насосов в положение максимальной подачи топлива, ускоряя пуск дизеля.
Контактор Д1 своим вспомогательным размыкающим контактом в цепи минуса катушки контактора КРН (1173, 1176, 1177, 1065, 1143, 1138, 1146, 1147) делает невозможным включение контактора КРН до конца пуска дизеля, предотвращая этим включение регулятора напряжения РНТ и перевод стартер-генератора С—Г в генераторный режим. Контактор Д2 включает стартер-генератор С—Г (см. рис. 9), соединяя плюс аккумуляторной батареи (950) через разъединитель ВБ (952) и замыкающий главный контакт контактора Д2 (961) с последовательной обмоткой стартер-генератора и далее на минус аккумуляторной батареи, замыкая тем самым силовую цепь пуска. Стартер-генератор, работая в режиме двигателя последовательного возбуждения, начинает вращать вал дизеля.
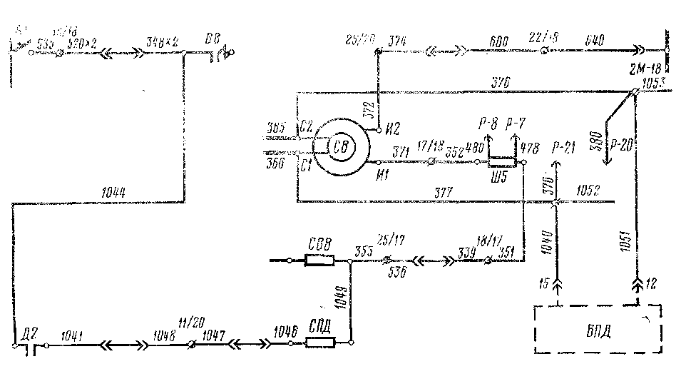
Одновременно (рис. 14) от автомата AI «Возбудитель» по проводам 535, 520, 348, 1044 через замыкающий вспомогательный контакт контактора Д2, провода 1041, 1043, 1047, 1046, резистор

Рис. 14. Схема возбуждения возбудителя при пуске дизеля
СПД, провода 1049, 353, 536, 339, 351, шунт Ш5, провода 352, 371 подается питание на клемму И1 обмотки возбуждения возбудителя СВ и с клеммы И2 по проводам 372, 374, 600 на минус к клемме 22/18 и по проводу 640 к ШР 2М-18.
Со статорной обмотки С1—С2 возбудителя СВ переменное напряжение подается на контакты 15 (377, 1040) и 12 (376, 1051) ШР 'блока БПД.
При нормальном пусковом процессе и начале самостоятельной работы дизеля частота вращения вала резко увеличивается. При этом масляный насос дизеля увеличивает давление масла в системе и при достижении давления 0,6—0,8 кгс/см2 срабатывает реле РДМ4 (рис. 15). Его контакт подает плюс на катушки пусковых реле РУ9 и РУ10 по цепи (аналогичной для МР6 и РДМ1): автомат АЗ, провод 1148, главный контакт контактора КТП, провода 1156, 1153, 1166, замыкающий контакт реле РДМ4, провода 1167, 1168, 1169 на катушки реле РУ9 и РУЮ,
В момент достижения определенной частоты вращения вала дизеля переменное напряжение, поступающее с возбудителя на блок БПД, становится достаточным для открытия тиристора ВУЗ в блоке БПД. Он открывается и подает минус на катушки реле РУ9 и РУЮ (1034, 1035, 1718, 1719) от ШР 2М-9. Реле РУ9 и РУ10 включаются, что свидетельствует о нормальном процессе пуска дизеля. Реле РУ9 после включения разъединяет электрическую схему пуска дизеля:
замыкающим контактом реле РУ9 шунтирует «минусовую» цепь тиристора ВУЗ блока БПД и отсоединяет при дальнейшей работе цепь от катушек реле РУ9 и РУЮ с минусом панели реле;
шунтирует вспомогательный контакт контактора КМН в цепи питания катушки тягового электромагнита МР6, осуществляя ее

Рис. 15. Схема включения реле РУ9 и РУ10, контактора КРН, МР6, СМ и вентиля ВТН
питание от автомата A3 через главный контакт контактора КТН, контакт реле РДМ4 (1167, 1168, 1169), замыкающий контакт реле РУ9 (1159, 1162, 1160) на катушку МР6 и минус клеммы Д/7 и к ШР 2М-13;
размыкающим контактом реле РУ9 (1705, 1706) в цепи катушки контактора КМН и блока БПД отключает контактор КМН и блок БПД (см. рис. 12);
замыкающим контактом реле РУ9 подает плюс от автомата A3, через контакт контактора КТН (1156, 1152, 1170, 1171) на катушку контактора КРН (см. рис. 15) и по этой же цепи (1100, 1112, 1114, 1115) через резистор ССМ (1116 и 1117) включает счетчик моточасов СМ;
включает электропневматический вентиль ВТН, который отключает оба ряда топливных насосов /—4 цилиндров дизеля при работе его на холостом ходу, по цепи: автомат A3, провода 1123, 1745, размыкающие контакты реле РУ8 и РУ5, замыкающий контакт реле РУ9, провода 1667, 1674, 1675, катушка вентиля ВТН, клеммы Д/23, Д/7, провода 1161, 1164, 1163, 1092 на минус к ШР 2М-13.
После отключения блок БПД своими контактами (1127, 1087 и 1127, 1128) одновременно отключает пусковые контакты Д1, Д2 и вентиль ускорителя пуска ВП7 (см. рис. 13).
Контактор КМН отключает своим главным контактом (979, 980) электродвигатель маслопрокачивающего насоса МН. Вспомогательным контактом контактор КМН (1750, 1747) разрывает цепь замещения питания пуска (см. рис. 12), а также (1152, 1158) разрывает цепь питания катушки тягового электромагнита МР6, что делает возможным ее питание только через размыкающий контакт реле давления масла РДМ4 (см. рис. 15).
Контактор Д2 отключает своим главным контактом (952, 961) стартер-генератор от аккумуляторной батареи (см. рис. 10), а вспомогательным контактом (1041, 1044) снимает возбуждение с возбудителя СВ (см. рис. 14). Контактор Д1 размыкающим главным контактом (952, 50) размыкает «плюсовую» цепь параллельно соединенных (при работе двумя секциями) аккумуляторных батарей (см. рис. 10). Вспомогательным контактом контактор Д1 (1085, 1143) вновь замыкает «минусовую» цепь питания катушки контактора КРН, включая контактор КРН по ранее описанной цепи, от автомата A3 через замыкающие контакты контактора КТН и реле РУ9 (см. рис. 15).
Контактор КРН подает питание на независимую обмотку возбуждения «Я-ЯЯ» стартер-генератора (рис. 16) по цепи: автомат A3, главный контакт контактора КТН, провода 1156, 1010, замыкающий главный контакт контактора КРН, провода 1003, 949, 948, 1001, обмотка Я-ЯЯ, провода 1000, 947, 946, 999, через контакт 3 ШР и цепи регулятора напряжения РН, контакты 5 и 4 ШР регулятора РН, провода 997, 998 и на минус цепи управления к ШР 2М-16. Этим же контактом (1002) подключается об-

мотка возбуждения Н-НН стартер-генератора к регулятору напряжения РН через ШР 1.
Стартер-генератор переходит в генераторный режим и совместно с регулятором напряжения обеспечивает питание цепей управления и подзаряд аккумуляторной батареи заданным напряжением ПО В. Питание цепей управления осуществляется по цепи: плюс от клеммы Я стартер-генератора через предохранитель ПР4, диод заряда батареи ДЗБ, по проводам 974, 1232 на клемму 18/4 и далее на автоматы цепей управления.
Давление масла в системе работающего дизеля должно быть Не менее 1,2—1,4 кгс/см2. В противном случае реле давления масла РДМ1 замыкает свой контакт в цепи сигнальной лампы Л ДМ на пульте машиниста и она загорается.
Размыкающий контакт (с выдержкой времени на размыкание) блока БПД (1707, 1708) в цепи катушки контактора КМН контролирует продолжительность вращения вала дизеля стартер-генератором при пуске дизеля (см. рис. 12). Продолжительность выдержек времени ^2 = 2+1 с и ^з=12+1 с устанавливает блок БПД, начиная отсчет времени сразу же после включения контактора Д2,
Если во время пуска не обеспечивается проворот вала дизеля (заклинивание шатунно-поршневой группы, задир, не включена блокировка 105 и др.), электрическая схема разбирается через /'2 = 2+1 с во избежание аварии. Если проворот вала происходит нормально, но не произошло воспламенение горючей смеся в цилиндрах дизеля (попадание воды в топливо, заклинивание плунжерных пар, разрегулировка объединенного регулятора дизеля и др.), электрическая схема разбирается через /3=12+1 с.
В обоих случаях блок пуска дизеля разрывает цепь питания контактора КМН. В свою очередь контактор КМН отключает главным контактом (979, 980) электродвигатель маслопрокачива-ющего насоса МН, а вспомогательным контактом (1750, 1747) цепь замещения пуска и блок БПД. Блок в свою очередь своими контактами (1127, 1128, 1087) отключает контакторы Д1 и Д2, прекращая пуск дизеля, и возвращает схему в исходное состояние перед началом пуска (см. рис. 13).
Размыкающий контакт реле РУ4 (1746) в цепи замещения пуска предотвращает пуск дизеля на позициях контроллера выше нулевой, если после нажатия кнопки ПД контроллер случайно будет переведен на 1-ю и последующие позиции (см. рис. 12). Блокировка 105 (1131, 1132) предотвращает включение контактора Д2 и проворот вала дизеля при опущенном валоповоротном механизме (см. рис. 13).










