7.10. Регулятор напряжения БРН-3В
Регулятор предназначен для поддержания с заданной точностью напряжения вспомогательного генератора в рабочем диапазоне изменения частоты вращения и тока нагрузки якоря.
Регулятор представляет собой блочную конструкцию, заключенную в металлический корпус, основными элементами которой являются:
левая панель, на которой смонтированы силовые элементы (тиристор, дроссели, диоды, конденсаторы):
правая панель, на которой смонтированы элементы измерительного органа;
основание, на котором смонтированы резисторы, переходные разъемы, с помощью которых левая и правая панели соединяются электрически между собой и с остальными элементами схемы регулятора, а также штепсельный разъем, посредством которого регулятор соединяется со схемой тепловоза.
Все силовые полупроводниковые элементы установлены на радиаторах. Для обеспечения естественного конвективного теплообмена элементов регулятора с окружающей средой в кожухе выполнены вентиляционные отверстия. В кожухе регулятора имеется также отверстие, через которое осуществляют корректировку напряжения.
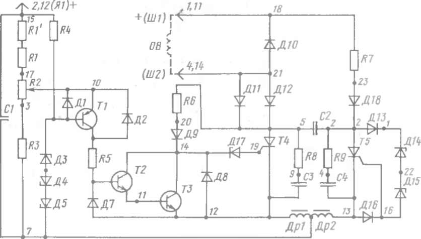
Схема регулятора состоит из двух основных частей: измерительного и регулирующего органов (рис. 82). Измерительный орган состоит из стабилитронов ДЗ—Д5, транзисторов 77—ТЗ, диодов Д1, Д2, Д7, резисторов /?./ Р,3, Р,4, /?5, потенциометра Я2 и конденсатора С1. Измерительный орган собран по мостовой схеме, в которой стабилизированное напряжение на ДЗ сравни вается с напряжением между зажимом генератора Я2 и движком потенциометра Р,2, изменяющимся с изменением напряжения вспомогательного генератора. Стабилитроны Д4, Д5 используются в качестве термокомпенсатора. Потенциометр служит для настройки регулятора на заданное напряжение, диод Д7 — для уменьшения тока утечки транзистора 77, диоды Ц1 и Д2 — для зашиты переходов транзистора 77 от обратных напряжений в моменты коммутации. Конденсатор С1 служит для сглаживания пульсаций напряжения вспомогательного генератора на входе измерительного органа.
Регулирующий орган состоит из двух тиристоров Т4 и 775, диодов Д8, Діб, Д18, резисторов к]6— І-Ї9, стаби іигронов Д14, ДІБ, Д17, дросселей Дрі и Др2 м конденсаторов С2—С4: Нагрузкой регулирующего органа является обмотка возбуждения ОВ вспомогательного генератора. Параллельно обмотке включен диод Д10 для уменьшения перенапряжений на обмотке возбуждения в момент выключения тиристора Т4. Тиристоры Т4 и То соединены по схеме мультивибратора. На вход мультивибратора подается ток управляющего электрода, обеспечивающий открывание тиристора Т4. Мультивибратор работает следующим образом. После появления напряжения на аноде Т4 он открывается, в результате чего ток от аккумуляторной батареи начинает протекать по двум цепям: ОВ, Т4," Дрі и /?7. Д18, С2, Т4, Дрі. Напряжение на конденсаторе С2 возрастает и становится достаточным для пробоя стабилитронов Д14. Д15. что приводит к открытию тиристора То. Заряженный конденсатор С2 начинает разряжаться через открывшийся тиристор То и еще открытый Т4. Разряда конденсатора закрывает тиристор Т4 за счет подачи напряжения обратной полярности (положительный потенциал правой обкладки конденсатора С2 прикладывается к катоду Т4, левая отрицательно заряженная обкладка соединена с анодом Т4). После запирания Т4 происходит перезаряд конденсатора через обмотку возбуждения ОВ и открытый тиристор Т5. Потенциал анода и ток управления Т4 растут, тиристор Т4 открывается, а 775 закрывается разрядным током конденсатора, и процесс повторяется. В результате возникает устойчи-
Рис. 82. Принципиальная электрическая схема регулятора напряжения БРН-ЗВ:
вый режим автоколебаний с частотой, которая определяется значениями /<7 и С2.
После пуска дизеля напряжение вспомогательного генератора растет пропорционально частоте вращения якоря, поэтому между движком потенциометра Я2 и зажимом Я2 поянится напряженії , пропорциональное напряжению вспомогательного генератора. При этом к управляющему переходу транзистора 77 приложена разность потенциалов между движком потенциометра Л?2 и анодом а и рона ДЗ. Когда напряжение вспомогательного генератора достигает 75 В, открывается транзистор 77, что приводит к открыванию транзисторов Т2 и ТЗ, включенных но схеме составного транзистора. После открывания транзистора ТЗ им шунтируется переход управляющий электрод катод тиристора Т4. Ток управления тиристора Т4 резко уменьшается благодаря наличию стабилитрона ДП. поэтому тиристор не может включаться. Это приводит к уменьшению гока возбуждения и напряжения вспомогательного генератора, снижение напряжения происходит до тех пор, пока напряжение па входе транзистора Т1 не уменьшится настолько, что 77, а значит, Т2 и ТЗ закроются. Это приводит к открытию тиристора Т4 и увеличению тока в обмотке возбуждения вспомо гательпого генератора. Напряжение генератора растет, и процесс повторяется. Следовательно, процесс регулирования напряжения вспомогательного генератора имеет колебательный характер, частота которого определяется электрическими и механическими параметрами генератора. Напряжение регулируется изменением среднего значения тока, протекающего по обмотке возбуждения, за счет изменения средней продолжительности включенного сое тояния тиристора Т4. С уменьшением частоты вращения вспомогательного генератора продолжительность включенного состояния Т4 увеличивается, с увеличением частоты вращения — уменьшается При закрытых транзисторах 77—ТЗ напряжение приложен нос к обмотке возбуждения, колеблется с определенной частотой. Скважность, те отношение времени включенного состояния тиристора Т4 ко всему периоду колебаний, близка при этом к единице; ток возбуждения увеличивается. При открытых транзисторах тиристор закрыт и ток возбуждения уменьшается.
Диоды Д76". Д8 в схеме регулятора служат для защиты переходов управляющий электрод — катод тиристоров Т4 и 775 от обратных напряжений, возникающих при перезарядке конденсатора С2. Диодом Д8 обеспечивается также защита эмиттер-коллекторного перехода транзистора ТЗ и перехода база — коллектор Т2. Стабилитрон Д17 обеспечивает отсечку тока управлення тиристо ра 77
Для предотвращения потери управляемости регулятора применены «отсекающие» диоды ДП, Д12, Д18. Дроссели Др1 и Др2 предназначены для защиты тиристоров Т4 и 775 от коммутационных импульсов тока. Цепочки, состоящие из резисторов /?8, /?9 и конденсаторов СЗ, С4, используются для повышения помехоустойчивости регулятора.
Технические данные регулятора
Номинальное напряжение регулятора, В..... 75±1
Ток возбуждения, А.
номинальный ..... 6
максимальный..... ..... 10
минимальный ......... 0.8
⇐Индуктивный датчик ИД-31 тепловоза 2м62 Оглавление Блок и панели выпрямителей тепловоза 2м62⇒










