Контроллер машиниста КВ-1552
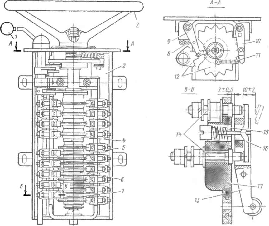
Контроллер машиниста служит для диетан (ионного управления работой силовой установки тепловоза. При переключении реверсивной рукоятки контроллера изменяется направление движения тепловоза. При изменении положения штурвала меняется частота вращения коленчатого вала и, следовательно, мощность дизеля Контроллер КВ-1552 (рис. 59) имеет ряд конструктивных отличий от контроллера KB-1508 тепловоза М62. Основные отличия заключаются в контактной системе мостикового типа, установке подшипников качения в узле фиксации, а также в узлах контактных элементов и главного барабана. Повррот главного барабана осуществляется штурвалом; угол поворота штурвала соответствует углу поворота барабана, поскольку зубчатая передача между-ними отсутствует.
Контроллер состоит из сварного корпуса 3, ста 1Ьной крышк , главного 6 и реверсивного 4 барабанов, реверсивной рукоятки 1 и штурвала 2. На валы барабанов набираются кулачковые шайбы специального профиля, посредством которых замыкаются и размыкаются в определенной последовательности контактные элементы 5. На каждой позиции штурвала или реверсивной рукоятки положение главного и реверсивного барабанов фиксируется с помощью посажен пых на их валы храповиков 12, рычага 10, фиксатора 9 и пружин 8, 11. Механическая блокировка не позволяет перемещать реверсивную рукоятку на рабочих позициях штурвала и штурвал при нейтральном положении реверсивной рукоятки. Реверсивная рукоятка съем-пая. Сиять ее можно только при нулевом положении штурвала. При вращении штурвала кулачковые шайбы барабанов через ролики на концах подвижных рычагов 13 воздействуют на контактные мостики 16. Порядок размыкания и замыкания контактов определяется профилем кулачковых шайб; контактное натяжение обеспечивает пружина 15.
Рис. Контроллер машиниста KB 1552:
1 рукоятка: 2 штурвал; 3 корпус: ; 6 — главный барабан: 7 - кулачковая 8 — пружины: 9- фиксатор 10 11— рычаги. 12 храповик
Технические данные контроллера
- Количество кулачковых элементов:
- главного вала...... . II
- реверсивного пала , ... 8
- Число рабочих позиций......... 15
- Номинальное напряжение контактов. В .... 110
- Номинальный ток контактов, Л....... 20
- Раствор контактов, мм, не менее...... 8
- Провал контактов, мм, не менее . ..... 2
- Контактное нажатие, II (кгс)..... 3,5 -1.5 (0,35—0,45)
- Поворот главного вала, град 300 Поворот ревергнвного вала от нейтрального положения в положение вперед или назад, град . 35
⇐ Вспомогательные электрические машины тепловоза 2м62 оглавление Поездные контакторы ПК-753Б6 тепловоза 2м62 ⇒










