Схема электрических цепей тепловоза
Электрическая схема тепловоза разделена на части, приведенные на отдельных рисунках. Буквенно-цифровые обозначения контактов на схемах указывают на их принадлежность к тем или иным аппаратам. Зажимы обозначаются дробью, числитель которой явтяется номером набора зажимов, а знаменатель — номером зажима при отсчете слева направо или сверху вниз. Наборы зажимов с однозначным номером расположены в камере электрооборудования (на схеме зачернены наполовину), с двузначным—в пультах управления (на схеме не зачернены). Зажимы дизельных коробок обозначаются в строчку: на первом месте—обозначение коробки (1Д или 2Д), на втором — номер зажима. Зажимы тройниковых коробок обозначаются только номером (например, № 13).
Для обозначения штепсельных контактов вместо дроби используется тире, разделяющее номер штепсельного разъема (первое число) и номер контакта. Для некоторых аппаратов, графическое изображение которых на электрической схеме приведено контуром, указывается только номер контакта.
Провода, в обозначения которых входят буквы /7, А, принадлежат соответственно к системам автоматической пожарной сигнализации и АЛСН. В описании электрической схемы при перечислении элементов электрических цепей для сокращения текста не приводятся обозначения контактов штепсельных разъемов и промежуточных зажимов.
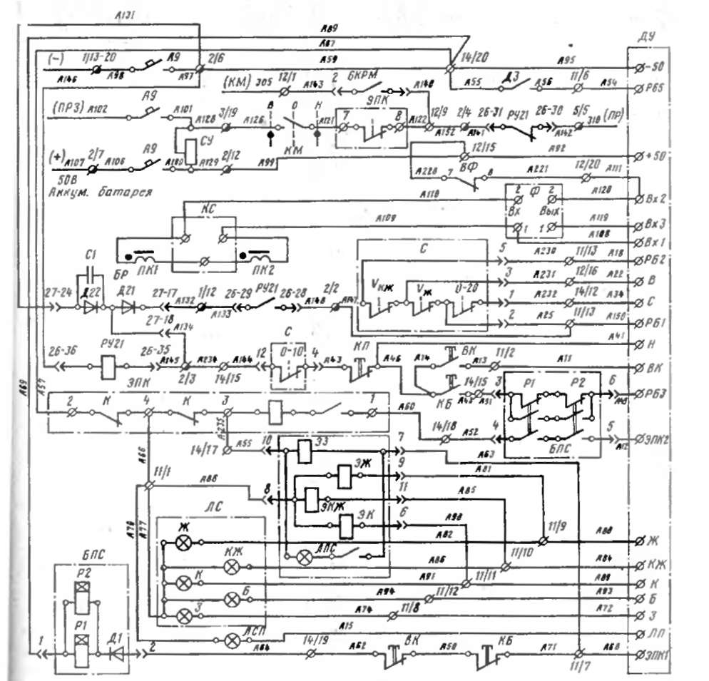
Управление ведущей секцией. Пуск дизеля (рис. 34, 36, 37). Пуск дизеля производится после включения разъединителя ВБ аккумуляторной батареи, приведения в рабочее положение рукоятки блокировки БУ крана машиниста, установки реверсивной рукоятки в положение, соответствующее направлению движения, включения автоматических выключателей (далее везде называются автоматами) «Управление». «Топливный насос I» и нажатия кнопки пуска при пулевой позиции контроллера машиниста. Для вращения вала дизеля при пуске используется тяговый генератор, работающий в режиме двигателя с питанием от аккумуляторной батареи.
При включении автомата «Топливный насос I» получает питание катушка контактора КТН по цепи: зажимы 2/8—10 («плюс» схемы), .провод 348, катушка контактора КТН, провод 350, замкнутые контакты реле РУ7, провода 349, 351, 339, контакты автомата «Топливный насос I», провод 338, зажимы 14/1—5 («минус» схемы). Контактор КТН своими главными контактами замыкает цепь питания электродвигателя ТНтопливоподкачиваюшего насоса: зажимы 2/8—10, провод 249, контакты автомата А7 (автомат «Топливный насос» на ка-'мере электрооборудования), провод 227, замкнутые контакты контактора КТН. провода 228. 229, длектродвигатель ТН. провод 230, зажим № 13 («минус» схемы). При замыкании второй пары главных контактов контактора КТН между проводами 1048, 1049 подготавливаются цепи питания катушек электромагнита ЭТ регулятора дизеля, электропневматического вентиля ВП7 ускорителя пуска, поездных контакторов П1 —116 и пусковых контакторов Д1. Д2, ДЗ, а при замыкании третьей пары контактов между проводами 389 и 319—цепь питания контактора КМН электродвигателя МН маслопрокачивающего насоса.
При нажатии кнопки «Пуск дизеля I» напряжение подается на реле времени РВ1 по цепи: зажим 12/10 («плюс» схемы), провод 315, контакты автомата «Управление», блокировки БУ крана машиниста, ,провод 304, контакты КМ реверсивного механизма контроллера машиниста, замкнутые при установке реверсивной рукоятки в рабочее положение, провода 305, 1046, контакты 4 контроллера машиниста, замкнутые при пулевой»позиции контроллера, провод 316. контакты .кнопки «Пуск дизеля I», провода 317, 318, 381, замкнутые контакты ,реле РУН, реле РВ1, провод 247, зажимы 1/13—20 («минус» схемы). Кроме этого, получает питание катушка контактора КМН по параллельной цепи: замкнутые контакты реле РУН, провод 389, замкнутые
Рис. 34. Электрическая схема тяговой электропередачи
Г — генератор ГП-312; 1—6 — электродвигатели ЭД-118А; СШІ—СШЗ — резисторы ЛС-9110; СШ4—СШ6 — резисторы ЛС9І20; РПІ, РП2 — реле РД-ЗОІО: СРПТ — панель реэнстора ПС-50Г25: СРПНІ, СРПН2— панели резисторов ПС-40601. ЛІ — аыпернетр М4200. 6000 А, VI — вольтметр М4200, 1000 В, 104— шунт 75ШСММЗ-6000-0.5; 102 — резистор ДСР-3033; ВІПІ, ВШ2 — контакторы ПКГ 565; СТН — панель резисторов ПС-50416, ВРЗ — разъединитель ГВ-25Б. СРЗ — панель резистора ПС 50124; РЗ — реле Р45-Г2-ІІ; РВД — розетка ШР48П2ЭГ9
Рис. 35. Электрическая схема возбуждения тягового генератора:
й - возбудитель В-600; СИВ — синхронный гимиозСудитель ВС-652: ТЬ — блок БА-420, ЛВ — аыплистат ЛВ-ЗА; ТIII' трансформатор постоянного тока ТПТ-24; ТПН \ <ж форматор постоянного напряжении ТПН-6І: СЫТ, СЕТИ, СОУ. СОЄ -панели резисторов ПС-50418: СОЗ — панель резисторов ПС-50331. ІІІ — В4 — С.ЮК выпрямителей ВПК 470: СВИВ. С 1С панели резисторов ІІС-5023І. СНГ, СВТ п в не. і н ре.іистиров ПС :>0232: ИД — индуктивный датчик ИД 31; //5 шунт 75ШС.МЗ 50.5; //«-шунт 75ШСМЗ-20 0.5; 117 шунт 75111СМЗ-150-0.3: ЛР переключатель УП53І2/С86: СВВ -панель резисторов ІІС-503І6. ТС--тратксфопмигор ТС 2; ТР - трансформу юр ГР-22
Рис. 36 Электрическая схема узла питания низковольтных цепей:
ВБ ри*Тл-,іинитсль РП-21.ЭД: ПРІ—І/Р.'і — панель предохрянителсй ІІП-ІОЗЗ; МИ — злекгролнніатсль 11-11: БРН— реіулитоо напряжения Тїі'Н-.ЧІ. В Г - а помої ате.іьньїи гснераї ор ВГТ-273/120: АБ — аккумуляторная батарея 32ПІ-І50; А2 — амперметр М420І). 101)0100 А; 10.1 - шунт 75ШСМЛЙ-І00-0.5: СЗБ — панель резистора ЛС-9233: //.V/» — панелі, лмпрпмителя ГІВКЬОІІ. РИБ розетки контакты КТН, провода 319, 982, контакты реле РУБ. провод 333, катушка контактора КМН, провода 144, 145, 148, зажимы 1/13—20. Главные контакты контактора КМН замыкают цепь питания электродвигателя МН маслопрокачивающего насоса: «плюс» аккумуляторной батареи, провод 405, замкнутые контакты разъединителя батареи ВБ, шина 041113, провод <?с95, предохранитель ПР2, провод 388X4, замкнутые главные контакты контактора КМН, провод 390X4, электродвигатель МН, провод 403x4, шина 04Ш4. замкнутые кон такты ВБ, провод 408, «минус» батареи. Через выдержку времени, необходимую для прокачки масла в системе дизеля, контакты реле РВ1 замыкаются и, если к этому моменту давление в масляной системе дизеля возросло до значения, при котором замыкаются контакты реле давления масла РДМЗ, получает питание катушка реле РУ5 по цепи: провода 318, 570, 362. замкнувшиеся контакты реле РДМЗ, провода 363, 574, 386, контакты реле РВ1, катушка реле РУ5, провод 247, «минус» схемы. Реле РУ5, размыкая свои контакты между проводами 982 и 333 в цепи контактора КМН, прекращает прокачку масла и. замыкая контакты между проводами 1049 и 329, обеспечивает подачу напряжения на катушку пускового контактора Д1 по цепи: провод 1049, замкнувшиеся контакты реле РУ5, замкнутые контакты реле РУН, провода 329, 325, замкнувшиеся вспомогательные контакты контактора КМН, провод 526", замкнутые вспомогательные контакты контактора КВ, провода 323, 321, блокировочные контакты 105 валоповоротного механизма дизеля, провода 322, 327, 328, катушка контактора Д1, провода 331, 972, «минус» схемы.
Главные контакты контактора ДІ между шиной 04Ш4 и проводом 438 соединяют «минус» батареи с якорем тягового генератора Г через его пусковую обмотку ГП—П2. Вспомогательные контакты контактора ДІ замыкают цепь питания катушки электромагнита ЭТ регулятора дизеля: провод 231, замкнувшиеся вспомогательные контакты Д1, провода 232, 237, 252, 248, катушка электромагнита ЭТ, провод 246, «минус» схемы. Электромагнит перекрывает выход маета из полости регулятора дизеля под поршнем привода топливного насоса, благодаря чему рейки топливного насоса начинают выдвигаться на подачу топлива. Кроме того, вспомогательные контакты контактора Д1 между проводами 330 и 529 обеспечивают подачу напряжения на катушки контакторов ДЗ обеих секций тепловоза. На катушку контактора ДЗ ведущей секции напряжение поступает по цепи: провода 231, 330, замкнувшиеся вспомогательные контакты контактора Д1, провод 529, катушка контактора ДЗ, провода 531, 972, «минус» схемы. На катушку контактора ДЗ ведомой секции напряжение поступает по [цепи: провода 529 439, 417, 334, 7, контакт Л2-5 задней левой межтепловозной розетки, .межтепловозное соединение, одноименный контакт второй секции, далее но аналогичной цепи к катушке контактора ЩЗ ведомой секции.
Так как минусовые зажимы аккумуляторных батарей сочлененных секций тепловоза постоянно соединены через провода 537, 539 и розетки РПБ, замыкание главных контактов контакторов ДЗ и, следовательно, соединение плюсовых зажимов батарей через провода 533, 382, 387 и розетки РНБ приводит к параллельному соединению батарей обеих секций. На ведущей секции после замыкания вспо-мо гательиых контактов ДЗ между проводами 439 и 448 получает пита-|ние катушка контактора Д2, главные контакты которого подключают якорную обмотку тягового генератора через провода 502 и 505 к |«плюсу» аккумуляторных батарей. При этом генератор, начиная работать в режиме двигателя, вращает вал дизеїя. Замкнувшиеся вспомогательные контакты контактора Д2 между проводами 232 и 233 [обеспечивают подачу напряжения на катушку электропневматического вентиля ВП7 сервомотора ускорителя пуска дизеля по цепи: [провода 233, 234, 235, катушка вентиля /3/77, провод 240, «минус» схемы. Вентиль ВЙ7 подает сжатый воздух под поршень, вытесняющий масло в аккумулятор регулятора дизеля. При этом уветичивает-ся выход топливных реек и. следовательно, подача топлива. Тем самым пусковой процесс дизеля ускоряется. На время пуска дизеля | (вращения его коленчатого нала) разомкнутые вспомогательные контакты контакторов ДЗ между проводами 376 и 374 на обеих секциях размыкают иепь возбуждения вспомогательного генератора, предотвращая его перегрузку при подключении к аккумуляторной батарее тягового генератора.
По мере увеличения частоты вращения коленчатого вала и выхода дизеля на рабочий режим давление масла в масляной системе увеличивается и достигает значения, при котором срабатывает реле [давления РДМ1. Его контакты замыкают цепь питания катушки реле РУП, включение которого автоматически завершает процесс пуска. Контакты реле РУП между проводом 381 и проводом, идущим к [контакту БІ штепсельного разъема реле РВ1, разрывают пусковую | цепь, т. е. отключают реле РВ1, что влечет за собой отключение реле РУ5, вентиля ускорителя пуска ВП7, пусковых контакторов, электро-I магнита ЭТ регулятора дизеля. Однако другие контакты РУП между проводами 1049, 239 собирают новую цепь питания электромагнита
Рис. 37. Электрическая схема цепей управления:
/(■VI онтрол.іер КВ-1552. ИР — переключатель ІIIІК-806Я; Л-'—ДЗ контакторы КНВ-604 И/—Пв контактори ПК-753Б-6: КН — контактов МКІОВ. В/і конгвкюр МКІІОВ' ТН электродвигатель П2ІМ; КГЦ — контактор МКІ-20В: К МП контактор МКЗ-ІОВ; А7 - автомат АЬ 2534 103, 12.5 А. 5/,, Л/2 АН. Л17 — автомати АГ.-2331'- ЮУЗ. 5 А. 1,3 1„ А1Є— автомат АІІ-253І-І0УЗ, 20 А 1.3 К: К — клапан автостопа ЭНК-150И: БД/. БД 2 конечные выключатели ВПК-2ІІ2. І'ПІІ — реле давления АК 11Ь: ТРИ, ТРМ - датчики реле гемпгрпурм Т 35, Р/І I реле времени ВЛ 50. РІІЗ рек времени РЭВ N12; І'УІ. РІЧ. РУ5. РУ7. РУН. РУ/0. РУН -ре.:е управления ТРПУ-І-413. МРІ—МР4- электромагниты ЭТ-52Б; ЭТ — электромагнит ЭТ-51Б: ОМ1—ОМ6 тумПлеры ТВІ 2: КЛП1, КЛП2 -клапаны К.ПІ-32: 105 - конечный iiijk.iki43ic.ii. п.і.юповоротл: /НІ — тумблер П2Т I: УП. ИМ — тумблер ТКІ 2; БУ блокировка крана машинне а. ГІДІ. ИДИ. КМР- кнопки ВК2І-2І 201 10 о4. В/77'— венимь ВВ 3 РИМ/ РЯМЗ реле давления КІVI ДДР ДТН — элсктропненматнческие .татчикн'давлении: КЛМ — днффсрснциальннП манометр: СП — сирена СС-2. ПИ/ НИ педальные выключатели
ВТИ-ІІУЗ. VI - вольтметр М4200. 150 В; .'////. ЛИИ. ЛИП. ЛРТ)ДК сигнальные лампы РН1 10 8; ДЗ. Я/2. Д/3 — диолы Д202І'
ЭТ, действующего во время работы дизеля, если замкнуты контакты реле РДМ1 давления масла в масляной системе дизеля. Вспомо-1 гательные контакты Д1 и ДЗ меж у проводами 373 и 376, замкнувшиеся после отключения пусковых контакторов, обеспечивают подачу напряжения в регулятор БРИ вспомогательного генератора ВГ.\ Вспомогательный генератор совместно с аккумуляторной батареей питает цепи управления, а также осуществляет подзаряд батареи по цепи: провод 370, диод ДЗБ, исключающий обратный ток в генератор, провод 369. предохранитель ПРІ. провод 368, резистор СЗБ, провод 383, измерительный шунт 103, провод 384, предохранитель ПРЗ, провод 385, шина 04ШЗ, контакты разъединителя батареи ВБ, провод 405.
Тяговый режим (см. рис. 34, 35, 37). При включении автомата УТ («Управление тепювозом») и переводе контроллера машиниста на 1-ю позицию собирается цепь: зажим 12/10 («плюс» схемы), провод 315. замкнутые контакты автомата «Управление», провод 304, замкнутые при рабочем положении реверсивной рукоятки контакты КМ реверсивного механизма контроллера машиниста, провода 305, 1046, перемычка контактов контроллера, замкнутые контакты З, 1 контроллера, провод 258. замкнутые контакты автомага УТ, провод 207, замкнутые при включенном автостопе контакты К, провод 189, перемычка контактов реверсивного механизма контроллера. Далее цепь тока зависит от выбранного направления движения, т. е. от положения ре-1 версивной рукоятки. Например, при направлении вперед получает питание катушка электропиевматического вентиля «Вперед» привода реверсора последующей цепи: провода 101, 102, 106, катушка вентиля «Вперед», провода 104. 266, 267, зажимы 8/14—16 («минус» схемы). После перевода реверсора в положение «Вперед» замыкаются соответствующие этому положению его вспомогательные контакты между проводами 106 и 114 и получает питание реле времени РВЗ по цепи: провод 114, контакты концевого выключателя БД2 двери камері)! электрооборудования, п овод 115, контакты БД1 концевого выключателя другой двери камеры электрооборудования, провод ///, вспомогательные контакты ДІ, провод 112, вспомогательные контакты Д2, провод 109, контакты РДВ реле давления воздуха в тормозной магистрали, провод 113, контакты РОП реле защиты при обрыве цепи возбуждения тягового двигателя, провод 103, контакты РЗ реле заземления, провод 147, катушка реле РВЗ, провода 150, 144, 145, 148, зажимы 1/13—20 («минус» схемы).
Замыкающиеся контакты реле РВЗ между проводами 221, 182 и 220 обеспечивают подачу напряжения па катушки электропиевма тических поездных контакторов ПІ—П6. Поездные контакторы включаются, соединяя своїми г, вными контактами спи тяговых двига телей с тяговым генератором. Одновременно замыкаются вспомога тельные контакты поездных контакторов между проводами 120, 127— 131, 140 в цепи питания катушек контакторов ВВ возбуждения возбудителя и КВ возбуждения тягового генератора. Контактор ВВ по лучает питание по следующей цепи: провод 160, размыкающие контакты реле буксования РБ, провод 165, катушка контактора ВВ, провода 145, 148, зажимы 1/13—20 («минус» схемы). Контактор КВ получает питание по цепи: провод 140, контакты реле РУ1, РУ4, провода 138, 236, 177, 178, 139, контакты реле термозащиты ТРВ, провода 202, 206, 222, 141, контакты реле термозащиты ТРМ, провод 143, ка тушка контактора КВ, провод 148, зажимы 1/13—20 («минус» схемы).
Замыкаясь, главные контакты ВВ между проводами 400. 443 обеспечивают подачу постоянного напряжения от вспомогательного генератора в систему возбуждения тягового генератора. При этом получаст питание обмотка возбуждения под возбудителя СПВ по це пи: зажимы 2/8—10 («плюс» схемы), провод 400. главные контакты ВВ, провода 443, 410, резистор СВПВ, провода 440. 441, 984, обмотка возбуждения СПВ И1 И2, провода 442. 460. зажим № //, «ми нус» схемы, а также размагничивающая обмотка возбудителя В по цепи: контакты 4 аварийного переключателя АР, провод 418. резисторы СВВ, провода 421, 1135, измерительный шунт 115, провод 422. обмотка возбуждения возбудителя /122 И21, провода 423. 420. контакты 2 переключателя АР, провод 411. зажимы 1/13 20 («минус» схемы).
Вырабатываемое синхронным подвозбудителем переменное напряжение подается через контакты 6 аварийного переключателя на первичную обмотку распределительного трансформатора TP, а также через регулировочный резистор СВТ на тахометрический блок ТВ. Обмотки распределительного трансформатора обеспечивают питание элементов системы возбуждения тягового генератора напряжением различной величины. Главные контакты КБ между проводами 1133 и 431 замыкают цепь обмотки возбуждения Н2 И1 тяговою генератора, питаемую от возбудителя. При этом система автоматического регулирования возбуждения обеспечивает изменение напряжения ге нератора в зависимости от тока тяговых двигателей в соответствии с селективной характеристикой \и- 1-й позиции.
Со 2 й позиции контроллера подастся питание на катушку реле РУ8. Контакты этого реле между проводами 453. 454 шунтируют участок резисторов СОЗ н цепи задающей обмотки амилистага, обеспечивая возрастание мощности при трогапии тепловоза. Размыкающие контакты ре.че между проводами 117, 118 в цепи контакторов ВВ и КВ предотвращают возможность ошибочного включения тяги с любой позиции контроллера, кроме 1-й С 4-й позиции контроллера получает питание катушка реле РУ10. При срабатывании реле его замыкающие контакты между проводами 470 и 1132 подключают регулировочную обмотку амплчегата к выходу индуктивного датчика ИД, подготавливая регулирование генератора по внешней характеристике. Кроме того, контактами реле РУ10 между проводами 451 и 454 шунтируется участок резисторов СОЗ, что также обеспечивает необходимое возрастание мощности тепловоза. Начиная с 12-й позиции, прекращается питание катушки реле РУ4. размыкаются его контакты между проводами 140 и 138 в цепи катушки КВ. питание которой после этого осуществляется только через контакты РДМ2 реле давления маета. Если давление масла в масляной системе дизеля не достигло значения, на которое отрегулировано реле, его контакты не замкнутся, и работа дизеля в режиме тяги па озициях выше 11-й будет невозможна.
Изменение частоты вращения вала дизеля (см. рис. 37). При переводе штурвала контроллера машиниста на различные позиции в соответствии с порядком замыкания контактов 2, 8, 9, 10 контроллера получают питание электромагниты MPI—МР4 регулятора частоты вращения дизеля Например, электромагнит MPI получаст питание по цепи: провода 283. 284. 285. 286, катушка электромагнита MPI, провода 257, 256, зажим № //, «минус» схемы. Включение электромагнитов в различных комбинациях изменяет затяжку всережимпой пружины регулятора, благодаря чему частота вращения коленчатого вала дизеля изменяется.
Включение тяги с помощью кнопки маневровой работы (см.1 рис. 37). При нажатии кнопки маневровой работы ее контакты КМР обеспечивают подачу напряжения на катушки контакторов ВВ, КВ и реле РУ4. минуя контроллер машиниста. Первая цепь: зажим 12/1, провода 1045, 393, 358, контакты кнопки КМР, провод 353, далее на ВВ и КВ: вторая цепь: провода 358, 340, контакты кнопки КМР, провод 352, далее на реле РУ4. Таким образом, при включенном автомате УТ и нажатой кнопке КМР тяговый режим тепловоза соответствует 1-й позиции контроллера.
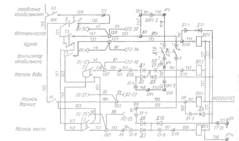
Управление устройствами холодильной камеры (рис. 38). В авто магическом режиме управления холодильником (контакты тумблера ТХ между проводами 727 и 762 замкнуты) напряжение на электро-пнев.матические вентили ВП2. ВПЗ привода боковых жалюзи поступает через контакты ДТВ, ДТМ датчиков-реле температуры, срабатывающих при достижении водой и маслом определенной температуры. Например, при замыкании контактов ДТВ получает питание электропневматический вентиль ВП2 привода жалюзи воды но цепи: контакты автомата АЗ («Управление холодильником»), провода 728, 730, контакты КМ реверсивного механизма контроллера, замкнутые при рабочем положении реверсивной рукоятки, провод 727, контакты тумблера ТХ, провода 762, 763. 1147, 761, 770 778. контакты Д ТВ, провода 780, 786, 747, 1150, 746, диод Д2, провода 741, 742, катушка ВП2, провода 737, 736, «минус» схемы. Верхние жалюзи в автоматическом режиме не работают; вентиль ВП4 их привода включается тумблером Т4 на пульте машиниста перед переводом холодильника в автоматический режим. Управление частотой вращения вентилятора холодильника а автоматическом режиме (при отключенном тумблере ТІ) осуществляется приборами пневмоавтоматики, воздействующими на гидропривод вентилятора.
Рис. 38 Электрическая схема цепей управления холодильной камеры:
Рис. 39. Электрическая схема автоматической локомотивной сигнализации:
ЭПК электропневчатический клапан ЭПК-150И. Ф — фильтр ФН2с/75: С/ — конденсатор ^к\БУ\250 О.ЇЬ СУ уравнительный релістор ПС-50122. С скоростемер ЗСЛ2М-І50П. РУ21 — реле управлении ТРПУ I 41). 511 В: ПК1. ІІК2 припише катушки ИТ: ДСП — Щмпа РІ160-1..8: ЯС л оке мотне ый снетофор С.2-Г)М 1>КРМ Сипкі р вк МГІ2І0І крана машинисту .V' 3°о КС соединитель пи коробка КС 3. КП кнопка проверки ВК2І-ПІІ0: КЬ — рукоятка бдительности РБ 80: Д21. Д22 — диоды КД-202Р. ДУ — дешифратор и усилитель: Д.З тумблер «А.ЧС белый огонь» ТВІ-2; ВФ — тумблер включения фяльтра ТВІ-2: ВК кнопка ВК2ІІ1110-54У 3: БИС Сюк предварятальной сигнализации. А-77; А9 — автоматы «локомотнвнаи сигнализации» АЕ253Ы0УЗ. 5 А, 1.3/.
При ручном управлении (замкнуты контакты тумблера ТХ между проводами 727 и 767) электропневматические вентили привода жалюзи и вентилятора получают питание непосредственно после включения соответствующих тумблеров на пульте машиниста. Например, при включении тумблера Т2 (жалюзи воды) собирается цепь: контакты тумблера ТХ, провода 767, 748, контакты Т2, провода 738, 739, 743, диод Д1, провода 741, 742, катушка ВП2. Вентиль ВП4 верхних жалюзи после включения любого из тумблеров управления боковыми жалюзи срабатывает независимо от положения тумблера Т4 («Жалюзи верхние»). Так, при включении тумблера Т2 он получает пита ние по проводам 824, 823, 784, 785, 760.
Диоды в цепи управления холодильником служат для разделения цепей (Д1, Д2, Д6, Д7) и гашения токов самоиндукции в обмотках реитилей (Д8—ДП).
Подача песка под колесные пары (рис. 37, 39). Вентили песоч ниц получают питание при нажатии педалей в кабине машиниста При нажатии педали ПП1 в зависимости от положения реверсивно рукоятки (замкнуты вспомогательные контакты ПР реверсора межд проводами 310 и 311 или 310 и 312) напряжение подается на электропневматические вентили ВП передней и ВЗ задней тележек (д.и направления вперед) или соответственно НП и НЗ (для направления назад). Для нодачн питания только на вентиль ВП. подающий песок под первую колесную пару передней тележки при движении вперед служит педаль Я/72. При ее нажатии один пара контактов между проводами 307, 306 замыкает цепь питания вентиля ВП от «плюса* схемы через контакты автомага «Управление», БУ блокировки крана машиниста и КМ реверсивного механизма контроллера, а вторая между проводами 307. 1127 исключает при этом подачу напряжения на вентиль ВЗ задней тележки.
Автоматическая подача песка происходит при экстренном торможении краном машиниста и посте срабатывания электропневматического клапана (ЭПК) ЛЛСИ. В нервом случае напряжение в цепи питания вентилей песочниц, соответствующих направлению движения, поступает через контакты БКРМ приставки к крану машиниста, замыкающиеся при шестом положении рукоятки крана, но цепи (см. рис. 39): зажим 12/1, провод А143, контакты БКРМ. провода А140, АІ52. А141, размыкающие контакты реле РУ21, провод А142. зажим 5/5 камеры электрооборудовании, провод 310. Во втором случае паи ряжение поступает через контакты 311 К, замыкающиеся после выхода сжатого воздуха из его внутренней камеры, по цепи: контакты автомата А9 (АЛСН). провода А101. ЛІ28, А/26, контакты ревер сивного механизма контроллера, провод А121. контакты ЭПК. провод А122 и далее аналогично первому случаю.
В обоих случаях при снижении скорости тепловоза до 10 км/ч и ме іее автоматическая подача песка прекращается размыкающимися между проводами А141. Л142 контактами реле РУ21, катушка которого получает питание через замыкающиеся контакты 0 —10 скоростемера.
Управление ведомой секцией (см. рис. 37). Управ, енис производится через два многопроводных кабеля межтепловозного соединения с вилками, включаемыми в специальные розетки Л1. Л2 (левые). ПІ. 112 (правые) на торцах секций тепловоза. Для пуска и остановки дизеля ведомой секции на пульте управления кажтой секции установлены автомат «Топливный насос П» и кнопка «Пуск дизеля II При включении автомата «Топливный насос II» ведущей сек ции собирается цепь питания катушки контактора КТІІ ведомой секции: зажимы 1411 Л («минус» схемы), провода ЗЗН. 356, контакты автомага АІ4 («Топливный насос И»), провода 357. 5. контакт ро зетки ,'12 6. межтеплоиозпое соед неї с, контакт розетки Л2-5 ведомой секции, провода 10. 343, замкнутые контакты реверсивного механизма контроллера, провода 342, 351. 349. контакты реле РУ7, про вод 350, катчшки контактора КТН (ведомой секции), провод 348, зажимы 2/8—10 («плюс» схемы ведомой секции). Для работы электродвигателя топливного насоса ведомой секции необходимо включить автомат «Топливный насос» на стенке камеры электрооборудования ведомой секции.
При нажатии кнопки «Пуск дизеля II» собирается цепь: провода 'І35, 49. межтепловозное соединение, которым через розетки ,'72 проход 49 соединяется с проводом 50 недомой секции, провода 318. 381, контакты реле РУН. катушка реле РВ1 ведомой секции. В дальнейшем процесс пуска в ведомой секции происходит аналогично описанному для ведущей При переводе контроллера на 1-ю позицию в режиме тяги и рабочем положении реверсора ведущей секции, например «Вперед», собирается цепь управления ведомой секцией: провод 56, межтепловозпое соединение, которым через розетки Л2 провод 56 соединяется с проводом 54 ведомой секции, провода 108, ПО. электропневматический вентиль привода реверсора ведомой секции для движения назад, что обеспечивает движение секций в одну сторону, и далее на катушки контакторов возбуждения аналогично описанной цепи для ведущей секции. При переключении позиций контроллера, нажатии педалей подачи песка или кнопки маневровой работы, включении тумблеров управления устройствами хо. одиль-пика и т. п.. соответствующие сигналы управления аналогично через межтепловозные соединения передаются в ведомую секцию.
Работа электрической схемы при выключенном неисправном тяговом электродвигателе (см. рис. 34, 35, 37). При выключении одного из тумблеров OMI —ОМ6. соответствующего неисправному двигателю, происходят изменения в схеме управления и автоматического регулирования мощности тепловоза. Рассмотрим эти изменения на примере выктючепия тумблера OMI. Кот актами тумблера между проводами 208 и 220 размыкается цепь питания электропневматического вентиля поездного контактора /7/, и в режиме тяги контактор вк.тю читься не может. Вспомогательные контакты контактора /7/ между проводами 1190 и 523, оставаясь разомкнутыми, исключают подачу отрицательного потенциала от неисправного двшате.тя в блок БДС, которая привела бы к срабатыванию защиты и снятию нагрузки (подробнее см. описание защиты от буксования) Контакты тумблера ОМ/ между проводами 119 и /21 собирают цепь питания катушек контакторов ИВ и KB в обход остающихся разомкнутыми вспомогательных контактов отключенного контактора ///. Контакты тумблера ОМ1 между проводами 459 и 457, размыкаясь, вводят участок резистора СОЗ в цепь задающей обмотки амгпистата, что выбывает уменьшение тока задания и, следовательно, мощности тягового генератора.
Работа электрической схемы при ослаблении возбуждения тяговых электродвигателей (см рис 34,37) Катушки тока реле перехода РП1 н РП2 включены параллельно участку силовой цепи между измерительным шунтом 104 и зажимом Я2 генератора, и, с. едователыю, проходящий по ним ток пропорционален тяговому tokv Питание катушек тока происходит но цепи- провода 493. 582, 594, 592, 600, соединенные параллельно катушки тока, провода 605 и 606, регулировочный резистор СРПТ, провод 501. Катушка напряжения реле перехода PUI. включенная на напряжение тягового генератора, получает питание по цепи: прово-та 584, 595. размыкающие вспомогательные контакты контактора ВИН, провод 603, регулировочные резисторы СРП И/ провод 598. катушка напряжения, провода 599, 600, 592. 594. 582. 493, шунт 104 Ток'в катушке напряжения реле пропорционален напряжению тягового генератора. До включении реле РП/ катушка напряжения репе РП2 питания не получает, так как 'вспомогательные контакты В/И/ между провоаами 584 и 596 pt3o*iK-нуты. Это исктючает неправильную последоватетыюсть включения | реле. При опредетеином соотношении втяп вающих усилий катушек реле РП1 срабатывает и контактами между проводами 262, 263 замыкает цепь питания катушки электропневматического вентиля контактора Rull. Главные контакты контактора ВШ1 подключают часть резисторов СИ! 1 CILI6 параллельно обмоткам возбуждения С/—С2 тяговых электродвигателей, осуществляя первую ступень ослабления возбуждения. Вспомогательные контакты контактора BLU1 между проводами 595. 603, размыкаясь, вводят в цепь катушки напряжения реле Pill участок резисторов CPI/HI, необходимый для регулировки момента отключения реле. Другие вспомогательные контакты между проводами 584, 588 обеспечивают подачу питания на ка ушку напря жения реле PII2.
При достижении тепловозом определенной скорости включается реле РП2. Его контакты между проводами 264, 265 включают контактор BUJ2, главные контакты которого подключают резисторы СШl CLII6 второй ступени параллельно резисторам первой ступени ослабления возбуждения При включении контактора ВШ2 его вспомогательные контакты между проводами 588, 589 вводят в цепь катушки напряжения реле РП2 участок резисторов СРПН2, необходимый для регулировки момента отключения реле. При снижении скорости тепловоза и соответствующем изменении соотношения втягивающих усилий катушек тока и напряжения происходит последовательное отключение реле РП2, РП1 и соответственно контакторов BLU2, ВШ1 с восстановлением полного возбуждения тяговых электродвигателей тепловоза.
Для выключения автоматического управления переходами на ослабленное возбуждение при неисправности элементов схемы слу-гумблер УП на передней стенке камеры электрооборудования. При выключении тумблера его контакты между проводами 260, 262 размыкают цепь подачи напряжения на электронне&матическне вентили контакторов BLUl, BU12.
Работа электрической схемы в аварийном режиме возбуждения (см. рис. 35). При выходе из строя элементов системы автоматического регулирования возбуждения тягового генератора электрическая схема с помощью аварийного переключателя АР на передней стенке камеры электрооборудования переводится на работу в аварийном режиме возбуждения На рис. 35 аварийному положению переключателя соответствует замкнутое состояние контактов /, 3, 5 АР. При этом разомкнутые контакты 6 отключают синхронный подвозбу-дитель от первичной обмотки распределительного трансформатора и тахометрического блока, что исключает питание цепи индуктивного датчика, цепей рабочих обмоток амплистата, трансформаторов тока и напряжения, а также независимой обмотки возбуждения возбудителя. Следовательно, автоматическое регулирование возбуждения тягового генератора невозможно.
Замкнутые контакты / и 3 переключателя АР создают цепь питания размагничивающей обмотки возбудителя: провод 443. контакты 3 АР, провода 420, 423, размагничивающая обмотка H2I—И22, нровод 422, измерительный шунт 115, провода 1135, 421, резисторы СВВ, провод 412. контакты / АР, провод 4//, зажимы 1/13—20 («минус» схемы). Таким образом, ток в обмотке но сравнению с рабочим режимом меняет направление, и обмотка становится намагничивающей, т. е. создающей напряжение возбудителя рабочей полярности. Регулирование возбуждения тягового генератора по позициям в аварийном режиме происходит в основном за счет изменения частоты вращения якоря возбудителя. Кроме того, осуществляется допо ши-тельное регулирование возбуждения за счет шунтирования участков резисторов СВВ замыкающимися контактами реле РУ8 между проводами 413, 416 и РУ10 между проводами 413, 415 при переводе контроллера соответственно на 2-ю и 4-ю позиции.
Характеристики тягового генератора в аварийном режиме на каждой позиции, в том числе на 15-й, являются нерегулируемыми, свойственными генератору с независимым возбуждением.
Защита и сигнализация. Электрическая схема тепловоза обеспечивает необходимую рабочую сигнализацию, а также аварийную сигнализацию и защиту в наиболее опасных случаях нарушения работы устройств или несоблюдения правил эксплуатации.
Перегрев воды и масла дизеля (см. рис. 37). От чрезмерного нагрева воды и масла дизель защищают датчики-реле температуры ТРВ и ТРМ. При повышении температуры воды или масла в системах дизеля до предельного значения контакты ТРВ между проводами 139, 202 или ТРМ между проводами 141, 142 разрывают цепь питания катушки контактора КВ, что вызывает автоматическое выключение тяги (сброс нагрузки). На позициях со 2-й по 15-ю включительно размыкание контактов КВ между проводами 116, 119 приводит также к выключению контактора ВВ, вспомогательные контакты которого между проводами 198, 193 замыкают цепь питания сигнальной лампы Л НІ («Сброс нагрузки I»). Одновременно загорается лампа Л НИ («Сброс нагрузки II») па пульте управления второй секции. Питание этой лампы происходит по цепи: провод 52, межтепловозный кабель, которым соединяются контакты 18 и 13 розеток Л2, провода 8. 199.
Недостаточное давление в масляной системе дизеля (см. рис. 37). Если при пуске дизеля маслопрокачивающий насос не создает давления, масла, достаточного для срабатывания реле давления РДМЗ, его контакты не замыкают цепь питания катушки реле РУ5, и процесс пуска прекращается. Если при работающем дизеле давление масла снизилось ниже необходимого, контакты реле давления РДМ1 размыкают цепь питания катушки реле РУН, следовательно, размыкается цепь питания электромагнита ЭТ, и дизель останавливается.
Если на 12-й и выше позициях контроллера в режиме тяги не обеспечивается необходимое давление масла, контакты реле давления РДМ2 отключают питание катушки контактора КВ, что приводит к выключению контактора ВВ, сопровождающемуся сигнализацией о сбросе нагрузки.
Защита обслуживающего персонала от высокого напряжения (см. рис 37). Для защиты от высокого напряжения в камере электро оборудования установлены концевые выключатели дверей. При открытии какой-либо из дверей камеры во время работы тепловоза в тяговом режиме контакты БД1 или БД2 выключателей разрывают цепь питания контакторов ВВ и КВ. которые снимают возбуждение тягового генератора с одновременной сигнализацией о сбросе нагрузки.
Защита от пуска дизеля при зацеплении валоповоротного механизма дизеля с его валом (см. рис. 37). При опускании червячной шестерни валоповоротного механизма для зацепчения с шестерней вала дизеля контакты 105 концевого выключателя в цепи катушки пускового контактора Д1 размыкаются, исключая возможность запуска дизеля.
Пробой газов в картер дизеля (см. рис. 37). На пробой газов реагирует дифференциальный манометр, контролирующий разрежение в картере. При повышении давления в картере контакты КДМ в колбе дифманометра замыкаются вытесняемым под действием избыточного давления гокопроводящим раствором и, начиная со 2-й позиции, собирается пепь питания катушки реле РУ7: зажим 5/7, провод 624, контакты КДМ, провода 625, 604, катушка реле РУ7. провод 247, зажимы 1/13—20. Реле становится на самопитание благодаря замыканию его контактов после провода 223. Другие контакты реле между проводами 349. 350 разрывают цепь питания катушки контактора КТН, главные контакты которого выключают электродвигатель ТН топливоподкачивающего насоса и электромагнит ЭТ, что приводит к остановке дизеля.
Электрический пробой изоляции силовой цепи (см. рис. 34 и 37). От тяжелых аварийных последствий пробоя изоляции силовая цепь защищена при помощи реле заземления РЗ. Катушка реле последовательно с резистором СРЗ включена между измерительным шунтом 104 («минус» тягового генератора) и корпусом тепловоза. Если электрическая цепь в месте пробоя изоляции обладает достаточным потенциалом по отношению к точке присоединения реле к шунту, то через катушку потечет ток, что приведет к срабатыванию реле. Реле разомкнет свои контакты между проводами 103 и 116, обеспечив сброс нагрузки, сопровождающийся описанной выше сигнализацией на пульт машиниста. Кроме того, контакты реле заземления между проводами 183. 197 замкнут цепь питания сигнальных ламп «Реле заземления» обеих секций. После срабатывания реле его якорь остается в притянутом положении благодаря защелке.
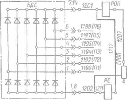
Защита от буксования (рис. 34, 37 и 40). Защиту тяговых электродвигателей от буксования осуществляет рете буксования РБ, подключенное к выходу блока БДС сравнения потенциалов. При нормальной работе тяговых электродвигателей потенциалы точек подключения блока БДС к цепям двигателей мало отличаются друг от друга, и через катушку реле РБ проходит незначительный ток, не вызывающий срабатывания реле. При буксовании одной из колесных пар повышается частота вращения якоря ее тягового элекро-двигателя, чго приводит к понижению потенциала точки присоединения блока к цепи этого двигателя. Возникающая разность потей циалов па входе диодной схемы сравнения приводит к увеличению тока через катушку реле и его срабатыванию. Контакты реле между проводами 160 и 165 размыкают цепь питания катушки контакто ра ВВ, вызывая сброс наг узки дизеля. Вспомогательные контакгы контактора ВВ между проводами 166, 174, замкнувшиеся после обес-точивания его катушки, собирают цепь питания сигнала буксования СБ. Одновременно, как было описано ранее, другие вспомогательные контакты ВВ включают лампу световой сигнализации о сбросе нагрузки.
Так как тяга тепловоза резко упала, буксование прекращается, потенциалы на входе блока БДС выравниваются, и реле буксования отключается. Контактор ВВ вновь включается, восстанавливая первоначальную мощность тяги. Если условия, порождающие буксование, например, состояние пути, сохраняются, то работа реле РБ будет носить прерывистый характер. Шестифазная мостовая схема блока БДС выделяет сигнал защиты при буксовании вплоть до пяти колесных пар секции тепловоза.
Обрыв цепи возбуждения тягового двигателя (см. рис. 34, 37 и 40). При обрыве цепи возбуждения (обрыве полюса) тягового электродвигателя потенциал точки присоединения блока БДС к цепи неисправного двигателя резко повышается. Вследствие возникшей разности потенциалов срабатывает реле РОП, имеющее защелку как и реле РЗ. Его размыкающиеся контакты РОП разрывают цепь питания катушек контакторов возбуж денин ВВ и КВ, которые в свою очередь обеспечивают прекращение режима тяти с сигнализацией о сбросе нагрузки.
Утечки из тормозной магистра ли, снижение давления в тормозной магистрали (см. рис. 37). Элементами схемы, контролирующими плотность тормозной магистрали, являются микровыключатели ДПР. ДТП. диоды ДГ2, Д13, реле РУ1 и сигнальная лампа ЛРТ «Обрыв тормозной магистрали». Микровыключатели находятся па воздухораспределителе тепловоза и реагируют па давление в канале дополнительной разрядки (ДДР) и тормозной камере {ДТЦ) воздухораспределители.
При утечке воздуха из тормозной магистрали давление в канале дополни тельной разрядки воздухораспределителя повышается и контакты ДДР замыкаются. При этом собирается цепь питания ка тушки реле РУ1: зажим 12/1, провода 1045, 396, контакты ДДР. провод 398, остающиеся замкнутыми контакты ДТЦ. провода 496. 497, 1040, диод Д13, провода 1039, 204, катушка реле РУ1, провод 296, зажимы 1/23-20. После срабатывания реле РУ1 становится на самопитание, осуществляющееся по цепи: провода 1045, 393, 355, контакты РУ1. провода 346, 253, диод Д12. провода 372. 495, 402 и да-■ее аналогично цепи, описанной выше. Разомкнувшиеся контакты реле между проводами 140 и 133 разрывают цепь питания катушки КВ. Сигнализация о сбросе нагрузки в этом случае сопровождается загоранием сигнальной лампы ЛРТ, напряжение па которую подастся по проводам 347 и 194. Схема будет работать подобным образом, если давление в тормозной камере воздухораспределителя не повышается до давления срабатывания микропереключателя ДТЦ, например при обрыве тормозной магистрали в конце длинного состава, когда манометр, находящийся на пульте машиниста, может слабо реагировать па утечку. Если же производится служебное торможе нис, повышение давления в канале дополнительной разрядки воздухораспределителя сопровождается повышением давления в его тормозной камере, что вызывает размыкание контактов ДТЦ и, следо вателыю, катушка реле РУ1 питание не получает.
При глубоком разряде тормозной магшмрали или незаряженной иневмосистеме тепловоза размыкаются контакты реле РДВ в цепи катушек КВ, ВВ, и, следовательно, работа в режиме тяги невозможна.
Сигнализация о повреждении изоляции низковольтных цепей (см. рис. 37). В каждой секции проверка изоляции низковольтных цепей осуществляется с помощью сигнальной лампы и тумблера, установленных па передней стенке камеры электрооборудования. Лампа ЛК включена в цепь, один конец которой соединен с корпусом тепловоза, а другой в зависимости от положения тумблера ИВ подключается к плюсовому (2/8 10) или минусовому (1/13 — 20) зажи му электрической схемы. Если лампа подключена к плюсовому зажиму, то при достаточном снижении сопротивления изоляции между корпусом и проводами, идущими к минусовому зажиму (минусовые цепи), через лампу потечет ток. О степени повреждения изоляции можно судить но накалу лампы. Переключением тумблера /7/3 проверяется изоляция плюсовых цепей.
Рис. 10. Электрический схему подключении Г), юка НДС |>сле Р1> и РОИ
Сигнализация о работе дизеля ведомой секции (см. рис. 37). Сигнализация ведущей секции о работе дизеля ведомой секции осуще ствляется лампой Л ЦП «дизель II» на пульте управления. При работе дизеля и, следовательно, замкнутой цепи питания электромагнита ЭТ напряжение на лампу подастся по следующей цепи: зажим 6' 3, провода 251, 2, контакты 2 левой вадней .межтепловозной розетки Л2 ведомой секции, межтепловозное соединение, контакты 7 левой задней межтепловозпой розетки Л2 ведущей секции, провода 6, 205, тампа Л ЦП, провода 190, 201. зажимы 14/1—5 («минус» схемы).
При остановке дизеля ведомой секции и падении давления в его масляной системе размыкаются контакты реле РДМ1 в цепи питания катушки реле РУН. Контакты последнего между проводами 1049. 239 разрывают цепь питания электромагнита ЭТ и сигналь ной лампы Л ЦП па пульте ведущей секции.
Автоматическая локомотивная сигнализация непрерывного действия с автостопом (АЛСН) (см. рис. 36 и 39). В комплект основного оборудования локомотивной сигнализации входят приемные катушки, усилитель и дешифратор (в общем блоке), блок предварительной сигнализации, фильтр и электропневматический клапан тормозной магистрали.
Питание устройств АЛСН осуществляется от промежуточного вывода аккумуляторной батареи (провод А107) напряжение на котором при работающем дизеле равно 50 В. Для равномерного разряда элементов батареи часть ее, не задействованная при включении АЛСН, замыкается па уравнительный резистор СУ.
Система работает следующим образом. В цепь рельсового пути, оснащенного специальной аппаратурой автоблокировки, навстречу поезду посылаются импульсы тока, кодированные в соответствии с сигналом дорожного светофора Эти импульсы воспринимаются передними приемными катушками КС и проходят в блок ЦУ дешифратора и усилителя (принцип действия блоков АЛСН описан в специальной литературе). В зависимости от кода включается соответствующая лампа локомотивного светофора (Ж, КЖ, К, Б. 3); по параллельной цепи получает питание регистрирующий электромагнит (ЭЗ. ЭЖ, ЭКЖ, ЭК) скоростемера. Кроме того, подается напряжение па электромагнит электропиевматического клапана ЭПК тормозной магистрали через контакты реле времени Р1 и Р2 между проводами А52, А12. В процессе работы дешифратора питание реле, установленных в блоке пречварительиои сигнализации ВПС, периодически прекращается с различными интервалами в зависимости от принимаемого кода (огней светофора) и скорости движения Связь по скорости движения в АЛСН осуществляет скоростемер с помощью встроенных контактов 0—10, О—20, Кж, Укм. Прекращение питания блока БПС сопровождается подачей напряжения па сигнальную пампу ЛСП пульта управления. После выдержки времени происхо тит отпадание якорей реле и, следовательно, размыкание их контактов в цепи электромагнита ЭПК с последующим выпуском воздуха из внуг ренней камеры ЭПК через свисток в атмосферу. В течение свистка ЭПК, пока выход воздуха не вызва і размыкание его контактов между зажимами /, 3, питание электромагнита можно восстановить кратковременным нажатием кнопки бдительности КБ. В противном случае тормозная магистраль разрядится через срывной клапан ЭПК в ат
мосферу и произойдет экстренное торможение. Таким образо\. контроль бдительности заключается в необход мости периодического кратковременного нажатия машинистом кнопки бдительности, о чем предупреждают световой сигнал и затем свисток элек опневмати-ческо -о клапана.
При следовании тепловоза по путям, не оснащенным а тобто-кнровкой, устройство АЛСН может быть переведено в режи\ р бо ы с независимым интервалом контроля однов еме! м нажатием кноп ки бдительности и кнопки ВК- При этом включает-я бел й огонь 'юкомотивного светофора.
При работе тстовозов на дорогах с электрической тягой пе ремеи юго тока частотой 50 Гц аппаратура АЛСН отстраивается от приема помех этой частоты с помощью фильтра Ф в цепи пр емных катушек. Перестройка схемы на прием сигналов I ас оты 2о и 75 Гц осуществляется тумблером ВФ.
На стоянке или при скорости движеп до 10 км/ч элекг о. а -нит ЭПК постоянно получает питание через ко такты 0 10 скоростемера, и контроль бдительности ма пиписта не ос щес вля ся Для проверки на стоянке работоспособности АЛСН в режиме к нт о ля бдительности служит кнопка КП При пажатип кнопки ее контак ты между проводами А43 и Л46 размыкаются, благод ря чему ми и руется работа схемы АЛСН в условиях движения тетовоза со ско-остью, превышающей 10 км/ч, и начинает осущес в.; яться п риоди-ческий контроль бдительности машиниста.
Автоматическая пожарная сигнализация (р с. 4 ). Ав омат че екая пожарная сигнализация (АПС) служит г. я оповещения о появлении на тепловозе очага пожара или педо устимо высоко" ле\ ера-туры. Датчики температуры (извещатели тем ш атур ) с.>е1Коплав К1 м соединением лепестковых контактов типа ИПЛ р-сполож пы в наиболее опасных в пожарном отношении ме л ах дизел но -< помещения и камеры электрооборудования. Контакты да чиков вк, ю ен последовательно в цепь питания катушки реле РУ14. При возр с а нии окружа ошей температуры до 95—120 °С легкоплавкое соедине ше датчика расплавляется и контакты ею раз\ кают я, вьклю-чая питание реле РУ14. Замыкающиеся и этог» ко т-кт I ее
Рис. 4 . Электрическая с ема нож рнои с i нчл I ц
АН автомат пожарной сигнвлилэоин АГ-25.31 10УЗ. о Л. 1.3/. Г/И' тумблер проверни Г12Т-23: ЯП ЛГУ»— датчики температуры ИПЛ. ТЩ II - тумблер П2Т 23- -ТП <мш.< см.лшия РН-1'0-8
Рис. 42. Схема внешних электрических соединений системы термоконтроля дизеля:
ВТ илпмогатсльныи генер тор ВГТ-275'120. А2 автомат АЕ-2531-10УЗ. 6 А. 1.3/.: 77/— трав сфорыатор ТП-5: А автокпмпеисатор ЛК-010:01П. КС — «оелнннтсльная коробка КС375П: П — переключатель ПК-051-01П: Т111- ТП12 - термопары ТХК «20
Рис. 43. Электрическая схема подключения приборов для измерения температуры и давления:
/С/7 /2Г.7/ резисторы ПЭВ-7.»-170: *-Д|. УВ1 УВП — \ atirein температуры ТУЭ 8Л- ЯМ ЦВ1. //й//— датчики температуры ПП2. ilül. ЯЛи. ЛВК - датчики давления ЭДМУ-15Ш. УВК. УДЛ УД// лкат. тели давлении ЭДДДУ-1 -»III
Рис. 44. Электрическая схема ценен светосигнальных приборов, мсктродвигателен вентилятора кузова и калорифера кабины
ВК >лсктроавін атслъ венти и ир» кушнл ним. 02 кВт- I74U иС чин. ДІЛ- элек і тій га t t. ка. орнфера III IM 0 5 кВт 2800 об/чим: Ст|/\ [Ансль резне орон ІК.50І2Ї A4 an мат А 2ГНІ I0.VJ. 12.5 Л, 1.3/.: Ali ввтомат AI:-2534 10УЗ ti.ö Л. З/,; АІЗ — автомиї \Г.-»34 <ІУ . 10 А. 1.3/.: AIS автомат AI! 25.34 1ПУ.І. 8 Л 51. СО СГЇ ре метры /ІС-40206 С/7/'- ікінеіор ПС-50230: .Чв ланці скорої емера [ЧІІЮ-8 .'// •.'/.? 1.1 Б V.7/5 /.7А -/.//С пампы Ж80-60 ЛІ электрическая лампа 9-І н. 25 Ві- /// тумблер Т113 і. ІІрІІ ИрЗ TU 77 т\чб i|>j "В ТЮ тумпіер TBI-2. 15~Т9 течблсры П2Т І: /*\ Э1Ч різе кі' бытовые. РІЗИ — розетка внешне источника питання ІІ1РІ8ІІДОГ9 .'//// .7/72 лампы Иіекгрнческне ПЖ-5» лОО Ull'l ШРЗ ш е сенате ранимы ШР32ПКІ0ІІШІ. ШРІ раисч штепсельный [|II>20IIK3Hlllu
обеспечивают подачу напряжения на лампу ЛП пожарной сигнализации и сигнал буксования СБ. Для проверки исправности сигнализации служит тумблер ТПР. при включении которого имитируется срабатывание датчика температуры. Местонахождение источника сигнала (на ведущей или ведомой секции) определяется переключением тумблера ТПІ-П.
Система термоконтроля дизеля (рис. 42). Система термоконтроля ТАК 011-ОЗП предназначена для выборочного измерения темпе-
Рис. 45. Электрическая схема освещения:
П1Р1—1ПРЗ рап.гиы ШТГПСС.1Ы1МГ ШР32ПК10П11П. .ЧР2—ЭР5 - ром-ткк «якрыпл- 14 5»: С1 С9Я. .44— .15— лампы элсктрп-гсекиг ЖЯО-60: Т12 тумп гр тв 2 113 гч'мплор Г12Т: 70,'Н. Т0В2 — тип№ ры ТВ 1-4; Л5 автомат АЕ 2534 ■ 10УЗ. 8 А, Ы.\ ЛИ автомат Л К-253л ОУЗ. 20 Л. 5Л.
ратуры в цилиндрах дизеля. В ее состав входят термопары, устанавливаемые в цилиндрах, автокомпенсатор с указателем тем 1ерату-ры, соединительная коробка и переключатель термопар. В основе работы системы лежит компенсационный метод измерения потенциалов. Напряжение питания системы снимается с коп ак пых коме вспомо гателыюго генератора, предназначенных для отбора переменного тока небольшой мощности, и через трансформатор ТП подается в автокомпенсатор А. Поступающая на вход автокомпенсатора через соединительную коробку КС и переключатель П разность потенциалов термопар преобразуется в сигнал переменного тока, который усиливается и вновь преобразуется в постоянное напряжение. При этом опре деленная часть этого напряжения в качестве глубокой отрицательной обратной связи компенсирует входную разность потенциалов. В цепь тока обратной связи, находящегося, как вытекает из выше изложенного, в постоянном соответствии потенциалам термопар, включен измеритель со шкалой, проградуировапной в единицах тсм-
псраг)ры. В качестве измерителя в автокомпенсаторе п именем ме ханизм магнитоэлектрического прибора М1600/К-
Схема включения электрических приборов для измерения температуры и давления воды и масла дизеля (рис. 43). Для указан ного измерения применены приборы, относящиеся к классу логомет-рических. Достоинством этих приборов является нечувствительность к колебаниям напряжения питания, что обеспечивает правильность показаний при питании цепей тепловоза как от аккумуляторной батареи, так и от вспомогательного генератора. Каждый приборный комплект состоит из датчика температуры или давления и соответствующего указателя, электрически соединенных между собой.
Цепи приборных коми 1С кто в питаются через автомат А10 ( Приборы») от низковольтной сети. Резисторы /С/7—12СП служат для гашения напряжения питания до необходимого для работы приборов значения (27 В).
Электрические схемы светосигнальных приборов и цепей освещения (рис. 44 и 45). Включение электрических лапм и других потребителей энергии (электродвигатели вентилятора кузова и калорифера кабины машиниста) производится с помощью соответствующих I-блеров или непосредственно автоматов на пульте машиниста и передней стенке камеры электрооборудования. Переход с режима «Тускло» на режим «Ярко» обеспечивается переключением ламп с последовательного па параллельное соединение (освещение кабины), а также изменением сопротивления резисторов в цепях (прожектор, освещение приборов). Для уменьшения частоты вращения электродвигателя ка юрифера в целях снижения его вибрации в цепь якоря электродвигателя введен резистор СМ К.
⇐ Расположение и монтаж электрооборудования тепловоза 2м62 оглавление Тяговый электродвигатель тепловоза 2м62 ⇒










