![]() |
|

|
ЦШ
ОАО «РЖД» |
|
ТЕХНОЛОГИЧЕСКАЯ КАРТА № 11.1.1.5 |
|
Устройства
электропитания. |
|
Выполняемая работа |
|
Совмещенная питающая установка для крупных станций (СПУ ЭЦ 200). Измерение не контролируемых средствами ТДМ напpяжений и токов цепей питания |
|
Средства технологического оснащения: ампервольтомметр ЭК-2346, мультиметр В7-63, токовые клещи АРРА30R, или другие измерительные приборы аналогичные по характеристикам, измерительные приборы, установленные на питающей установке, набор инструмента для обслуживания линейных устройств СЦБ, диэлектрические коврики, диэлектрические перчатки. |
1 Общие указания
1.1 Настоящая технологическая
карта распространяется на совмещенную питающую установку с применением
устройств бесперебойного питания (СПУ ЭЦ 200).
1.2 Напряжения и токи подводящих
фидеров, напряжения всех цепей, питание которых осуществляется с данной
установки, а также потребляемые этими нагрузками токи следует измерять
стационарными измерительными приборами, установленными на щитах питающей
установки. При необходимости измерения производятся переносными измерительными
приборами. Измерительные приборы должны иметь отметку о поверке.
Одновременно с
измерениями проверяется работа переключателей. Переключатели должны работать четко, без заеданий, точно фиксироваться в
установленных положениях.
1.3 Переключения
питающих фидеров при необходимости следует выполнять в свободное от движения
поездов время (промежутке между поездами), после согласования с дежурным по станции
(поездным диспетчером).
1.4 Перед началом работ необходимо
проверить исправность и отсутствие аварийной индикации на распределительном
щите (индикаторы красного цвета не должны гореть).
При наличии аварийной индикации принять
меры к выяснению и устранению причин аварийной индикации.
2 Меры безопасности
2.1 При выполнении работ следует
руководствоваться требованиями раздела III и пункта 5.1.10 раздела V «Правил по охране труда при техническом обслуживании
и ремонте устройств сигнализации, централизации и блокировки в ОАО «РЖД»,
утвержденных Распоряжением ОАО «РЖД» от 30.09.2009 г. №2013р.
2.2 Работа проводится без снятия
напряжения с питающей установки, в порядке текущей эксплуатации с оформлением
записи в оперативном журнале, электротехническим персоналом, имеющим группу по
электробезопасности при работе в электроустановках до 1000 В не ниже III, перед началом работ проинструктированным
установленным порядком.
2.3 Измерения
переносными измерительными приборами должны производиться в два лица. Подключение
и отключение переносных измерительных приборов под напряжением допускается при наличии
на проводах специальных наконечников с изолирующими рукоятками.
2.4 Работы необходимо выполнять
инструментом с изолированными рукоятками, стоя на диэлектрическом коврике, в необходимых
случаях в диэлектрических перчатках.
Прежде
чем приступить к работе, необходимо проверить перчатки и коврики на отсутствие
механических повреждений, а также на наличие на диэлектрических перчатках отметок
о проверке установленной формы.
2.5 Место работ должно иметь достаточное для их производства освещение. При необходимости следует применять переносные осветительные приборы.
3 Измерение напряжений и токов цепей
питания
3.1 Совмещенная питающая установка
СПУ ЭЦ 200 предназначена для гарантированного питания
устройств СЦБ (в том числе микропроцессорных) от двух фидеров трехфазного тока
и резервной электростанции (далее ДГА), а также от устройства бесперебойного
питания.
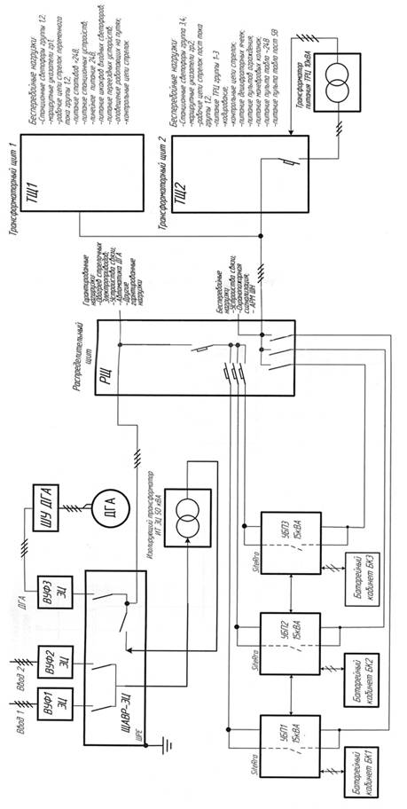
3.2 СПУ
состоит из следующих основных частей (рис. № 1):
- вводные
устройства фидеров (ВУФ), каждое устройство предназначено для коммутации одной
силовой цепи (фидера/ДГА), защиты от импульсных перенапряжений и учета потребляемой
электроэнергии;
- щит
автоматического выбора резерва (ЩАВР), применяется на крупных станциях для коммутации
фидеров;
- распределительный
щит (РЩ), предназначен для распределения нагрузок по различным шинам (шина
бесперебойного питания (ШБП), шина гарантированного питания (ШГП) и др.);
- трансформаторный
щит (ТЩ), предназначен для организации основных цепей питания, необходимых для
работы постовых и напольных устройств (на крупных станциях устанавливается два
щита ТЩ1 и ТЩ2);
- система
бесперебойного питания (1÷3 устройства бесперебойного питания (далее УБП)
с аккумуляторными батареями, размещаемыми в батарейных кабинетах;
- изолирующий
трансформатор TV1.

Рисунок 1
3.3 На щитах СПУ имеется следующая индикация:
3.3.1 На лицевой стороне ЩАВР для каждого
фидера (в том числе ДГА) имеется следующая световая индикация:
- свечение
зеленого индикатора «работает от фидера» свидетельствует, что напряжение на
фидере (ДГА) есть и фидер (ДГА) под
нагрузкой;
- свечение
желтого индикатора «исправность фидера» - напряжение на фидере (ДГА) есть, фидер (ДГА) без
нагрузки (кроме того для каждой фазы фидера/ДГА имеются
индикаторы (A, B, C) желтого
цвета, свечение каждого индикатора свидетельствует о наличии напряжения в
соответствующей фазе);
3.3.2 На лицевой стороне РЩ имеется следующая
световая индикация:
- свечение
красного индикатора «авария фидера» - напряжения на фидере нет, или оно есть,
но его параметры выходят за пределы допустимых значений;
- свечение
красного индикатора «авария питающей» указывает на выключенное состояние хотя
бы одного преобразователя или наличие аварийного сигнала УБП;
- свечение
красного индикатора «контроль автоматов» указывает на выключенное состояние
хотя бы одного автоматического выключателя с контролем срабатывания или прибора
защиты от перенапряжений.
3.3.3 На передних панелях ТЩ имеется следующая
световая индикация:
- свечение
красного индикатора «КП ТЩ1» указывает на выключенное состояние хотя бы одного
автоматического выключателя в ТЩ1;
- свечение
красного индикатора «КП ТЩ2» указывает на выключенное состояние хотя бы одного
автоматического выключателя в ТЩ2;
3.4 На лицевой стороне ЩАРВ установлены три вольтметра с переключателями для
измерения напряжений в каждой фазе фидеров/ДГА, а также амперметр с
переключателем для измерения тока в каждой фазе шины гарантированного питания
на выходе ЩАВР.
Перед началом измерений открыть щит и
включить автоматический выключатель QF15 («Питание щитовых приборов
(ЩПХ)») для подачи питания на измерительные приборы.
3.5 С помощью переключателей,
расположенных под вольтметрами, произвести измерения напряжений в каждой фазе и
напряжений между фазами каждого фидера.
С помощью переключателя расположенного
под амперметром, произвести измерения токов в каждой фазе шины гарантированного
питания на выходе ЩАВР.
После
окончания измерений рекомендуется переводить переключатели в положение «0».
Измеренные напряжения должны соответствовать значениям,
приведенным в таблице №1.
Таблица №1.
|
Обозначение цепей |
Наименование нагрузки (полюсов питания) |
Клеммы |
Норма напряжения, В. |
|
1A-1B-1C-N |
Входящие питающие фидеры |
РЩ PV1 |
380/220 ±10 %. |
|
2A-2B-2C-N |
РЩ PV2 |
||
|
3A-3B-3C-N |
РЩ PV3 |
Если
измеренное значение напряжения на нагруженном фидере выходит за указанные пределы,
необходимо определить причину и принять соответствующие меры к ее устранению.
Значения
фазных токов при максимальной нагрузке определяет ШЧУ и фиксирует в «Журнале
проверки питающей установки».
Если измеренная величина тока превышает
значение, определенное ШЧУ, следует определить причину и принять
соответствующие меры к его снижению (путем отключения или перераспределения
ряда нагрузок).
3.6 Далее переносным измерительным прибором измерить напряжения цепей питания устройств на выходах СПУ, которые должны быть в пределах, указанных в таблице № 2.
Места измерений определяет
ШЧУ и фиксирует в «Журнале проверки питающей установки».
Если измеренное значение напряжения выходит за указанные пределы,
необходимо определить причину и принять соответствующие меры к ее устранению.
3.7 Токи
конкретных нагрузок, при необходимости, измеряют токовыми клещами. Места
измерений и допустимые значения этих токов определяет ШЧУ и фиксирует в
«Журнале проверки питающей установки».
Если
величина тока превышает допустимое значение, определить причину и принять
соответствующие меры к его снижению (путем отключения или перераспределения
ряда нагрузок).
3.8 По
окончании измерений выключить автоматический выключатель QF15 («Питание щитовых приборов (ЩПХ)»),
проверить включенное состояние
автоматических выключателей «Цепи
управления. Фидер 1» и «Цепи управления. Фидер 2» и закрыть щиты.
Таблица № 2.
|
Обозначение цепей |
Наименование нагрузки (полюсов питания) |
Норма напряжения,
В. |
|
А-В-С-N1 |
Выход ТV1 |
220 В ±10 %. |
|
А2-В2-С2-N1 |
Выход УБП |
216-224 |
|
С110 – С-0 |
Питание светофоров (ПХС, ОХС) |
104-116 |
|
С180 – С-0 (для МПЦ) |
162-189 |
|
|
С220 - С-0 |
209-231 |
|
|
П, М (ЦП, ЦМ) |
Стативы |
=24-27,4 |
|
С1Ф-С2Ф-3Ф (для МПЦ) |
Рабочие цепи стрелок |
209-231 |
|
ПХ, ОХ, (ЦПХР, ЦОХР) |
Питание РЦ |
209-231 |
|
ПХ1, ОХ1 |
Питание РЦ |
209-231 |
|
ПХ2, ОХ2 |
Питание РЦ |
209-231 |
|
ЦПХК, ЦОХК |
Кодирование |
209-231 |
|
24ЦПУ1 |
Питание ЦПУ 1 канала УВК |
=24-27,4 |
|
24ЦПУ2 |
Питание ЦПУ 2 канала УВК |
=24-27,4 |
|
24ЦПУ3 |
Питание ЦПУ 3 канала УВК |
=24-27,4 |
|
ПХЭ1, ОХЭ1 |
Электрообогрев |
198-231 |
|
АРМ ДСП1 |
1-е рабочее место ДСП |
209-231 |
|
АРМ ДСП2 |
2-е рабочее место ДСП |
209-231 |
|
АРМ ДСП3 |
3-е рабочее место ДСП |
209-231 |
|
КСУ |
Контрольно-согласующее устройство |
209-231 |
4 Оформление результатов
4.1 Данные измерений в процессе
выполнения работы записываются в Журнал проверки питающей установки.
4.2 О
выполненной работе сделать запись в «Журнале проверки питающей установки» с
указанием устраненных недостатков, а также в журнале формы ШУ-2.