![]() |
|

|
ЦШ ОАО «РЖД» |
|
ТЕХНОЛОГИЧЕСКАЯ КАРТА № 11.1.1.2 |
|
Устройства
электропитания. Основные и
резервные источники электропитания |
|
Выполняемая работа |
|
Панели электропитания малых станций серии ПВ-ЭЦ. Измерение не контролируемых средствами ТДМ напpяжений и токов цепей питания |
|
Средства технологического оснащения: ампервольтомметр ЭК-2346, мультиметр В7-63, токовые клещи АРРА30R, или другие измерительные приборы аналогичные по характеристикам, измерительные приборы установленные на питающей установке, набор инструмента для обслуживания линейных устройств СЦБ, диэлектрические коврики, диэлектрические перчатки |
1 Общие указания
1.1 Настоящая технологическая
карта распространяется на питающие установки малых станций, в стандартный ряд
которых входят панели:
- вводные
ПВ-ЭЦ, ПВ1-ЭЦ, ПВ2-ЭЦ, ПВ3-ЭЦ;
- распределительные ПР-ЭЦ25,
ПР2-ЭЦ, ПР3-ЭЦ;
- распределительно-преобразовательные
ПРП-ЭЦ, ПРПТ-ЭЦ;
- преобразовательные ПП25-ЭЦ,
ПП50-ЭЦ.
1.2 Напряжения и токи подводящих
фидеров, напряжения всех цепей, питание которых осуществляется с данных
панелей, а также потребляемые этими нагрузками токи следует измерять
стационарными измерительными приборами, установленными на панелях. При
необходимости измерения производятся переносными измерительными приборами.
Измерительные приборы должны иметь отметку о поверке.
Одновременно с измерениями проверяется
работа переключателей. Переключатели должны работать четко, без заеданий, точно
фиксироваться в установленных положениях.
1.3 Переключения питающих фидеров при
необходимости следует выполнять в свободное от движения поездов время
(промежутке между поездами) после согласования с дежурным по станции (поездным
диспетчером).
1.4 Перед началом работ необходимо
проверить исправность и отсутствие аварийной индикации на панелях (индикаторы
красного цвета не должны гореть).
При
наличии аварийной индикации принять меры к выяснению и устранению причин
аварийной индикации.
2 Меры безопасности
2.1 При
выполнении работ следует руководствоваться требованиями раздела III и пункта 5.1.10 раздела V «Правил по охране труда при техническом обслуживании
и ремонте устройств сигнализации, централизации и блокировки в ОАО «РЖД»,
утвержденных Распоряжением ОАО «РЖД» от 30.09.2009 г. №2013р.
2.2 Работа проводится без снятия
напряжения с питающей установки, в порядке текущей эксплуатации с оформлением
записи в оперативном журнале, электротехническим персоналом, имеющим группу по
электробезопасности при работе в электроустановках до 1000 В не ниже III, перед началом работ проинструктированным
установленным порядком.
2.3 Измерения
переносными измерительными приборами должны производиться в два лица. Подключение
и отключение переносных измерительных приборов под напряжением допускается при
наличии на проводах специальных наконечников с изолирующими рукоятками.
2.4 Работы необходимо выполнять
инструментом с изолирующими рукоятками, стоя на диэлектрическом коврике, в
необходимых случаях в диэлектрических перчатках.
Прежде чем приступить к работе,
необходимо проверить перчатки и коврики на отсутствие механических повреждений,
а также на наличие на диэлектрических перчатках отметок о проверке
установленной формы.
2.5 Место работ должно иметь
достаточное для их производства освещение. При необходимости следует применять
переносные осветительные приборы.
3 Измерение не контролируемых
средствами ТДМ напряжений и токов цепей питания на панелях ПВ-ЭЦ и ПВ1-ЭЦ
3.1 Панели
вводные ПВ-ЭЦ и ПВ1-ЭЦ предназначены для работы в составе устройств электропитания
ЭЦ промежуточных станций (до 30 стрелок) на участках с любым видом тяги.
3.2 Панели ПВ-ЭЦ и ПВ1-ЭЦ обеспечивают:
а) подключение
двух фидеров трехфазного переменного тока с номинальным напряжением 380/220 В
или одного трехфазного фидера и одного однофазного фидера переменного тока с
номинальным напряжением 220 В, а также резервной электростанции (ДГА);
б) автоматическое
переключение нагрузки с одного фидера на другой при выключении или снижении
напряжения на работающем фидере до значений, указанных в таблице 1, а также
переключение нагрузки на ДГА при выключении напряжения в обоих фидерах;
в) автоматическое
переключение нагрузки со второго фидера или ДГА на первый фидер после его
включения с выдержкой 1-2 мин. (при работе питающей установки в режиме
преобладания первого фидера). При отсутствии напряжения во втором фидере и ДГА
включение нагрузки на первый фидер происходит без выдержки времени;
г) ручное
переключение нагрузки с одного фидера на другой, отключение фидеров на ремонт,
а также запуск резервной электростанции с аппарата управления ДСП как с
переключением, так и без переключения на нее питания ЭЦ;
д) электрическую
изоляцию цепей питания устройств ЭЦ от внешних источников переменного тока, а
также защиту их от перегрузок;
е) контроль
числа выключений первого и второго фидера;
ж) наличие
напряжения на нагрузках: связь, мастерские, гарантированное освещение и
нагрузка СЦБ (последующие панели питающей установки).
На
рабочем месте ДСП предусмотрена сигнализация:
- оптическая
- работающего фидера и оптическая и звуковая - выключения напряжения в фидерах;
- оптическая
- запуска и работы ДГА;
- оптическая
и звуковая - перегорания предохранителей.
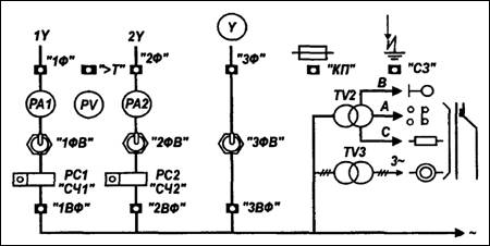
3.3 Для удобства обслуживания на
лицевой двери панелей ПВ-ЭЦ и ПВ1-ЭЦ отображены мнемосхемы разводки питания
(рисунки 1 и 2).

Рисунок 1.
Мнемосхема разводки питания панели ПВ-ЭЦ

Рисунок
2. Мнемосхема разводки питания панели ПВ1-ЭЦ
Лампочки
зелёного цвета (1Ф, 2Ф) указывают на наличие напряжения в соответствующем
фидере. Лампочки белого цвета (1ВФ, 2ВФ) указывают на активный в данный момент
фидер. Лампочка зелёного цвета (3Ф) указывает на включение резервного питания
(ДГА работает).
Лампочка
красного цвета (3ВФ) указывает, что ДГА подключен на нагрузку. Лампочка (КПЛ)
красного цвета указывает на неисправность предохранителей, Лампочка (СЗ)
красного цвета указывает на срабатывание СЗИ. На лицевой стороне панели
расположены также тумблеры 1ФВ, 2ФВ и 3ФВ для включения и выключения фидеров
питания или ДГА.
3.4 На мнемосхеме панели перед
началом работ необходимо проверить:
- свечение
ровным светом индикаторов 1Ф, 2Ф;
- отсутствие
аварийной индикации (лампочки красного цвета на мнемосхеме не должны гореть).
При
наличии аварийной индикации принять меры к выяснению и устранению причин аварийной
индикации.
3.5 Проверка
напряжений и токов цепей питания и нагрузки производится по показаниям
вольтметра РV и амперметров РА1 и РА2 с использованием переключателей ВV, ВА1,
ВА2, расположенных на лицевой стороне панели в следующей последовательности:
- с помощью вольтметра PV измерить
напряжение U1-2, U2-3, U1-3 между
фазами первого и второго фидеров. Вольтметр подключается к соответствующей фазе
переключателем ВV;
- с помощью
амперметров А1 или А2 измерить фазные токи работающего фидера. Амперметры
подключаются к соответствующим фазам переключателями ВА1 или ВА2.
Измеренные напряжения должны быть в
пределах, а токи не должны превышать значений, указанных в таблице 1.
Таблица1.
|
Параметр |
Нормируемое значение |
|
Напряжение источников переменного тока |
380/220 В ±10 % |
|
Напряжения в фазах, контролируемые панелью, В: |
|
|
отключения источника |
187 ±4 |
|
включения источника |
198 ±4 |
|
Максимальный ток в фазе, А |
40 |
|
Максимально допустимые фазные токи нагрузок, А: |
|
|
Нагрузка |
15 |
|
Прочие нагрузки |
30 |
Примечание- К выводам «нагрузка» подключается аппаратура связи и
другие устройства, получающие питание от всех источников переменного тока, а к
выводам «прочие нагрузки» - мастерские и устройства с питанием только от фидера
2.
Если измеренное значение напряжения или
тока выходит за пределы, указанные в таблице 1, необходимо выяснить
причину и принять соответствующие меры.
Токи
конкретных нагрузок, при необходимости, измеряют токовыми клещами. Места
измерений определяет ШЧУ.
Максимальные значения токов
нагрузки фаз и токов конкретных нагрузок определяет ШЧУ и фиксирует в «Журнале
проверки питающей установки».
3.6 Одновременно
с измерениями электромеханик должен проверить исправность работы индикаторов
фидеров на рабочем месте ДСП.
Непрерывное горение зеленых индикаторов фидеров сигнализирует о том, что напряжения на фидерах в пределах допуска. Непрерывное горение белого индикатора означает, что соответствующий фидер включен на нагрузку.
4 Измерение не контролируемых
средствами ТДМ напряжений и токов цепей питания на панелях ПВ2-ЭЦ и ПВ3-ЭЦ
4.1 Панели вводные ПВ2-ЭЦ и ПВ3-ЭЦ
предназначены для работы в составе устройств электропитания ЭЦ промежуточных
станций (до 30 стрелок) на участках с любым видом тяги.
4.2 Панели ПВ2-ЭЦ и ПВ3-ЭЦ обеспечивают:
а) подключение
двух фидеров трехфазного переменного тока, а также резервной электростанции
(ДГА);
б) автоматическое
переключение нагрузки с одного фидера на другой при выключении или снижении
напряжения на работающем фидере до значений, указанных в таблице 2, а также
переключение нагрузки на ДГА при выключении напряжения в обоих фидерах;
в) ручное
переключение нагрузки с одного фидера на другой, отключение фидеров для ремонта,
а также ручной запуск резервной электростанции (с аппарата управления ДСП
нажатием кнопки ДП – пуск), как с
переключением, так и без переключения на нее питания ЭЦ;
г) электрическую
изоляцию цепей питания устройств ЭЦ от внешних источников переменного тока, а
также защиту их от перегрузок;
д) контроль
числа выключений первого и второго фидера;
е) наличие
напряжения на нагрузках: связь, мастерские, гарантированное освещение и силовая
нагрузка, нагрузка СЦБ (последующие панели питающей установки).
На
рабочем месте ДСП предусмотрена сигнализация:
- оптическая
- работающего фидера, оптическая и звуковая - выключения напряжения в фидерах, оптическая
- запуска и работы ДГА;
- оптическая
и звуковая - перегорания предохранителей.
4.3 Для удобства обслуживания на
лицевой стороне панелей ПВ2-ЭЦ и ПВ3-ЭЦ имеется мнемосхема разводки питания
(рисунок 3) с обозначением на ней приборов управления и контроля.

Рисунок 3.
Мнемосхема разводки питания панелей ПВ2-ЭЦ и ПВ3-ЭЦ
Горение
зеленых светодиодных индикаторов 1Ф, 2Ф, и красного индикатора 3Ф верхнего ряда
указывает на наличие напряжения в соответствующем фидере и ДГА (при запуске ДГА),
а желтых индикаторов 1ВФ, 2ВФ, 3ВФ нижнего ряда – на источник, от которого
получает питание нагрузка ЭЦ.
Мигание
индикаторов 1Ф, 2Ф указывает на то, что в фидере повышенное напряжение, а мигание
индикаторов 1ВФ, 2ВФ – что в соответствующем фидере нарушено чередование фаз.
На
мнемосхеме расположены также тумблеры 1ФВ, 2ФВ и 3ФВ для включения и выключения
фидеров и ДГА.
Включение индикатора «>Т» показывает,
что детектор интервала времени ДВ2 зафиксировал одновременное выключение
фидеров на время более 1,3 с. При этом на аппарате управления ДСП
загорается красный индикатор «ВФ», для выключения которого (а также индикатора
«>Т») предусмотрена кнопка «ВФ» со счетчиком.
Включение
красного индикатора КП происходит при:
- перегорании
предохранителей;
- срабатывании
автоматического выключателя;
- неисправности
выпрямителя БВ;
- нахождении
тумблера 1ФР или 2ФР во включенном положении (данные тумблеры установлены для
исключения прерывания цепи пускателя работающего фидера при ремонте пускателя
не работающего фидера).
Включение
индикатора Сз красного
цвета (в панели ПВ3-ЭЦ индикатор Сз отсутствует) указывает
на срабатывание сигнализатора заземления СЗМ. По индикаторам на СЗМ
определяется цепь, в которой сопротивление изоляции снизилось до критического
значения.
4.4 На
мнемосхеме панели перед началом работ необходимо проверить:
- свечение
ровным светом индикаторов 1Ф, 2Ф;
- отсутствие
аварийной индикации (лампочки красного цвета на мнемосхеме не должны гореть);
- отсутствие
включения индикатора «>Т»;
- по
показаниям счетчиков числа отключения фидеров – было ли отключение фидеров за период,
прошедший после последней проверки, (при отключении фидеров с панели тумблерами
«1ФВ», « 2ФВ» счетчики не срабатывают).
При
наличии аварийной индикации, включении индикатора «>Т» или фиксации
отключения фидеров принять меры к выяснению и устранению причин аварийной индикации
и отключения фидеров.
4.5 Проверку
напряжений и токов цепей питания и нагрузок следует производить по показаниям
вольтметра РV и амперметров РА1 и РА2, расположенных на
лицевой стороне панелей, с использованием переключателей ВV,
ВА1, ВА2 (переключатели на мнемосхеме не показаны) в следующей
последовательности:
- измерить
напряжение U1-2, U2-3, U1-3 между
фазами первого и второго фидеров. Вольтметр подключается к соответствующей фазе
переключателем ВV;
- с помощью
амперметров РА1 или РА2 измерить фазные токи работающего фидера. Амперметры
подключаются к соответствующим фазам переключателями ВА1 или ВА2.
Измеренные напряжения должны быть в
пределах, а токи не должны превышать значений, указанных в таблице 2.
Таблица 2
|
Параметр |
Нормируемое значение |
|
Напряжение источников переменного тока |
380/220 В ±10 % |
|
Напряжение отключения источника, В, не менее |
187 ±4 |
|
Минимальное напряжение включения источника, В |
198 ±4 |
|
Максимальный ток в фазе, А |
40 |
|
Максимально допустимые фазные токи нагрузок, А: |
|
|
Устройства связи |
10 |
|
Прочие нагрузки |
30 |
Примечание- К выводам «прочие нагрузки» подключаются мастерские
и устройства с питанием только от фидера 2.
Если
измеренное значение напряжения выходит за пределы, указанные в таблице 2,
необходимо определить причину и принять
соответствующие меры.
Токи
конкретных нагрузок, при необходимости, измеряют токовыми клещами. Места
измерений определяет ШЧУ.
Максимальные
значения токов нагрузки фаз и токов конкретных нагрузок определяет ШЧУ и фиксирует
в «Журнале проверки питающей установки».
Если величина тока превышает значение,
определенное ШЧУ, следует определить причину и принять соответствующие меры к
его снижению (путем отключения или перераспределения ряда нагрузок).
4.6 Одновременно
с измерениями электромеханик должен проверить исправность работы индикаторов
фидеров на рабочем месте ДСП.
Непрерывное горение белого индикатора
фидера означает, что соответствующий фидер включен на нагрузку, а горение его в
мигающем режиме – в соответствующем фидере нарушено чередование фаз.
Если горит красный индикатор, то это
означает:
- непрерывное горение - на фидере
нет напряжения или напряжение ниже нормы;
- горение в мигающем режиме -
напряжение на соответствующем фидере выше нормы.
5 Измерение не контролируемых
средствами ТДМ напряжений и токов цепей питания панели ПР-ЭЦ25
5.1 Панель распределительная ПР-ЭЦ25
предназначена для распределения питания, полученного от вводной панели, по
различным нагрузкам, автоматического заряда аккумуляторной батареи с
номинальным напряжением 24 В, питания рельсовых цепей частотой 25 Гц и
преобразования постоянного тока аккумуляторной батареи в переменный ток
напряжением 220 В и частотой 50 Гц для гарантированного питания ряда
нагрузок ЭЦ в аварийном режиме.
5.2 Панель ПР-ЭЦ25 обеспечивает:
- поддержание напряжения батареи посредством
устройства зарядного автоматического УЗА-24-10 в пределах (26,4±1,2) В;
- сохранение
питания релейной нагрузки посредством УЗА-24-10 (от сети переменного тока) при
выключении аккумуляторной батареи;
- ручное
и автоматическое переключение дневного и ночного режимов питания светофоров;
- переключение
вручную питания светофоров на режим ДСН;
- переключения
вручную режимов питания ламп табло;
- импульсное
питание ламп табло и огней светофоров;
- питание
рабочих цепей стрелок с электродвигателями постоянного тока и автоматическое
включение резервного выпрямителя при неисправности основного;
- выключение
питания рабочих цепей стрелок при длительной работе электродвигателей на
фрикцию;
- преобразование
переменного тока промышленной частоты в переменный ток частотой 25 ГЦ для
питания рельсовых цепей;
- изолированное
от батареи питание внепостовых схем ЭЦ;
- питание
нагрузок при входном напряжении переменного тока Uc равном 220 В±10 %
и напряжении батареи Uб равном (26,4±1,2) В в соответствии с
табл. 3.
5.3 Для удобства обслуживания на
лицевой стороне панели ПР-ЭЦ25 имеется мнемосхема разводки питания (рисунок 4),
на которую выведены основные элементы коммутации, регулировки и контроля.
Работа
панели в каждом режиме заряда контролируется зажиганием лампочек: белого цвета
ПЗЛ – постоянный подзаряд и красного цвета ФЗЛ – форсированный заряд.
Работа
зарядного устройства УЗА-24-10 контролируется красными лампочками МТЛ на
мнемосхеме и КБЛ на пуль-табло ДСП, которые мигают при превышении максимально
допустимого тока заряда (13 А).
Таблица 3
|
Наименование нагрузки |
Обозначение цепи |
Режим работы |
Род тока |
Напряжение, В |
|
Светофоры |
ПХС-ОХС |
День |
переменный |
Uc |
|
Ночь |
переменный |
0,8 Uc |
||
|
ДСН |
переменный |
0,5 Uc |
||
|
Рельсовые цепи: Путевые трансформаторы Местные элементы ДСШ |
ПХРЦ1-ОХРЦ1 ПХРЦ2-ОХРЦ2 ПХРЦ3-ОХРЦ3 ПХРЦ4-ОХРЦ4 |
_ |
Переменный частотой 25 Гц |
Uc |
|
ПХМ-ОХМ |
0,5 Uc |
|||
|
Контрольные цепи стрелок |
ПХКС-ОХКС |
- |
переменный |
Uc |
|
Рабочие цепи стрелок с электродвигателями постоянного тока |
РПБ-РМБ |
|
постоянный |
Не менее
0,9Uc |
|
Рабочие цепи стрелок с электродвигателями переменного тока |
РА, РВ, РС РУА, РУВ, РУС |
|
переменный трехфазный |
Uc 1,06Uc |
|
Релейная нагрузка |
П-М |
|
постоянный |
Uб |
|
Внепостовые схемы |
ПП-ПМ |
|
постоянный |
0,115-0,135 Uc |
|
Лампы пульт-табло и панелей питания в нормальном режиме |
СХ-МС СХМ-МС СМ-МС КС-КМС С-МС |
День |
переменный |
23-25 |
|
Ночь |
переменный |
18-20 |
На мнемосхеме предусмотрена также индикация контроля перегорания предохранителей, неисправности выпрямителей питания стрелочных электродвигателей постоянного тока (красная лампочка ЛКВ).
Рисунок 4.
Мнемосхема разводки питания панели ПР-ЭЦ25
5.4 Перед началом работ необходимо
убедиться в исправности и отсутствии аварийной
индикации на мнемосхеме панели и аппарате управления ДСП (лампочки красного
цвета не должны гореть).
При наличии аварийной индикации принять
меры к выяснению и устранению причин аварийной индикации.
5.5 Напряжения и токи на панели
следует измерять щитовыми измерительными приборами с использованием
переключателей установленных на лицевой двери.
Амперметр
РА служит для измерения тока релейной нагрузки, тока заряда батареи и тока
потребляемого преобразователем в режиме преобразования.
Вольтметр PV1 на 50 В предназначен
для измерения напряжений батареи и питания рабочих цепей стрелок с
электродвигателями постоянного тока. В последнем случае показание вольтметра
необходимо умножать на 10.
Вольтметр PV2 предназначен для
измерения напряжений переменного тока на выходе панели и подключается к
нагрузкам соответствующими тумблерами, расположенными на мнемосхеме.
5.6 Измерения
производятся в следующей последовательности.
5.6.1 Амперметром РА измерить:
- ток
заряда батареи путем перевода переключателя В1 в верхнее положение;
- ток релейной нагрузки (переключатели
В1и В2 в нижнем положении).
Максимальный ток релейной нагрузки
определяет ШЧУ и фиксирует в «Журнале проверки питающей установки».
Максимальный ток заряда батареи в
режиме постоянного подзаряда должен превышать ток релейной нагрузки не более
чем на 1,5 А.
Вольтметром PV1 измерить:
- напряжение батареи (выключатель
БК в верхнем положении);
- напряжение цепи перевода стрелок
постоянного тока (выключатель БК в нижнем положении, выключатель PC в верхнем
положении).
5.6.2 Вольтметром PV2,
подключаемым тумблерами, установленными под табличками с условными
обозначениями нагрузок, измерить напряжения на нагрузках:
- питание светофоров (тумблер 1СВ)
в соответствующем режиме работы (день, ночь);
- контроль стрелок (тумблер КС);
- лучи питания рельсовых цепей
(тумблеры ЛРЦ1, ЛРЦ 2,
ЛРЦ 3, ЛРЦ 4);
- питание местных элементов реле
ДСШ (тумблерРРЦ);
- питание электродвигателей
переменного тока стрелочных электроприводов нормальным (тумблер РСТ) и
повышенным (тумблер РСТУ) напряжениями.
Измерения
с помощью вольтметра РV2 проводятся
при первоначальном нахождении измерительных тумблеров РСТ, РСТУ, КС, 1СВ, 1ЛРЦ,
2ЛРЦ, 3ЛРЦ,4ЛРЦ, 5ЛРЦ, 6ЛРЦ, 7ЛРЦ, 8ЛРЦ, РРЦ в нижнем положении. Тумблер
измеряемой цепи на момент измерения переводится в верхнее положение и по
окончании измерения возвращается в нижнее положение.
Примечание – входы измерительных тумблеров 5ЛРЦ ….8ЛРЦ в типовой схеме панели не задействованы и являются резервными.
5.7 Измеренные
значения напряжений должны соответствовать значениям, указанных в таблице 3. Допускаются
отклонения напряжения не более ±10 % от номинального.
Если измеренное
значение напряжения выходит за указанные пределы, необходимо выяснить причину и
принять соответствующие меры.
Токи
нагрузок конкретных цепей, при необходимости, измеряют токовыми клещами. Места
измерений и допустимые значения этих токов определяет ШЧУ и фиксирует в
«Журнале проверки питающей установки».
Если
величина тока превышает допустимое значение, определить причину и принять
соответствующие меры к его снижению (путем отключения или перераспределения
ряда нагрузок).
6 Измерение не контролируемых
средствами ТДМ напряжений и токов цепей питания панели ПР2-ЭЦ
6.1 Панель распределительная ПР2-ЭЦ
предназначена для распределения питания, полученного от вводной панели, по
различным нагрузкам, автоматического заряда аккумуляторной батареи с
номинальным напряжением 24 В и преобразования постоянного тока
аккумуляторной батареи в переменный ток напряжением 220 В и частотой
50 Гц для гарантированного питания ряда нагрузок ЭЦ в аварийном режиме.
6.2 В зависимости от частоты
питания рельсовых цепей, частоты АЛСН и рода тока стрелочных электродвигателей
панель ПР2-ЭЦ выпускается в четырех исполнениях: ПР2-ЭЦ25Т, ПР2-ЭЦ25П, ПР2-ЭЦ50
Т и ПР2-ЭЦ75Т.
6.3 Панель ПР2-ЭЦ обеспечивает:
- поддержание
напряжения батареи посредством устройства зарядного автоматического УЗА-24-20 в
пределах (26,4±1,2) В;
- автоматическое
включение на нагрузку резервного зарядного устройства УЗА-24-20 при выходе из
строя основного УЗА-24-20;
- ручное
и автоматическое переключение дневного и ночного режимов питания светофоров,
ручное переключение на режим питания светофоров с двойным снижением напряжения;
- переключения
вручную режимов питания ламп табло;
- импульсное
питание ламп табло и огней светофоров;
- автоматическое
включение резервных выпрямителей питания рабочих цепей стрелок с
электродвигателями постоянного тока при выходе из строя основных выпрямителей
(панель ПР2-ЭЦ25П);
- питание
нагрузок в соответствии с табл. 4 (при входном напряжении переменного тока Uc
равном 220 В±10 % и напряжении батареи Uб равном (26,4±1,2) В).
Таблица 4
|
Наименование нагрузки |
Обозначение цепи |
Режим работы |
Род тока |
Напряжение, В |
|
Светофоры |
ПХС-ОХС |
День |
переменный |
Uc |
|
Ночь |
переменный |
0,8 Uc |
||
|
ДСН |
переменный |
0,5 Uc |
||
|
Рельсовые цепи: Путевые трансформаторы Местные элементы ДСШ |
ПХРЦ1-ОХРЦ1 ПХРЦ2-ОХРЦ2 ПХРЦ3-ОХРЦ3 ПХРЦ4-ОХРЦ4 |
_ |
Переменный частотой 25 Гц (ПР2-ЭЦ25Т, ПР2-ЭЦ25П) |
Uc |
|
ПХМ-ОХМ |
0,5 Uc |
|||
|
Контрольные цепи стрелок |
ПХКС-ОХКС |
- |
переменный |
Uc |
|
Рабочие цепи стрелок с электродвигателями постоянного тока |
РПБ-РМБ |
|
Постоянный ПР2-ЭЦ25П |
Не менее
0,9Uc |
|
Рабочие цепи стрелок с электродвигателями переменного тока |
РА, РВ, РС РУА, РУВ, РУС |
|
переменный трехфазный ПР2-ЭЦ25Т ПР2-ЭЦ25Т |
Uc 1,06Uc |
|
Релейная нагрузка |
П-М |
|
постоянный |
Uб |
|
Пульт-табло, панели питания |
ЩП-ЩМ |
|
постоянный |
Uб |
|
Внепостовые схемы ЭЦ |
ЛП-ЛМ |
|
постоянный |
0,115-0,135 Uc |
|
Аппаратура тональных рельсовых цепей |
ПХН1-ОХН1 ПХН2-ОХН2 ПХН3-ОХН3 ПХН4-ОХН4 |
|
Переменный (ПР2-ЭЦ50Т, ПР2-ЭЦ75Т) |
Uc |
|
Кодирование рельсовых цепей |
ПХЛ1-ОХЛ1 ПХЛ2-ОХЛ2 |
|
Переменный 50 Гц или 75 Гц |
Uc |
|
Лампы пульт-табло и панелей питания в нормальном режиме |
СХ-МС КС-КМС С-МС |
День |
переменный |
23-25 |
|
Ночь |
переменный |
18-20 |
||
|
СХМ-МС СМ-МС РСХМ-МС |
|
Переменный импульсный |
23-25 |
6.4 Для
удобства обслуживания на лицевых сторонах панелей имеются мнемосхемы разводки
питания (рисунки 5 и 6), на которые выведены основные элементы коммутации,
регулировки и контроля.

Рисунок 5. Мнемосхема
разводки питания панелей ПР2-ЭЦ25Т и ПР2-ЭЦ25П

Рисунок 6. Мнемосхема разводки питания панелей ПР2-ЭЦ50Т
и ПР2-ЭЦ75Т
О
режиме заряда батареи, обеспечиваемом зарядным устройством Вп1, сигнализируют своим
свечением индикаторы: зеленый «ПЗ» (непрерывный подзаряд), красный «ФЗ1» и
красный «ФЗ2» (основной и дополнительный режим форсированного заряда).
Назначение
других индикаторов, показанных на мнемосхемах:
- красный
индикатор «КНЗ» - групповая сигнализация неисправности зарядных устройств и
батареи;
- красный
индикатор «КП» - сигнализация неисправности предохранителей;
- красный
индикатор «БВ1» - сигнализация неисправности выпрямителя питания внепостовых
схем ЭЦ;
- красный
индикатор «БВ2, БВ3» - сигнализация неисправности выпрямителей питания рабочих
цепей стрелок (ПР2-ЭЦ25П);
- зеленый
индикатор «СМ» - сигнализация работы источника импульсного питания табло с
нормальным периодом между импульсами;
- зеленый
индикатор «РСМ» - сигнализация работы источника импульсного питания табло с
увеличенным периодом между импульсами.
6.5 Перед началом работ необходимо
убедиться в исправности и отсутствии аварийной индикации на мнемосхеме панели и аппарате управления ДСП (индикаторы
красного цвета не должны светиться).
При
наличии аварийной индикации принять меры к выяснению и устранению причин
аварийной индикации.
6.6 Напряжения и токи на панели
следует измерять щитовыми измерительными приборами с использованием
переключателей установленных на лицевых сторонах панелей.
6.7 Измерения
производятся в следующей последовательности.
6.7.1 Вольтметром PV1 измерить:
- напряжение
постоянного тока на аккумуляторной батарее (положение 1 переключателя ВV1);
- напряжение
на выходе выпрямителя БВ1 для питания внепостовых схем (положение 2
переключателя ВV1);
- напряжение
рабочих цепей стрелок с электродвигателями постоянного
тока (ПР2-ЭЦ25П) или напряжение на выходе преобразователя ПП1 (ПР-ЭЦ75Т)
(положение 3 переключателя ВV1);
- напряжение
на релейной нагрузке (положение 4 переключателя ВV1).
6.7.2 Вольтметром PV2 измерить:
- напряжение
переменного тока питания рабочих цепей стрелок (без увеличения напряжения и с увеличением
напряжения) (положение 7 и 8 переключателя ВV2 соответственно);
- напряжение
питания контрольных реле стрелок (положение 9 переключателя ВV2);
- напряжение
питания светофоров (положение 10 переключателя ВV2);
- напряжение
лучей для питания аппаратуры рельсовых цепей тональной частоты и кодирования
рельсовых цепей частотой 50 Гц для панелей ПР2-ЭЦ50Т и частотой 75 Гц
для панелей ПР2-ЭЦ75Т (положения 11 и 12 переключателя ВV2);
- напряжение
питания лучей рельсовых цепей частотой 25 Гц (при положении 11 переключателя ВV2 измеряется при положениях 12 - 15 переключателя ВV3) для панелей ПР2-ЭЦ25Т и ПР2-ЭЦ25П;
- напряжение
питания местных элементов путевых реле ДСШ (положение 16 переключателя ВV3).
6.7.3 Измеренные
напряжения должны соответствовать значениям, указанным в таблице 4. Допускаются
отклонения напряжения не более ±10 % от номинального.
Если измеренное значение напряжения выходит за указанные
пределы, необходимо выяснить причину и принять соответствующие меры.
6.7.4 Амперметром РА2 измерить ток
релейной нагрузки.
Максимальный
ток релейной нагрузки определяет ШЧУ и фиксирует в «Журнале проверки питающей
установки».
Амперметром
РА1 измерить ток на выходе зарядного устройства Вп1 (суммарный ток релейной
нагрузки и заряда батареи), максимальный ток должен превышать ток релейной
нагрузки не более чем на 1,5 А.
Токи
нагрузок конкретных цепей, при необходимости, измеряют токовыми клещами. Места
измерений и допустимые значения этих токов определяет ШЧУ и фиксирует в
«Журнале проверки питающей установки».
Если величина тока превышает допустимое
значение, определить причину и принять соответствующие меры к его снижению (путем
отключения или перераспределения ряда нагрузок).
7 Измерение не контролируемых
средствами ТДМ напряжений и токов цепей питания панели ПР3-ЭЦ
7.1 Панель распределительная ПР3-ЭЦ
предназначена для распределения питания устройств ЭЦ станций, имеющих до 30
стрелок, полученного от вводной панели, по различным нагрузкам, автоматического
заряда аккумуляторной батареи с номинальным напряжением 24В и преобразования
постоянного тока аккумуляторной батареи в переменный ток напряжением 220 В
и частотой 50 Гц для гарантированного питания ряда нагрузок ЭЦ в аварийном
режиме.
7.2 Панель ПР3-ЭЦ обеспечивает:
- поддержание
напряжения батареи посредством устройства зарядного автоматического УЗА-24-10 в
пределах (26,4±1,2) В;
- сохранение
питания реле ЭЦ посредством УЗА-24-10 (от сети переменного тока) при выключении
аккумуляторной батареи;
- ручное
и автоматическое переключение дневного и ночного режимов питания светофоров;
- переключение
вручную режима питания светофоров с двойным снижением напряжения, а также
режимов питания ламп табло;
- импульсное
питание ламп табло и огней светофоров.
- автоматическое
включение на нагрузку резервного зарядного устройства при выходе из строя
основного;
- питание
нагрузок в соответствии с табл. 5 (при входном напряжении переменного тока Uc
равном 220 В±10 % и напряжении батареи Uб равном (26,4±1,2) В).
Таблица 5
|
Наименование нагрузки |
Обозначение цепи |
Режим работы |
Род тока |
Напряжение, В |
|
Светофоры |
ПХС-ОХС |
День |
переменный |
Uc |
|
Ночь |
переменный |
0,8 Uc |
||
|
ДСН |
переменный |
0,5 Uc |
||
|
Контрольные цепи стрелок |
ПХКС-ОХКС |
- |
переменный |
Uc |
|
Рабочие цепи стрелок с электродвигателями переменного тока |
РА, РВ, РС РУА, РУВ, РУС |
|
переменный трехфазный |
Uc 1,06Uc |
|
Релейная нагрузка |
П-М |
|
постоянный |
Uб |
|
Пульт-табло, панели питания |
ЩП-ЩМ |
|
постоянный |
Uб |
|
Внепостовые схемы ЭЦ |
ЛП-ЛМ |
|
постоянный |
0,115-0,135 Uc |
|
Лампы пульт-табло и панелей питания в нормальном режиме |
СХ-МС КС-КМС С-МС |
День |
переменный |
23-25 |
|
Ночь |
переменный |
18-20 |
||
|
СХМ-МС СМ-МС РСХМ-МС |
|
Переменный импульсный |
23-25 |
7.3 Для
удобства обслуживания на лицевой двери панели ПР3-ЭЦ имеется мнемосхема
разводки питания (рисунок 7), на которую выведены основные элементы коммутации,
регулировки и контроля.

Рисунок 7.
Мнемосхема разводки питания панели ПР3-ЭЦ
О
режиме заряда батареи, обеспечиваемом зарядным устройством Вп1, сигнализируют своим
свечением индикаторы: зеленый «ПЗ» (непрерывный подзаряд), красный «ФЗ1» и
красный «ФЗ2» (основной и дополнительный режим форсированного заряда).
Назначение других индикаторов,
показанных на мнемосхемах:
- красный индикатор «КНЗ» -
групповая сигнализация неисправности зарядных устройств и батареи;
- красный индикатор «КП» -
сигнализация неисправности предохранителей;
- красный индикатор «БВ1» -
сигнализация неисправности выпрямителя питания внепостовых схем ЭЦ;
- зеленый индикатор «СМ» -
сигнализация работы источника импульсного питания табло с нормальным периодом между
импульсами.
7.4 Перед началом работ необходимо
убедиться в исправности и отсутствии аварийной индикации на мнемосхеме панели и аппарате
управления ДСП (индикаторы красного цвета не должны светиться).
При наличии аварийной индикации принять
меры к выяснению и устранению причин аварийной индикации.
7.5 Напряжения и токи на панели
следует измерять щитовыми измерительными приборами с использованием
переключателей установленных на лицевых сторонах дверей.
7.6 Измерения
производятся в приведенной ниже последовательности.
7.6.1 Вольтметром PV1 измерить:
- напряжение постоянного тока на
аккумуляторной батарее (положение 1 переключателя ВV1);
- напряжение на выходе выпрямителя
БВ1 для питания внепостовых схем (положение 2 переключателя ВV1);
- напряжение релейной нагрузки
(положение 4 переключателя ВV1).
7.6.2 Вольтметром PV2 измерить:
- напряжение переменного тока
питания рабочих цепей стрелок (без увеличения напряжения и с увеличением
напряжения) (положение 7 и 8 переключателя ВV2 соответственно);
- напряжение питания контрольных
реле стрелок (положение 8 переключателя ВV2);
- напряжение питания светофоров
(положение 9 переключателя ВV2).
7.6.3 Измеренные
напряжения должны соответствовать значениям, указанным в таблице 5. Допускаются
отклонения напряжения не более ±10 % от номинального.
Если измеренное значение напряжения
выходит за указанные пределы, необходимо выяснить причину и принять
соответствующие меры.
7.6.4 Амперметром РА2 измерить ток
релейной нагрузки.
Максимальный
ток релейной нагрузки определяет ШЧУ и фиксирует в «Журнале проверки питающей
установки».
Амперметром РА1 измерить ток на выходе
зарядного устройства Вп1 (суммарный ток релейной нагрузки и заряда батареи),
максимальный ток должен превышать ток релейной нагрузки не более чем на
1,5 А.
Токи
нагрузок конкретных цепей, при необходимости, измеряют токовыми клещами. Места
измерений и допустимые значения этих токов определяет ШЧУ и фиксирует в
«Журнале проверки питающей установки».
Если
величина тока превышает допустимое значение, определить причину и принять
соответствующие меры к его снижению (путем отключения или перераспределения
ряда нагрузок).
8 Измерение не контролируемых средствами ТДМ напряжений
и токов цепей питания панелей ПРП-ЭЦ
8.1 Панели ПРП-ЭЦ применяются на
станциях до 30 стрелок и предназначены для распределения питания по различным нагрузкам,
автоматического заряда аккумуляторной батареи с номинальным напряжением
24 В, питания рабочих цепей стрелок с электродвигателями постоянного тока и
преобразования постоянного тока аккумуляторной батареи в переменный ток
напряжением 220 В и частотой
50 Гц для гарантированного питания
ряда нагрузок ЭЦ в аварийном режиме.
8.2 Панель ПРП-ЭЦ обеспечивает:
- поддержание напряжения батареи
посредством полупроводникового преобразователя-выпрямителя ППВ-1 в пределах (24±1,2) В;
- сохранение питания реле ЭЦ
напряжением (22±0,5) В от сети переменного тока через трансформатор и
выпрямитель при выключении аккумуляторной батареи;
- ручное и автоматическое
переключение дневного и ночного режимов питания светофоров;
- переключение светофоров в режим
двойного снижения напряжения нажатием кнопки ДСН;
- непрерывное и импульсное питание
ламп пульта управления и табло;
- автоматическое включение
резервного стрелочного выпрямителя при неисправности основного;
- автоматическое выключение цепи
питания стрелочных электродвигателей РПБ-РМБ при работе электродвигателя на
фрикцию более (7-10) с.
8.3 Для удобства обслуживания на
лицевой стороне панели ПРП-ЭЦ отображена мнемосхема разводки питания (рисунок 8),
на которую выведены основные элементы коммутации, регулировки и контроля с
обозначением на ней выпрямителей, преобразователей, нагрузки, измерительных
приборов и тумблеров для их включения.

Рисунок 8. Мнемосхема разводки питания панели ПРП-ЭЦ
На
мнемосхеме сплошными линиями показана разводка питания в нормальном режиме,
штриховыми – в аварийном.
На
мнемосхеме предусмотрена следующая индикация:
- красная
лампочка «КРПЛ» для контроля работы преобразователя;
- красная
лампочка «КПЛ» для контроля перегорания предохранителей панели.
Режим
заряда батареи определяется по горению одной из белых лампочек: 1СЛ1 (режим
подзаряда), 1СЛ2 (режим содержания), 1 ФЛ (форсированный режим).
8.4 Перед началом работ необходимо
убедиться в исправности и отсутствии аварийной индикации на мнемосхеме панели и аппарате
управления ДСП (лампочки красного цвета не должны гореть).
При
наличии аварийной индикации принять меры к выяснению и устранению причин аварийной
индикации.
8.5 Напряжения и токи цепей
питания на панели ПРП-ЭЦ следует измерять щитовыми измерительными приборами, с
использованием переключателей установленных на лицевой стороне панели.
8.6 Измерения производятся в
приведенной ниже последовательности.
8.6.1 Амперметром РА измерить:
- ток
в цепях релейной нагрузки (тумблер «В» в нижнем положении);
- ток
заряда батареи (тумблер «В» в верхнем положении).
Максимальный
ток релейной нагрузки определяет ШЧУ и фиксирует в «Журнале проверки питающей установки».
Максимальный
ток заряда батареи в режиме постоянного подзаряда должен превышать ток релейной
нагрузки не более чем на 1,5 А.
Токи нагрузок конкретных
цепей, при необходимости, измеряют токовыми клещами. Места измерений и
допустимые значения этих токов определяет ШЧУ и фиксирует в «Журнале проверки
питающей установки» за своей подписью.
Если величина тока превышает допустимое
значение, определить причину и принять соответствующие меры к его снижению (путем
отключения или перераспределения ряда нагрузок).
8.6.2 Вольтметром PV1 измерить:
- напряжение
постоянного тока на аккумуляторной батарее (тумблер БК в верхнем положении);
- напряжение
рабочих цепей стрелок с электродвигателями постоянного тока РПБ-РМБ (тумблер БК
в нижнем положении, тумблер РС в верхнем положении).
8.6.3 Вольтметром PV2 измерить:
- напряжение
питания контрольных реле стрелок (тумблер КС в верхнем положении);
- напряжение
питания светофоров (тумблер 1СВ в верхнем положении);
- напряжение
питания аппаратуры рельсовых цепей (тумблер ПРЦ в верхнем положении);
- напряжение
питания местных элементов путевых реле ДСШ (тумблер РРЦ в верхнем положении);
- напряжение
на конденсаторах местных элементов реле ДСШ (тумблер СРЦ в верхнем положении).
8.6.4 Измеренные
значения напряжений должны соответствовать значениям, указанным в табл. 6 (при
входном напряжении переменного тока Uc равном 220 В±10 %).
Если измеренное значение напряжения
выходит за указанные пределы, необходимо выяснить причину и принять
соответствующие меры.
Таблица 6
|
Наименование нагрузки |
Обозначение цепи |
Режим работы |
Род тока |
Напряжение, В |
|
Светофоры |
1ПХС-1ОХС |
День |
переменный |
Uc |
|
Ночь |
переменный |
0,8 Uc |
||
|
ДСН |
переменный |
0,5 Uc |
||
|
Рельсовые цепи: Путевые трансформаторы Местные элементы ДСШ Конденсаторы в местных элементах |
ПХРЦ-ОХРЦ |
_ |
Переменный |
Uc |
|
ПХМ-ОХМ ПХМ-ПХТ |
0,5 Uc 60-70 (реле ДСШ не включено) |
|||
|
Контрольные цепи стрелок |
ПХКС-ОХКС |
- |
переменный |
Uc |
|
Рабочие цепи стрелок постоянного тока |
РПБ-РМБ |
|
Постоянный |
Не менее
0,9Uc |
|
Напряжение батареи |
|
|
Постоянный |
24±1,2 |
9 Измерение не контролируемых средствами ТДМ напряжений
и токов цепей питания панелей ПРПТ-ЭЦ
9.1 Панели ПРПТ-ЭЦ применяются на
станциях до 30 стрелок предназначены для распределения питания по различным
нагрузкам, автоматического заряда аккумуляторной батареи с номинальным
напряжением 24 В, питания рабочих цепей стрелок с электродвигателями переменного
тока и преобразования постоянного тока аккумуляторной батареи в переменный ток
напряжением 220 В и частотой 50 Гц для гарантированного питания ряда
нагрузок ЭЦ в аварийном режиме.
9.2 В зависимости от напряжения
аккумуляторной батареи для резервирования устройств ЭЦ панель ПРПТ-ЭЦ
выпускается в двух исполнениях: ПРПТ-ЭЦI при Uб=24 В и ПРПТ-ЭЦII при Uб=48 В.
9.3 Панель ПРП-ЭЦ обеспечивает:
- поддержание напряжения батареи
посредством полупроводникового преобразователя-выпрямителя ППВ-1 в пределах (24±1,2) В;
- сохранение питания реле ЭЦ
напряжением (22±0,5) В от сети переменного тока через трансформатор и
выпрямитель при выключении аккумуляторной батареи;
- ручное и автоматическое переключение дневного и ночного режимов питания
светофоров;
- переключение светофоров в режим
двойного снижения напряжения нажатием кнопки ДСН;
- непрерывное и импульсное питание
ламп пульта управления и табло;
- выключение питания рабочих цепей
стрелок при длительной работе электропривода на фрикцию.
9.4 Для удобства обслуживания на
лицевых дверях панелей ПРПТ-ЭЦ отображена мнемосхема разводки питания, на
которую выведены основные элементы коммутации, регулировки и контроля с
обозначением на ней преобразователей, нагрузки, измерительных приборов и
тумблеров для их включения.
На
мнемосхеме предусмотрена следующая индикация:
- красная
лампочка «КРПЛ» для контроля работы преобразователя;
- красная
лампочка «КПЛ» для контроля перегорания предохранителей панели.
Режим заряда батареи определяется по
горению одной из белых лампочек: 1СЛ1, 1СЛ2 (содержание максимум или минимум),
1 ФЛ (форсированный).
9.5 Перед началом работ необходимо
убедиться в исправности и отсутствии аварийной индикации на мнемосхеме панели и аппарате
управления ДСП (лампочки красного цвета не должны гореть).
При наличии аварийной индикации принять
меры к выяснению и устранению причин аварийной индикации.
9.6 Напряжения и токи цепей
питания на панели ПРПТ-ЭЦ следует измерять щитовыми измерительными приборами с
использованием переключателей установленных на лицевых сторонах дверей.
9.7 Измерения производятся в
приведенной ниже последовательности.
9.7.1 Амперметром РА измерить:
- ток в цепях релейной нагрузки
(тумблер «В» в нижнем положении);
- ток заряда батареи (тумблер «В» в
верхнем положении).
Максимальный
ток релейной нагрузки определяет ШЧУ и фиксирует в «Журнале проверки питающей
установки».
Максимальный
ток заряда батареи в режиме постоянного подзаряда должен превышать ток релейной
нагрузки не более чем на 1,5 А.
Токи
нагрузок конкретных цепей, при необходимости, измеряют токовыми клещами. Места
измерений и допустимые значения этих токов определяет ШЧУ и фиксирует в
«Журнале проверки питающей установки».
Если
величина тока превышает допустимое значение, определить причину и принять соответствующие
меры к его снижению (путем отключения или перераспределения ряда нагрузок).
9.7.2 Вольтметром PV1 измерить напряжение
постоянного тока на аккумуляторной батарее.
9.7.3 Вольтметром PV2 измерить:
- напряжение переменного тока на
выходе питания рабочих цепей стрелок без увеличения напряжения (тумблер РС в
верхнем положении), с увеличением напряжения (тумблер РУС в верхнем положении);
- напряжение питания контрольных
реле стрелок (тумблер КС в верхнем положении);
- напряжение питания светофоров
(тумблер 1СВ в верхнем положении);
- напряжение питания аппаратуры
рельсовых цепей (тумблер ПРЦ в верхнем положении).
9.7.4 Измеренные
значения напряжений должны соответствовать номинальным значениям, указанным в
табл. 7 (при входном напряжении переменного тока Uc равном 220 В±10 %).
Если измеренное значение напряжения
выходит за указанные пределы, необходимо выяснить причину и принять
соответствующие меры.
Таблица 7
|
Наименование нагрузки |
Обозначение цепи |
Режим работы |
Род тока |
Напряжение, В |
|
Светофоры |
1ПХС-1ОХС |
День |
переменный |
Uc |
|
Ночь |
переменный |
0,8 Uc |
||
|
ДСН |
переменный |
0,5 Uc |
||
|
Рельсовые цепи: путевые трансформаторы местные элементы реле ДСШ |
ПХРЦ-ОХРЦ |
_ |
Переменный |
Uc |
|
ПХМ-ОХМ |
0,5 Uc |
|||
|
Контрольные цепи стрелок |
ПХКС-ОХКС |
- |
переменный |
Uc |
|
Рабочие цепи стрелок переменного тока |
РА, РВ, РС РУА, РУВ, РУС |
нормальн. усиленный |
трехфазный |
Uc 1,06Uc |
|
Напряжение батареи |
|
подзаряд |
Постоянный |
24±1,2 |
10 Измерение не контролируемых средствами ТДМ напряжений
и токов цепей питания на панели ПП25-ЭЦ
10.1 Панели преобразовательные
ПП25-ЭЦ применяются на станциях до 30 стрелок и предназначены для питания
переменным током частотой 25 Гц фазочувствительных рельсовых цепей с реле
типа ДСШ в нормальном и аварийном режимах, а также автоматизированного заряда второй аккумуляторной батареи (батарея
2) с номинальным напряжением 24 В (при ее наличии).
10.2 В панели установлены три
преобразователей частоты
ПЧ 50/25-300 для питания рельсовых цепей частотой 25 ГЦ в нормальном
режиме: два для питания путевых трансформаторов рельсовых цепей (1ПЧП, 2ПЧП) и
один – для питания местных элементов реле ДСШ (ПЧМ).
В
панели установлен преобразователь напряжения ППВРЦ 25-0,75 для зарядки
батареи и гарантированного питания путевых трансформаторов рельсовых цепей и
местных элементов реле ДСШ при выключении источников переменного тока (в
аварийном режиме).
10.3 Для удобства пользования на
лицевой стороне панели изображена мнемосхема разводки питания (рис. 9) с
обозначением на ней преобразователей, нагрузки, измерительных приборов и
тумблеров для их включения.

Рисунок 9.
Мнемосхема разводки питания панели ПП25-ЭЦ
На
мнемосхеме предусмотрена следующая индикация:
- красные
лампочки: контроля работы преобразователя (КРПЛ) и контроля перегорания
предохранителей панели (КПЛ);
- режим
заряда второй аккумуляторной батареи
определяется по горению одной из белых лампочек: 2СЛ1, 2СЛ2 (содержание
максимум или минимум), 2 ФЛ (форсированный).
10.4 Перед началом работ
необходимо убедиться в исправности и отсутствии аварийной индикации на
мнемосхеме панели и аппарате управления ДСП (лампочки красного цвета не должны
гореть).
При
наличии аварийной индикации принять меры к выяснению и устранению причин аварийной
индикации.
10.5 Установленные на лицевой
стороне панели измерительные приборы предназначены:
- амперметр
РА для измерения токов заряда и разряда (при пропадании переменного тока) второй аккумуляторной батареи (при ее
наличии);
- вольтметр
РV1 для измерения напряжения второй аккумуляторной батареи;
- вольтметр
РV2 для измерения питания лучей рельсовых цепей и местных
элементов реле ДСШ. К соответствующей цепи вольтметр РV2 подключается тумблерами 1ЛРЦ÷4ЛРЦ и РРЦ.
10.6 Работа
производятся в следующем порядке:
1) по
показаниям амперметра РА определяют ток заряда второй аккумуляторной батареи (при ее наличии). Ток содержания
максимум должен быть 1,5 А, а ток содержания минимум – 0,5 А.
2) по
показаниям вольтметра РV1 определяют
напряжение второй батареи, которое
должно быть в пределах (24±1,2) В.
3) вольтметром
РV измеряют напряжения:
- на
четырех лучах путевых трансформаторов рельсовых цепей (поочередным
переключением тумблеров 1ЛРЦ÷4ЛРЦ в верхнее положение и обратно),
которые должны быть в пределах (200-230) В;
- на
местных элементах ДСШ (тумблер РРЦ в верхнем положении), которое должно быть в
пределах (100-115) В.
Если измеренное значение напряжения или
тока выходит за указанные пределы, необходимо выяснить причину и принять
соответствующие меры.
10.7 Токи
нагрузок конкретных цепей, при необходимости, измеряют токовыми клещами. Места
измерений и допустимые значения этих токов определяет ШЧУ и фиксирует в
«Журнале проверки питающей установки».
Если величина тока превышает допустимое
значение, определить причину и принять соответствующие меры к его снижению (путем
отключения или перераспределения ряда нагрузок).
11 Измерение не контролируемых средствами ТДМ напряжений
и токов цепей питания на панели ПП50-ЭЦ
11.1 Панель ПП50-ЭЦ предназначена
для увеличения мощности переменного тока частотой 50 ГЦ на 1 кВт для
основных нагрузок ЭЦ в аварийном режиме, распределения питания рельсовых цепей
50 Гц по лучам и автоматического заряда второй аккумуляторной батареи с номинальным напряжением 24 В.
11.2 Для удобства пользования на
лицевой стороне панели изображена мнемосхема разводки питания (рис. 10) с
обозначением на ней преобразователя, нагрузки, измерительных приборов и
тумблеров для их включения.

Рисунок 10.
Мнемосхема разводки питания панели ПП50-ЭЦ
На
мнемосхеме предусмотрена следующая индикация:
- красные
лампочки: контроля работы преобразователя (КРПЛ) и контроля перегорания
предохранителей панели (КПЛ);
- режим
заряда второй батареи определяется по
горению одной из белых лампочек: 2СЛ1, 2СЛ2 (содержание максимум или минимум),
2ФЛ (форсированный).
11.3 Перед началом работ
необходимо убедиться в исправности и отсутствии аварийной индикации на
мнемосхеме панели и аппарате управления ДСП (лампочки красного цвета не должны
гореть).
При
наличии аварийной индикации принять меры к выяснению и устранению причин
аварийной индикации.
11.4 Установленные на лицевой
стороне панели измерительные приборы предназначены:
- амперметр
РА для измерения токов заряда и разряда (при пропадании переменного тока) второй батареи при ее наличии;
- вольтметр
РV1 для измерения напряжения второй батареи;
- вольтметр
РV2 для измерения питания лучей рельсовых цепей и
местных элементов реле ДСШ. К соответствующей цепи вольтметр РV2 подключается выключателями 1ЛРЦ÷4ЛРЦ и РРЦ.
11.5 Работа
производятся в следующем порядке:
1) по
показаниям амперметра РА определить ток заряда второй аккумуляторной батареи в режиме непрерывного подзаряда
(режим содержания). Ток содержания должен быть в пределах (1-1,5) А;
2) по
показаниям вольтметра РV1 определить
напряжение второй батареи;
3) вольтметром
РV2 измерить напряжения:
- на
четырех лучах путевых трансформаторов рельсовых цепей (поочередным
переключением тумблеров 1ЛРЦ÷4ЛРЦ в верхнее положение и обратно);
- второй
группы светофоров (тумблер 2СВ в верхнем положении).
11.6 Измеренные
значения напряжений должны соответствовать номинальным значениям, указанным в
табл. 8 (при входном номинальном напряжении переменного тока Uc равном 220 В). Допускаются
отклонения напряжения не более ±10 % от номинального.
Таблица 8
|
Наименование нагрузки |
Обозначение цепи |
Режим работы |
Род тока |
Напряжение, В |
|
Светофоры |
2ПХС-2ОХС |
День |
переменный |
Uc |
|
Ночь |
переменный |
0,8 Uc |
||
|
ДСН |
переменный |
0,5 Uc |
||
|
Рельсовые цепи: Путевые трансформаторы |
ПХРЦ1-ОХРЦ1 ПХРЦ2-ОХРЦ2 ПХРЦ3-ОХРЦ3 ПХРЦ4-ОХРЦ4 |
_ |
Переменный |
Uc |
|
Напряжение батареи |
|
|
Постоянный |
24±1,2 |
Если
измеренное значение напряжения выходит за указанные пределы, необходимо
выяснить причину и принять соответствующие меры.
11.7 Токи
нагрузок конкретных цепей, при необходимости, измеряют токовыми клещами. Места
измерений и допустимые значения этих токов определяет ШЧУ и фиксирует в
«Журнале проверки питающей установки».
Если величина тока превышает допустимое
значение, определить причину и принять соответствующие меры к его снижению (путем
отключения или перераспределения ряда нагрузок).
12 Оформление результатов
12.1 Данные измерений в процессе выполнения
работы записываются в Журнал проверки питающей установки.
12.2 О
выполненной работе сделать запись в «Журнале проверки питающей установки» с
указанием устраненных недостатков, а также в журнале формы ШУ-2.