![]() |
|
ГЛАВА 5
ИЗОЛИРУЮЩИЕ ЭЛЕМЕНТЫ В
КОНТАКТНЫХ СЕТЯХ И ЛЭП
5.1. Основные параметры
Изолирующие элементы
входят во все подсистемы контактной сети и ЛЭП, осуществляющих электроснабжение
железнодорожного транспорта, и обеспечивают механическое крепление
токопроводящих электропотенциальных частей, а также изоляцию их между собой и
относительно заземленных конструкций. Все изолирующие элементы изготавливают
из диэлектрических материалов электропроводностью менее 10-7 — 10-8
Ом/м, которые могут быть использованы для этих целей только при напряжениях, не
превышающих предельных значений, характерных для них в определенных условиях.
Если напряжение будет выше указанных предельных значений, то наступает пробой
— полная потеря изоляционных (диэлектрических) свойств.
Электрическая изоляция
контактной сети подвергается воздействию нескольких видов напряжений.
Во-первых, это длительно действующие рабочие напряжения, достигающие на линиях
постоянного тока 4 кВ и переменного 29 кВ. Во-вторых, на контактную сеть
воздействуют кратковременные внутренние перенапряжения, возникающие при
включениях и отключениях различных элементов контактной сети, а также при
аварийных режимах. Опасными внутренними перенапряжениями являются
перенапряжения при отключении коротких замыканий ненагруженных участков
контактной сети и трансформаторов. На участках постоянного тока наиболее
опасны перенапряжения при отключении фидерными выключателями коротких
замыканий вблизи тяговой подстанции или поста секционирования. Такие
перенапряжения достигают значений 10—11 кВ с длительностью 10—15 мс.
На участках переменного
тока перенапряжения при отключении ненагруженных трансформаторов могут
достигать более чем трехкратного значения максимального рабочего напряжения в
контактной сети Umах. При отключении контактной сети без нагрузки напряжение не
превышает 2,5 Umах. Перенапряжения до (1,5*2,0)
Umах имеют длительность 0,4-0,6 с, а более 2Umах— 50—70 мс.
К третьему виду
напряжений относятся грозовые, или атмосферные, перенапряжения, которые
повреждают изоляцию при прямых ударах молнии в опору или контактную подвеску.
Время их воздействия очень мало 10 — 100 мс, однако максимальные значения их
могут достигать миллионов вольт (при отсутствии специальных мер защиты). Таких
высоких напряжений не выдерживает никакая изоляция. Поэтому атмосферные
перенапряжения стараются ограничить до приемлемых значений с помощью специальных
устройств (разрядников).
Проектируемый уровень
изоляции должен соответствовать воздействующим на изоляцию напряжениям,
принятым защитным мерам и целесообразному запасу электрической прочности,
обеспечивающему необходимую надежность. Такое согласование называется
координацией изоляции.
Уровень изоляции
выбирают, исходя из расчетных кратностей внутренних перенапряжений. Основной
характеристикой изоляции является мокроразрядное напряжение, значение которого
для контактной сети переменного и постоянного тока
где kвн — расчетная кратность
внутренних перенапряжений;
Umах — максимальное рабочее напряжение в контактной сети, кВ.
Коэффициент 0,9 в формуле
учитывает разницу между напряжением в эксплуатации и разрядным напряжением,
полученным при испытаниях, а поправочный коэффициент
— условия эксплуатации изолятора; его принимают равным 0,94.
В контактной сети
переменного тока расчетная кратность внутренних перенапряжений может быть
принята равной 3. Тогда мокроразрядное напряжение изоляции должно быть не
менее
Uмр =
.
Уровень изоляции в
анкеровках проводов контактной сети должен быть на 25 — 30 % выше уровня
изоляции для других узлов и составлять 125—130 кВ.
Расчетная кратность
внутренних перенапряжений в контактной сети постоянного тока также не превышает
трех, поэтому мокро-Разрядное напряжение изоляции должно быть не менее
U/мр =
.
Пробивное же напряжение
роговых разрядников на участках поц стоянного тока принимают 32 — 34 кВ, т.е.
на 1 5 — 20 % ниже разряд: ного напряжения защищаемой изоляции. С учетом этого
изоляция контактной сети постоянного тока должна выдерживать мокроразрядное
напряжение не менее
=40 кВ, а анкерная изоляция, как и при переменном токе, на 25
— 30 % выше, т.е. не менее 50 кВ.
Мокроразрядные напряжения
гирлянд тарельчатых изоляторов Uмг прямо пропорциональны числу изоляторов в гирлянде п:
Umг=ЕмnH ,
где Ем — среднее значение мокроразрядного градиента, кВ/мм
(для фарфоровых тарельчатых изоляторов Ем
- 0,21 кВ/мм, для стеклянных Ем
- 0,26 кВ/мм);
Н — конструктивная высота одного изолятора, мм.
Классифицируют
изолирующие элементы по материалу, конструктивному исполнению и области
применения (рис. 5.1). Они могут быть изготовлены из твердых, пластичных,
иногда из газообразных и жидких диэлектрических материалов. По конструктивному
исполнению различают: простые изолирующие элементы — покрытия, краски,
напыления, втулки (рис. 5.2, а), прокладки (рис. 5.2, б), шайбы (рис. 5.2, в), колпачки (рис. 5.2, г); без специальных
узлов присоединения — бруски (рис. 5.2, д),
стержни; с узлами присоединения — подвесные и стержневые изоляторы, штанги
с оконцевателями; комбинированные — стеклопластиковые стержни с защитной
кремнийорганической смазкой и фторопластовыми чехлами (рис. 5.2, е), скользуны (рис. 5.2, ж) и т. д. По применению изолирующие
элементы подразделяют в зависимости от типа линий: для высоковольтных и
низковольтных ВЛ; для контактной сети, для кабельных линий.
Наиболее многочисленным
классом среди изолирующих элементов являются изоляторы, к которым относятся
также изолирующие элементы секционных изоляторов (СИ) контактной сети и опорные
элементы разрядников и разъединителей. Их классифицируют: по конструкции —
тарельчатые (рис. 5.3, а, б, в), стержневые
(рис. 5.3, г, д, е), вставки, втулки,
скользуны, опорные, штыревые, орешковые (рис. 5.3, о), седлообразные; по направлению приложения нагрузок и месту
установки подвесные, натяжные, фиксаторные (рис. 5.3, ж, з, и), консольные (рис. 5.3, к,
л), штыревые (рис. 5.3, м, н); по
материалу — стеклянные, фарфоровые, полимерные, из дельта-древесины (один из
видов древеснослоистых пластиков; изготавливается путем прессования или
склеивания березового шпона, пропитанного феноло- или крезоло-формальдегидной
смолой); по напряжению — 1,3, 10, 20, 25 и 35 кВ и т.д. Кроме того, их
классифицируют: по группам; условиям работы; номинальному напряжению; механической
прочности; номинальному току (только проходные). Совокупность всех этих
признаков определяет тип изолятора, поэтому при выборе необходимо знать его
основные электромеханические характеристики.

Рис. 5.1. Классификация
изолирующих элементов контактных сетей и линий электропередачи по материалам,
конструкциям и области применения

Рис. 5.2. Конструкции
изолирующих элементов: для консолей и кронштейнов — втулки (а); хомутов — прокладки (б);
оснований опоры — шайбы (в), полиэтиленовые
колпачки (г); прессованные бруски (д); полимерные стержни (е); скользуны (ж)


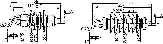
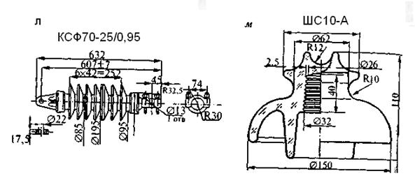
ж ФСФ70 – 3,0/0,5 з ФСФ70 – 25/0,95




Рис. 5.3. Конструкции
серийных изоляторов: стеклянные подвесные- тарельчатые под пестик (а), грязестойкие (б), с увеличенными ребрами (в)-
фарфоровые стержневые - подвесные на 3 кВ (г), натяжные на 3 (д) и 25 кВ
(е); фиксаторные тарельчатые (и,) и
стержневые на 3 (ж) и 25 кВ (з); консольные стержневые на 3 (к) и 25 кВ (л); штыревые 10 (м) и 0,4 кВ (н); орешковые 0,4 кВ (о)
К основным
характеристикам для всех изолирующих элементов контактной сети и ЛЭП (в том
числе изоляторов) относятся: геометрические параметры, сухоразрядное,
мокроразрядное и импульсное разрядное напряжения, механическая прочность при
различных условиях приложения нагрузки. Характеризующими параметрами изоляторов
являются: строительная высота h,
наибольший диаметр d, длина пути утечки тока по
поверхности lи, кратчайшее расстояние
между электродами lс (от которого в основном зависит сухоразрядное напряжение) и
мокроразрядное расстояние lм.
Сухоразрядным называют
напряжение промышленной частоты, приложенное к электродам изолятора, при
котором по его сухой и чистой поверхности происходит искровой разряд, а
мокроразрядным — такое же напряжение при воздействии равномерных водяных струй,
падающих под углом 45° на поверхность изолятора. Мокроразрядное напряжение
всегда меньше сухоразрядного. Пробивным называют наименьшее напряжение
промышленной частоты, при котором происходит электрический пробой через
материал изолятора; его путь представляет сквозной канал, способный пропускать
электрический ток.
Основную механическую
характеристику изолятора—гарантированную механическую прочность на изгиб или
растяжение—определяют при плавном увеличении нагрузки до величины, при которой
происходит его видимое разрушение. Для подвесного изолятора дополнительно
указывают электромеханическую прочность, определяемую при одновременном приложении
к нему механической нагрузки и напряжения, равного 75—80 % сухоразрядного.
Подвесные изоляторы должны выдерживать в течение 1 ч нагрузку, равную 0,75
электромеханической прочности при одновременном приложении указанного
напряжения. Для подвесных изоляторов контактной сети, испытывающих
значительные динамические воздействия от ЭПС, максимально допустимые
эксплуатационные усилия ограничиваются половиной часовой испытательной
нагрузки.
Коэффициент запаса механической
прочности изоляторов по отношению к их нормированной разрушающей силе должен
быть не менее 5,0 при средней эксплуатационной нагрузке и 2,7 при наибольшей.
При суммарных нагрузках, превышающих 14 кН (1400 кгс), в натяжных изоляционных
узлах устанавливают изоляторы класса 120 либо две параллельно соединенные
гирлянды изоляторов класса 70. Отклонение гирлянды подвесных изоляторов от
вертикали вдоль пути не должно превышать 15°.
Благодаря более
рациональной форме тарельчатые подвесные стеклянные изоляторы при меньших
габаритах, чем аналогичные фарфоровые, имеют одинаковые с ними сухоразрядное и
мокроразрядное напряжения. Выдерживая гораздо большую электромеханическую
нагрузку, они оказываются экономичнее фарфоровых, особенно в сетях переменного
тока. Кроме того, преимуществом стеклянных изоляторов перед фарфоровыми
является их способность к самодефектировке, так как при пробое стекло
осыпается, и повреждение изолятора может быть выявлено визуально. Полимерные
изоляторы прочнее, надежнее и легче фарфоровых и стеклянных, но значительно
дороже и требуют специальных мер защиты. Кремнийорганические изоляторы защищены
от вандализма за счет гибкости материала.
Электрическим испытаниям,
измерениям сопротивления изоляции и маркировке не подвергаются стеклянные,
полимерные и стержневые фарфоровые изоляторы.
5.2.
Конструкция простых изоляторов
Штыревые изоляторы предназначены для ВЛ напряжением 0,4; 10 и 20 кВ,
расположенных как на опорах контактной сети, так и на самостоятельных опорах.
Для их крепления на кронштейны или траверсы опор устанавливают специальные
штыри (в деревянные опоры ввинчиваются крючья), на которые надевают изоляторы с
помощью напрессованных полиэтиленовых колпачков (см. рис. 5.2, г).
Фарфоровые штыревые изоляторы выпускают серийно на напряжения 1, 10 и 20
кВ, в том числе марок ШФ10-Г, ШФ20-Г, что означает: Ш — штыревой (способ
крепления); Ф — фарфоровый (материал); 1, 10 или 20 — класс изолятора
(номинальное напряжение, кВ); Г — конструктивное исполнение. Применяют также
стеклянные штыревые изоляторы на напряжение 10 кВ марок ШС10-В, ШС10-Г, ШС10-А
(см. рис. 5.3, м) и др.
Фарфоровые изоляторы
марки ТФ на напряжение 1 кВ выполнены в виде цилиндра, имеющего снизу так
называемые «юбки», а наверху шейку и углубление для укладки провода и закрепления
вязальной проволоки (см. рис. 5.3, н).
Они воспринимают боковую и вертикальную нагрузки.
Орешковые изоляторы (см. рис. 5.3, о) предназначены для
установки в струнках контактной подвески, волноводах, оттяжках мачт, антенн и
рассчитаны на незначительные электрические напряжения. Конструктивно изолятор
представляет объемный эллипс с двумя перпендикулярно расположенными сквозными
отверстиями для прохода изолируемых проводов. Таким образом, фарфор орешковых
изоляторов работает на сжатие.
Седлообразные изоляторы предназначены для работы на растяжение при
напряжениях более высоких, чем у орешковых, например, в двухпроводных и трехпроводных
секционных изоляторах. Конструктивно седлообразные изоляторы аналогичны
орешковым, но дополнены фарфоровыми «юбками», обеспечивающими увеличение
диэлектрической прочности.
Изолирующие втулки (см. рис. 5.2, а, в) устанавливают на
опорах контактной сети в качестве изолирующих элементов между опорой и
закладными деталями с закрепленными на них консолями, металлическими кронштейнами
и другими устройствами контактной сети, а также между анкерными болтами
фундаментов и фланцами стоек опор. Изолирующие втулки изготавливают из
прессматериала АГ-4С, а также из полиэтилена 271.
Изолирующие прокладки и пластины (см. рис. 5.2. б)
предназначены для изоляции хомутов крепления металлических консолей и
кронштейнов от поверхности железобетонной стойки опоры. Они изготавливаются из
фибры или полиэтилена 271 (273).
Изолирующие колпачки применяются в узлах изоляции фундаментов от опор
в системе контактной сети КС-200.
Изолирующие шайбы предназначены для тех же целей, что и изолирующие
колпачки. Изготавливают их из стеклотекстолита толщиной 3 мм или полиэтилена
271 (273).
К простым изоляторам
относят также изоляторы для крепления контактного рельса.