Условные обозначения
386 - 387
Содержание
388-391
Обслуживание локомотивной бригадой электровоза ЧС7 серии Е5, Е6, Е7, Е9

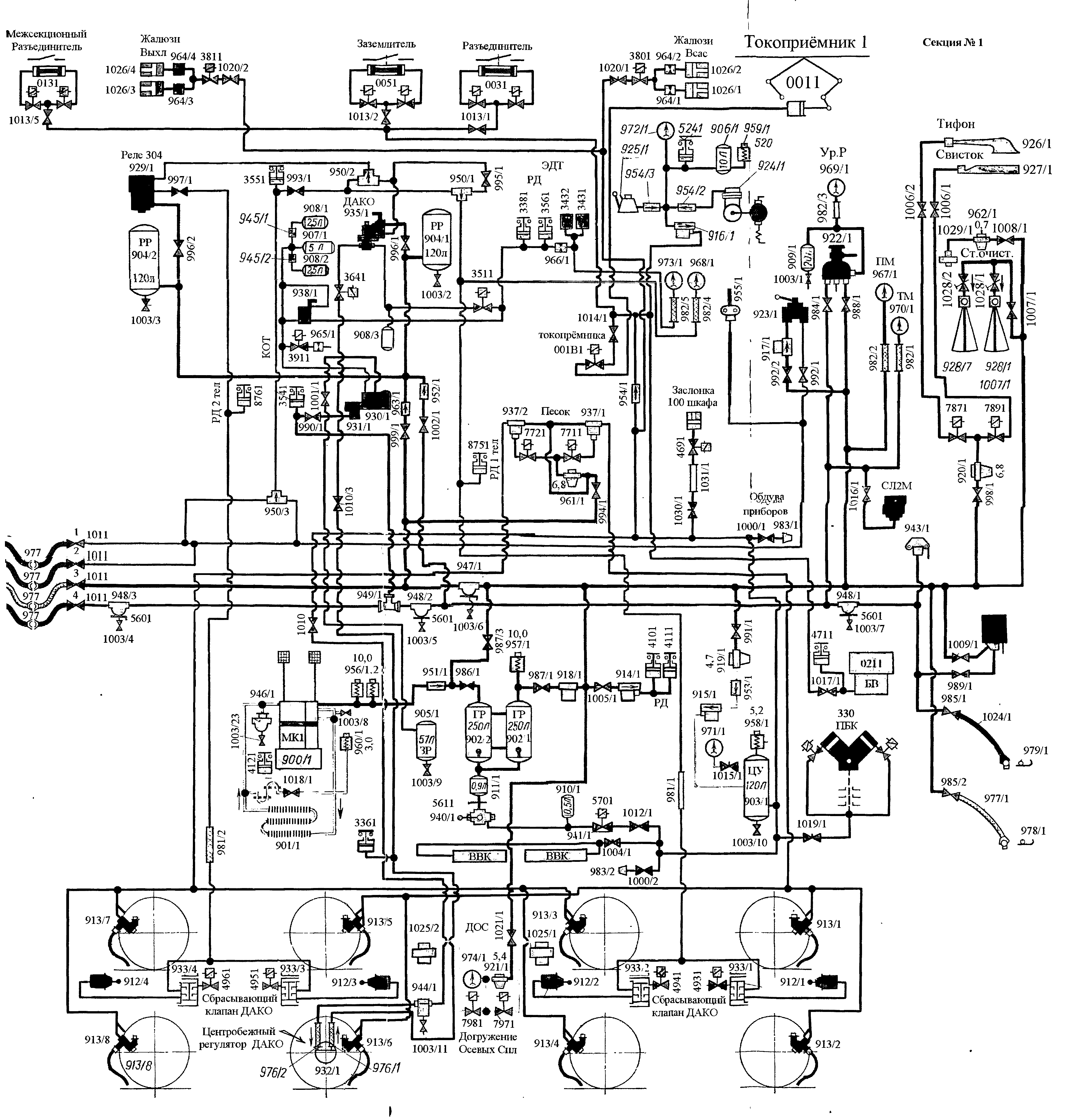
Пневматическая схема электровоза ЧС7 секции №1

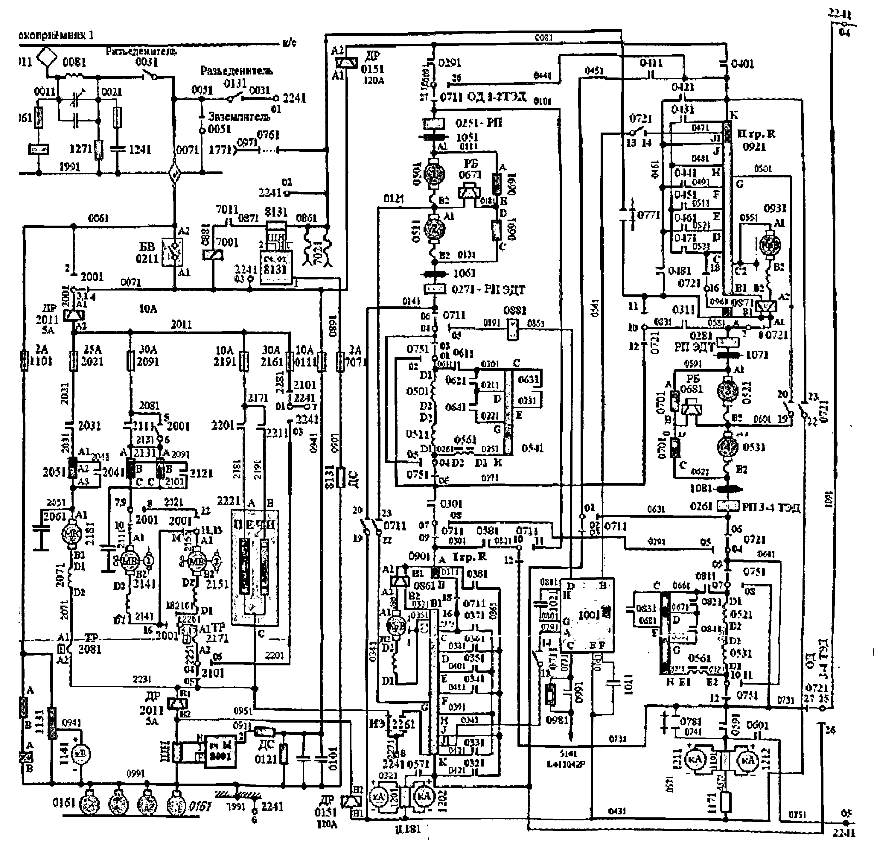
Схема силовых и вспомагательных цепей секции № 1 (ЧС7)

Схема силовых и вспомагательных цепей секции № 2 (ЧС7)
|
|