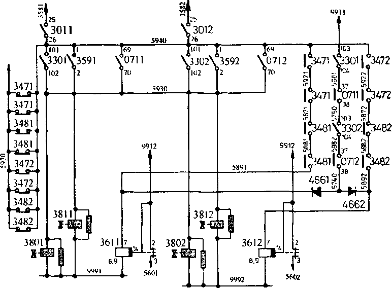
3.18 Цепи питания электропневматических вентилей привода жалюзей и катушек реле времени 361
Цепи вентилей привода жалюзей
-При включении командо-аппарата жалюзей 359 или наборе 1-й позиции ПБК 330, или после перехода переключателя 071 в положение «Тормоз» получают питание катушки вентилей жалюзей по цепи:
- АЗВ 324, провод 358, контакты 25-26 ВУ 301, провод 5940, далее три параллельные цепи питания провода 5930:
- контакты 101 - 102 ПБК 330, замкнутые на всех реостатных позициях;
- контакты 1 - 2 командо-аппарата жалюзей 359 в положении ручного управления;
- блок-контакты 69 - 70 переключателя «X - Т» 071, замкнутые в положении «Тормоз»;
провод 5950, катушки вентилей 3801, 3802, 3811, 3812. После открытия жалюзей, концевые выключатели 347, 348 размыкают свои параллельно включенные контакты в цепи сигнальной лампы «аб» на панелях сигнализации 827 и 828.
Цепь питания реле времени 361
Катушки реле времени 361 получают питание по цепи (рис.78):
- АЗВ 8101, провод 9991, блок-контакты 103-104 ПБК 3301, замкнутые на нулевой и ходовых позициях, провод 5981,
блок-контакты 37 - 38 переключателя «X Т» 0711, замкнутые в положении «Ход», провод 5750, блок-контакты 103 - 104 ПБК 3302, провод 5982, блок-контакты 37 - 38 переключателя «X - Т» 0712, провод 5740, диоды 466, далее:

Рис. 78 Скема цепей питания вентилей привода жалюзей и катушек реле времени 361 электровозов серии Е5
На электровозах серии Е5
- провод 589, катушки реле времени 361 клемма 7, клемма 8-9 реле времени 361, провод 999;
На электровозах серии Е6
- провод 589, таймер реле времени 3611(2) клемма 4 и катушки реле 3613(4) клемма 2, таймер реле времени 3611(2) клемма 3 и катушки реле 3613(4) клемма 10, провод 999;
На электровозах серии Е7 - Е9
- провод 579, катушки реле времени 361 клемма 8, клемма 2 реле времени 361, провод 999;
При наборе позиций или следовании в режиме ЭДТ происходит разрыв данной цепи питания, и реле 361 отключаются, если не открыты жалюзи. При открытии жалюзей замыкаются блок-контакты концевых выключателей их привода, и питание катушки реле времени происходит по цепи:
- провод 5940, блок-контакты концевых выключателей 347, провод 5571, блок-контакты концевых выключателей 348, провод 5591, зажим вывода 7 катушки реле 3611. По аналогичной цепи получает питание катушка реле 3612.
Если в течение 6 с не замкнутся блок-контакты концевых выключателей какого-либо привода жалюзей, произойдет замыкание обратных блок-контактов 2-3 реле времени 361, и БВ 021 отключится.
3.19 Цепи включения реле времени 360
|
|