3.14 Цепи включения контакгоров мотор-вентиляторов охлаждения тяговых электродвигателей
Командо-аппарат 418 мотор-вентиляторов (МБ) на пульте управления имеет три положения:
1. «Отключено»;
2. «Малая скорость вращения (МС)»;
3. «Высокая скорость вращения (ВС)».
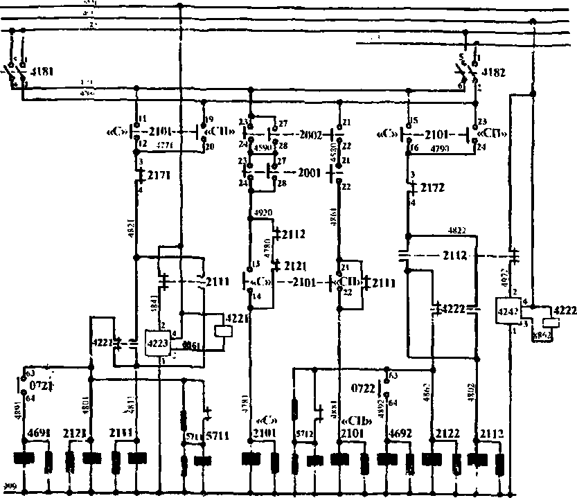
При постановке командо-аппарата 4181 в положение малой скорости вращения «МС» двигателей вентиляторов, создаётся цепь питания катушки электропневматического вентиля «С» переключателя 2101 (ПШ) (рис. 74):
- провод 5000, АЗВ 4621, провод 4600, контакты 4-3 контактора 4001, провод 4620, контакты 5-6 командо-аппарата 4181, провод 4750, контакты 23 - 24 аварийных переключателей 2002 и 2001, замкнутые при положении «НЭ», или контакты 27 - 28 аварийных переключателей 2002 и 2001, замкнутые при положениях «АВ 1» или «АВ 2» отключателей 2002 или 2001, провод 4920, обратные блок-контакты контактора 2112, провод 4780, обратные блок-контакты контактора 2121, провод 4871, катушка вентиля «С» переключателя двигателей вентиляторов 2101, провод 9991.
После перевода переключателя 2101 в положение «С» замыкаются его блок-контакты 13-14 между проводами 4920 и 4871, и катушка вентиля «С» переключателя 2101 становится на самопитание.
При постановке командо-аппарата 4181 в положение высокой скорости вращения «ВС» двигателей вентиляторов, создается цепь питания катушки электропневматического вентиля «СП» переключателя 2101 (ПШ):
- провод 5000, АЗВ 4621, провод 4600, контакты 4 - 3 контактора 4001, провод 4620, контакты 1 - 2 командо-аппарата 4181, замкнутые в положении «ВС», провод 4760, контакты 21 - 22 переключателей 2002 и 2001, замкнутые при положении
«НЭ», провод 4861, обратные блок-контакты контактора 2111, провод 4881, катушка вентиля «СП» переключателя ПШ 2101, провод 9991.
После перевода переключателя 2101 в положение «СП» замыкаются его блок-контакты 21-22 между проводами 4561 и 881, и катушка вентиля «СП» становится на самопитание.

Рис. 74 Схема цепей питания контакторов мотор-вентиляторов электровозов серии Е6
При переводе переключателя 2101 в положение «С» или «СП» замыкаются его блок-контакты соответственно 11 - 12. 15 - 16 или 19 - 20, 23- - 24, образуя цепи включения контакторов мотор-вентиляторов секций №1 и №2.
Цепь секции №1 при низкой скорости вращения МВ:
- провод 4620, контакты 5-6 командо-аппарата 418, замкнутые в положении «2» (низкая скорость вращения), провод 4750,
контакты 11 - 12 переключателя 2101, замкнутые при положении «С», провод 4771, контакты 3-4 теплового реле 2171, провод 4821, прямые блок-контакты 1 - 2 реле времени 4221, провод 4811, катушка контактора 2111, провод 9991.
Катушка реле времени 4221 получает питание от аккумуляторной
батареи через АЗВ 4761:
на электровозах серии Е5
- провод 6501, обратные блок-контакты контактора 2111, провод 4841, клемма 7 вывода катушки реле времени 4221, клемма 8, 9 (минус) вывода катушки реле времени 4221, провод 9991.
на электровозах серии Е6
- провод 6501, обратные блок-контакты контактора 2111, провод 4841, плюсовые клеммы:
- клемма 2 вывода таймера реле времени 4221 и
- клемма 10 вывода катушки реле времени 4221; минусовые клеммы:
- клемма 3 вывода таймера реле времени 4221 и
- клемма 2 катушки реле времени 4221; -провод 9991.
на электровозах серии Е7-Е9
- провод 6501, обратные блок-контакты контактора 2111, провод 4841, клемма 8 вывода катушки реле времени 4221, клемма 2 (минус) вывода катушки реле времени 4221, провод 9991.
После включения контактора 2111 его обратные блок-контакты в цепи реле времени 4221 размыкаются, и катушка реле времени обесточивается. Одновременно замыкаются прямые блок-контакты контактора 2111 и, его катушка становится на самопитание по цепи:
на электровозах серии Е5 - Е6
- провод 4821, прямые блок-контакты контактора 2111, провод 4811, катушка контактора 2111, провод 9991.
на электровозах серии Е7 - Е9
- провод 4821, прямые блок-контакты контактора 2111, провод 4810, катушка контактора 2111, провод 9991.
Через 3 с после снятия питания с катушки реле времени 4221 размыкаются его прямые блок-контакты 1 - 2 и замыкаются обратные блок-контакты 4-3, обеспечивая подачу напряжения на катушку контактора 2121 по цепи: на электровозах серии Е5
- провод 4821, прямые блок-контакты контактора 2111, провод 4811, обратные блок-контакты 2-3 реле времени 4221, провод 4801, катушка контактора 2121, провод 9991;
на электровозах серии Е6
- провод 4821, прямые блок-контакты контактора 2111, провод 4811, обратные блок-контакты 4-3 реле времени 4221, провод 4801, катушка контактора 2121, провод 9991;
на электровозах серии Е7 - Е9
- провод 4821, прямые блок-контакты контактора 2111, провод 4810, обратные блок-контакты 1 - 4 реле времени 4221, провод 4801, катушка контактора 2121, провод 9991;
Параллельно катушке контактора 2121 запитывается катушка контактора 5711 по цепи:
- провод 4801, обратные блок-контакты контактора 5711, провод 1251, катушка контактора 5711, провод 9991.
параллельно катушке контактора 5711 подключен дугогасительный резистор 560 Ом. После включения контактора 5711 (цепи зарядки дополнительной аккумуляторной батареи) размыкаются его обратные блок-контакты и, в цепь катушки вводится добавочный резистор 150 Ом для уменьшения её нагрева.
На электровозах серии Е5 - Е6 от контактов 2 - 3 (3 - 4) реле 4221 через блок-контакты 63 - 64 переключателя «X - Т» 0721, замкнутые при положении «Тормоз», получает питание катушка электропневматического вентиля 4691.
На электровозах серии Е7 - Е9 от провода 4620 через блок-контакты 63 - 64 переключателя «X - Т» 0721, замкнутые при положении «Тормоз», провод 4891, получает питание катушка электропневматического вентиля 4691.
Включение вентиля 4691 приводит к открытию заслонки, в результате чего воздух от мотор-вентиляторов ТЭД поступает по каналу в шкаф для охлаждения тиристоров импульсного преобразователя 1001.
Цепь секции №2 при низкой скорости вращения MB:
- провод 4620, контакты 5-6 командо-аппарата 418, замкнутые в положении «2» (низкая скорость вращения), провод 4750, контакты 15 - 16 переключателя 2101, замкнутые при положении «С», провод 4790, контакты 3-4 теплового реле 2172, провод 4822, прямые блок-контакты 1 - 2 реле времени 4222, провод 4802, катушка контактора 2112, провод 9992.
Катушка реле времени 4222 получает питание от аккумуляторной батареи через АЗВ 4762: на электровозах серии Е5
- провод 6502, обратные блок-контакты контактора 2112, провод 4972, клемма 7 вывода катушки реле времени 4222, клемма 8, 9 (минус) вывода катушки реле времени 4222, провод 9992;
на электровозах серии Еб
- провод 6502, обратные блок-контакты контактора 2112, провод 4972,
плюсовые клеммы:
- клемма 2 вывода таймера реле времени 4222 и
- клемма 10 вывода катушки реле времени 4222; минусовые клеммы:
- клемма 3 вывода таймера реле времени 4222 и
- клемма 2 катушки реле времени 4222;
- провод 9992.
на электровозах серии Е7 -Е9
- провод 6502, обратные блок-контакты контактора 2112, провод 4972, клемма 8 вывода катушки реле времени 4222, клемма 2 (минус) вывода катушки реле времени 4222, провод 9992.
После включения контактора 2112 его обратные блок-контакты в цепи реле времени 4222 размыкаются, и катушка реле времени обесточивается. Одновременно замыкаются прямые блок-контакты контактора 2112 и, его катушка становится на самопитание по цепи:
на электровозах серии Е5 — Е6
- провод 4822, прямые блок-контакты контактора 2112, провод 4802, катушка контактора 2112, провод 9992.
на электровозах серии Е7-Е9
- провод 4822, прямые блок-контакты контактора 2112, провод 2470, катушка контактора 2112, провод 9992.
Через 3 с после снятия питания с катушки реле времени 4222 размыкаются его прямые блок-контакты 1 - 2 и замыкаются обратные блок-контакты 4-3, обеспечивая подачу напряжения на катушку контактора 2122 по цепи: на электровозах серии Е5
- провод 4822, прямые блок-контакты контактора 2112, провод 4802, обратные блок-контакты 2-3 реле времени 4222, провод 4862, катушка контактора 2122, провод 9992;
на электровозах серии Е6
- провод 4822, прямые блок-контакты контактора 2112, провод 4802, обратные блок-контакты 4-3 реле времени 4222, провод 4862, катушка контактора 2122, провод 9992;
на электровозах серии Е7 - Е9
- провод 4822, прямые блок-контакты контактора 2112, провод 2470, обратные блок-контакты 1 - 4 реле времени 4222, провод 4862, катушка контактора 2122, провод 9992;
Параллельно катушке контактора 2121 запитывается катушка контактора 5712 по цепи:
- провод 4862, обратные блок-контакты контактора 5712, провод 1252, катушка контактора 5712, провод 9992.
параллельно катушке контактора 5712 подключен дугогасительный резистор 560 Ом. После включения контактора 5712 (цепи зарядки дополнительной аккумуляторной батареи) размыкаются его обратные блок-контакты и, в цепь катушки вводится добавочный резистор 150 Ом для уменьшения её нагрева. На электровозах серии Е5 - Еб
- от контактов 2 - 3 (3 - 4) реле 4222 через блок-контакты 63 - 64 переключателя «X - Т» 0722, замкнутые при положении «Тормоз», получает питание катушка электропневматического вентиля 46922.
На электровозах серии Е7-Е9
- провод 5000, АЗВ 4622, провод 4612, контакты 4-3 контактора 4002, провод 4630, через блок-контакты 63 - 64 переключателя «X - Т» 0722, замкнутые при положении «Тормоз», провод 4892, получает питание катушка электропневматического вентиля 4692.
Включение вентиля 4692 приводит к открытию заслонки, в результате чего воздух от мотор-вентиляторов ТЭД поступает по каналу в шкаф для охлаждения тиристоров импульсного преобразователя 1002.
Цепь включения MB на высокую скорость вращения
(переключатель 2 101 (ПШ) в положении «СП»). Цепь секции №1:
- провод 4620, контакты I - 2 командо-аппарата 4181 (замкнутые в положении «ВС»), провод 4760, контакты 19 -20 переключателя 2101, замкнутые при положении «СП», провод 4771, далее такая же цепь, как и при низкой скорости
вращения. Цепь секции №2:
- провод 4620, контакты 1 - 2 командо-аппарата 4181 (замкнутые в положении «ВС»), провод 4760 (либо провод 4630, контакты 1-2 выключателя 4182), контакты 23 - 24 переключателя 2101, замкнутые при положении «СП», провод 4790, далее такая же цепь, как при низкой скорости вращения.
После включения контакторов 211 и 212 размыкаются их обратные блок-контакты в цепи катушки вентиля «С» переключателя 2101 между проводами 4920 - 4811 ив цепи катушки вентиля «С» 2101 между проводами 4861 - 4881, что исключает возможность перевода переключателя 2101 из положения «С» в положение «СП» и обратно при работающих мотор-вентиляторах.
3.15 Цепи реле 425 контроля работы мотор-вентиляторов
|
|