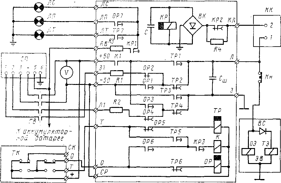
Основными элементами оборудования для электрического управления пневматическими тормозами (рис. 142) электровоза и вагонов поезда являются: статический преобразователь СП, блок управления БУ, электровоздухораспределитель ЭВ, кран машиниста с контроллером ТК, главный выключатель ГВ, вольтметр V, концевая коробка КК, сигнальные лампы ЛС (отпуск тормозов), ЛП (перекрыша), ЛТ (торможение).
Контроль целостности линейных проводов при положениях I и II ручки крана машиниста производится подачей переменного напряжения 50 В, получаемого от статического преобразователя СП.
Цепь переменного тока следующая: зажим 7 преобразователя СП, блок-контакты ГВ, зажим 31 блока БУ, ограничительный резистор Ш, размыкающий контакт ОР2 реле отпуска, размыкающий контакт ТР2 реле торможения, зажим Л блока БУ, рабочий провод 1.
Через контакты соединительного рукава переменный ток проходит из провода 1 в контрольный провод 2, а затем через размыкающий контакт КР2 контрольного реле, выпрямительный мост ВК на землю. По цепи через зажим 3 блока управления БУ, размыкающие контакты ТР4 и ОР4, ограничительный резистор Р2, зажим Л1 блока управления напряжение подается на зажим 2 преобразователя СП. Выпрямленный ток поступает на катушку контрольного реле КР, которое срабатывает, замыкает контакты КР1 и КРЗ и размыкает КР2. В цепь катушки реле КР введен ограничительный резистор К4. При исправной цепи горит сигнальная лампа ЛС, напряжение на которую подается от аккумуляторной батареи. Катушки электропневматическнх вентилей ОЭ и ТЭ электровоздухораспределителя имеют большое индуктивное сопротивление, поэтому переменный ток по ним практически не проходит.

Рис. 142. Схема электрического управления тормозами
Постоянное напряжение от зажимов 3 и 4 статического преобразователя поступает на зажимы 4-50 и —50 блока управления. При переводе ручки крана машиниста в положение III или IV постоянный ток от зажима +50 через контакты контроллера крапа машиниста ТК поступает на зажим О блока БУ, а затем через размыкающий контакт ТР6 реле торможения на катушку реле отпуска ОР и зажим — 50 блока БУ. Контакты ОР1, ОРЗ, ОР6, ОР7 реле отпуска замыкаются, а ОР2, ОР4 и ОР5 размыкаются.
Через зажим О блока управления, замкнутые контакты ОР6 и КРЗ получает питание сильноточное реле К и замыкает свой контакт К1- Постоянное напряжение с зажима +50 блока БУ через замкнутые контакты К1, ОРЗ, ТР4 подается на зажим 3 блока управления, а затем на землю (рельс).
Далее постоянный ток проходит через катушку вентиля ОЭ электровоздухораспределителя (прохождению тока через катушку ТЭ препятствует селеновый диод ВС) к зажиму Л блока БУ, а затем через замкнутые контакты ТР2 и ОР1 на зажим —50, т. е. к минусовому выводу преобразователя СП. Одновременно постоянный ток поступает через выпрямительный мост ВК на катушку контрольного реле КР, чем осуществляется контроль целостности цепи. От аккумуляторной батареи через замкнутый контакт ОР7 напряжение поступает на лампу ЛП; загораясь, она фиксирует положение «Перекрыша». Лампа ЛС продолжает гореть.
При переводе ручки крана в положение V или VI контактами контроллера ТК разрывается цепь, идущая к зажиму О, и подается питание на зажим Т блока БУ. В результате этого обесточивается катушка реле ОР и постоянное напряжение подводится к катушке реле торможения ТР. Контакты ОР1, ОРЗ, ОР6, ОР7 реле отпуска размыкаются, а ОР2, ОР4, ОР5 замыкаются. Контакты TPI, ТРЗ, ТР5, ТР7 реле торможения замыкаются, а ТР2, ТР4, ТР6 размыкаются.
От статического преобразователя СП постоянное напряжение через зажим +50 блока управления, замкнутые контакты К1 и ТР1 поступает на зажим Л и далее через катушки вентилей ОЭ и ТЭ на землю. Через зажим 3 блока управления, замкнутый контакт ТРЗ напряжение подается на зажим —50, т. е. к минусовому выводу преобразователя СП.
Катушка контрольного реле КР получает питание через ограничительный резистор R4 и выпрямительный мост ВК, благодаря чему осуществляется контроль целостности цепи.
Контакт ТР7 подает напряжение от аккумуляторной батареи на лампу ЛТ, которая загорается, а лампа ЛП гаснет, так как контакт ОР7 разрывает цепь ее питания. Лампа ЛС продолжает гореть.
При смене полярности тока катушка контрольного реле КР остается под напряжением благодаря включенному пораллельно конденсатору С.
|
|