Принципы построения схемы. При разработке схем основных электрических цепей электровоза ЧС2Т в основу были положены следующие требования: сохранение тех же принципов построения схемы силовых цепей в тяговом режиме, что и на электровозе 1|С2; обеспечение быстрого перехода из режима тяги в режим рможения и обратно; включение якоря каждого из шести тя-:ых двигателей в режиме торможения на отдельный резистор ч независимом возбуждении и последовательном включении V обмоток.
В соответствии с первым требованием схемы силовых цепей . ктровозов ЧС2Т и ЧС2 в тяговом режиме принципиально оди-вы: три соединения тяговых двигателей —■ последовательное, :едовательно-параллелшое и параллельное; пять ступеней ос-" :ения возбуждения; переход с последовательного соединения юследовательно-параллельное мостовым способом, а на па-.слыюе соединение шунтированием части тяговых двигателей;
и электровозов с использованием 42 позиций. '*;>>оы выполнить второе требование, пришлось отказаться от :чного контроллера электровозов ЧС2 и применить индиви--групповую систему, в которой для изменения сопротив-резисторов используются индивидуальные электропневма-контакторы, а для переключения двигателей с одного •• :шя на другое — групповой переключатель, который сов-: тормозным.
:■"ятое построение схемы реостатного торможения опреде-: ветствующие изменения в расположении в силовой цепи у;ковых резисторов, которые одновременно являются и ..::.:и, а также якорей тяговых двигателей и их обмоток
. : .::ня.
:'.;'"'>га силовой цепи. Питание от контактной сети электровоз . -.срез токоприемник 001 или 002 (рис. 3)*. От токоприем-помехоподавляющий дроссель 191 или 192,разъедини-: :и 004 напряжение подается на подвижной контакт Л/ греющего выключателя 021. Расположенный на крыше 006 предназначен для защиты от перенапряжений.
. ■ .. • приведен на вклейке.

гателей, отключить от нее секции AI пусковых резисторов 051 и 050.
Таким образом, на 20-й позиции создается следующая цепь тяговых двигателей: контакторы 31, 25, далее описанная выше цепь от якорей 6, 5 тяговых двигателей до обмоток возбуждения двигателей 1 ж 2 (при всех шунтированных секциях MS пусковых резисторов 050 и 051), контактор 26, шунт амперметра 120, земля. На 20-й позиции измерение тока производится амперметром 861 или 862.
Особенность рассмотренного перехода на 20-ю позицию заключается в том, что путем отключения секций В1 резисторов 050 и 051 от цепи тяговых двигателей наряду с обеспечением безреостатной ступени подготовлена схема к мостовому переходу на последовательно-параллельное соединение.
Переход с последовательного на последовательн о-п а р а л-лельное соединение — при описанном построении схемы осуществляется с использованием одной переходной позиции М. На этой позиции замыкаются контакторы 23 и 24 (рис. 5) и к двигателям подключаются две группы AI резисторов 050 и 051 (см. рис. 3). Создаются следующие две цепи: для тока /д от токоприемника через двигатели 6, 5 и 4, мостовые контакторы 22 и 21, двигатели 3, 2, 1 к земле; для тока /р от токоприемника через резистор 050, контакторы 21 и 22 в направлении, обратном току /д, резистор 051 также к земле.
Следовательно, на переходной позиции М через контакторы 21 и 22 протекает ток i, равный разности токов в цепи двигателей и в цепи резисторов. Когда токи /д и /р равны, то по уравнительному проводу и, следовательно, через контакторы 21 и 22 ток протекать не будет: наступит равновесие моста. Это соответствует параллельному соединению групп двигателей с включенными в цепь каждой из них резисторами одинакового сопротивления. Условия равновесия моста можно определить, зная, что сопротивление каждой секции AI резисторов 050, 051 равно 4 Ом, при напряжении в контактной сети 3000 В ток через резисторы равен 375 А. Следовательно, если переход осуществляется при токе 375 А в цепи тяговых двигателей, размыкание контакторов 21, 22 в процессе перехода с позиции М на 21-ю произойдет без разрыва цепи тока. При напряжении в контактной сети, отличном от 3000 В, равновесие моста наступит уже при другом значении тока. В случае неравенства токов /я и /р в момент перехода кон-
Рис. 5. Переход по схеме моста с последовательного на последовательно - параллельное соединение тяговых двигателей
такторы 21, 22, выполненные с дугогашением, будут разрывать ток, значение которого зависит как от напряжения контактной сети, так и от скорости движения. Очевидно, что чем меньше разность токов /д и /Р, тем более плавно и с меньшей потерей силы тяги происходит переход с последовательного на последовательно-параллельное соединение тяговых двигателей. При равновесии моста, т. е. когда /д.=/р, сила тяги не меняется. В этом основное преимущество применения мостового перехода.
При переходе с промежуточной позиции М на 21-ю, кроме размыкания контакторов 21, 22, других переключений ее производится — в каждой цепи параллельно соединенных групп тяговых двигателей включены секции AI резисторов 050, 051 сопротивлением по 4 Ом.
Таким образом, на 21-й позиции создаются две цепи тока от токоприемника: 1-я цепь — контактор 37, секция BI резистора 050 (параллельно секции BD включена секция ВА), провод 013, контактор 23, разъединитель 61, контакторы 09 и 07, закорачивающие секцию MS резистора 050, якорь и обмотка возбуждения двигателя 3, разъединитель 62, контактор 39, якоря и обмотки возбуждения тяговых двигателей 1 и 2, контактор 26, шунт амперметра 120, земля; 2-я цепь — контакторы 31 и 25, якоря и обмотки возбуждения двигателей 6 и 5, контактор 40, разъединитель 63, контакторы 19 и 17, закорачивающие секцию MS резистора 051, якорь и обмотка возбуждения двигателя 4, контакторы 24 и 38, секция BI резистора 051 (параллельно секции BD включена секция ВА), шунт амперметра 122, земля. Выход на 33-ю безреостатную позицию последовательно-параллельного соединения тяговых двигателей осуществляется постепенным уменьшением сопротивлений резисторов 050 и 051 с помощью индивидуальных контакторов 01—09 и 11—19.
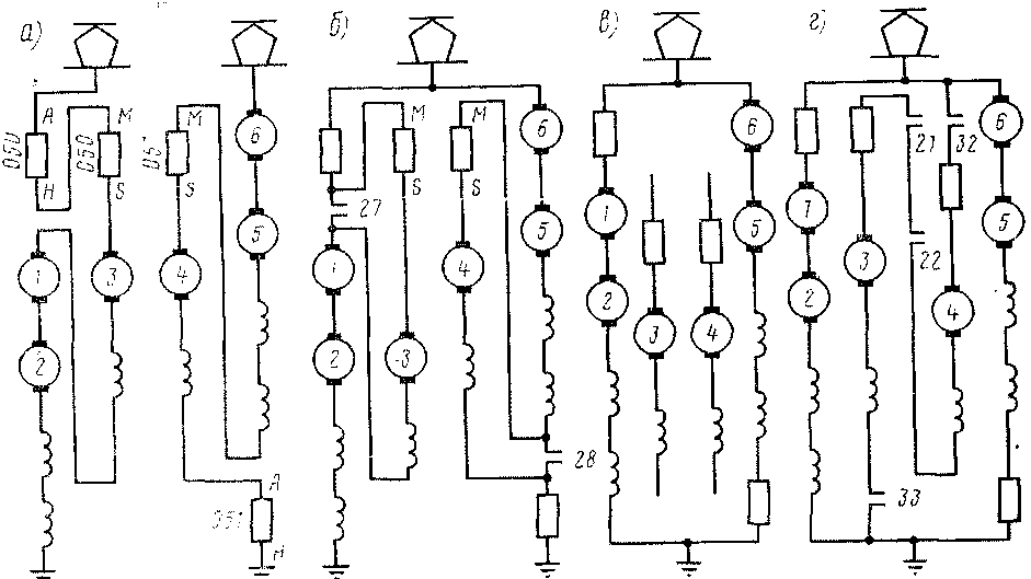
Переход на параллельное соединение, который осуществляется шунтированием части двигателей, начинается введением в каждую цепь последовательно-параллельно соединенных тяговых двигателей секций АН и MS пусковых резисторов 050, 051 — 1-я переходная позиция (рис. 6, а). При перемещении вала группового переключателя 045 в промежуточное положение 4 замыкаются его контакторы 27, 28 и двигатели 3, 4 шунтируются секциями MS резисторов 050, 051 — 2-я переходная позиция (рис. 6, б). На 3-й переходной позиции размыкаются вначале контакторы 23, 24 (с дугогашением), а затем без разрыва тока — контакторы 39, 40 (без дугогашения), вследствие чего двигатели 3, 4 отключаются (рис. б, в). Далее замыкаясь, контакторы 32, 33 (в промежуточном положении 6 вала группового переключателя) цепь двигателя 4 присоединяют к сети, а цепь двигателя 3 — к земле. Переход заканчивается на 34-й позиции замыканием контакторов 21, 22, в результате чего через двигатели 3, 4 начинает проходить ток (рис. 6, г).
Образуются следующие три цепи параллельно соединенных пар двигателей (см. рис. 3): 1-я цепь — контактор 37, секция ВН

Рис б Переход шунтированием с последовательно-параллельного на параллельное соединение тяговых двигателей
резисторов 050 (параллельно секции ВО включена секция ВА), контактор 27. якоря и обмотки возбуждения двигателей 1 и 2, к_>р 26. шунт амперметра 120, земля; 2-я цепь — контактор . .. ::.я Л15 резисторов 051, якорь и обмотка возбуждения тя-: гзнгателя 4, контакторы 22 и 21, секция МБ резисторов
-:к -рь и обмотка возбуждения двигателя 4, контактор 33, :/ : : 121 и 180 (используется при реостатном торможении),
;.....!: 1-я цепь —• контакторы 31 н 25, якоря и обмотки возбуж-
_^.;,^> . ::гат1\Н'И 6 и 5, контакторы 28 и 38, секция ВН резисторов • \ раллельно секции ВО включена секция ВА), шунт ампер-" ! . '.22, земля.
. 1-й позиции сопротивления резисторов, включенных в ; . о.о.кдой группы тяговых двигателей, не одинаковы —■ по :: - т чш двигателей 1, 2 и 5, 6 и 5, 8 Ом в цепи двигателей о. -:. 11< этому на 34-й позиции ток в цепи двигателей 3, 4 значи-
...... ныне, чем в цепи других групп. Выравнивание токов
• :г на 35-й позиции. Реостатный пуск на параллельном
завершается на 42-й позиции. ' ж д о й безреостатной позиции (20, 33 и 42-й) , "".'пения диапазона регулирования скорости можно полу--;ть ступеней ослабления возбуждения двигателей. Шун-............ резисторы 100 и 101 подключаются параллельно обсуждения индивидуальными Электропневматическими ":;мн 075—090. В цепь шунтирующих резисторов вклю-:кп индуктивных шунтов 105 и 106, обеспечивающих бо-, протекание переходных процессов при резких колеба-•— ~х ".шряжения на тяговых двигателях. Первая ступень ослаб-
Таблица 1
|
р, |
Сопротивление гш, |
Ом, в цепи тяговых |
|
% |
двигателей |
|
|
1,2 и 5,6 |
3 и 4 |
|
|
85 |
0,301 |
0,148 |
|
70 |
0,101 |
0,048 |
|
57,5 |
0,053 |
0,025 |
|
47,5 |
0,0313 |
0,0158 |
|
40 |
0,0129 |
0,0076 |
ления возбуждения образуется при замыкании контакторов 075, 079, 083 и 087 и включении секций АЕ и FK резисторов 100 и 101; вторая ступень — при замыкании контакторов 076,
080, 084, 088 и включении секций BE, GK резисторов; третья ступень — соответственно контакторов 077,
081, 085, 089 и секций СЕ,
НК резисторов. На четвертой ступени, кроме контакторов 078,082, 086, 090, замкнуты все остальные, т. е. обмотки возбуждения шунтированы параллельно соединенными одна с другой секциями АЕ, BE, СЕ, а также FK, GK и НК резисторов 100 и 101. На последней — пятой ступени — замкнуты все 16 контакторов ослабления возбуждения, что обеспечивает шунтирование обмоток возбуждения резисторами наименьшего сопротивления.
Значение коэффициента регулирования возбуждения ß на каждой ступени ослабления, а также сопротивления шунтирующих резисторов гш представлены в табл. 1. Сопротивление гиш индуктивного шунта в цепи двигателей 1, 2 и 5, 6 составляет 0,0241 Ом, а в цепи двигателей 3 и 4 равно 0,0118 Ом, сопротивление гв обмоток возбуждения с учетом подводящих кабелей — соответственно 0,0578 и 0,0284 Ом.
Приведенные в табл. 1 значения коэффициентов регулирования возбуждения являются расчетными и соответствуют сопротивлениям обмоток и индуктивных шунтов при определенной температуре, влияние которой на значение ß особенно на последних ступенях достаточно существенно. 'Сопротивление резисторов, изготовленных из фехралевой ленты, при нагревании изменяется незначительно и изменением его можно пренебречь. Для электровоза ЧС2Т расчетные значения ß в соответствии с техническими условиями установлены при температуре обмоток возбуждения 75°С и индуктивного шунта — 20°С. Если температура обмоток возбуждения и индуктивного шунта одинакова и равна 20°С, коэффициент регулирования возбуждения на пятой ступени составит уже около 45%, т.е. будет близок к расчетному для четвертой ступени. В эксплуатации возможны в зависимости от режимов ведения, веса и скорости поездов различные сочетания температур обмоток возбуждения и индуктивных шунтов. Все это приводит к изменению тяговых свойств электровоза при движении на позициях ослабления возбуждения.
Работа в аварийных режимах при повреждении какого-либо тягового двигателя. В случае повреждения одного из двигателей, входящих в группу (1, 2 или 5, 6), вместе с ним отключается и другой. Индивидуально отключается при повреждении двигатель 3 или 4. Чтобы собрать схему аварийного режима вручную, пе-
Таблица 2

реключают по определенной программе (табл. 2) разъединители 61—68 (ножевого типа) на специальной панели 046, а также одновременно переводят барабан соответствующего реверсора 070 или 071 в нулевое положение.
Пуск и движение электровоза при отключении одного или группы двигателей можно осуществлять на всех соединениях. При этом на последовательном соединении работают четыре или пять тяговых двигателей, на последовательно-параллельном —• три и на параллельном — четыре двигателя. Переход с одного соединения на другое происходит так же, как и при нормальной схеме.
Ввод электровоза в депо на низком напряжении. Перед подключением кабеля от внешнего источника питания постоянного тока к розетке 177 или 178 необходимо произвести переключения на панели 046 — выключить разъединитель 62 и включить разъединитель 69, При этом на 20-й позиции контроллера питание будет подводиться к двигателям 1 и 2.
|
|