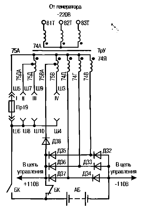
Этот трехфазный трансформатор (обозначение в схеме ТрУ) используют на прицепном и головном вагонах для питания цепей управления электропоезда. Трансформатор ТрУ (рис. 3.7) является понижающим: на первичные обмотки, соединенные "звездой", подается переменный ток от синхронного генератора напряжением 220 В со стандартной частотой 50 Гц. Нагрузкой вторичных обмоток является выпрямительный мост Д32-Д37, от положительной и отрицательной шин которого питаются цепи управления напряжением НОВ.
Трансформатор имеет дополнительную вторичную обмотку с выводом 75ДА, 75ВА, так называемую вольтдо-бавку, которая через диод Д38 подсое-

динена к аккумуляторной батарее. Дополнительная обмотка обеспечивает повышенное напряжение для нормального заряда батареи (на нее подается напряжение около 50 В). Переставляя предохранитель Пр19 в один из четырех зажимов, можно менять число ампер-витков обмотки и регулировать зарядный ток в зависимости от окружающей температуры.
Коэффициент трансформации выбран с таким расчетом, чтобы в цепи управления поддерживалось напряжение 110 В (учитывая потери). Трансформаторы ТрУ крепят к основанию при помощи уголков. На три стержня трансформатора надеты катушки 1, имеющие выводы для контактных зажимов.
|
|