Система осуществляет стабилизацию переменного напряжения 220 В, получаемого от вспомогательной обмотки ol—х2 главного трансформатора (см. рис. 107).
При совместной работе тиристорного стабилизатора напряжения с асинхронным расщепителем фаз система обеспечивает поддержание постоянства переменного однофазного напряжения в пределах 205 ... ... 225 В при коэффициенте искажения формы не менее 0,96 в установившихся режимах и входном напряжении220 ... 300 В, что соответствует напряжению в контактной сети в пределах 22 ... 29 кВ. Длительно допустимый ток стабилизатора напряжения 180 А.
Система содержит однофазный стабилизатор переменного напряжения на тиристорах Тті, Тт2 с блоком управления БУС типа ІБА.076, блок защиты максимального,напряжения БЗМН с промежуточным реле РМН и сигнальным реле БМН, расположенными на блоке ІБ.214.
В нормальном режиме работы питание потребителей переменного напряжения 220 В осуществляется от вспомогательной обмоткиоі—х2 главного трансформатора через автомат АВ и встречно включенные тиристоры ТТІ, Тт2 стабилизатора переменного однофазного напряжения с использованием вращающегося однофазно-трехфазного преобразователя — расщепителя фаз.
В аварийном режиме при отказе стабилизатора переменного напряжения 220 В с помощью перекидной шины (на блоке ІБ.214) питание потребителей переключается на отвод xl вспомогательной обмотки главного трансформатора. При этом напряжение питания потребителей не стабилизировано.
Блок управления стабилизатора переменного напряжения БУС служит для управления тиристорами 7*77, Тт2. Подключение БУС осуществляется штепсельным разъемом ШР1. Вольтметр Услужит для контроля напряжения питания потребителей.
В нормальном режиме работы к выходу стабилизатора переменного напряжения через контактор КР подключен асинхронный расщепитель фаз АРФ. Запуск АРФ осуществляется через пусковой резистор Я26л(б2Ж—63Д), отключаемый с помощью'контактора пуска расщепителя /СЯР.От расщепителя фаз трехфазное напряжение подается на асинхронные короткозамкнутые двигатели вентиляторов ДВІ и ДВ2 (на головном вагоне добавляется ДВЗ), на двигатели насоса трансформатора ДНТ (моторный вагон) и компрессора ДК (головной и прицепной вагоны).

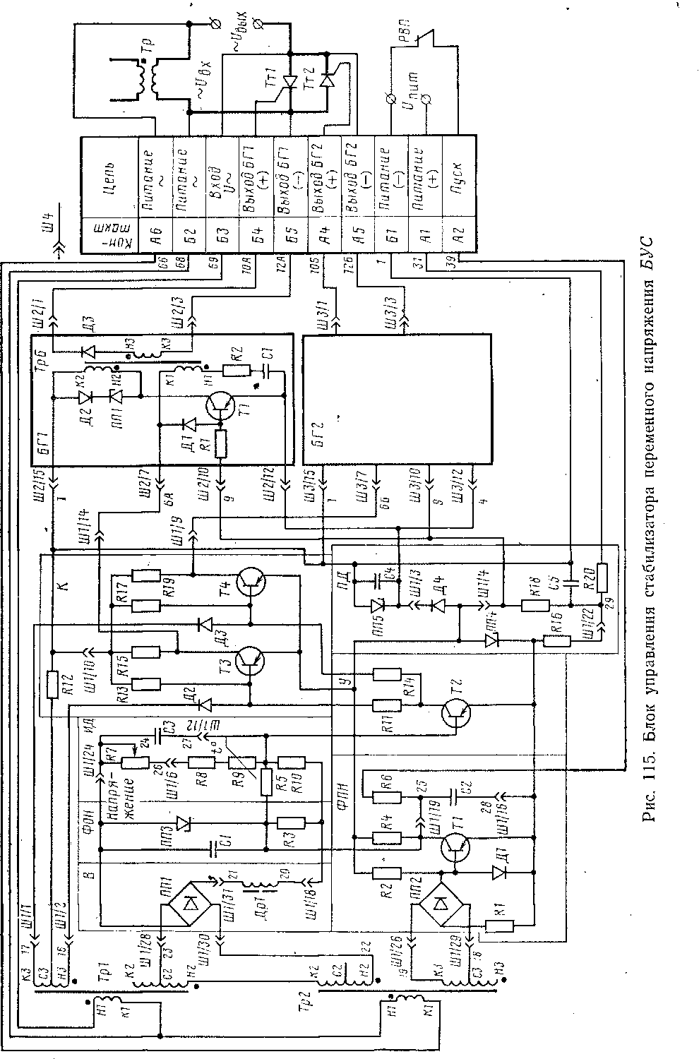
На рис. 114 приведены функциональная схема управления тиристорами стабилизатора переменного напряжения и перечень функциональных элементов.
Первичные обмотки трансформаторов Тр2, Tpl (рис. 115) подключены соответственно на вход системы и параллельно силовым тиристорам ТТ1, Тт2 стабилизатора напряжения. Выходные напряжения трансформаторов Тр2 и Tpl соответственно пропорциональны входному напряжению UBX и напряжению на тиристорах, которое равно разности входного и выходного напряжений системы (UByL—UBhlx).
Выходные обмотки трансформаторов Тр2, Tpl включены встречно-последовательно так, что на вход выпрямителя В, выполненного на элементе ПП1, подается напряжение UÜ, зависимость которого от напряжений UBX И £/вых Определяется формулой (/и = +, (к2 —
— Ki) UBX (здесь Ki, к2 — коэффициенты трансформации трансформаторов Tpl, Тр2).
С ростом напряжений £/вых и £/вх напряжение увеличивается.
Выпрямленное напряжение сглаживается с помощью дросселя Др1 и подается на измерительный делитель ИД, содержащий резисторы R7—R10 и формирователь опорного напряжения ФОН, содержащий резистор R3, стабилитрон ППЗ и конденсатор С1.
Формирователь пилообразного напряжения ФПН вырабатывает пилообразное напряжение Un частотой 100 Гц, синхронизированное с сетью через трансформатор Тр2, содержит выпрямительный мост ПП2, диод Д1, транзистор 77, конденсатор С2 й'резисторы Rl, R2, R4 и R6.
Пилообразное напряжение Un суммируется с опорным напряжением U0 и подается на вход усилителя У, осуществляющего сравнение суммарного напряжения (Un + U0) с выходным напряжением Ua измерительного делителя.
Усилитель выполнен на транзисторе Т2, работающем в переключающем режиме, так что при £/и >£/п + U0 транзистор Т2 заперт, а при U» < Ua + U0 транзистор Т2 открыт.

Рис. 114. Функциональная схема управления стабилизатора переменного напряжения БУС:
Тр1, Тр2 — измерительные трансформаторы; В — выпрямитель; ИД — измерительный делитель; ФПН — формирователь пилообразного напряжения; У — усилитель; К — коммутатор; БГ1, БГ2 — блокинг-генераторы; СН — стабилизатор напряжения; ФОН — формирователь опорного напряжения; ПД — питающий делитель

Коммутатор К, выполненный на транзисторах ТЗ, Т4, управляемый выходным напряжением усилителя У и синхронизирующей обмоткой трансформатора Tpl, обеспечивает поочередное включение бло-кинг-генераторов БГ1, БГ2, вырабатывающих импульсы управления тиристорами стабилизатора напряжения.
Блокинг-генераторы БГ1, БГ2 выполнены по одинаковой схеме (см. рис. 115), содержат транзистор 77 и импульсный трансформатор ТрБ. Блокинг-генераторы работают в ждущем режиме. При подаче соответствующих входных сигналов блокинг-генераторы вырабатывают импульсы, которые со вторичных обмоток трансформаторов ТрБ подаются на управляющие цепи тиристоров 777, ТТ2.
Питание формирователя пилообразного напряжения ФПН и усилителя У осуществляется постоянным напряжением примерно 10 В, стабилизированным с помощью стабилитрона ПП4, а питание коммутатора К и блокинг-генераторов БГ1, БГ2 — постоянным напряжением примерно 30 В, стабилизированным с помощью стабилитрона ПП5.
На рис. 116 приведены временные диаграммы, характеризующие работу схемы управления тиристорами.
Напряжение на выходе выпрямителя ПП2 (см. рис. 115), подключенного к обмотке СЗ—КЗ трансформатора Тр2, пульсирует с частотой 100 Гц. В момент tu когда ток гв, подаваемый с выхода выпрямителя ПП2 через резистор R1 на вход транзистора 77 в запирающем направлении, становится больше тока смещения ic, подаваемого через резистор R2 в отпирающем направлении, транзистор 77 запирается и начинается заряд конденсатора С2 через резистор R4.
В момент t5, когда ток iB, подаваемый с выхода выпрямителя ПП2 через резистор R1, становится меньше тока смещения ic, подаваемого через резистор R2, транзистор 77 открывается и начинается разряд конденсатора С2 через открытый транзистор 77. Таким образом,~на конденсаторе С2 формируется пилообразное напряжение частотой 100 Гц.
На вход транзистора Т2 подается сумма опорного напряжения на стабилитроне ЛПЗ и пилообразного напряжения на конденсаторе С2 в отпирающем направлении и измеряемое напряжение, снимаемое с резисторов R7 ... R9, — в запирающем направлении.
В интервале t3—te, когда сумма опорного и пилообразного напряжений больше измеряемого напряжения, транзистор Т2 открыт. В интервале /6—/9, когда сумма опорного и пилообразного напряжений меньше измеряемого напряжения, транзистор Т2 закрыт. Транзисторы ТЗ, Т4 управляются транзистором Т2 и напряжением синхронизации, снимаемым с обмоток НЗ—СЗ, СЗ—КЗ трансформатора Tpl.
При открытом транзисторе 72 (усилителя У) транзистор ТЗ или Т4 запирается, если заперт соответственно диод Д2 или ДЗ. При закрытых тиристорах TTl, ТТ2 один из диодов Д2, ДЗ заперт напряжением трансформатора Tpl, а другой проводит ток по Цепи через резистор R12 и базу транзистора ТЗ или Т4. Этот ток переводит транзистор ТЗ или Т4 в открытое состояние независимо от сигнала усилителя.
Если один из тиристоров стабилизатора открыт, напряжение трансформатора Tpl близко к нулю и через диоды Д2, ДЗ одновременно про-
текают токи, препятствующие запиранию транзисторов ТЗ, Т4.
В моменты ^з, 4> когда открывается транзистор Т2, запираются соответственно транзисторы ТЗ, Т4 и срабатывают блокинг-генераторы БГ1, БГ2, вырабатывающие импульсы управления тиристорами. После отпирания тиристоров в моменты транзисторы ТЗ, Т4 открываются. Таким образом обеспечивается поочередная подача импульсов управления на тиристоры стабилизатора.
Тиристоры ТТ1 и ТТ2 запираются в моменты /8~и 1г, определяемые углом сдвига тока активно-индуктивной нагрузки.
В интервалах, соответствующих открытому состоянию тиристоров, выходное напряжение определяется напряжением обмотки главного трансформатора, а в интервалах, соответствующих закрытому состоянию тиристоров, выходное напряжение определяется э. д. с. расщепителя фаз. При изменении уровня входного и выходного напряжений системы изменяется величина выходного напряжения измерительного делителя иш, смещается момент переключения транзистора Т2 и момент открытия тиристоров.
Таким образом, обеспечивается поддержание действующего значения выходного напряжения стабилизатора в заданных пределах. Регулировка уставки выходного напряжения стабилизатора осу. ществляется резистором R7 измерительного делителя.
Во время пуска расщепителя фаз для обеспечения его надежного
запуска необходимо увеличить уставку стабилизированного напряжения. Для этого служит реле времени пуска РВП. При замыкании контакта РВП конденсатор С2 через резистор #6" получает дополнительную подпитку, благодаря чему увеличивается амплитуда пилообразного напряжения и повышается уставка стабилизатора.

Рис. 116. Временные диаграммы стабилизатора переменного напряжения БУС:
1'в — ток выпрямителя ПП2; (с — ток смещения транзистора 77; щ — ток базы 77; Ып — пилообразное напряжение; Юа — опорное напряжение; Иш — измеряемое напряжение; 17у — выходное напряжение усилителя; ИД2, ыдз — напряжение на диодах Д2, Ш; /уь /у2 —токи управления тиристоров; £ь 1*2 — токи тиристоров; ывх — входное напряжение; нвых — выходное напряжение стабилизатора; ыт — напряжение на тиристорах
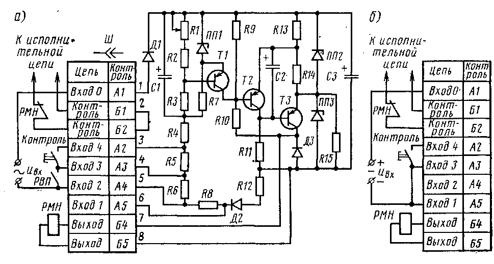
Защита от повышения переменного напряжения осуществляется с помощью блока защиты максимального напряжения БЗМН типа ІБ.216 (рис. 117, а).
Блок содержит однополупериодный выпрямитель на диоде Д1, измерительный делитель напряжения на резисторах RJ ... R6, формирователь опорного напряжения на стабилитроне ПП1 и усилитель на транзисторах 77 ... ТЗ, подключенный к питающему делителю напряжения на стабилитронах ПП2, ППЗ и резисторах R12 ... R15. Питающий делитель напряжения подключен к входной цепи через диоды Д1, Д2. Напряжение на резисторах R13—R15 питающего делителя сглажено и стабилизировано конденсатором СЗ и стабилитронами ПП2, ППЗ.
Переменное входное напряжение подается на блок защиты через контакты А1, А4 штепсельного разъема. Катушка исполнительного реле РМН, установленного на блоке 1Б.214, подключена к блоку БЗМН через контакты Б4, Б5.
Через контакты Б1, Б2 в исполнительную цепь включена перемычка, что позволяет контролировать включенное состояние штепсельного разъема. Через контакты А2, A3 к резистору R5 подключена кнопка Контроль, позволяющая уменьшить уставку защиты и вызвать ее срабатывание при номинальном входном напряжении. Через контакты A3, А4 к резистору R6 подключен контакт реле РВП, позволяющий увеличить уставку защиты на время пусковых переходных режимов системы питания (контакт РВП в нормальном установившемся режиме замкнут).
В исходном состоянии напряжение входной цепи меньше уставки блока защиты и напряжение на резисторах Rl, R2 измерительного делителя меньше опорного напряжения на стабилитроне ПП1, потен-

Рис. 117. Блок защиты максимального напряжения БЗМН:
а — схема подключения блока иа моторном вагоне; б — схема подключения блока на голов-
ном вагоне
циал базы транзистора 77 выше потенциала эмиттера и транзистор 77 закрыт, транзистор Т2 открыт и конденсатор С2 разряжен, транзистор ТЗ закрыт и катушка исполнительного реле обесточена.
При повышении входного напряжения выше уровня, соответствующего уставке, транзистор 77 открывается и запирает транзистор Т2. Начинается заряд конденсатора С2 от конденсатора СЗ по цепи через резисторы ЯП, ВІЗ. Когда напряжение на конденсаторе С2 становится больше падения напряжения на резисторе К14. которое примерно равно половине напряжения стабилитрона ПП2, транзистор ТЗ открывается и катушка исполнительного реле получает питание от конденсатора СЗ через стабилитрон ПП2 и транзистор ТЗ. Для повышения четкости срабатывания реле и предотвращения звонкового режима работы транзисторы Т2, ТЗ включены по схеме триггера с положительной обратной связью через резистор 8,10. При открывании транзистора ТЗ уменьшается ток через резистор ЯЮ, что приводит к повышению потенциала базы транзистора Т2 и четкому срабатыванию триггера.
Назначение отдельных элементов схемы блока защиты:
стабилитроны ПП2 и ППЗ служат для стабилизации напряжения питания триггера;
конденсатор С1 сглаживает напряжение цепи /?/—Р,3 измерительного делителя и цепи Я7—ПП1 формирователя опорного напряжения;
конденсатор С2 обеспечивает выдержку времени на срабатывание исполнительного реле;
диод Д2 отделяет цепь измерительного делителя напряжения от цепи питающего делителя напряжения, что необходимо для уменьшения влияния формы напряжения входной цепи на установку блока защиты;
диод ДЗ шунтирует катушку исполнительного реле и обеспечивает защиту транзистора ТЗ от перенапряжений;
резисторы Я5, Я6 служат для обеспечения возможности изменения уставки исполнительного реле с помощью внешнего коммутационного аппарата (при закорачивании резисторов уставка защиты понижается);
уставка блока регулируется потенциометром Я1.
|
|