Для защиты от перегрузок и коротких замыканий силовой цепи, а также для отключения от высокого напряжения при других ненормальных режимах предусмотрен воздушный выключатель ВВ. Он отключается либо при подаче импульса на отключающую катушку ВВ-О, либо при прекращении питания удерживающей-катушки ВВ-У в случае размыкания одной из блокировок, включенных в цепь ее питания.
При токах выше 100 А срабатывает реле отключения высоковольтного выключателя РОВ, обмотка которого питается через трансформатор Тока ТТЗ. Своими контактами реле РОВ разрывает цепь питания удерживающей катушки, и выключатель отключается. Собственное время отключения его около 0,06 с.
При коротких замыканиях на стороне постоянного тока, а также при возникновении кругового огня на коллекторе тягового двигателя подается импульс от трансформаторов тока ТТ2, ТТ4 через блок ускоренного отключения на катушку непосредственного отключения ВВ-О. Время отключения ВВ в этом случае около 0,05 с.
Схема подключения аппаратуры защиты представлена'на рис. ПО.

Блок ускоренного отключения БУ-2 предназначен для обработки сигналов, поступающих с датчиков ТТ2, ТТ4, и выдачи команды на воздушный выключатель, а также для обеспечения необходимой сигнализации и взаимосвязи аппаратуры защиты со схемой управления.
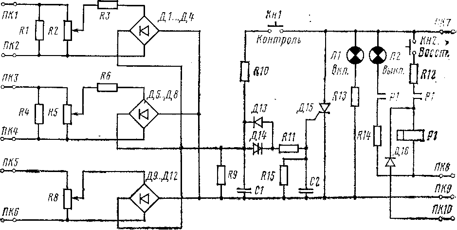
Принципиальная схема блока ускоренного отключения БУ-2 (рис. 111) включает в себя нагрузочные резисторы R1 и R4, переменные резисторы R2, R5 и R8, выпрямительные мосты Д1... Д4, Д5 ... Д8 и Д9 ... Д12, цепочки RC (R3—C1 и R6—C1), накопитель энергии С1, омический делитель напряжения R9, R10, неуправляемый переключающий диод Д14, управляемый тиристор Д15, элементы защиты Д13,Д16,Р15 и С2, сигнальные лампы Л1 и Л2, реле Р1 и кнопки управления Кн1 и Кн2.
Резисторы R1 и R4 являются нагрузкой датчиков короткого замыкания ТТ2 и ТТ4. С резисторов R1 и R4 снимается напряжение, необходимое для переключения диода Д14 и отпирания тиристора Д15. Переменные резисторы R2, R5 и R8 предназначены для настройки блока на определенную уставку по входам датчиков короткого замыкания и перегрузки. м- Выпрямительные мосты Д1 ... Д4, Д5 ... Д8 и Д9 ... Д12 преобразуют сигналы датчиков в напряжение постоянного тока. Цепочки R3—C1 nR6—Cl снижают крутизну нарастания напряжения, которое прикладывается к динистору Д14. Конденсатор С1 накапливает энергию, необходимую для отпирания выходного тиристора Д15.
Омические делители напряжения R9, R10 ограничивают напряжение на конденсаторе С1 и ток в цепи управляющего электрода тиристора Д15 в момент замыкания кнопки КШ (Контр), с помощью которой проверяется работа блока отключения.
Динистор Д14 позволяет зарядиться конденсатору С1 до напряжения, которое достаточно для отпирания тиристора Д15. Тиристоры Д15 и Д14 переключаются-в тот момент, когда ток короткого замыкания в цепи выпрямительной установки и тяговых двигателей
достигает определенного значения (тока и напряжения уставки).
. Тиристор Д15.после отпирания замыкает цепь питания отключающей катушки ВВ-О. Одновременно получает питание катушка сигнального реле Р1, и его блокировка включает цепь питания сигнальной лампы Л2, которая указывает на срабатывание защиты данного вагона.
Диод Д13 защищает динистор Д14 от напряжений обратной полярности по отношению к напряжению, которое прикладывается к нему после выпрямительных мостов. Конденсатор С2

Рис. ПО. Схема подключения аппаратуры защиты:
ТТ2, ТТ4 — датчики короткого замыкания; БДР — быстродействующее дифференциальное реле; БУ-2 — блок ускоренного отключения; ВВ — высоковольтный вьіключатель; АБ — аккумуляторная батарея

Рис. 111. Схема электрическая принципиальная блока ускоренного отключения
БУ-2
повышает устойчивость тиристора Д15 к воздействию высокочастотных помех, проникающих в блок по цепям питания. Лампа Л1 сигнализирует о наличии напряжения в блоке и его исправности. Диод Д16 защищает провод 22С (клемма ПК-Ю) от напряжения, подаваемого g провода 22А (клемма ПК-7).
Защита от атмосферных перенапряжений осуществляется с помощью вилитового разрядника РВС, а от коммутационных — с помощью разрядника РВ. От перегрузок тяговые двигатели защищены реле перегрузки РП1 и РП2, действующими на отключение контактора ЛК1. Защита тяговых двигателей при возникновении кругового огня на-коллекторе осуществляется с помощью бесконтактного дифференциального реле БДР, которое воздействует через систему защиты выпрямительной установки на отключение высоковольтного выключателя.
При замыкании силовой цепи на землю срабатывает реле заземления РЗ, имеющее токовую катушку. Контакты РЗ разрывают цепь питания катушки ВВ-У. Реле выполнено с защелкой и ручным возвратом.
Для защиты от попадания высокого напряжения в цепи управления при обрыве цепей заземляющих щеток'предусмотрен дроссель заземления ДЗТ.
От атмосферных и коммутационных перенапряжений электрооборудование защищено конденсаторами С2 ...<С4. Они же предназначены для подавления радиопомех. Конденсатор С2 устанавливают с разрядным резистором RIO (Р21—Р22). Для подавления излучения радиопомех, кроме конденсаторов, предусмотрен индуктивный дроссель ДП.
Заземления играют защитную роль при аварийных режимах вэлек-трических цепях. Один конец первичной обмотки главного силового трансформатора заземлен через специальное устройство, состоящее из щеточного аппарата, соединяющего обмотку с землей через колес-
ную пару, и дросселя заземления ДЗТ, который соединяет обмотки с землей в случае, если щеточный контакт нарушится. В нормальном режиме через дроссель ток не идет, так как цепь тока через заземляющие щетки имеет меньшее сопротивление. Щеточное заземление необходимо периодически проверять, так как при его повреждении ток будет проходить через подшипники вагона.
Главная вторичная обмотка силового трансформатора также заземлена: ее средняя точка соединена с землей через защитное реле заземления РЗ. Любой пробой на землю вторичной обмотки вызовет протекание тока через это реле, действующее на отключение высоковольтного выключателя. В обычном режиме заземление средней точки уменьшает вдвое потенциалы относительно земли всех элементов силовой схемы.
Кроме постоянного заземления, вторичная обмотка имеет на обоих концах заземлители трансформатора ЗТ, при включении которых закорачивается вторичная обмотка, что препятствует прохождению тока и напряжения 2200 В в силовую цепь при случайном попадании напряжения на первичную обмотку трансформатора. Заземлители включают при опущенном токоприемнике всегда, когда ведут работы с высоковольтным оборудованием или под вагоном.
Заземление вспомогательных обмоток обеспечивает постоянный потенциал вспомогательных цепей 600 и 220 В относительно земли.
|
|