На электропоезде ЭР2 установлен динамотор ДК-604В. Он состоит из делителя напряжения и генератора управления.
Делитель напряжения служит для получения напряжения 1500 В, необходимого для питания двигателя компрессора, а также является приводом для генератора управления, якорь которого насажен на конец вала делителя напряжения.
Делитель напряжения представляет собой двухколлекторную машину постоянного тока, имеющую общую магнитную систему и общий сердечник якоря с двумя обмотками, расположенными в одних и тех же пазах, но присоединенными каждая к своему коллектору.
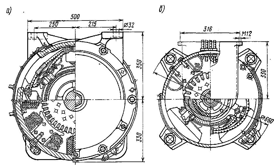
Остов 7 делителя напряжения (рис. 64 и 65) стальной, литой, цилиндрической формы. С обеих торцовых сторон остов закрывают подшипниковыми щитами /, в которых устанавливают якорные подшипники. Со стороны генератора — шариковый, упорный, № 7Н315; со стороны вентилятора — роликовый, свободный, № ЗН32413Т. Для предотвращения выбрасывания смазки ЖРО в крышках подшипников предусмотрены специальные лабиринтные канавки, а для добавления смазки — трубки, закрываемые резьбовыми пробками. Подшипниковые щиты крепят к остову болтами.
Вблизи торцов с обеих сторон в остове имеются коллекторные люки 5 (по два с каждой стороны), закрываемые съемными крышками с резиновыми уплотнениями по краям. Эти люки служат для осмотра коллектора, проверки состояния щеток и замены их. Крышки люков к остову крепят специальными замками. Для подвески делителя напряжения к раме вагона заодно с остовом отлиты четыре лапы и четыре проушины, служащие для транспортировки. В верхней части остов имеет шесть отверстий для выводных проводов.
Вал якоря 17 делителя напряжения изготовлен из стали 45, концы его выходят из остова с обеих сторон. С одной стороны на него насажен якорь генератора управления, а с другой — вентилятор 15. На средней части вала набран сердечник якоря 12, состоящий изх стальных листов, изолированных друг от друга лаком и зажатых с обеих сторон нажимными шайбами 8 (обмоткодер-жателями). Оба коллектора 2 насажены на вал до упора с нажимными шайбами. Как сердечник, так и коллекторы удерживаются на валу шпонками. В сердечнике имеется 45 пазов, в которых уложены две обмотки якоря (друг над другом): нижняя 13 (со стороны генератора) соединяется пайкой со своим коллектором, а верхняя 6 (со стороны вентилятора) — со своим. Коллекторы набирают из 315 медных пластин 4, изолированных друг от друга миканито-выми прокладками. Несущий пластмассовый корпус коллектора армирован коллекторной стальной втулкой 18. Пластмасса в коллекторе является не только несущим, но и изолирующим звеном.
Обмотка якоря волновая. Обе обмотки совершенно одинаковы по числу витков в секции и размеру провода и при последовательном их включении делят приложенное напряжение пополам. Каждая обмотка состоит из семи секций, а каждая секция представляет собой четыре витка, выполненных из изо-
|
Причина |
Способ устранения |
|
Перекрытие или пробой кронштейна щеткодержатели |
|
|
Попадание влаги в тяговый двигатель, перенапряжение, грязный изолятор или кронштейн щеткодержателя |
Необходимо определить тяговый двигатель, протереть чистой салфеткой, смоченной в бензине, заменить изолятор или кронштейн щеткодержателя |
|
Пробои изоляции обмоток якорей и полюсов |
|
|
Механические повреждения, резкое снижение сопротивления изоляции при частых перенапряжениях на двигатели, попадании влаги, пыли и т. д. |
Устранить дефекты в депо. В условиях эксплуатации это сделать нельзя |
|
Междувитковое замыкание обмоток (сильное искрение под щетками и срабатывание токовой защиты) |
|
|
Механическое повреждение изоляции, старение изоляции, снижение изоляционных свойств вследствие частых перенапряжений |
В эксплуатации отключить тяговый двигатель. По прибытии в депо устранить дефекты |


Рис. 65. Поперечные разрезы делителя напряжения ДК-604В (а) и генератора управления (б)
лированного круглого провода. Корпусная изоляция обмотки стеклоэскапо-новая лакоткань, намотанная в шесть слоев вполуперекрышу, и один слой тафтяной ленты, намотанной встык. Кроме того, пазы сердечника изолированы электро'картоном, а на выходе секций из паза устанавлена дополнительная угловая изоляция. Крепление обмоток в пазах осуществляют проволочными бандажами, расположенными на лобовых частях обеих обмоток и на средней части сердечника. Подбандажной изоляцией служит электрокартон.
После монтажа якорь пропитывают в термореактивном лаке ФЛ-98, дающем твердую изоляционную влагонепроницаемую пленку.
Вращается якорь делителя напряжения против часовой стрелки, если смотреть со стороны генератора. Иное направление вращения, являющееся результатом неправильного соединения концов обмоток, недопустимо.
. Внутри остова расположены четыре главных и четыре дополнительных полюса. Сердечники главных полюсов 9 набирают из листовой стали и скрепляют заклепками. Сердечники дополнительных полюсов 20 литые. На каждом главном полюсе укреплены две катушки: независимого возбуждения 10 (низшего напряжения) и последовательного возбуждения // (высшего напряжения). Между катушками прокладывают электрокартон. Чтобы катушки не имели качки на полюсах, их укрепляют пружинными фланцами. Главные полюсы крепят к остову шпильками, ввинченными в тело полюса.
Дополнительные полюсы имеют по одной катушке 21 последовательного возбуждения (высшего напряжения), которые также укреплены пружинными фланцами. К остову дополнительные полюсы крепят болтами.
Катушки последовательного возбуждения главных полюсов выполнены из круглого изолированного провода и имеют 170 витков каждая. Катушки независимого возбуждения изготовлены тоже из круглого изолированного провода, но меньшего сечения и имеют 530 витков. Катушки независимого возбуждения включены на напряжение 50 В.
Катушки дополнительных полюсов имеют 350 витков и отличаются от катушек последовательного возбуждения главных полюсов только размерами.
Корпусной изоляцией катушек служит стеклоэскапоновая лакоткань, намотанная в шесть слоев вполу перекрышу, и тафтяная лента — в один слой встык. Катушки дважды пропитывают в компаунде 225. Межкатушечные сое-
динения выполнены из провода ПС-4000 сечением 6 мм2, а выводные концы — из провода ПМУ-4000 того же сечения.
Делитель напряжения имеет по четыре щеткодержателя 3 на каждом коллекторе, а в каждом щеткодержателе по одной щетке.
В подшипниковых щитах устанавливают на специальной выточке поворотные траверсы 14. Каждая траверса имеет четыре замка, в которые вставляют пальцы (кронштейны) щеткодержателей, выполненные из стали и опрессован-ные пластмассой. К каждому пальцу болтом крепят литой латунный щеткодержатель. На палец щеткодержателя надевают круглый фарфоровый изолятор.
Щетка имеет гибкий шунт с напаянным наконечником, который болтом крепят к пальцу. Нажатие на щетку осуществляет ленточная спиральная пружина, укрепленная на валике щеткодержателя. Регулируют нажатие поворотом валика, положение которого фиксируется стопором, установленным в поперечном вырезе валика и в ближайшем к нему вырезе корпуса щеткодержателя.
После испытания машины траверсу фиксируют штифтом, а затем крепят к подшипниковому щиту болтами. Для улучшения условий коммутации щетки делителя напряжения сдвигают с нейтрали на три коллекторные пластины против направления вращения.
Нажатие на щетки составляет 8—10 Н (0,8—1,0 кгс). Щетки угольные марки ЭГ-2А имеют размеры 8x26x50 мм.
Вентилятор 15 служит для охлаждения делителя напряжения и генератора управления. Он состоит из стального диска, отлитого заодно с лопастями и укрепленного на выступающем конце вала якоря шпонкой и гайкой. Забор воздуха осуществляется через патрубок 23 чугунного щита генератора, который воздухопроводом соединен с пассажирским помещением вагона. Воздух, поступающий из пассажирского помещения, вначале охлаждает якорь и катушки полюсов генератора, затем через отверстия в подшипниковом щите проходит по вентиляционным каналам якоря и между катушками полюсов делителя напряжения, охлаждая его, и выбрасывается наружу.
Вентилятор, кроме того, является постоянной нагрузкой и в случае обрыва цепи обмотки независимого возбуждения служит для ограничения частоты вращения якоря делителя напряжения.
Соединение обмоток делителя напряжения Особенность схемы соединения обмоток делителя напряжения (рис. 66) в том, что две самостоятельные якорные обмотки, уложенные в общих пазах, не имеют соединения, но имеют общую магнитную систему. Возбуждение создается

Рис. 66. Схема соединения обмоток делителя напряжения со стороны вентилятора (а) и генератора (б)
тремя обмотками: двумя обмотками последовательного возбуждения, соединенными каждая со своей якорной обмоткой, и обмоткой независимого возбуждения.
Обмотки якоря устроены таким образом, что направление тока в проводниках каждого паза одинаково, а поэтому вращающие моменты, создаваемые якорными обмотками, действуют в одном направлении. Поскольку обе якорные обмотки одинаковы и вращаются с одинаковой частотой в общем магнитном потоке, создаваемом главными полюсами, то и э. д. с,наводимые в якорных обмотках, будут одинаковыми. Одинаковым будет падение напряжения на обеих обмотках якоря. Поэтому потенциал средней точки будет равен половине напряжения контактной сети.
Режимы работы делителя напряжения. При включении делителя напряжения в работу ток от контактного провода проходит через якорные обмотки и обмотки последовательного возбуждения. По обмотке независимого возбуждения также проходит ток напряжением 50 В. С увеличением частоты вращения якоря делителя напряжения увеличиваются э. д. с. в его якорных обмотках, в результате чего ток в них и в обмотках последовательного возбуждения уменьшается. Этот процесс будет проходить до тех пор, пока вращающий момент делителя напряжения не уравновесится моментом сопротивления механических тормозных сил и моментом нагрузки генератора. Когда процесс пуска будет закончен и рост частоты вращения якоря прекратится, ток в якорных обмотках и обмотках последовательного возбуждения будет небольшим (вследствие большой э. д. с), и магнитный поток в основном будет создаваться обмоткой независимого возбуждения.
Всякое дальнейшее изменение нагрузки генератора будет изменять магнитный поток обмоток последовательного возбуждения, но влияние этого изменения на общий магнитный поток делителя напряжения будет незначительным и частота вращения якоря мало изменится. То же самое будет происходить и при изменении напряжения в контактной сети.
Рассмотрим следующие режимы работы делителя напряжения.
1. Делитель напряжения работает при минимальной нагрузке генератора управления и отключенном компрессоре (режим холостого хода).
При этом по обеим якорным обмоткам протекает одинаковый ток /0. Э. д. с. и напряжения обеих якорных обмоток будут равны, т. е. Ех — Ег и (/, = Vг. Общий вращающий момент делителя напряжения будет создаваться суммой токов обмоток якоря /,, -}- /„ =- 2/0.
2. Делитель напряжения работает только с подключенным к его средней точке компрессором.
В этом случае токи в якорных обмотках делителя, а следовательно, и напряжения на них будут неодинаковыми. Однако э. д. с. якорных обмоток будут по-прежнему равны, поскольку возбуждаются общим магнитным потоком.
Обозначим ток первой якорной обмотки /ь второй /а ток, потребляемый компрессором, /,.;. Тогда обязательно выполнение равенства 1г ~- /., + /к.
Вращающий момент делителя напряжения после подключения компрессора остается прежним, поэтому сумма токов якорных обмоток не изменяется, т. е. /0 + /о — 1Х + /2 =- 2 /„. Решая совместно два последних уравнения, получим: 1г =■-- /0 + /к/2 и /., = /„ — /к'2. Следовательно, ток первой якорной обмотки после подключения компрессора возрастает на величину, равную половине тока, потребляемого двигателем компрессора, а ток второй якорной обмотки уменьшается на ту же величину.
Из последнего уравнения следует, что при определенном значении тока /,, ток /2 может стать отрицательным (изменит направление); в этом случае вторая якорная обмотка будет работать в генераторном режиме.
Возможность такого явления обусловлена тем, что при возрастании тока /, напряжение 1/х на первой якорной обмотке увеличивается, а ток /2 и напря-
жение и.2 на второй якорной обмотке уменьшаются. Когда ток У, станет равным току У„, ток У2 будет равен нулю. В этом случае напряжение IIг на второй якорной обмотке станет равным э. д. с. этой обмотки £.,. При дальнейшем возрастании тока /, напряжение на второй якорной обмотке станет меньше ее э. д. с, т. е. V., < £._,.
Нетрудно заметить, что для перехода второй якорной обмотки в генераторный режим необходимо выполнение условия Ук >2У„.
3. Делитель напряжения работает при полной нагрузке генератора управления.
При этом возрастает вращающий момент делителя напряжения, так как увеличиваются потребляемые его обмотками токи Уо. Враохающий момент будет создаваться суммой токов Г0 - Ус ----2 У0. Если подключить двигатель компрессора, то опять произойдет перераспределение токов в якорных обмотках. По первой обмотке будет протекать ток У[, а по второй Г2- Вращающий момент делителя напряжения в этом случае не изменится, так как создающий его суммарный ток останется прежним, т. е. 1\ + Уз 2/6•
Вторая якорная обмотка в генераторный режим перейти не может, так как ток /к всегда меньше тока 2/6-
Генератор управления предназначен для питания цепей управления, освещения, вентиляции, а также подзаряда аккумуляторной батареи постоянным током напряжением 50 В. Он представляет собой четырехполюсную машину постоянного тока с параллельным возбуждением (рис. 67).
Остов 26 генератора (см. рис. 64) имеет цилиндрическую форму и снабжен приливами со специальной выточкой для посадки его на подшипниковый щит. С передней стороны остова по бокам имеются два коллекторных люка, закрываемых крышками с резиновыми уплотнениями и специальными замками. Так как в остове подшипниковые щиты отсутствуют, то его торцовая часть закрыта чугунным щитом, имеющим патрубок для вентиляции.
Внутри остова по диагонали расположены четыре главных полюса 32; дополнительных полюсов генератор не имеет. Сердечники полюсов набраны из стальных листов, скрепленных стержнями. Последние снабжены отверстиями с резьбой, в которые ввертывают болты, крепящие полюсы к остову. Катушки полюсов, выполненные из изолированного медного провода, прижаты к внутренней поверхности остова пружинными фланцами. Межкатушечные соединения и выводы выполнены кабелем ПС-1000 сечением 35 мм2 для
цепи обмотки якоря и 16 мм2 для цепи катушек возбуждения.
Якорь генератора своего вала не имеет, его крепят на выступающем конце вала делителя напряжения. Для удобства монтажа и демонтажа его собирают на специальной якорной втулке, отлитой заодно с задней нажимной шайбой. Сердечник 30 якоря набирают из штампованных стальных листов толщиной 0,5 мм, изолированных друг от друга лаком. Набранный сердечник запрессовывают между задней нажимной шайбой 31 и передней 28, напрессованной на втулку якоря. Собранный якорь удерживается на валу шпонкой и закрепляется гайкой, навернутой на конец вала.
В сердечнике 30 явдря выштамповано 27 пазов, в которые укладывают обмотку 29 якоря. Обмотка якоря волновая, в каждой секции восемь медных проводников

сечением 1,56x5,9 мм2. Междувитковая изоляция выполнена из липкой стек-лоэскапоновой лакоткани в один слой вполуперекрышу. Обмотка в пазах закреплена проволочными бандажами, узкими в средней части и широкими на лобовых частях.
Коллектор якоря набран из 107 медных пластин 27, изолированных мика-нитовыми прокладками. Пластмассовый корпус коллектора армирован стальной втулкой. Коллектор насажен на втулку якоря и удерживается шпонкой. Щеткодержатели 25 крепят к траверсе 24 пальцами, имеющими изолированную часть, зажатую в специальном замке траверсы. Положение траверсы устанавливают после испытаний и фиксируют его специальным винтом. Щеткодержатель отлит из латуни и приклепан к стальной коробке, внутри которой расположена нажимная пружина, а в верхней части на поворотной оси укреплен нажимной палец, который через цилиндрическую пружину осуществляет необходимое нажатие на-щетку (10—12 Н). Щеткодержатели крепят к пальцам болтами, которые проходят в специальные вырезы, сделанные в коробке с таким расчетом, чтобы можно было регулировать положение щеткодержателя по мере износа коллектора.
Щетки гибкими шунтами и проводами соединяют с выводными концами. Всего у генератора четыре группы щеткодержателей, на каждую из которых приходятся две щетки ЭГ-2А.
Генератор управления включен параллельно с аккумуляторной батареей, которая заряжается в процессе работы генератора и резервирует его в случае неисправности. Постоянство напряжения на зажимах генератора при колебаниях напряжения в контактной сети и нагрузки обеспечивается изменением в широких пределах тока возбуждения регулятором напряжения.
|
|