Применение различных схем соединения тяговых двигателей. Количество применяемых схем соединения обмоток двигателей, а следовательно, и экономических характеристик получается наибольшим при напряжении С/д на зажимах двигателя, равном напряжению £/с, и большом числе т двигателей, включенных в силовую цепь. При напряжении в контактной сети С/с = 3000 В двигатели выполняют с номинальным напряжением на зажимах 1500 и 750 В. Тогда для локомотивов с четырьмя, шестью и восемью двигателями при £/д = 1/2Ис соотношение скоростей движения получается равным '/г и 1 ПРИ четырех двигателях, '/з> 2/3 и 1 — при шести и '/4, '/г и 1— при восьми, т. е. в первом случае получают две группировки двигателей и две экономические характеристики, во втором и третьем — по три. При (Уд = = '/«^с и четырех двигателях получают одну их группировку — последовательное соединение (электропоезда ЭР22В, ЭР2Т и ЭР2Р) — или две — последовательное и последовательно-параллельное соединения (электропоезд ЭР200), если предусмотрено электрическое соединение тяговых двигателей двух моторных вагонов. Это позволяет снизить массу комплекта тяговой аппаратуры, элементы которой размещают соответственно на двух вагонах. Если на электровозе четырехосные секции могут работать по системе многих единиц (электровоз ВЛ11), тяговые двигатели каждой секции имеют два соединения (рис. 232):

Рис. 232 Схемы соединений обмоток тяговых двигателей а — последовательно и две группы параллельно при 11 л— [/2ис и т = 4, б — последовательно, последовательно-параллельно и параллельно прн I/д = '/г^с и т = 6, в — последовательно, последовательно-параллельно н параллельно при 11д = '/гс/с и т = 8, г — последовательно-параллельно н параллельно при 1/д= '/2ис и т = 4 в секции (электровозы ВЛ11, ЧС200, ЧС6), д — последовательно и последовательно-параллельно при и.= '/4ис и т = 4 (электропоезд ЭР200); е — последовательно при £/д= у4Ус и т= 4 (электропоезда ЭР22В и ЭР2Р)
последовательное (четыре двигателя) и последовательно-параллельное (две группы по два последовательно соединенных двигателя). На электровозе ВЛП предусмотрена также возможность последовательного соединения восьми тяговых двигателей при работе электровоза в составе двух секций и последовательное соединение 12 тяговых двигателей при работе в составе трех секций.
Возможно следующее взаимное расположение обмоток якорей и возбуждения тяговых двигателей: обмотки возбуждения включены за их якорями со стороны земли (рнс. 232, а, б, в) обмоткн якорей и возбуждения собраны в группы (рис 232, г), обмотки возбуждения собраны в одну группу и включены между якорями (на вагонах Д метрополитенов)
Чередование обмоток якорей и возбуждения (см. рис. 232, а, б, в) позволяет упростить схему, сократить количество аппаратуры и повысить надежность локомотива. Однако при этом существенно усложняется переход на электрическое торможение, при котором обычно применяют независимое возбуждение (см. § 94). Кроме того, в случае замыкания какой-либо точки цепи на землю (например, точки А) сопротивления двигателей, находящихся между местом к. з. и источником энергии, могут значительно ограничить ток к з., и обычная защита от перегрузки не обеспечит быстрого отключения их, особенно если не предусмотрена дифференциальная защита Исключается также возможность понижения сопротивления изоляции обмоток возбуждения и реверсора по отношению к земле Однако благодаря простоте подобные схемы включения обмоток и якорей получили широкое распространение на э. д с без электрического торможения.
При включении обмоток по схеме рис. 232, в несколько усложняются цепи, увеличивается число контакторов, осуществляющих переход с одного соединения на другое, так как необходимо отдельно переключать обмотки возбуждения и обмотки якорей. Переход же от тяги к электрическому торможению существенно упрощается. Замыкание на землю в пределах якорей приводит к потере возбуждения всеми двигателями, ко-
роткому замыканию и быстрому отключению цепи. Схема рис. 232, в позволяет уменьшить стоимость изоляции обмоток возбуждения двигателей и реверсора по отношению к земле
В большинстве случаев при выборе взаимного расположения обмоток решающее значение имеет простота реверсирования, перехода с одного соединения двигателей на другое и переключения в режим электрического торможения.
Изменение коэффициента возбуждения. Такой способ регулирования частоты вращения якорей применяют для увеличения числа экономических (ходовых) позиций, а при реостатном пуске (вначале) для снижения массы пусковых резисторов Осуществляют его выключением части витков катушек главных полюсов двигателей, шунтированием обмоток возбуждения резистором, импульсным регулированием возбуждения и автоматическим регулированием тока возбуждения на э. п. с. с двигателями независимого возбуждения
Ступени ослабления возбуждения характеризуют отношением м. д. с. Ров при ослабленном возбуждении к м. д. с. ^пв при полном возбуждении для одного и того же тока якоря. Это отношение называют коэффициентом возбуждения р\
Выключение части витков обмотки возбуждения осуществляют контакторами 1 и 2 (рис. 233, а). В этом случае коэффициент возбуждения 6 = ^ов/^пв = ОМ/(ОМ + Ш2).
Если контактор / не отключать, то витки ш2 при ослабленном возбуждении будут замкнуты накоротко контактором
2. Тогда при изменениях тока / (например, в случае колебаний напряжения ис) в витках о>2 как во вторичной обмотке трансформатора станет наводиться
3. д с и возникнет ток М д. с , вызванная этим током, направлена против м. д. с. основного тока возбуждения, что задерживает изменение магнитного потока и, следовательно, изменение э. д с. тяговых двигателей. Чем больше диапазон колебаний напряжения на гяговых двигателях, тем больше отстает скорость изменения их э д. с. от скорости изменения напряжения сети. В наиболее тяжелых случаях, например, при отрыве токопри-

Рис. 233. Схемы регулирования частоты вращения якорей тяговых двигателей изменением коэффициента возбуждения
емника от контактного провода и последующем соприкосновении их указанное явление может привести к такому нарастанию тока в якорях тяговых двигателей, которое вызовет круговой огонь по коллектору. Поэтому цепь витков о>2 необходимо размыкать.
При одной ступени ослабления возбуждения обмотка на каждом полюсе разделена на две катушки, что усложняет конструкцию тягового двигателя. Поэтому такой способ регулирования коэффициента возбуждения не получил распространения. В Советском Союзе его применяли на электросекциях Сд, С", электропоездах А, Б и Г метрополитена
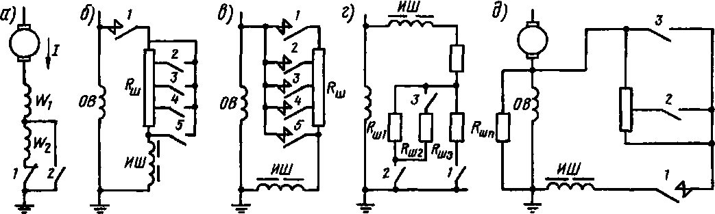
Шунтирование обмотки возбуждения резистором /?ш (рис. 233, б) применяют на всех электровозах и электропоездах. В этом случае коэффициент р = Яш/(/?ов + (здесь /?ов — сопротивление обмотки возбуждения Об; #ш — сопротивление шунтирующей цепи с учетом сопротивления индуктивного шунта ИШ).
При нескольких ступенях ослабления возбуждения шунтирование обмотки ОВ двигателя может быть выполнено по схемам рис. 233, б—г.
В схеме рис. 233, б обычно применяют индивидуальные контакторы 1—5, при этом с дугогашением выполняют только контактор 1. Если предусмотрена буферная защита (см. § 95), то для перехода с ослабленного возбуждения на полное в случае перегрузки достаточно иметь только один контакт реле перегрузки и отключать контактор / независимо от того, на какой ступени ослабления возбуждения работал двигатель. В схеме
рис. 233, в требуется ввести контакты реле перегрузки в цепи катушек вентилей всех индивидуальных контакторов /—5. Эту схему целесообразно применять при групповых контакторах.
В схеме рис. 233, г четыре ступени ослабления возбуждения получают, используя три контактора 1—3. Во избежание разрыва шунтирующей цепи при переходе с 1-й ступени на 2-ю контактор / нужно выключать после включения контактора 2. Если привод контакторов /—3 групповой, то последовательность их включения обеспечивается соответствующей разверткой кулачкового вала. При индивидуальном приводе необходимая последовательность работы контакторов 1, 2 к 3 обеспечивается блок-контактами одного из контакторов, например контактора / (рис. 233, д)
Значения коэффициента 6 выбирают в зависимотси от заданных пределов колебания тока (/тах н- /тш), характеризуемых коэффициентом неравномерности пуска по току кн1
При выборе числа ступеней ослабления возбуждения обычно принимают значения ки! более высокие, чем при расчете реостатных позиций. Коэффициент возбуждения на первой ступени $\ определяется только коэффициентом неравномерности пуска. Для ступени п ослабления возбуждения р\ = рп1
Предельное значение коэффициента возбуждения рм определяется коммутационными свойствами тягового двигателя. Для машин любого напряжения с компенсационной обмоткой р\, > 0,2, без этой обмотки при С/д = 750 В Вм > 0,2, а при иа = 1500 В р\, > 0,3 -г- 0,33.
|
|