СЦБИСТ - железнодорожный форум, фотогалерея, социальная сеть


§ 64. Индивидуальные контакторы

§ 64. Индивидуальные контакторы

Общие сведения. Индивидуальный контактор представляет собой однополюсный (чаще всего) или двухполюсный выключатель с косвенным и дистанционным управлением.

Каждый однополюсный контактор состоит из двух контактов — одного неподвижного и другого подвижного, которые, соприкасаясь, замыкают электрическую цепь, а отходя друг от друга, размыкают ее; привода, обеспечивающего движение подвижного контакта; устройства, осуществляющего притирание подвижного контакта к неподвижному, что необходимо для улучшения условий работы контактов и увеличения срока их работы; дугогасительного устройства, предназначенного для ускорения гашения электрической дуги, возникающей между контактами при разрыве цепи.

Контактор, имеющий привод для одного подвижного контакта, называют индивидуальным. По системе привода различают контакторы электропневмати-ческие и электромагнитные. Электропнев-матические контакторы применяют в силовых цепях, так как при электропнев-матическом приводе легче и дешевле, чем при электромагнитном, обеспечить при токах 350—500 А требуемое нажатие контактов 130—600 Н (13—60 кгс). Электромагнитные контакторы применяют для включения и отключения вспомогательных цепей, их преимущества — простота монтажа и эксплуатации, так как отпадает необходимость в сложном пневматическом оборудовании, что позволяет включать машины и печи отопления при отсутствии сжатого воздуха в пневматической системе э.п.с.

Исправная работа контактора в значительной степени зависит от нагрева контактов, силы удара и действия электрической дуги, возникающей в процессе размыкания цепи с током. При определенном токе нагрев определяется контактным сопротивлением, т. е. сопротивлением в месте соприкосновения контактов. Для заданного материала контактное сопротивление зависит от размеров и формы соприкасающихся поверхностей, их состояния, правильной конструкции системы дугогашения. Минимальным контактным сопротивлением обладают линейные контакты, т. е. такие, которые соприкасаются по прямой линии или практически по очень узкой прямоугольной площадке. Этн контакты применяют в тяговой аппаратуре. Сопротивление линейных контактов при самых неблагоприятных случаях не превышает 50% сопротивления плоских и точечных контактов.

Контактное сопротивление одного и того же материала при одном и том же контактном нажатии меняется в зависимости от чистоты контактирующих поверхностей, степени их обработки, загрязнения н окисления. Чем больше степень окисления и загрязнения, тем больше контактное сопротивление. При этом всякое нагревание металла контактов увеличивает степень его окисления, что повышает контактное сопротивление, а это в свою очередь приводит к увеличению нагрева контакта.

Контакторы всех типов сконструированы таким образом, что в процессе включения и выключения поверхности их контактов скользят друг относительно друга. При скольжении поверхности контактов зачищаются, вследствие чего контактное сопротивление уменьшается и они нагреваются слабее.

Целесообразность перемещения одного контакта относительно другого вызывается еще соображениями, вытекающими из следующего анализа условий их включения и выключения.

В момент замыкания и после замыкания в линейных и точечных контактах происходит искривление линий тока в материале контактов вследствие появления внутри угла изгиба магнитных потоков одного направления. Это вызывает электродинамические усилия /•" (рис. 160), стремящиеся выпрямить линию тока; слагающая этой силы вдоль оси контакта отталкивает контакты друг от друга, что при недостаточном начальном нажатии может вызвать отжатие и даже отрыв контакта, а следовательно, появление электрической дуги.


Возможность отскакивания контакта в контакторах обусловливается еще и тем, что при больших скоростях замыкания происходит упругая деформация материала, которая вызывает дополнительную реакцию, действующую в направлении отталкивания контактов. Отскоки контактов могут возникать в контактной системе и при неправильном выборе размеров деталей, кинематической схемы их движения и сил, определяющих скорости движения.

Возникающая в момент отключения контактов дуга разрушающе действует на поверхность контактов, выплавляя металл, т. е. уменьшая рабочую поверхность контактов. Поэтому по возможности удаляют части рабочей поверхности контактов, предназначенные для начального замыкания и размыкания, от частей, через которые ток длительно протекает после окончания процесса включения Достигается это перемещением при включении и выключении подвижного контакта по поверхности неподвижного.

Совместное перемещение контактов от точек первоначального касания к точкам полного н окончательного касания (или обратно) с их скольжением называют провалом (притиранием) контактов. Размер провала измеряется в миллиметрах и определяется добавочным ходом подвижного контакта после соприкосновения его с неподвижным.

При отключенном контакторе держатель 3 (рис. 161, а) вместе с контактом 1 под действием притирающей пружины 4 повернут на некоторый угол а, который не изменяется до тех пор, пока подвижной контакт 1 не соприкоснется с неподвижным 2 (рис. 161, б). После этого начинается притирание. Рычаг подвижного контакта под действием привода продолжает двигаться вверх и заставляет держатель 3 поворачиваться на своей оси. Подвижной контакт / в это время накатывается на неподвижный 2, и происходит притирание до тех пор, пока держатель 3 не упрется в рычаг 5 (рис. 161, в) и движение рычага вверх не прекратится. Во время притирания контактов происходит не только накатывание одного контакта на другой от точки Б к точке А, но и скольжение одного контакта по поверхности другого; вследствие этого стирается пыль и сдираются слои окисла, которые могут образоваться на контактных поверхностях и увеличить переходное сопротивление.


При размыкании контактов контактора его подвижная часть возвращается в исходное положение и процесс перекатывания контактов повторяется. Держатель 3 поворачивается, а подвижной контакт перемещается по поверхности неподвижного в обратном направлении — от точки А к точке Б. Когда держатель 3 упрется в упор рычага, контакты снова соприкоснутся в точке А, подвижной контакт отойдет от неподвижного, Начнется разрыв тока н образование электрической дуги, которая будет погашена дугогасительным устройством

Оси и опоры должны иметь малый износ и не ограничивать срока работы контактора, а для этого необходимо, чтобы его узлы, в которых происходит поворот подвижной системы, не воспринимали ударов подвижной системы прн включении и отключении Для обеспечения механической износостойкости необходимо также избегать трения металлических частей друг о друга. Желательно, чтобы из двух трущихся частей одна была из пластмассы, так как при этом износ в десятки раз меньше, чем при трении металлических частей.

Притирающая пружина должна обеспечивать такое начальное нажатие контактов, которое превосходило бы сумму отталкивающих усилий, вызванных искривлением линий тока и упругой деформацией металла, возникающих в начале касания контактов

Контакты подвергаются значительно большему износу, чем другие части контактора: кроме механического, происходит еще и износ контактов под действием электрической дуги. Возникновение дуги связано с тем, что в момент начала расхождения контактов контактное нажатие уменьшается почти до нуля, а контактное сопротивление и плотность тока значительно увеличиваются, что приводит к выделению большого количества тепла, которое вызывает сильный нагрев контактов в месте их разрыва. В результате появляется поток электронов, ионизирующий окружающий воздух, и ток при этом не разрывается, а поддерживается через среду, которая по мере прохождения тока раскаляется, что способствует дальнейшей ее ионизации.

Дуга обладает определенным сопротивлением, зависящим от ее длины, площади сечения, условий охлаждения среды, и может существовать между электродами до тех пор, пока напряжение между ними не станет меньше напряжения, необходимого для поддержания дуги. Прн увеличении тока электропроводность дуги возрастает, так как термоэлектронная эмиссия и термононнза-ция усиливаются. Поэтому сопротивление дуги убывает при увеличении тока.

Электрическая дуга постоянного тока может быть погашена только в том случае, если процесс деионизации дугового промежутка протекает с большей скоростью, чем процесс ионизации. При постоянных параметрах цепи уменьшение числа ионизированных частиц ведет к увеличению сопротивления дуги, а следовательно, к снижению тока в дуге. В результате этого дуга начинает гореть неустойчиво.


Рис. 162. Дугогасительное устройство (а) и схема, поясняющая взаимодействие магнитного потока дугогасительной катушки и дуги (б)

В цепи переменного тока гашение дуги облегчается вследствие периодического перехода тока через нуль. Условия гашения для дуги переменного тока примерно такие же, как и для дуги постоянного тока. Дуга переменного тока может погаснуть либо при переходе тока через нуль, либо в середине полупериода. Последнее сопровождается большими перенапряжениями. Большие перенапряжения возникают и при быстром выключении цепи постоянного тока. Значение их зависит от индуктивности цепи и скорости гашения дуги: чем больше индуктивность цепн и скорость выключения, тем больше перенапряжения. Чрезмерное перенапряжение при гашении дуги может быть причиной пробоя изоляции аппаратов и машин, а иногда и вторичного зажигания дуги, что значительно увеличивает износ стенок дугогасительных камер и длительность действия тока к. з., если при разрыве этого тока происходят повторные зажигания дуги.

Деионизация дугового промежутка увеличивается охлаждением столба дуги, путем уменьшения плошади его сечения, увеличения длины и пути перемещения дуги в окружающем ее пространстве. В тяговой аппаратуре это выполняют различными средствами гашения и различной конструкцией дугогасительных устройств Способ гашения дуги в значительной степени определяет надежность работы коммутирующих аппаратов, их конструктивные формы и области применения.

В аппаратах низкого напряжения с малыми номинальными токами гашение дуги обеспечивают соответствующим выбором расстояния между разомкнутыми контактами, т. е. их раствора. В аппаратах с большими токами, даже относительно низкого напряжения, обеспечивать гашенне дуги только путем увеличения раствора контактов нецелесообразно по конструктивным соображениям. В этом случае гашение дуги при сравнительно небольшом растворе контактов осуществляют дугогасительными устройствами. Эти устройства должны обеспечивать надежное гашение дуги при возможно меньшем объеме устройства и малом износе контактов и камеры В тяговой аппаратуре э.п.с. применяют системы дугогашения: в узких шелях с магнитным дутьем, с магнитным дутьем и деион-ной решеткой, с воздушным дугогашени-ем, комбинированные с воздушным и магнитным дутьем.

Дугогасительное устройство с магнитным дутьем электропневматического контактора состоит из следующих частей: дугогасительной катушки 5 (рис. 162), которая включена последовательно с контактами 6 и 7 в цепь тока, стального сердечника 4\ дугогасительных рогов — верхнего 3 и нижнего 8\ дугогасительной камеры 1 и полюсов 2 из листовой стали, с двух сторон примыкающих к сердечнику 4. Между полюсами 2 в области горения дуги катушка 5 создает магнитное поле, которое при размыкании контактов 6 и 7, взаимодействуя с магнитным полем дуги, выталкивает дугу на расходящие концы контактов, перебрасывает на рога, растягивает ее, удлиняет и, наконец, разрывает в камере.

Дуга перемещается в дугогасительной камере 1 перпендикулярно магнитному потоку в направлении, определяемом правилом левой руки. Направление магнитного потока устанавливается таким, чтобы дуга перемещалась внутрь дугога сительной камеры при любых направле ниях тока в цепи, поскольку направление тока определяет направление магнитного потока между полюсами.

Дугогасительные рога / и 2 (рис 163, а) защищают контакты от действия дуги и уменьшают катодную эмиссию благодаря движению катодного пятна по холодной поверхности рога. Дугогаси-тельиая камера предотвращает перебросы дуги на полюсы и другие близко расположенные детали. Кроме того, стенки камеры способствуют охлаждению и деионизации дуги. Размеры дугогасительной камеры в значительной мере определяются конечной длиной дуги, и их выбирают так, чтобы гашение дуги происходило нормально в пределах камеры. Щелевые или лабиринтно-щелевые камеры (рис. 163, б) изготовляют из теплостойкого материала (асбестоцемента, пластмассы) и укрепляют на верхнем и нижнем кронштейнах. В лабиринтнощелевых камерах существенно удлиняется дуга и повышается интенсивность ее охлаждения; дуга, помимо растягивания в плоскости камеры, зигзагообразно искривляется.


Щелевые дугогасительные камеры обычно выполняют с тремя продольными щелями. Такая камера состоит из двух асбестоцементных стенок 6 и двух внутренних асбестоцементных перегородок 3, скрепленных болтами. Внутри камеры имеется дугогасительный рог, снаружи расположены полюсы 7 (рис. 163, в) для проведения магнитного потока в зону гашения дуги От стенок 6 камеры полюсы обычно отделены текстолитовой изоляцией.

Лабиринтно-щелевая дугогасительная камера состоит из двух боковин, опрессованных кремнийорганическим изоляционным материалом. Лучи 4 обеих боковин образуют лабиринт 5, создающий благоприятные условия для быстрейшего гашения дуги. В стенках камеры имеются углубления, где размещены полюсы. Камеры некоторых контакторов снабжены деионными решетками 8, препятствующими выбросу пламени, и резисторами 9, шунтирующими дуговой промежуток, что уменьшает время гашения дуги при ограничении перенапряжений после ее погасания.

Продольные 3 и поперечные (см. рис.163,    а, б и в) перегородки расщепляют дугу на несколько параллельных пучков, которые, проникая в щели и соприкасаясь с холодными перегородками, охлаждаются и деионизируются. Другое назначение перегородок — увеличение длины дуги при данных размерах камеры. При электромагнитном гашении дуги все же нельзя принимать произвольно малый раствор контактов, так как возможно повторное зажигание дуги.

Деионные решетки увеличивают падение напряжения в дуге, не удлиняя ее. Их набирают из металлических изолированных одна от другой пластинок 3 (рис.164,    а), расположенных в дугогасительной камере 2 поперек оси дуги 4. Дуга, перемещаясь, с рогов / и 5, делится решеткой на большое число последовательных дуг, каждая из которых имеет свое околоэлектронное падение напряжения В результате этого общее падение напряжения в дуге иа — (£/кат + + иая) — (рис. 164, б) резко увеличивается (здесь п — число решеток). Взаимодействие магнитного поля дуги с магнитными полями, образуемыми токами в перегородках, создает дополнительные силы, перемещающие дугу внутрь решетки.


Рис. 164. Схемы, поясняющие гашение дуги устройством с магнитным дутьем и деионной решеткой

Для высоковольтных аппаратов с электромагнитным гашением дуги при последовательном включении катушки характерно слабое дугогашение при малых токах, когда магнитное поле невелико. В этом отношении надежнее параллельное питание дугогасительных катушек, но практически его не применяют ввиду большой сложности и худшего действия при размыкании больших токов.

Контакты должны выдерживать десятки миллионов включений и отключений.


Поэтому очень большое значение имеет повышение механической и электрической износостойкости. Конструктивное выполнение контакторов разнообразно и в основном определяется током длительной нагрузки, максимальным током и максимальной допустимой температурой нагрева в пределах заданных габаритов, конструкцией дугогасительного устройства и системой привода. Чтобы повысить износостойкость контактов и уменьшить время замыкания и размыкания их на электровозах и электропоездах, в цепях управления начали применять герметичные контакты — герконы. Они выполнены в виде пластин / и 3 (рис. 165) из железоникелевого сплава и размещены в баллоне 4 (стеклянный или из другого материала), заполненном азотом с примесью водорода или гелия при давлении от 1 ■ 105 до 4 • 105 Па (на групповых контакторах— контроллере 1КСП-009, где контакты расположены вместе с постоянными магнитами).

При возбуждении катушки 2 или нахождении в зоие действия постоянных магнитов контакты замыкаются. Когда разомкнута цепь катушка 2 или пластины находятся вне действия поля постоянных магнитов, контакты разомкнуты вследствие упругости пластин 1 и 3. Для повышения надежности контакты покрывают тонким слоем золота, радия или серебра. Износостойкость герконов, размещенных в инертном газе, на два порядка выше, чем обычных контактов, работающих на открытом воздухе, а время срабатывания и размыкания в 3 раза меньше, чем у контактов с пневматическим, электромагнитным или электро-двигательным приводом.

Рассмотрим конструкции некоторых индивидуальных контакторов, применяемых на электровозах и электропоездах.

Электропневматические индивидуальные контакторы. Все включения, переключения и отключения в силовой цепи при пуске, разгоне и электрическом торможении, а также подключения и отключения шунтирующих резисторов при ослаблении возбуждения тяговых двигателей на отечественных электровозах осуществляют электропневматическими контакторами. На моторвагонном подвижном составе электропневматические контакторы, применяемые для включения и выключения силовой цепи тяговых двигателей, установлены перед всеми аппаратами. Чтобы уменьшить мощность дуги, разрываемой одним контактором, а также гарантировать выключения силовой цепи на моторных вагонах, а иногда и на электровозах, в цепь включают последовательно два контактора и более. На моторных вагонах эти контакторы монтируют в одном ящике. В нормальных условиях работы при последовательном соединении двух контакторов на один из них приходится половина мощности разрываемой дуги, при трех — одна треть и т. д. Однако равномерное распределение мощности между контакторами наблюдается лишь при одновременном выключении последовательно соединенных контакторов; незначительная разность во времени при выключении контакторов создает большую разницу в разрываемой мощности.

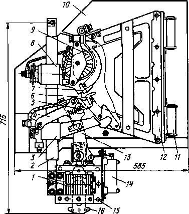
Электропневматический контактор состоит; из изолированного металлического стержня 1 (рис. 166, а), на котором закреплены кронштейн 2 подвижного контакта с рычагом 3, притирающей пружиной 13, гибким шунтом 14, кронштейн 5 неподвижного контакта с сердечником 6 дугогасительной катушки 7, хомутов 9 для крепления контактора к раме, дугогасительной камеры 10 с дугогаснтель-ными рогами 8 и И Привод контактора состоит из цилиндра 16, штока 17, поршня 19 с уплотнительной резиновой манжетой, выключающей пружины 20 и электромагнитного вентиля, с помощью которого дистанционно управляют контактором. На электроподвижном составе наибольшее применение получили включающие вентили открытого исполнения. Корпус 31 (рис. 166, а и б) вентиля открытого исполнения прикрепляют к соответствующему аппарату. Корпус имеет следующие отверстия, ведущие: Р — к резервуару сжатого воздуха, Ц — к цилиндру аппарата и А — к атмосфере Отверстие А снабжено нарезкой, в которую ввертывается специальный винт. Этим винтом можно регулировать размеры выпускного канала. Корпус жестко соединен с сердечником 29, на котором помещена катушка 23. Магнитопровод вентиля состоит из ярма 24, якоря 25 и сердечника 29.

Якорь имеет плоскую форму; один его край опирается на верхнюю заостренную грань ярма 24, а другой — на ствол 30 выпускного клапана 22. Якорь имеет возможность несколько качаться относительно острой грани ярма Сердечник и якорь защищены от грязи крышкой 28, в которую вмонтирована кнопка 26 для ручного включения вентиля.

Внутри корпуса 31 запрессована бронзовая втулка (седло) с двумя притирочными поверхностями для двух клапанов вентиля. Один из них — впускной клапан 21 — расположен под седлом; он отжимается кверху бронзовой пружиной 32 так, что его притирочная поверхность, прижимаясь к нижней поверхности седла, разобщает верхнюю часть корпуса и резервуар сжатого воздуха. Пружину и впускной клапан предохраняет от выпадания из корпуса нижняя пробка

При возбуждении катушки якорь под воздействием магнитного потока повернется относительно острой грани ярма и нажмет на ствол 30 выпускного клапана. Последний притирочной поверхностью прижмется к седлу и разъединит цилиндр привода и отверстие А. Одновременно с этим выпускной клапан 22 надавит на ствол впускного 21, преодолеет сопротивление пружины 32 и сжатый воздух поступит через отверстие Р, пространство между притирочными поверхностями впускного клапана и седла, отверстие Ц в цилиндр привода 16 аппарата. Когда прекратится питание катушки, пружина 32, преодолев массу обоих клапанов и якоря, отожмет их кверху, вследствие чего поступление сжатого воздуха в цилиндр аппарата прекратится. Отверстие Ц соединится с отверстием А, и сжатый воздух из цилиндра 16 через канал 18 выйдет в атмосферу В сердечнике 29 вентиля имеются две медные шпильки 27, предотвращающие прилипание к нему якоря под действием остаточного магнетизма.

Контакторы типов ПК-301Ж, ПК-06 — ПК-11, ПК-14 — ПК-19, ПК-21 - ПК-26, ПК-63, ПК-96 — ПК-Ю1, ПК-350В, ПК-306Т, ПК-306Ф, ПКУ-1, ПКУ-2 по конструкции аналогичны; различаются онн наличием системы дугогашения, дугогасительными камерами (трехщелевые 10, лабиринтно-щелевые 41, одиощелевые 36, рис. 166, а, г и д), блокировками, а контакторы ПК-63, ПК-96 — ПК-101, ПКУ-1 и ПКУ-2, кроме разрывных контактов, имеют еще главные (силовые).


Рис. 166 Электропневмэтические индивидуальные контакторы с трехщелевой дугогасительной камерой ПК-41, ПК-46 (а), вентилем открытого исполнения (в), контакторы без дугогасительного устройства ПК-14 (б), с одиощелевой дугогасительной камерой, деиоиными решетками ПК-63, ПК-96— ПК-101 (г) и с лабиринтно-щелевой дугогасительной камерой ПК-21 — ПК-26 (д)

Диаметр и ход поршня привода выбирают в зависимости от значения сил сопротивления при заданных давлении сжатого воздуха и времени срабатывания привода. Для правильной работы привода необходимо, чтобы давление сжатого воздуха (?в1 при перемещении поршня было больше суммы сил сомивления (2с1 на величину Д(? = (?в1 — (?с1, обеспечивающую необходимое ускорение привода. Натяжение выключающей пружины (?п выбирают исходя из необходимого времени размыкания силовых контактов (обычно 0,03—0,06 с) с учетом инерции подвижных частей. Обычно принимают (?„ > (1,5 ч- 2,0) (?т (где (?т — сила трения поршня). При номинальном давлении сжатого воздуха рном=0,5 МПа и допустимых колебаниях от 0,75рном до 1,Зрном диаметр поршня


При возбуждении катушки 23 вентиля сжатый воздух поступает в цилиндр и перемещает поршень, который, воздействуя на изоляционную тягу 15, приводит в действие подвижную систему контактора. Прн этом замыкаются силовые контакты 4 и 12 и переключаются блокировочные на рычаге 33. В контакторах с главными контактами (ПК-63, ПК-96 и др.) первыми замыкаются разрывные контакты 37 н 38 (рис. 166, г), а затем — главные 34 и 35. Размыкаются главные контакты раньше, чем разрывные. Через главные контакты проходит рабочий ток, и их выполняют с напайками из металлокерамики (обычно марки СОК-15) на основе серебра.

На локомотивах с большими номинальными токами (на ВЛ80С, ВЛ80Т и др.) применяют контакторы с однощелевыми дугогасительными камерами (ПК-63 и др.). Ширина щели обычно равна 4 мм, на выходе ее размещают деионную решетку 39. Отдельные секции решетки шунтируют резисторами 40. Омическое сопротивление подбирают опытным путем (на ПК-63 это сопротивление на секцию составляет 20 Ом) так, чтобы дуга погасала вначале на шунтированных секциях решетки, а затем на нешунтиро-ванных. Такие дугогасительные камеры позволяют значительно снизить коммутационные перенапряжения. Дугогасительные катушкн выполняют из шинной меди, намотанной на ребро.

Контакторы ПКУ-1 и ПКУ-2 являются унифицированными. На электропоездах ЭР2Р, ЭР2Т и ЭР22М эти контакторы используют в качестве линейных и тормозных. Все детали контакторов собирают на пластмассовых стержнях. В качестве блокировочных применяют малогабаритные кулачковые контакторы.

Контакторы ПК-306Т и ПК-306Ф электропоездов ЭР9М, ЭР9Е имеют по две пары силовых контактов, замыкание их осуществляется одним электропневмати-ческим приводом. Контакторы без дугогасительного устройства (см. рис. 166, в) применяют в цепях ослабления возбуждения на низших позициях, где они замыкают небольшие секции шунтирующих резисторов. Кронштейны подвижных контактов укорочены. Для исключения возможности одновременной работы одной части тяговых двигателей с ослабленным возбуждением, а другой части — с полным возбуждением сжатый воздух подают в цилиндры контактов через один общий вентиль.

Индивидуальные электропневматиче-ские контакторы выполняют на номинальное напряжение 1500, 3000 и максимальное 4000 В, длительный ток 500 и 1000 А при ширине контактов 25 мм, 350 А при ширине 20 мм, нажатие контактов, создаваемое пневматическим приводом,— 270—320 Н (27—32 кгс), нажатие, создаваемое притирающей пружиной,— начальное 40—50 Н (4—5 кгс) и конечное 130—150 Н (13—15 кгс). Раствор силовых контактов 21—24 мм у контакторов ПК-350В, ПК-306Ф и 24—27 мм у всех остальных, провал 9—12 мм.

Электромагнитные контакторы. Основными частями электромагнитного контактора являются следующие: главные (силовые) контакты, производящие замыкание и размыкание силовых цепей или цепей управления; блок-контакты, осуществляющие переключения в цепях управления; катушка; дугогасительное устройство и магнитная система, состоящая из ярма, якоря и сердечника.

Магнитные системы по конструктивному выполнению и характеру движения якоря разделяют в основном на две группы: клапанного типа с внешним поворачивающимся на оси или призме якорем, соленоидного типа с прямолинейно движущимся внутри катушки сердечником. Включается контактор при подаче напряжения на включающую катушку, а отключается под действием пружины или массы якоря.

Электромагнитные контакторы различаются конструкцией отдельных деталей, а также значениями тока и напряжения, на которые они рассчитаны. Контакторы выполняют одно- и двухполюсными, с электрическими блокировками и без них. Блок-контакты мостикового типа имеют серебряные накладки, закрыты защитными прозрачными кожухами. Рассмотрим конструкцию электромагнитных контакторов некоторых типов.

Контакторы МК-310А и МК-310Б на отечественном э.п с. применяют для замыкания и размыкания цепей вспомогательных машин и печей отопления Контактор МК-310Б (рис. 167) имеет узкощелевую камеру 5, дуга в которой выдувается вверх, чем ускоряется ее гашение при малых токах. Контакты 7 и 8 расположены вертикально.


Верхний комплект деталей высокого напряжения (3000 В) соединен с нижним удлиненными текстолитовыми стенками. Ярмо Г-образной формы сварено из полосовой стали, имеет две горизонтальные параллельные стенки, между которыми находится якорь 14, закрепленный на оси 15. На вертикальной части ярма укреплен сердечник с включающей катушкой 1. Один конец горизонтальной планки крепят к вертикальной части ярма, другой несет на себе кронштейн 4, служащий дугогасительным рогом, и дугогасительную катушку 2, насаженную на сердечник 3. Один вывод катушки 2 присоединен к кронштейну 4, другой — к зажиму, к которому подведен провод цепи высокого напряжения. Между планками в средней части поставлена фибровая перегородка. Литой бронзовый наконечник служит держателем дугогасительной камеры 5 и зажимом, к которому присоединены гибкий шунт 9 от держателя 18 подвижного контакта 8 и провод цепи высокого напряжения.

Выводы включающей катушки 1 присоединены к зажимам, расположенным на внешней стороне вертикальной планки. На якоре 14 укреплен текстолитовый рычаг 16 с кронштейном 11, на котором установлен подвижной контакт 8. Для предотвращения залипання якоря к сердечнику ось 15 вставлена в латунную втулку.

При возбуждении катушки 1 якорь 14, поворачиваясь на оси 15 и сжимая выключающую пружину 12, притягивается к сердечнику, замыкая подвижной контакт 8 подвижным 7. При замыкании контактов держатель 18 поворачивается на оси 17, сжимая притирающую пружину 10. Усилие этой пружины определяет нажатие контактов, не зависящее от силы притяжения якоря к сердечнику 13 катушки.

Если прекратится питание катушки, усилие пружины 12 заставит якорь 14 занять исходное положение; контакты разомкнутся. Возникающая при этом дуга гасится под действием магнитного потока дугогасительной катушки 2 в камере 5.

Для укрепления камеры и обеспечения надежности контакта между рогом 6 и подвижным контактом 8 установлены планка и пружина. Планка вилкообразным концом обхватывает стенку рога 6. Дугогасительная камера трехщелевая с асбестоцементными стенками; она снабжена полюсами, изолированными лако-тканью, которые укреплены на внешних текстолитовых листах, закрывающих стенки камеры и полюсы.

Контакторы МК-310Б выпускают как с блокировочными контактами мостико-вого типа, так и без них. Для контактора МК-310 время отключения контактов при разрыве цепи катушки привода в среднем равно 0,136 с, время замыкания— 0,18 с Контакторы МК-310А и МК-310Б при небольшом токе работают неудовлетворительно.

На электровозах ВЛ22“, ВЛ8, ВЛ23 в цепях отопительных печей используют контакторы МК-15-01, в которых применен двойной разрыв силовой цепи и отсутствует дугогасительная катушка. Силовые контакты соединены последовательно Для предотвращения перебросов дуги при разрыве тока применены асбестоцементные перегородки. Остальные детали контактора МК-15-01 почти не отличаются от таких же деталей контактора МК-310.

Контактор МК-Ю1 на электровозах ВЛ10, ВЛ10У,ВЛ11 применяют для включения и отключения вспомогательных цепей и для их защиты (установлены на ряде электровозов постройки НЭВЗа вместо быстродействующего выключателя БВЭ-ЦНИИ). В отличие от контактора МК-310Б он имеет привод плунжерного типа, два контакторных элемента, соединенных последовательно, и две однощелевые дугогасительные камеры с де-иоиными решетками и резисторами. За исключением привода, контактор МК-Ю1 (рнс. 168) по конструкции во многом подобен контактору ПК-63. При возбуждении катушки 1 якорь 16 притягивается и контакты двух контакторных элементов замыкаются. После снятия напряжения с катушки 1 контакты размыкаются под действием пружины 5, которая и создает контактное иажатие.

Контакторы КМВ-104, 1 КМ.014, КМВ-105 применяют на электропоездах ЭР2,


Рис. 168. Электромагнитный контактор М К-101:

1 — катушка, 2 — изолированный стержень; 3 и 8 — соответственно нижний н верхний кронштейны; 4 — рычаг; 5 — контактная пружина; 5 и 7 — соответственно подвижной и неподвижный контакты, 9— дугогасительная катушка, 10— изолирующая перегородка; 11 — резистор, шунтирующий силовые контакты, 12 — дугогасительная камера, 13 — изоляционная тяга, 14 — блокировка мостикового типа; 15 — магнитопровод; 16 — якорь


Рис 169. Электромагнитный контактор КМВ-104:

1 — Г-образный магнитопровод, 2 — катушка, 3 — дугогасительный рог, 4 — дугогасительиая камера; 5 — полюса, 6 — изоляционная стойка; 7 — кронштейн; 8 — изолятор, 9 — блокировочные контакты


Рис. 170. Электромагнитные контакторы двухполюсного исполнения МК-63 (а) и МК-84— МК-86 (б): 1 — магнитопровод; 2— катушка; 3— сердечник; 4—якорь, 5, 21 — прозрачные кожуха блокировки, 6— шток блокировки, 7 — хвостовик якоря; 8 — траверса, 9, 13 и 17—неподвижные контакты, 10, 14 к 18 — подвижные контакты, 11 — контактная пружина; 12 — изоляционная панель из дугостойкого материала К-78; 15 — изоляционная колодка; 16 — дугогасительная камера из дугостойкого материала КМК-218, 19 — кронштейн подвижного контакта; 20 — выключающая пружина, 22 — коромысло ЭР2Р, ЭР22 для включения н отключения цепей вспомогательных машин с номинальным напряжением 3000 В. Контактор КМВ-104 (рис. 169) вместо дугогасительной катушки в системе дугогашения имеет постоянный магинт с двумя скрепленными заклепкой полюсами 5, которые создают магнитный поток постоянного направления. Поэтому требуется соблюдать полярность, присоединяя провода. При неправильном присоединении их дуга будет отклоняться не в дугогасительную камеру 4, а на токоведущие части. Номинальный ток контактора 100 А.

Контактор 1КМ.014 отличается от контактора КМВ-104 тем, что якорь его вращается не на призме, а на оси. В контакторе КМВ-105 применена дугогасительная катушка вместо постоянного магнита. Контактор 1КМ.014 изготовляют на номинальные токи 10, 25, 50 и 100 А.

Контакторы МК-63 — МК-70, МК-84 — МК-87 и МК-94 — МК-97 устанавливают на электровозах переменного тока (ВЛвО0, ВЛ80Т и др.) для переключеиия цепей постоянного тока при номинальном напряжении 50 В и переменного — 380 В (МК-63, МК-69 и МК-70), включения и отключения серводвигателя главного контроллера ЭКГ-8 (МК-66) и управления вспомогательными машинами (МК-84 — МК-97). Их узлы смонтированы иа магнитных системах приводов. Контакторы МК-63 и МК-70 выполнены с прямоходовой мостиковой контактной системой (рис. 170, а), а контакторы МК-84 —МК-87 и МК-94 — МК-97 — с поворотной контактной системой (рис 170, б). Магиитиая система у всех контакторов клапанного типа.

Изоляция контактов относительно привода выполнена на максимальное рабочее напряжение 600 В. Все детали магнитных систем (магнитопровод /, якорь и др.) изготовлены из электротехнической стали. Включающие катушки 2 выполнены из теплостойкого провода ПЭТВ, намотанного на изолированный сердечник 3. Электрические блокировки мости-кового типа скомпонованы в один блок. Блок-коитакты имеют напайки из композиции на основе серебра, защищены прозрачным кожухом. Переключаются блок-контакты при включении контактора под действием приводного рычага или хвостовика 7 якоря 4. При выключении контактора блок-контакты возвращаются в первоначальное положение в результате воздействия на шток 6 пружины, встроенной в корпус блокировки.

Каждый полюс контакторов МК-63 — МК-70 имеет двойной разрыв, что способствует интенсивному гашению дуги. При возбуждении катушки 2 у контакторов МК-63 — МК-70 якорь 4 воздействует на траверсу 8, в окнах которой смонтированы мостиковые контакты 9, 10, 13 и 14. Размыкаются контакты под действием пружины 20, которая воздействует на траверсу 8 через коромысло 22. У контакторов МК-84 — МК-87 и МК-94 — МК-97 якорь 4 сообщает поворотное движение кронштейну 19 подвижного контакта 18. Контактное нажатие создается контактной пружиной 11 у контакторов МК-63 — МК-70, у контакторов МК-84 — МК-87 и МК-94 —МК-97 пружиной, встроенной в кронштейн. Вывод укреплен на изоляционной колодке 15.

Предыдущая Оглавление Следующая