На электровозах и моторвагониом подвижном составе применяют следующие вспомогательные машины:
мотор-компрессоры для питания сжатым воздухом тормозной системы поезда и электропиевматической аппаратуры;
мотор-веитиляторы для принудительной вентиляции оборудования с целью получения большой мощности локомотива при минимальной его массе. На электропоездах мотор-вентиляторы подают воздух в пассажирские помещения, причем зимой этот воздух предварительно нагревается калориферами отопления;
генераторы управления для питания цепей управления и освещения и зарядки аккумуляторной батареи;
мотор-геиераторы (возбудители), устанавливаемые на электровозах постоянного тока с рекуперативным торможением для питания обмоток возбуждения тяговых двигателей в режиме рекуперации;
расщепители фаз (на э.п.с. переменного тока) и машинные преобразователи (на электропоездах ЭР22, ЭР22В и ЭР22М) для питания трехфазных асинхронных двигателей вспомогательных машин и других потребителей трехфазного тока;
масляные и водяные насосы, которые обеспечивают циркуляцию жидкости в системе охлаждения тяговых трансформаторов, сглаживающих реакторов;
делители напряжения для питания электродвигателей вспомогательных машин, рассчитанных на напряжение 1500 В, и вращения генераторов управления.
Вспомогательные машины работают с примерно постоянными частотой вращения и вращающим моментом, за исключением мотор-компрессоров, момент вращения которых зависит от давления
воздуха в пневматической сети. Электродвигатели, применяемые в качестве привода этих машин, имеют высокие технико-экономические показатели, обладают достаточной надежностью, просты в обслуживании Надежность электродвигателей определяется прежде всего достаточным запасом по пусковому моменту (для двигателей компрессоров отношение пускового момента к рабочему составляет 5—6), перегрузочной способностью, простотой схемы включения, надежностью коммутационной и защитной аппаратуры По техническим условиям иа строящиеся в СССР магистральные электровозы работоспособность двигателей вспомогательных машин обеспечивается в диапазоне температуры окружающей среды от +60 до —50 °С при напряжении контактной сети от 19 ООО до 29 ООО В для тяги на переменном токе и от 2000 до 4000 В на постоянном токе. Эти условия определяют наиболее тяжелые режимы работы вспомогательных машин.
На э.п.с. постоянного тока приводами вспомогательных машин обычно служат двигатели постоянного тока. При напряжении в контактной сети 3000 В максимальное допустимое напряжение между двумя соседними коллекторными пластинами этих двигателей составляет 21 В. В этом случае четырехполюсиые машины имеют 571 коллекторную пластину, двухполюсные — 286. По условиям технологии производства трудно выдержать коллекторное деление менее 3,5 мм, поэтому минимальный диаметр коллектора для машнн четырехполюсных равен 636 мм, двухполюсных — 318 мм. Вспомогательные машины с коллекторами такого диаметра при сравнительно небольшой их мощности тяжелы и громоздки. Поэтому стремятся: повысить напряжение между соседними коллекторными пластинами; разделить напряжение контактной сети между двумя одинаковыми машинами,
включенными последовательно; использовать двухколлекторные машины, представляющие собой как бы две машины, включенные последовательно, но механически соединенные в один агрегат; применять специальные делители напряжения, со средней точки которых можно снимать напряжение для остальных вспомогательных машин.
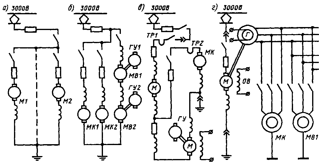
Повысить напряжение между соседними коллекторными пластинами можно до 40 В. Однако при этом машина более предрасположена к возникновению кругового огня на коллекторе. Кроме того, приходится включать последовательно в цепь якорей N11 и М2 постоянные резисторы для ограничения толчков тока при пуске (рис. 142,а), что сопровождается потерями электроэнергии.
Включать последовательно две машины можно только в том случае, если они работают при постоянном вращающем моменте. Недопустимо, например, последовательно соединять двигатели поршневых компрессоров, имеющие, как правило, разные и быстро меняющиеся моменты: напряжение между машинами будет распределяться неравномерно. Поэтому иногда (на электровозах ЧС1, ЧСЗ и др.) применяют смешанное питание двигателей-вспомогательного оборудования: двигатели МК1 и МК2 (рис. 142,6) компрессоров включают на
напряжение 3000 В, двигатели МВ1 и МВ2 вентиляторов соединяют последовательно, при этом напряжение на зажимах каждого из них снижается вдвое и легче обеспечить устойчивую коммутацию.
При использовании специального делителя напряжения для питания вспомогательных машин увеличивается число этих машин на локомотиве, т. е. применять такой делитель выгодно лишь, если это дает значительный выигрыш в массе, габаритных размерах и рабочих характеристиках остальных вспомогательных машин.
На моторвагонном подвижном составе при напряжении в контактной сети 3000 В для привода генератора управления устанавливают двухколлекторный двигатель М (рис. 142,в), который служит одновременно и делителем напряжения. В средней точке этой машины между якорями получается напряжение 1500 В. К этой точке подключают мотор-компрессор МК- На электропоездах ЭР22, ЭР22В и ЭР22М значительно увеличена мощность двигателей вспомогательного оборудования и других потребителей пониженного напряжения. Поэтому на них во вспомогательных цепях применен переменный ток, установлены двух- (на последних) или трехмашииные агрегаты.

Рис 142 Схемы включения двигателей для привода вспомогательных машин на электровозах и электропоездах постоянного тока

Рис. 143. Схемы включения двигателей для привода вспомогательных машин на электровозах
и электропоездах переменного тока
Двухмашинный агрегат состоит из двигателя М пульсирующего тока напряжением 3000 В (рис 142,г), вращаюший момент которого через вал передается трехфазному синхронному генератору Г. Генератор питает трехфазные асинхронные двигатели компрессора МК и вентиляторов (МВ1 и др.) салонов, лампы освещения и другие потребители с напряжением 220 В частотой 50 Гц. Схема рис. 142,г несколько сложнее схемы рис. 142,е, так как наряду с регулированием напряжения генератора Г возникла необходимость регулировать частоту вращения двигателя М постоянного тока при изменении нагрузки и напряжения контактной сети. Это достигается применением современных средств регулирования — магнитных усилителей, трансформаторов, выпрямителей и других аппаратов.
На э.п.с. переменного тока двигатели для привода вспомогательного оборудования потребляют до 10% энергии (вместо 3—5% на э.п.с. постоянного тока), затрачиваемой на тягу поездов. В СССР и за рубежом иа этом э.п.с. для привода вспомогательных машин применяют электродвигатели трехфазные асинхронные короткозамкнутые, асинхронные конденсаторные и постоянного тока.
В системе вспомогательных машии постоянного тока (рис 143,а) двигатель 1 питается от вспомогательной обмотки трансформатора 3 через полупроводниковый выпрямитель или от индивидуальных импульсных преобразователей ИП1 и ИП2 (на электровозах ЧС8). Такое построение системы вспомогательных машии позволяет регулировать напряжение в широких пределах, стабилизировать его, использовать электродвигатели иа
напряжение 440 В и предусмотреть электронную защиту вспомогательных машин. При вспомогательных машинах с трехфазными асинхронными короткозам-кнутыми двигателями для преобразования однофазного тока в трехфазный применяют расщепители фаз (рис. 143,6) или конденсаторы.
Преобразование однофазного тока в трехфазный с помощью расщепителя фаз основано на свойстве вращающегося магнитного потока асинхронного двигателя наводить в трехфазной статорной обмотке э.д.с, смещенные по времени в соответствии с расположением обмоток на статоре. Если на статоре расположить двигательную обмотку С1— С2, состоящую из двух фаз СІ—М1 и С2—М1, и генераторную СЗ—С4, смещенную по отношению к первой на 120 °, и включить контактор 5, то ротор расщепителя фаз вращаться не будет. При включении двухполюсного контактора 4 и подаче напряжения иа двигательную обмотку С1—С2 ротор начинает вращаться. По достижении частоты вращения 1350 об/мин срабатывает реле оборотов, отключая катушку контактора 5 от цепи питания. Контакты контактора 5 размыкаются, и расщепитель фаз работает как однофазный асинхронный двигатель на холостом ходу. После этого можно подключить двигатель 7 и другие последовательно, чтобы уменьшить пусковые токи. Пуск расщепителя фаз без пускового резистора Я, а также работа с иим после пуска являются опасными режимами и при длительности более допустимой становятся аварийными из-за чрезмерного нагрева двигательной обмотки статора, асинхронной машины.
Чтобы обеспечить сдвиг фаз э.д.с. между зажимами С1, С2 и СЗ на угол, близкий к 120 °, между зажимами С1 и СЗ включают конденсатор С. Для получения более симметричного трехфазного напряжения при нормальной нагрузке обмотки статора расщепителя фаз выполняют несимметричными.
Двигательную и генераторную обмотки изготовляют с малым индуктивным сопротивлением, чтобы при изменении нагрузки и напряжения сети не создавалась большая несимметрия трехфазного напряжения. В связи с этим расщепитель фаз имеет увеличенный по сравнению с серийными магнитный поток и соответственно малое число витков. Проводимость рассеяния уменьшают, выбирая рациональные размеры паза, вылета лобовых частей, минимальную длину и максимальный диаметр машины. Короткозамкнутую клетку ротора выполняют с минимальным возможным активным сопротивлением и изготовляют ее медной.
Двигатель 7 вспомогательной машины подключается двухполюсным контактором 6 к сети и зажиму генераторной фазы. Если от расщепителя фаз питается несколько асинхронных двигателей, то во время пуска очередного двигателя остальные воспринимают часть нагрузки (вследствие больших скольжений двигателя и малых э.д.с. в его фазах) и выполняют функцию расщепителя фаз, благодаря чему повышается момент включаемого двигателя.
В конденсаторно-расщепительной системе (рис 143,в) преобразование однофазного тока в трехфазный осуществляют конденсаторами С, которые на время пуска контакторами 8, 9 и 11 подключают к первому разгоняемому трехфазному асинхронному двигателю 7. Последующие двигатели при включении контакторов 10 и 12 пускают от всей батареи конденсаторов и работающего двигателя, обладающего расщепитель-ным действием.
При системе с асинхронными конденсаторными двигателями каждый двигатель представляет собой двухфазную асинхронную машину (рис. 143,г) с ко-роткозамкнутым ротором 15, которая питается от однофазной обмотки трансфор-
матора 3. На статоре двигателя расположены две обмотки с взаимно перпендикулярными осями — главная 14 и конденсаторная 13. Последовательно с обмоткой 13 включен конденсатор С, чем достигается сдвиг по фазе напряжения на ее зажимах относительно напряжения сети В качестве конденсаторных машин обычно используют серийные трехфазные асинхронные двигатели, в которых главная обмотка составлена из двух последовательно соединенных обмоток, а конденсаторной служит третья.
Электродвигатели постоянного тока, несмотря на высокий пусковой момент при любом рабочем напряжении на токоприемнике и практически неограниченной устойчивостью при снижении напряжения, уступают по к.п д., стоимости потребляемой энергии и сложности ремонта трехфазным асинхронным короткозамк-нутым двигателям. Конденсаторные двигатели наряду с высоким коэффициентом мощности имеют ряд недостатков: трудность получения больших пусковых моментов, сложность схемы включения и защиты в связи с необходимостью надежного отключения пускового конденсатора при широком диапазоне колебаний напряжения Поэтому на магистральном э.п.с. переменного тока отечественного производства применена система трехфазных асинхронных двигателей с питанием от расщепителя фаз. В виде опыта на электровозах ВЛ60, ВЛ80Т применена конденсаторно-расшепительная система и на первых электровозах ВЛ61 — конденсаторные двигатели Вспомогательные машины постоянного тока применены на электровозах ВЛ82, ВЛ82М, ЧС4 и ЧС4Т.
|
|