Токоприемниками, быстродействующими и главными выключателями, быстродействующими контакторами на э.п.с управляют обычно с помощью кнопочных выключателей и тумблеров.
Рассмотрим ряд примеров. Схемы цепей управления токоприемниками во многом зависят от типа их клапанов (импульсные, неимпульсные), пневматической схемы питания сжатым воздухом приводов токоприемников и блокировок безопасности, которые обеспечивают защиту локомотивных бригад от попадания под высокое напряжение.
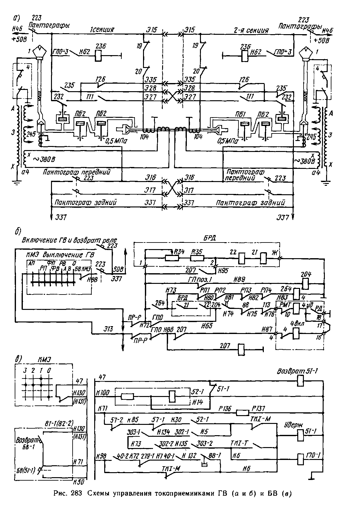
В целях обеспечения безопасности и управления по системе многих единиц подъем и опускание токоприемников на электровозах осуществляют тремя кнопками Пантографы, Пантограф передний и Пантограф задний (рис. 283, а). На электровозах ВЛ80Т, ВЛ80", включая на выключателе 223 кнопку Пантографы, подают питание на катушку постоянного тока защитного вентиля 104 через размыкающие контакты разъединителей 19 и 20, чем контролируют отключенное положение их ножей. Защитный вентиль срабатывает и открывает клапан, подавая воздух к пневматической блокировке ПБ1. Воздух давит на поршень блокировки, заставляя выходить шток. Но шток может выйти только тогда, когда закрыта штора высоковольтной камеры (ВВК). После перемещения поршня и штока в крайнее положение открывается отверстие в цилиндре пнев-
матической блокировки ПБ1 и воздух подается к блокировке ПБ2 двери ВВК. Таким образом, пневматические блокировки ПБ1 и ПБ2 контролируют закрытие всех штор и дверей ВВК. Затем подается воздух к реле давления 232 и клапану токоприемника 245. Реле давления срабатывает. Контакты его замыкаются, но токоприемник не поднимается, так как его клапан 245 еще не открыт. Следовательно, если включены разъединители 19, 20 или не закрыта штора либо дверь ВВК, то не включаются контакты реле давления 232 и токоприемник не может быть поднят ни в 1-й, ни во 2-й секциях.
При включении кнопки Пантограф передний или Пантограф задний собирается цепь катушки клапана 245 переднего или заднего токоприемника, если замкнуты контакты реле давления 232, размыкающие контакты разъединителей секций 126 в обеих секциях электровоза (разъединители секций 126 контролируют отключенное положение ножей разъединителя). Клапан токоприемника 245 открывается, и начинается подъем токоприемника. После подъема токоприемника и включения главного выключателя 4 возбуждается катушка переменного тока защитного вентиля 104. Следовательно, контроль за блокированием высоковольтной камеры осуществляет реле давления 232, которое в пневматической цепи стоит после блокировок ПБ1, ПБ2. Если высоковольтные камеры не заблокированы,то блокировки ПБ1, ПБ2 закрывают доступ воздуху к реле давления 232 и оно своим контактом прерывает цепь питания катушки клапана 245 от провода Э15.
Токоприемник опускают, отключая кнопку Пантограф задний или Пантограф передний. Перекрещивание проводов Э27, Э28 и Э16, Э17 обеспечивает согласованную работу токоприемников при управлении из любой кабины.
Кнопки кнопочных выключателей (КУ) пульта машиниста закрывают замками в выключенном положении. Для открытия замков кнопочных выключателей имеется одна пара ключей. Если открыть замок КУ ключом, то вынуть ключ из замка нельзя, что исключает одновременное включение кнопок в обеих кабинах. Если бы КУ не закрывались замками, то одно-

временное управление электровозом из обеих кабин могло бы привести к аварии. При опущенных токоприемниках и отключенных контакторах К распределительного щита могут параллельно включиться две аккумуляторные батареи. Если одна из них сильно разряжена, а другая полностью заряжена, то между батареями появится уравнительный ток: заряженная батарея начнет заряжать разряженную. Так как внутреннее сопротивление разряженной батареи мало, этот ток может быть достаточно большим, что приведет к быстрому разряду аккумуляторных батарей или к перегоранию предохранителей.
При поднятом токоприемнике, включенных контакторах К в случае одновременного управления электровозом с обоих пультов управления возможно параллельное включение трансформаторов ТРПШ. Вследствие различных уставок регуляторов напряжения на вторичных обмотках ТРПШ могут оказаться неравные напряжения. Та обмотка, которая имеет большее напряжение, примет на себя большую часть нагрузки двух секций. В результате могут перегореть предохранители или выйти из строя оборудование.
После длительной стоянки в пневматических резервуарах электровоза обычно нет сжатого воздуха. Если накачивать воздух вспомогательным компрессором для подъема токоприемника, то происходит быстрый разряд аккумуляторной батареи, так как электродвигатель вспомогательного компрессора потребляет значительный ток. Поэтому переключают питание этого двигателя на аккумуляторную батарею 2-й секции (с помощью переключателя на распределительном щите) и накачивают воздух в пневматические цепи цилиндра токоприемника и резервуара главного выключателя только той секции, где осуществляется подъем токоприемника и включение главного выключателя. Для этого во 2-й секции шторы и двери ВВК в закрытом положении замыкают двумя механическими замками. Ключи этих замков вставляют и поворачивают на 90° в замках блокировочного устройства 235 этой секции. После поворота рукоятки блокировочного устройства замыкается его контакт, шун-
тирующий контакт реле давления 232. Следовательно, закрытие штор и дверей ВВК в управляющей секции контролируется пневматическими аппаратами, а в управляемой секции — механическими замками. Ключи можно вынуть только в закрытом положении замков. Замки и ключи в 1-й и 2-й секциях разные. Это сделано для того, чтобы нельзя было закрыть замки в 1-й секции и открыть этими ключами замки во 2-й. Такими же замками закрыты и ящики розеток для питания вспомогательных машин от сети депо. Чтобы открыть замки ящиков розеток, необходимо закрыть шторы и двери ВВК этой секции, иначе при подаче напряжения от сети депо на розетки может произойти поражение электрическим током.
На электровозах переменного тока с блочным расположением оборудования (на электровозах ЧС4 и др.) для обеспечения техники безопасности предусматривают специальные реле безопасности, в цепь катушек которых включены блокировки от всех съемных щитов и сеток высоковольтных аппаратов. Если какой-либо из этих аппаратов не заблокирован, реле безопасности, сработав, своим размыкающим контактом отключает главный выключатель.
На электровозах постоянного тока ВЛ10, ВЛ8 и др. токоприемниками также управляют с помощью кнопок Пантографы, Пантограф передний и Пантограф задний. Для исключения доступа к высоковольтным аппаратам, расположенным в высоковольтной камере и на крыше электровоза, предусмотрены пневматические блокировки, защитный вентиль и механические блокировки, связывающие входные двери ВВК и смотровые дверцы. Открыть последние можно только при полностью открытых входных дверях ВВК. Механические блокировки также исключают закрытие входных дверей при открытых смотровых дверцах. С входными дверями механически связаны разъединители, которые при открытых дверях заземляют цепи токоприемников.
На электропоездах токоприемники опускают из любой кабины управления независимо от того, из какой кабины был произведен их подъем. Следовательно, машинист может переходить из од-
ной кабины в другую, не опуская токоприемники, а также опускать их из кабины любого вагона Для уменьшения износа контактного провода и накладок полозов на некоторых нерасцепляемых в эксплуатации электропоездах соединяют токоприемники кабелем, проложенным на крышах вагонов, и работают с уменьшенным числом токоприемников. В этих случаях предусматривают возможность выключения из силовой цепи любого токоприемника
Главные выключатели и быстродействующие выключатели являются основными защитными аппаратами. Поэтому в цепи их удерживающих катушек включают блок-контакты многих защитных и контролирующих аппаратов.
Для включения главных выключателей на обеих секциях электровоза ВЛ80К вначале на кнопочном выключателе 223 (рис. 283, б) включают кнопку Выключение ГВ, затем — импульсную кнопку Включение ГВ и возврат реле, чем обеспечивают питание:
удерживающих катушек дифференциальных реле 21 и 22 через резисторы Ц34 и Я35 (реле не включаются из-за недостаточного тока);
катушки реле времени 204 через блок-контакт ГП поз. 1 главного контроллера. Реле включается и замыкает свой контакт в цепи катушки 4 уд электромагнита главного выключателя 4, подготавливая его для включения;
катушки 4 вкл и катушки промежуточного реле 207.
Главный выключатель включается и размыкает свой размыкающий блок-контакт 4 в цепи включающего электромагнита, предотвращая длительное протекание в этой цепи тока, так как включающий электромагнит не рассчитан на длительную работу.
После размыкания блок-контакта 4, включения реле 207, которое размыкает свой контакт в цепи включающего электромагнита, предотвращается повторное включение главного выключателя в случае его включения на короткое замыкание в силовой цепи. Замыкается контакт реле 207, шунтируя резисторы Я34 и 9,35. Ток в катушке реле 21 и 22 увеличивается, и реле включаются. Если опять в цепь катушек реле 21 и 22 будут
введены резисторы, то реле останутся включенными. Замкнутся контакты реле 21 и 22, после чего включится промежуточное реле 264. Замыкающие контакты этого реле создают цепь питания собственной катушки. Теперь может быть разомкнут блок-контакт ГПО, но удерживающий электромагнит будет получать питание через замыкающие контакты реле 21, 22 и 264. Так как в цепи удерживающего и включающего электромагнитов имеются блок-контакты ГПО, то обеспечивается включение главного выключателя только на нулевой позиции главного переключателя.
Отключается главный выключатель при размыкании цепи удерживающего электромагнита контактами: промежуточного реле 264, дифференциальных реле 21 и 22, реле времени 204, реле заземления силовых цепей 88, реле 113 вспомогательных цепей, реле РМТ максимальной токовой защиты главного выключателя и реле давления РД. Контакты реле давления РД размыкаются и отключают главный выключатель при снижении давления воздуха в резервуаре выключателя до 0,49 МПа (4,9 кгс/см2). Контакты реле замыкаются при увеличении давления воздуха до 0,58 МПа (5,8 кгс/см2), разрешая включение главного выключателя.
При включении кнопки БВ (рис. 283, в) на кнопочном выключателе 81-1 (82-2) электровоза ВЛ10 напряжение от провода К50 подается на провод К71 и к кнопке Возврат БВ-1. От провода К71 напряжение подводится к разрядному резистору Р136—Р137 (41 Ом), а через размыкающий контакт быстродействующего выключателя 51-1 к красным сигнальным лампам. По проводу К100 через добавочный резистор напряжение подается на катушку дифференциального реле 52-1, но его контакты остаются разомкнутыми. После включения кнопки Возврат БВ-1 напряжение по проводу Н130(Н131) через контактор контроллера машиниста, замкнутый на нулевой позиции, провод 47 подается одновременно на катушку Возврат 51-1 и на включающую катушку дифференциального реле 52-1 через размыкающий контакт 52-1. Включаясь, дифференциальное реле замыкает контакты 52-1 в цепи
удерживающей катушки БВ. Тогда по проводу К71 через размыкающие контакты реле перегрузки 57-2 и 57-1 двигателей преобразователей, контакты дифференциального реле 52-1, блокировку тормозного переключателя ТК1-М, замкнутую в тяговом режиме, провод Н6 подается напряжение на удерживающую катушку быстродействующего выключателя 51-1.
При возбуждении электромагнитного вентиля Возврат 51-1 сжатый воздух поступает в цилиндр привода БВ. Якорь перемещается к полюсам электромагнита, изменяя положение блок-контактов. Контакты 51-1 размыкаются и сигнальные лампы гаснут, но силовые контакты БВ еще не замкнулись. После выключения импульсной кнопки Возврат БВ катушка вентиля Возврат 51-1 теряет возбуждение, сжатый воздух нз цилиндра привода выходит в атмосферу, толкающий рычаг отводится пружинами в исходное положение и силовые контакты замыкаются.
Одновременно в цепь катушки дифференциального реле 52-1 вновь вводится сопротивление, увеличивающее его чувствительность. При выключении дифференциального реле 52-1 контакты его размыкают цепь удерживающей катушки 51-1. Возникшая в катушке значительная э.д.с. самоиндукции разрядится на резистор Р136—Р137, и контакты будут защищены от повреждения электрической дугой, возникающей при размыкании. По проводу Н6 параллельно удерживающей катушке 51-1 через блокировку тормозного переключателя ТК1-М, провод К98 подводится напряжение к кнопкам Низкая частота вращения вентиляторов и Высокая частота вращения вентиляторов.
При работе электровоза в режиме рекуперативного торможения блокировки тормозного переключателя ТК.1-М в проводах Н5-Н6 и Н6-К98 разомкнуты. Удер-
живающая катушка 51-1 получает питание по проводу Н5 через замыкающие блок-коитакты 302-1, 303-1, 302-2, 303-2 быстродействующих контакторов, замкнутую блокировку ТК1-Т тормозного переключателя и провод Н6. От этого же провода через контакты автоматического выключателя управления 88-1, замыкающие блокировки электромагнитных контакторов 40-1, 40-2 двигателей преобразователей, а также через контакты промежуточного реле 279-1, которые замкнуты при нормальном положении реле повышенного напряжения, подводится напряжение к кнопкам вентиляторов.
Контакты автоматического выключателя управления 88-1 отключают вентиляторы, контакторы БК, а также быстродействующий выключатель 51-1, прерывая режим рекуперативного торможения при снижении давления в тормозной магистрали до 0,29—0,27 МПа (2,9—2,7 кгс/см2). Это исключает возможность юза при одновременном использовании электрического и пневматического торможения. Блокировки контакторов преобразователей необходимы для того, чтобы при выключении этих контакторов в случае их неисправности выключился БВ. Если этого не произойдет, то тяговые двигатели, потеряв независимое возбуждение, перейдут в двигательный режим. По проводу Н5 при включенных быстродействующих контакторах через их замыкающие блокировки 302-1, 303-1, 302-2 и 303-2 получает питание катушка промежуточного реле 170-1. Если это реле выключено, по проводу КЮО через размыкающий контакт реле 170-1 получают питание лампы, сигнализирующие о положении быстродействующих контакторов.
Кроме того, по проводу КЮО через блокировки быстродействующих выключателей и промежуточного реле 170-1 напряжение подается к сигнальным лампам АВР (аварийные).
СПИСОК ЛИТЕРАТУРЫ
1. Быстрицкий X. Я..Дубровский 3. М., Р еб р и к Б. Н. Устройство и работа электровозов переменного тока. 4-е изд., перераб и доп. М.: Транспорт, 1982 406 с.
2. Зорохович А. Е., Калинин В. К. Электротехника с основами промышленной электроники. М : Высшая школа, 1980. 458 с.
3. И г о н и н А. Н., Ильченко Т. Ф. Тяговые трансформаторы. М.: Транспорт, 1968. 142 с.
4. Калинин В. К., Михайлов Н. М., X л е б и и к о в В. Н. Электроподвижной состав железных дорог. М.: Транспорт, 1972. 536 с.
5 Пассажирские электровозы ЧС4 и ЧС4Т/В. А. Каптелкин, Ю. В. Колесов, И. П. Ильин и др. М.: Транспорт, 19Ж 384 с.
6 Раков В. А. Локомотивы и моторвагоиный подвижной состав. М.: Транспорт, 1979. 213 с.
7. Тепловозы/В. Д. Кузьмич, Э. К. Похомов, Г. М. Русаков, И, П. Бородулии. М.: Транспорт, 1987. 540 с.
8. Тихмеиев Б. Н.Трахтман Л.М. Подвижной состав электрифицированных железных дорог. Теория работы электрооборудования. Электрические системы и аппараты. М.: Транспорт, 1980. 471 с
9. Электровоз ВЛ80Р. Руководство по эксплуатации. М.: Транспорт, 1985. 541 с
10. Электровоз ВЛ11. Руководство по эксплуатации. М.. Транспорт, 1983. 464 с.
11. Электровозы ВЛ10 и ВЛ10У. Руководство по эксплуатации. М.: Транспорт, 1981. 519 с.
12. Электропоезда/3. М. Рубчинский, С. И. Соколов, Е. А. Эглон, Л. С. Лынюк. М.: Транспорт, 1983. 415 с.
13. Электропоезд Э9П. Руководство по эксплуатации. 2-е изд. М.: Транспорт, 1969. 327 с.