Общие сведения. Управляет электровозом машинист, как было описано выше, с помощью контроллера машиниста БМ, выключателей и тумблеров Меха-
нические блокировки валов БМ исключают перемещения реверсивно-режимной рукоятки в нулевое положение, а также в положение Р (рис. 278) при нахождении главного вала штурвала в рабочем положении, главного вала штурвала при нахождении положения 0 реверсивно-режимной рукоятки, поворота штурвала из положения 0 в положение НР при положении Р реверсивно-режимной рукоятки и рабочем положении рукоятки скорости. С валом штурвала сблокированы сельсины В1 и В2. Сельсин В1 является задатчиком тока якоря в режиме тяги и тормозного усилия в режиме рекуперации при автоматическом регулировании скорости, а В2 — задатчиком угла открытия тиристоров ВИП при ручном регулировании. С валом рукоятки скорости сблокирован сельсин ВЗ, который при автоматическом регулировании является задатчиком скорости движения электровоза в режимах тяги и рекуперативного торможения, а при ручном регулировании — задатчиком угла открытия тиристоров ВУВ в режиме рекуперативного торможения. Реверсивно-режимной рукояткой задается направление движения, режим работы электровоза (тяга или рекуперация) и степень ослабления возбуждения тяговых двигателей.
Работа по системе многих единиц и автоматическое регулирование обеспечиваются блоком автоматического управления А55, напряжение на который (разъем Х5, выводы 9 и 10) подается от автотрансформатора Т35 (см. рис. 265).
Измерительными элементами токов тяговых двигателей, входящими в систему управления преобразователями, являются датчики тока якорей 77, Т2, датчик тока возбуждения Т20 и блоки измерений А59, А60. Датчики тока подключены к блокам измерений проводами А1—А14. Питающее напряжение на блоки измерения (выводы 15, 16) подается от обмотки собственных нужд тягового трансформатора.
В качестве датчиков скорости электровоза используются тахогенераторы В1, В2, ВЗ. К блоку автоматического управления А55 каждой секции подключены как тахогенераторы своей секции (про-
водами А61—А69), так и тахогенераторы другой секции (проводами А81—А89).
В качестве датчиков углов коммутации используются трансформаторы Т21—Т26 в комплексе с реакторами 1.21—Ь26, которые подключены к блоку управления А57 проводами А171—А182. По выходам выпрямителей импульсов напряжения, поступающих от датчиков углов коммутации, блоки управлення А57 обеих секций электровоза включены параллельно между собой проводами А161—А163. Проводами А161, А163 запараллелены выходы выпрямителей импульсов напряжения, поступающих от датчиков, работающих на первой и второй зонах регулирования. Проводами А162, А163 запараллелены выходы выпрямителей импульсов напряжения, поступающих от датчиков, работающих на третьей н четвертой зонах регулирования.
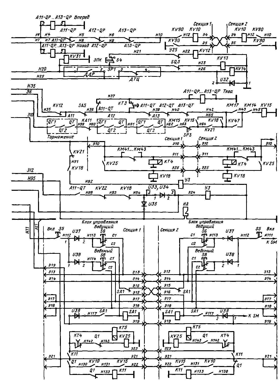
Тяговый режим при автоматическом регулировании. При установке реверсивно-режимной рукоятки в положение Вперед, ПП (или Назад, ПП) возбуждается катушка промежуточного реле КУ13 ведущей секции по цепн: контакты 13—14 вала контроллера БМ, крана машиниста БОЗ, провод Н23 (контакты 8(}3 размыкают цепь при экстренном торможении краном машиниста). Включившись, реле КУ13 контактами в проводах Н34—Н35 подает напряжение на катушку вентиля Тяга переключателя <27\ вал которого поворачивается из положения Торможение в положение Тяга (без токовой нагрузки, так как контакты реле времени КТ10 замыкаются с выдержкой времени после отключения ВУВ и блоков питання ВИП от обмотки собственных нужд тягового трансформатора). После поворота переключателя <2Г в положение Тяга и замыкания его контактов в проводах Н36, Н39, Н40, Н41 включается промежуточное реле КУ15, которое своими контактами в проводах Н152—Н156 подготавливает цепь включения электромагнитных контакторов КМ41, КМ42 и КМ43, которыми подключаются блоки питання ВИП А61—А63. Включение реле КУ15 возможно, если в цепи ее катушки замкнуты контакты: реле КУ12, КУ13, КУ14, переключателя БА5, пневматического выключателя БР2 и электромагнитных контакторов КМ14, КМ17. Контакты
KV12—KV14, SA5, SP2, КМ14, КМ17 предназначены для отключения реле н, следовательно, прекращения режима тяги в следующих случаях:
срабатывание электропневматического клапана У25 автостопа. При этом через контакты 13—14 контроллера машиниста и контакты клапана У25 в проводах Н21—Н22 подается напряжение на катушку реле KV12. Реле возбуждается, контактами в проводах Н35—Э4 отключает реле KV15, а контактами в проводах Н99—Э19 подает питание на электропневматический клапан У4. Через включенный клапан У4 подается сжатый воздух в тормозные цилиндры. Одновременно контакты KV12 в проводах Н322—Э52 замыкаются, включают электропневматические клапаны песочниц;
экстренное торможение краном машиниста. При этом контакты SQ3 в проводах Н21—Н23 отключают реле KV13, которое контактами в проводах Н34— Н35 отключает реле KV15, контакты SQ3 в проводах Н99—Э19 подают питание на электропневматический клапан У4, контакты в проводах Н319—Э51 — на электропневматическнй клапан У17 тифо-на н контакты в проводах Н322—Э52 — на электропневматические клапаны песочниц;
обрыв тормозной магистрали. При снижении давления воздуха в тормозной магистрали на 0,02 МПа (0,2 кгс/см 2) н более контакты ДДР пневмоэлектриче-ского датчика SP1 подают питание на катушку реле KV14, которое, замкнув контакты в проводах H21—H24, включает сигнальную лампу Н6 и, разомкнув контакты в проводах НЗЗ—H34, отключает реле KV15. При снижении давления на 0,06—0,08 МПа (0,6—0,8 кгс/см 2) н более в тормозные цилиндры поступает сжатый воздух. Когда давление воздуха в них достигнет 0,04—0,07 МПа (0,4—0,7 кгс/см2), размыкаются контакты ДТЦ датчика SP1, и реле KV14 размыкает контакты, подготавливая цепь питания катушки реле KV15 и отключая сигнальную лампу Н6 Панель диодов V31 в цепи катушки реле KV14 исключает подачу напряжения на сигнальную лампу Н6 через контакты ДДР прн отключенном реле На панель днодов V32 разряжается энергия, запасенная в катушке реле
KV14 при ее отключении, с целью облегчения условий работы контактов датчика SP1. При отпуске тормозов контакты ДТЦ замыкаются после размыкания контактов ДДР;
отключение секции; при этом размыкаются контакты SA5;
саморасцеп секций; размыкаются контакты SP2 при снижении давления воздуха в тормозной магистрали до 0,27— 0,29 МПа (2,7—2,9 кгс/см2);
отключение двигателя вентилятора системы охлаждения тягового трансформатора; при этом размыкаются контакты КМ 14;
отключение двигателя масляного насоса системы охлаждения тягового трансформатора. При этом размыкаются контакты КМ17. Контакты КМ17 в цепи катушки реле KV15 могут быть шунтированы контактами промежуточного реле KV47. Это необходимо для зимнего периода эксплуатации при температуре ниже —15 °С.
При установке штурвала в положение П (см. рис. 278) и включении контакторов КМ41—КМ43 подается напряжение от обмотки собственных нужд тягового трасформатора на блоки питания ВИП А61—А63. В этом случае происходит следующее:
подается напряжение 110 В переменного тока на сельсины В2 и ВЗ от панели питания А56 по цепям: на сельсин В2 — провод А21, контакты SA1, провод А22, контакты 79—80 контроллера и провод А24, контакты 75—76 контроллера; на сельснн ВЗ — провод А21, контакты SA1, провод А22, контакты 79—80 контроллера и провод А24, контакты SAW, провод А26, контакты 77—78 контроллера. В общую цепь питания сельсинов включены контакты SA1, соединенные с панелью А56 проводами А35, А38,
выход сельсина В2 подключается к блоку автоматического управления А55 по цепям: провод А27, контакты SA1, провод А29 и контакты 69—70 контроллера, провод А33, контакты SAW, провод А34, контакты SA1, провод А39,
выход сельсина ВЗ подключается к блоку автоматического управления А55 по цепям: контакты 65—66 контроллера, провод А48, контакты SAW, SA1, провод А44 и провод А45;

Рис 278. Схема цепей управления 1-й секции
(схема 2-й секции аналогична) электровоза ВЛ85

подается напряжение 50 В постоянного тока на блок автоматического управления А55 для обеспечения питания катушек контакторов ослабления возбуждения в зоне 4 регулирования. Напряжение подается по цепи: контакты 61—62 контроллера, провод Э/, контакты SAW, провод Н630;
подается напряжение 50 В постоянного тока на панель питания А56 для запрета регулирования при данном (а также нулевом) положении штурвала. Напряжение подается по цепи: контакты 59—60 контроллера, провод Э20, контакты SA1, провод Н680;
включается промежуточное реле KV91-Напряжение на катушку реле подается через контакты 63—64 контроллера. При работе по системе многих единиц реле включается на ведущем электровозе.
Контактами реле KV91 в проводах А131, А136 и А132, А137 выходы блоков измерения А59, А60 ведущего электровоза подключаются к блокам автоматического управления А55 ведущего и ведомого электровозов. Напряжением с выходов пропорционально току якорей тяговых двигателей ведущего электровоза и для ведомого электровоза задается ток якоря. Контактами реле KV91 в проводах А75, А76 на ведущем электровозе размыкается цепь питания реле в блоке А55, которое в обесточенном состоянии подключает регулятор тока якоря к выходу сельсина В2 и отключает от выхода блоков А59, А60 ведомого электровоза. На ведомом электровозе цепь питания реле в блоке А55 замыкается и, возбудившись, реле отключает регулятор тока якоря от выхода сельсина В2 и подключает к выходу блоков А59, А60 ведущего электровоза, которые при этом становятся задатчика-ми тока якоря для ведомого электровоза. Контакты реле KV91 предназначены для разрыва цепи реле токовой защиты, после ее срабатывания, при установке штурвала контроллера в положение 0.
Скорость электровоза задается поворотом рукоятки скорости При этом напряжение, соответствующее задаваемой скорости, с выхода сельсина ВЗ подается на блок А55 (по цепи, описанной выше) и через панель А65 — на указатель скорости PV5 (вольтметр, отградуированный в км/ч).
Ток якоря тяговых двигателей задают, поворачивая штурвал из положения HP к положению 4. При этом с выхода сельсина В2 подается соответствующее напряжение на блок А55 (по цепи, описанной выше) и размыканием контактов 59—60 контроллера снимается запрет на регулирование (обесточивается провод Э20)
Измерение тока осуществляется вольтметром PV5, отградуированным в ки-лоамперах. Напряжение на вольтметр подается от блоков измерений А59, А60 через резисторы R134, R135 (см. рис. 265) и контакты переключателя SA6, обеспечивающие возможность контроля тока посекционно. Резисторы R134, R135 предназначены для корректировки показаний вольтметра по показаниям амперметров РА1. Напряжение, пропорциональное току якоря, от блоков измерений подается также на блок автоматического управления А55 (проводами А145, А146)
Напряжение, задающее зону регулирования и фазу импульсов управления тиристорами ВИП, подается по проводам А141, А143 от блока автоматического управления А55 через панель питания А56 на блок управления А57
При срабатывании токовой зашиты (в блоке автоматического управления А55) по проводам А97—А99 подается напряжение + 24 В от блока А55 на блок А57, что обеспечивает снятие импульсов управления с проводов А101—А109 О срабатывании зашиты сигнализирует лампа НЗЗ, цепь которой замыкается контактами реле блока А55 (провода Н410, Н463) Если срабатывает реле боксования, то замыкаются контакты соответствующего промежуточного реле из числа KV61— KV63 и подается команда на изменение угла регулирования тиристоров ВИП с целью уменьшения выходного напряжения.
Режим рекуперативного торможения при автоматическом регулировании. Подготовка к работе в режиме рекуперативного торможения начинается с установки реверсивно-режимной рукоятки контроллера машиниста в положение Р (штурвал в положении 0). При этом по проводу И51 на блок автоматического управления А55 и панель питания А56 подается напря-
жение 50 В постоянного тока, необходимое для переключения системы управления в режим, соответствующий рекуперативному торможению Штурвал устанавливают в положение Я, при этом:
включается контактор КМ40, подключая синхронный компенсатор М40 к трансформатору Т18;
возбуждается промежуточное реле KV25 и замыкает цепь питания выходных усилителей выпрямительных установок возбуждения V14, VI5. Питание усилителей осуществляется напряжением 380 В переменного тока через контакты реле KV25 и переключателей Q1 (включается только на той секции, в которой включен блок управления), QT (устанавливается в положение Торможение при переводе реверсивно-режимной рукоятки в положение Р);
подается напряжение 110 В переменного тока на сельсины В2, ВЗ от блока питания А56 по цепям: на сельсин В2 — провод А21, контакты AI, провод А22, контакты 79—80 контроллера и провод А23, контакты SA 1, провод А26, контакты SAW, провод А27, контакты 75—76 контроллера; на сельсин- ВЗ — провод А2}, контакты SA 1, провод А22, контакты 79— 80 контроллера и провод А23, контакты SA1, провод А26, контакты 77—78 контроллера
Остальные цепи не отличаются от описанных для режима тяги Внешние цепи, используемые для управления контакторами ослабления возбуждения с помощью блока автоматического управления (провода Н630, Э137—Э139), а также к токовой защите в этом блоке (провода А97—А99, А152, Н410, Н463) остаются такими же, как в режиме тяги, но никаких функций не выполняют.
Тормозное усилие задается с помощью сельсина В2 путем поворота штурвала в диапазоне HPJ—4 (увеличение тормозного усилия) Скорость задается с помощью сельсина ВЗ путем поворота рукоятки скорости. Импульсы управления выпрямительными установками возбуждения U14, U15 подаются от блока управления А57 по проводам А111—А113 Напряжение, задающее фазу импульсов управления, поступает на блок А57 от блока автоматического управления А55 через панель питания А56 (провода А142,
А143). Информация о токе возбуждения тяговых двигателей поступает в блок автоматического управления от блока измерений А59 по проводам А129, А130.
Ручное регулирование. Переход на ручное регулирование осуществляется включением тумблера S120. При этом срабатывает переключатель SA 10 и производит следующее:
отключает блок автоматического управления А55 от автотрансформатора Т35 блоков измерений, сельсинов В2 и ВЗ, провода Э1. В результате блок А55 выводится из работы;
отключает вход сельсина ВЗ от панелн питания А56 и выход сельсина от панели выпрямителя А65;
подготавливает цепь питания сельсина В1;
подключает выходы сельсинов В1, В2 к панели питания А56 и выход сельсина ВЗ к блоку управления А57;
замыкает цепь питания (+24 В) реле в блоке управления ,457 (провода AI 15, AI 16), при включении которого обеспечивается плавный вход в режим рекуперативного торможения,
подключается выход (по току якоря) блоков измерений А59, А60 к панели питания Л56" (провода А155, А156) и через фильтр панели — к блоку управления Л57 для обеспечения плавного входа в режим рекуперативного торможения
Режим тяги. Цепи собираются так же, как и при автоматическом регулировании. Ток тяговых двигателей регулируют путем поворота штурвала контроллера машиниста от позиции HP к позиции 4 При этом от сельсина В2 на блок управления А57 через панель питания А56 подается регулируемое напряжение, которым задается зона регулирования и угол открытия тиристоров ВИП Напряжение подается по цепям: провод А27, контакты SA1, провод А32, блок А57 и контакты 69—70 контроллера, провод АЗЗ, контакты SA 10, провод А37, контакты SA1, провод А40, панель А56, блок А57 Рукоятка скорости не используется и может находиться в любом положении
Режим рекуперативного торможения Цепи собираются так же, как и при автоматическом регулировании. Тормозное усилие регулируется с помощью штурвала и рукоятки скорости контроллера ма-
шиниста. Рукоятка скорости непосредственно используется для регулирования тока возбуждения. Эту рукоятку поворачивают из положения О после перевода штурвала в положение НР. Когда возможность увеличения тормозного усилия путем регулирования тока возбуждения с помощью рукоятки скорости исчерпана, для увеличения его поворачивают штурвал из положения НР к положению 4.
При повороте рукоятки скорости под действием сельсина ВЗ на блок управления А57 подается регулируемое напряжение, которым задается угол открытия тиристоров выпрямительных установок возбуждения. Напряжение подается по цепям: контакты 35—36 контроллера, провод А41, контакты БАЮ, провод А43, контакты БАЇ, провод А46 и провод А45, контакты БА1, провод А47.
Когда штурвал перемешается в диапазоне НР-4 под действием сельсина В1, на блок управления А57 через панель питания А56 подается регулируемое напряжение, которым задается зона регулирования и угол открытия тиристоров ВИП. Напряжение подается по цепям, провод А27, контакты БА 1, провод А32, блок А57, контакты 71 — 72 контроллера, провод А28, контакты БАЮ, провод А30, контакты БАЇ, провод А31, панель А56, блок А57.
При ручном регулировании в режиме рекуперативного торможения разбор цепей следует начинать с установки рукоятки скорости в положение 0. Этим обеспечивается бестоковое отключение контактора КП при последующей установке штурвала в положение 0.
|
|