Тяговый режим. Перед пуском и разгоном электровоза вначале, закрыв двери высоковольтных камер и крышевых
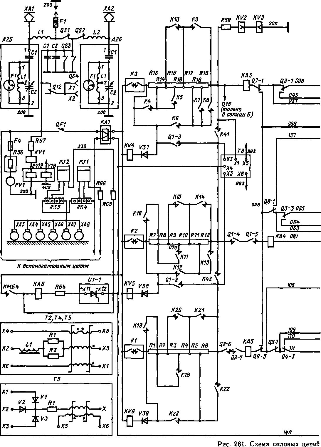
люков, машинист включает аккумуляторные батареи обеих секций. Затем, если отсутствует воздух в пневматической сети, он включает вспомогательные компрессоры, и воздух поступает к вентилю безопасности V18 (рис. 261) и к манометру на пульте помощника машиниста. После включения кнопок «Токоприемники», «Токоприемник II, IV» или «Токоприемник I, III» поднимаются подвижные рамы с полозами токоприемника ХА2 или ХА1 на обеих секциях. После этого включают быстродействующие выключатели, для чего устанавливают рукоятку блокировочного устройства тормозов 5Q2 и поворачивают ее вниз до отказа, затем — выключатель управления S21; запускают вспомогательные машины и устанавливают реверсивно-селективную рукоятку контроллера машиниста в положение M Вперед (Назад), что соответствует нормальному режиму тяги. В этом положении реверсивно-селективной рукоятки валы реверсоров Q3 и Q4 занимают положение Вперед (Назад), валы тормозных переключателей Q5, Q6 обеих секций — положение M (моторный), валы групповых переключателей Q1 — положение С, переключателей Q2 — положение С-СП, вал переключателя аварийного режима — положение Нормальный.
После перевода главной рукоятки контроллера машиниста на 1-ю позицию включаются линейные контакторы К1, К2, К4, Кб и контакторы ослабления возбуждения К25—К32. В каждой секции собираются цепи из шести последовательно соединенных тяговых двигателей с полностью введенными пусковыми реостатами RI—R15 и ослаблением возбуждения двигателей 2-й ступени Цепь с «Землей» (рельсами) соединяется через дифференциальное реле КА1, последовательно соединенные шунты RS4, RS5 счетчиков электроэнергии РЛ, PJ2, заземляющие устройства ХАЗ — ХА8.
На 2-й позиции главной рукоятки контроллера машиниста отключаются контакторы ослабления возбуждения К25— К32 и тяговые двигатели работают в режиме полного возбуждения. Дальнейшим перемещением главной рукоятки осуществляются включение и переключение
реостатных контакторов и ступенчатое уменьшение сопротивления пусковых резисторов, вплоть до полного выведения их на ходовой 20-й позиции. Для дальнейшего увеличения скорости движения и силы тяги на этой позиции возможно применение четырех ступеней ослабления возбуждения путем установки тормозной рукоятки контроллера машиниста на позиции OBI—ОВ4. На позиции ОВ1 включаются контакторы К25 — К28, подсоединяя резисторы R21 — R24, R26 — R29, R31 — R34, R36 — R39 и индуктивные шунты L5—L8 параллельно обмоткам возбуждения групп двигателей Ml, М2, МЗ, М4 и М5, Мб соответственно (см. рис. 261). На последующих ступенях ослабления возбуждения с помощью соответствующих контакторов уменьшают сопротивление шунтирующих резисторов.
На 20-й ходовой позиции включаются линейные контакторы КЗ, К5 и уравнительные К7, К8 для подготовки цепей к переключению двигателей с последовательного (С) на последовательно-параллельное (СП) соединение.
При установке главной рукоятки в 21-ю позицию отключаются реостатные контакторы и вал группового переключателя Q1 начинает поворачиваться из положения С в положение СП—П, но пусковые резисторы в цепь двигателей до переходной позиции Х2 не вводятся, так как ток протекает по шунтирующей их цепи (рис. 262, а). На переходной позиции XI размыкается контакт Q1-1 группового переключателя: в цепь двигателей вводятся запирающие диоды V13 — V24. На позиции Х2 размыкаются контакты Q1-2 и Ql-З группового переключателя: в цепь двигателей вводятся параллельно включенные пусковые резисторы R1—R5, R6—R10, RU—R15. На позиции ХЗ замыкаются контакты Ql-4, Ql-5, Ql-6, Q1-7, чем заканчивается без разрыва силовой цепи переключение тяговых двигателей на СП. Сопротивления включенных в цепь пусковых резисторов определены из условия ограничения броска тока в параллельных группах тяговых двигателей в пределах допустимого значения на переходной позиции XI. Чтобы при переходе сила тяги не уменьшалась значительно, сопро-
тивление резисторов переходных позиций для мощных грузовых электровозов подбирают с учетом больших нагрузок (на электровозе ВЛ15 оио равно 1,5798 Ом). Возникновению генераторного тока при переключении двигателей с соединения С на СП препятствуют запирающие диоды V13 — V24.
Перемещение главной рукоятки контроллера машиниста по позициям с 21-й по 35-ю приводит к ступенчатому выключению пусковых резисторов до полного их выведения на 35-й ходовой позиции, т. е. разгон электровоза происходит на последовательно-параллельном соединении тяговых двигателей.
На 35-й позиции включаются линейные контакторы К48, К49, чем подготавливается переход с последовательно-параллельного на параллельное (П) соединение. При перемещении главной рукоятки контроллера машиниста на 36-ю позицию отключаются реостатные контакторы, вал группового переключателя начинает поворачиваться из положения С — СП в положение П без разрыва силовой цепи, но пусковые резисторы до переходной позиции Х2 не вводятся в цепи двигателей: ток протекает по шунтирующим цепям (рис. 262, б). На позиции XI генераторным токам препятствуют диоды VI — V12 и V25 — V36.
На позиции Х2 размыкаются контакты Q2-3, Q2-4 и в цепь двигателей вводятся параллельно включенные пусковые резисторы RI — R5, R6 — RIO и R11 — R15. На позиции ХЗ замыкаются контакты Q2-5, Q2-6, Q.2-7, Q2-8, Q2-9 и Q2-10 группового переключателя и образуются цепи параллельного соединения тяговых двигателей.
При перемещении главной рукоятки контроллера машиниста с 36-й позиции на 46-ю ступенями выключаются пусковые резисторы (полностью выводятся на 46-й ходовой позиции); дальнейший разгон электровоза происходит на параллельном соединении групп двигателей. На 35-й и 46-й позициях, как и на 20-й, установив тормозную рукоятку контроллера машиниста в соответствующее положение, можно применить четыре ступени ослабления возбуждения
На электровозе ВЛ15 предусмотрено в маневровом режиме использовать 12


секции электровоза ВЛ15

Рис 262. Схема прохождения тока при переключении тяговых двигателей М1—Мб с соединения С на СП—П (а) и с соединения СП—П на П (б)
последовательно соединенных тяговых двигателей Для перехода в этот режим необходимо при нулевом положении всех рукояток контроллера машиниста переключить один из двух тумблеров блока Б31 из положения Н (нормальный) в положение А (аварийный). Это вызовет поворот вала режимного переключателя 0_15 (см. рис. 261) в первой или во второй секции электровоза в положение МС. Устанавливая реверсивно-селективную рукоятку в положение М, переводят валы реверсоров 0.3, 04 в положение М. Когда главная рукоятка контроллера машиниста установлена в 1 -ю позицию, линейные контакторы замыкаются в той секции, в которой режимный переключатель находится в прежнем положении Н
Порядок включения и выключения реостатных контакторов на позиции соединения маневрового режима аналогичен соединению С в нормальном тяговом режиме. На 20-й позиции возможно при-
менение четырех ступеней ослабления возбуждения тяговых двигателей
Рекуперативный режим. Перед переходом в режим рекуперации электродвигатели вентиляторов переводят на работу в режиме «Высокая скорость» и включают тиристорные преобразователи 111.2, 111.3 и VI4 (см. рис. 261) и реле моторного тока КА2. Затем реверсивно-селективную рукоятку устанавливают в положение, соответствующее соединению тяговых двигателей (П, СП или С). Соединение тяговых двигателей выбирает машинист в зависимости от скорости движения и напряжения в контактной сети. Рабочие зоны действия рекуперативного торможения электровоза следующие: от 100 до 50 км/ч — параллельное соединение тяговых двигателей, от 64 до 33 км/ч — последовательно-параллельное, от 34 до 17,5 км/ч — последовательное.
При нахождении тормозной и главной рукояток контроллера машиниста на

Рис 263 Схема прохождения тока при рекуперации на параллельном соединении групп тяговых двигателей Ш—Мб секции электровоза ВЛ15
нулевой позиции и установке реверсив-но-селективиой рукоятки в положение П валы групповых переключателей 01 и 02 поворачиваются в положение, соответствующее параллельному соединению двигателей. После перемещения тормозной рукоятки на позицию П валы тормозных переключателей 05 и 06 устанавливаются в положение, соответствующее тормозному режиму; при этом включаются контакторы К45, К46, К47, подсоединяющие цепи обмоток возбуждения двигателей к зажимам тиристорных преобразователей У1-2, У1-3, У1-4; линейные контакторы К2, К4 и Кб, подготавливающие силовые цепи обмоток якорей тяговых двигателей к рекуперативному режиму. При установке тормозной рукоятки иа позицию ПТ включаются контакторы КМБ4 (см. рис. 261), запускающие тиристорные преобразователи. При этом начинает расти ток возбуждения и соответственно э. д. с. тяговых двигателей, однако рекуперация начнется лишь в момент, когда э. д. с. двигателей станет больше напряжения в контактной сети.
Это обеспечивается тем, что включение линейных контакторов К1, КЗ, К5 (см. рис. 260) поставлено в зависимость от срабатывания соответственно реле рекуперации КУ6, КУ5, КУ4. После того как они сработают, включаются линейные контакторы /С/, КЗ, К5 (рис. 263), и образуются цепи тока рекуперации.
На позиции ПТ происходит предварительное торможение, осуществляется питание задатчика тока 135 (см. рис. 276) и задатчика скорости 136, ввод цепей электровоза в режим рекуперации с ограничением тока якоря до 100 А.
Переключение обмоток якорей с параллельного соединения на последовательно-параллельное осуществляется контактами группового переключателя 02 в режиме выбега после исчерпания возможности реализации необходимой тормозной силы на соединении П из-за снижения скорости движения электровоза. Переключение обмоток якорей с последовательно-параллельного на последовательное соединение, когда прекращается реализация тормозной силы, осуществляется также в режиме выбега контактами группового переключателя 01.
Работа цепей при аварийных режимах.
Предусмотрено движение электровоза при повреждении части тяговых двигателей, быстродействующих выключателей, пусковых резисторов и вспомогательных машин. В случае повреждения любой пары тяговых двигателей в зависимости от создавшегося положения машинист по своему усмотрению может выбирать одну из двух схем аварийного режима: с использованием либо восьми, либо десяти двигателей.
При повреждении быстродействующего выключателя 0Р1 предусматривается подключение шести тяговых двигателей секции, соединенных последовательно с <2Р/ режимным переключателем 015, к шести последовательно соединенным тяговым двигателям другой секции с исправным выключателем.
|
|