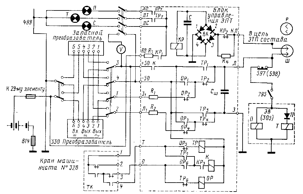
Электровозы ЧС2 имеют оборудование, позволяющее осуществлять электрическое управление пневматическими тормозами самого электровоза и прицепленных к нему вагонов (рис. 267 и 268).

Рис. 267. Схема управления электропневматпческими тормозами

Основными элементами этого оборудования являются статический преобразователь, блок управления, электропневматический воздухораспределитель ЭВ усл. № 305.000, тормозные контроллеры ТК кранов машиниста усл. № 328 (на рис. 267 из двух параллельно включенных показан только один контроллер), главный выключатель, сигнальные лампы П, Т, С, вольтметр V, клемовая коробка, штепсельная головка Ш усл. № МТЗ-335.000, концевая розетка Р и плавкие предохранители.
Полученный от преобразователя ток напряжением 50 В используется для контроля целости линейных проводов на первом и втором положениях крана машиниста. Цепь переменного тока: вывод 2 преобразователя, провод Л\, ограничивающий резистор Р2, замкнутые контакты реле отпуска ОР4 и реле торможения ГР4, провод 3 («земля»), вентили выпрямительного моста ВК, катушка реле контроля исправности линии КР (по этой катушке всегда проходит выпрямленный ток), ограничивающий резистор #4, провод /, провод 2, провод Л, замкнутые контакты реле торможения ТР2 и реле отпуска ОР2, ограничивающий резистор #ь провод Зи вывод / преобразователя. Провода / и 2, идущие вдоль всего поезда, замкнуты на последнем вагоне в штепсельной головке Ш контактами концевой розетки Р.
Включенные между проводами 2 и «землей» катушки электромагнитных вентилей электропневматического воздухораспределителя ЭВ представляют большое индуктивное сопротивление, в связи с чем по ним практически переменный ток не проходит.
Все остальные цепи питаются только постоянным током 50 В, получаемым также от статического преобразователя. Последнее сделано для полной электрической изоляции цепи управления электровоза и электропневматического тормоза. Напряжение посто-
янного тока от зажимов 3 и 4 преобразователя постоянно подведено к проводам, обозначенным +50 и —50. При исправных линейных проводах / и 2 и контактах в штепсельных головках, т. е. при включенном реле КР, замкнуты контакты этого реле КР\, КР2 и КРз- При этом от провода +50 через резистор Рз и контакты КР\ получает питание сигнальная лампа С. Если она горит, то преобразователь и цепи линейных проводов поезда исправны.
При переводе ручки крана машиниста в третье или четвертое положение через контакты тормозного контроллера ТК от провода +50 подается питание к проводу О, а от него через замкнутые контакты ТРе к катушке реле отпуска ОР. Реле ОР включается. При этом размыкаются его контакты ОР2, ОР4, ОР5 и замыкаются контакты ОР\, ОР3, ОР6, ОР7. Через контакты ОР6 получает питание реле К, оно включается и замыкается контакт К в проводе -\-50. В результате к проводам Л я 3 вместо переменного напряжения подводится постоянное—провод 3 соединяется с +50 и провод Л — с—50. От провода 3 постоянный ток проходит в «землю» (рельсы) и далее через катушки электромагнитных вентилей О электровоза и вагонов к проводу Л, т, е. минусу преобразователя. Катушки О возбуждаются, что соответствует положению перекрыши электровоздухораспределителей ЭВ.
Одновременно постоянный ток от земли через вентиль 4 выпрямленного моста ВК, катушку реле КР, вентиль 2 моста ВК, ограничивающий резистор Рі, линейный провод / состава, контакты концевой головки Ш и розетки Р, линейный провод 2 проходит к минусу преобразователя. Поэтому реле КР остается включенным. Конденсатор С, включенный параллельно катушке реле КР, питает эту катушку в момент переключения контактов реле ОР, т. е. сохраняет включенным положение этого реле при переводе ручки крана машиниста из поездного положения в положение Перекрыша. На положении Перекрыша через контакты ОР7 получает питание сигнальная лампа П, которая загорается. Лампа С при этом продолжает гореть.
При переводе ручки крана машиниста с 4-го в 5-е или 6-е положение тормозной контроллер размыкает цепь провода О и замыкает цепь провода Т. Это ведет к отключению реле отпуска ОР и включению реле торможения ТР. Контакты ТР2, ГР4, ТР6 размыкаются и контакты ТРи ГР3, ГР6, ТР7 замыкаются. Провод Л соединяется с +50, провод 3 — с —50 и катушки вентилей ОЭ и ТЭ электровоздухораспределителей возбуждаются. Начинается впуск сжатого воздуха в тормозные цилиндры (торможение). Катушка реле КР в этом случае получает питание через вентили 3 и / выпрямительного моста ВК. Контактом ТР7 замыкается цепь сигнальной лампы Т и она загорается, а лампа Я тухнет (размыкается контакт ОР7).
Контакты КРи КРз, ОРи ОР3, ОР6, ОР7, ТРи ТР3, ТР5, ТР7 выключаются с выдержкой времени (их выключение запаздывает по сравнению с моментом прекращения питания катушки реле). Контакты ОР2, ОР4, ОР5, ГР4, ТР6, напротив, включаются с выдержкой времени.
Статический преобразователь ТРМ (см. рис. 268) служит для преобразования постоянного тока, получаемого от аккумуляторной батареи( в переменный ток частотой 125 Гц и напряжением 50 В и в постоянный ток напряжением 50 В. Статический преобразователь состоит из задающего генератора, промежуточного и окончательного усилителей и транзисторов (триодов), защищающих от перенапряжений. Задающий генератор в свою очередь состоит из триода Х\, трансформатора Ті, конденсатора Сі и резисторов Ри /?2, /?3. Так как мощность переменного тока, получаемого во вторичной обмотке трансформатора Ти невелика (0,2 Вт), то ток усиливается в промежуточном и окончательном усилителях. Первый состоит из двух триодов Х2, Х3 и трансформатора Т2; второй — из триодов Х4, Х5, Х6, Х7, резисторов #6, #7, #8, #9 и трансформатора Г3. От вторичной обмотки 1-2 этого трансформатора получается переменный ток (до 1 А) для контроля целости цепей электропневматического тормоза; от вторичной обмотки 3-5 со средней точкой 4 с помощью диодов и1 и и2 получается постоянный ток (до 5 А) для управления электропневматическими тормозами.
Рлав а ЯІ
ПНЕВМАТИЧЕСКАЯ СИСТЕМА УПРАВЛЕНИЯ И ПЕСОЧНИЦЫ
|
|