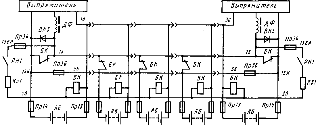
Для питания цепей управления постоянным выпрямленным напряжением 110 В на головных вагонах установлены две параллельно работающие выпрями-тельно-стабилизирующие установки. Для резервного питания служат пять аккумуляторных батарей, состоящих из 90 кадмиево-никелевых элементов КН-55 емкостью 55 А • ч каждый, соединенных последовательно.
Аккумуляторные батареи (АБ) расположены на головных и прицепных вагонах. Они подключены к поездным проводам 56 (плюс) и 30 (минус) (рис. 232) и находятся в режиме постоянного подзаряда при работающих вы-прямительно-стабилизирующих установках.
При отсутствии напряжения в контактной сети или выходе из строя обеих установок на головных вагонах контакторы батареи БК своими размыкающими контактами переключают все батареи на питание цепей управления. Таким образом, все резервные источники питания соединены параллельно.
Выпрямительно-стабилизирующие установки содержат разделительный трансформатор 1ТР.071, блок аппаратуры 1БА.169, дроссель фильтра 1ДР.007 и блок с датчиком температуры 1Б А. 174. По сравнению с системой электромагнитного регулирования, применявшейся ранее на электропоездах ЭР9 и ЭР9П,

Рис. 232. Упрощенная схема соединения источников питания цепей управления
масса каждой установки уменьшена на 70%, а потребляемая мощность снижена на 20%.
Технические данные установки:
Средняя номинальная мощность 4,4 кВт
Средняя мощность в часовом режиме 6,6 кВт
Среднее номинальное выходное напряжение 110 В
Средний номинальный ток нагрузки 40 А
Средний ток часового режима 60 А
Номинальное входное напряжение 220 В Коэффициент полезного действия в номинальном режиме 0,8
Пределы изменения входного напряжения 180—240 В
Пределы изменения тока нагрузки 7—60 А
Пределы изменения выходного напряжения 103—113 В
Пределы конечного напряжения заряда 142—158 В
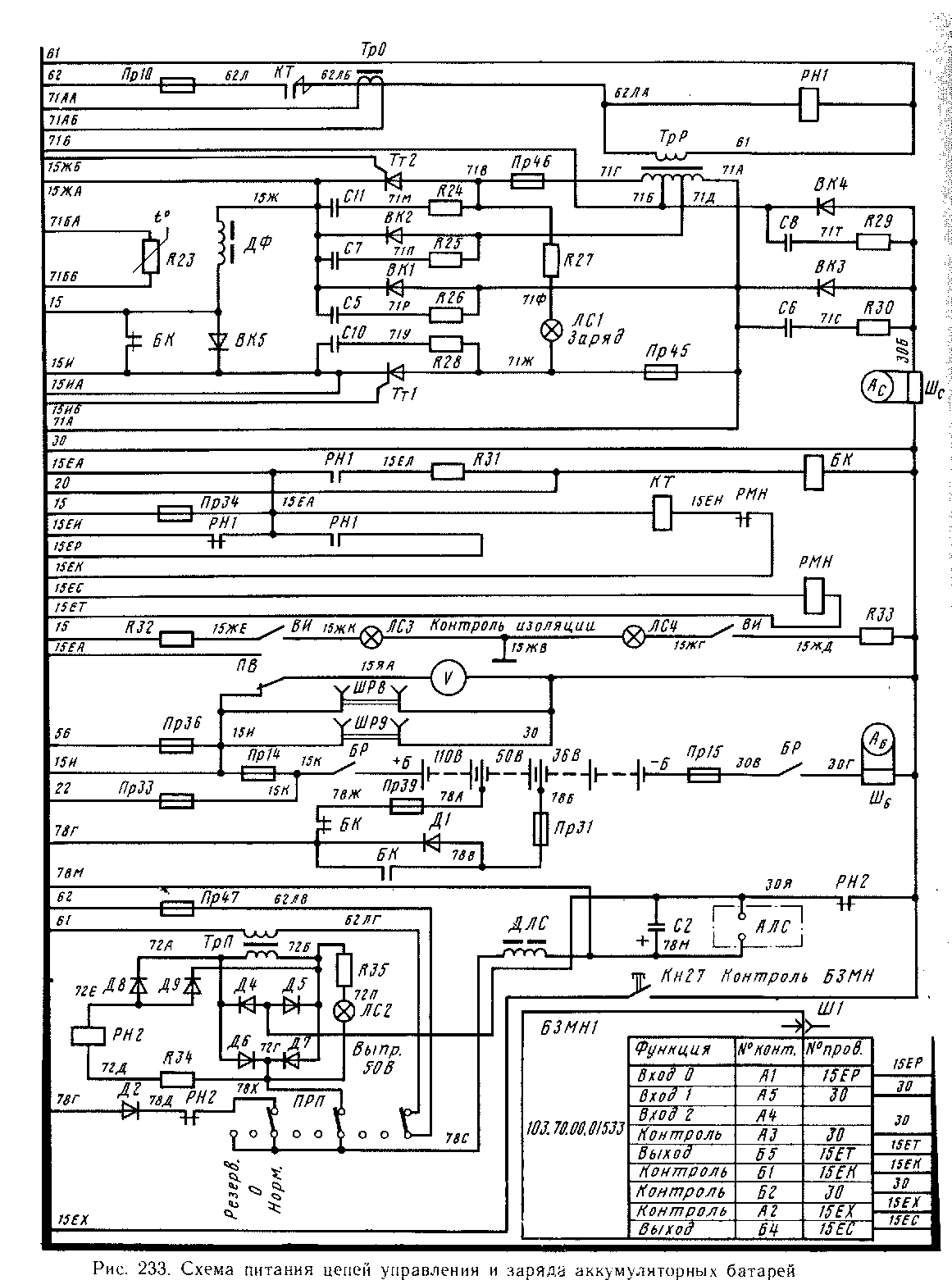
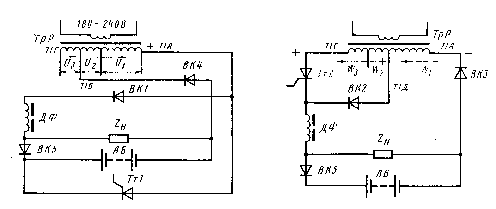
Каждая установка состоит из четырех основных функциональных групп: силовой, управления, защиты и сигнализации и группы питания цепей 50 В (аппаратуры АЛС, электропневматического тормоза). В силовую группу входят (рис. 233) разделительный трансформатор ТрР, кремниевые вентили ВК1—ВК5, управляемые вентили (тиристоры) Tri и Тт2 и дроссель фильтра Дф. Первичная обмотка трансформатора Тр2 замыкающими контактами контактора KT подключается к источнику стабилизированного переменного напряжения 220 В (провода 61 и 62). Вторичная обмотка трансформатора ТрР состоит из трех секций, соединенных последовательно: wl (71А-71Д) — с номинальным напряжением 94 В; w2 (71Д-71Б) — с номинальным напряжением 47 В; гюЗ (71Б-71Г) — с номинальным напряжением 47 В.
К выводам вторичной обмотки подсоединены тиристоры Tri и Тт2 и вентили ВК1—ВК4, образующие несимметричный двухполупериодный мостовой выпрямитель. Тиристор Тт2 подключен параллельно вентилю ВК2 и создает дополнительное управляемое плечо моста для питания цепей управления и подзаряда аккумуляторной батареи. Заряд батареи осуществляется также через тиристор Tri, образующий однополупериодный управляемый выпрямитель. Вентиль ВК5 разделяет цепи нагрузки и батареи.
Рассмотрим схемы выпрямления в разные полупериоды питающего напряжения (рис. 234). Диаграммы напряжений и токов, отображающие работу силовой группы и системы управления, представлены на рис. 235.
В первый полупериод, когда э. д. с. вторичной обмотки трансформатора направлена от вывода 71Г к плюсовому выводу 71А, проводят ток диоды ВК1 и ВК4. На нагрузку z„ подается напряжение ui-f- и2 двух секций (ид и w2) вторичной обмотки трансформатора ТрР. В этот же полупериод при подаче импульса управления в момент t\ открывается тиристор Tri и к аккумуляторной батарее прикладывается напряжение, равное сумме напряжений ui-f- и2 на обмотках wi и W2- Заряд батареи происходит пульсирующим током в промежутки времени /Jap (рис. 236), когда выпрямленное напряжение превышает э. д. с. батареи £UhK. В этот же промежуток времени (ti—t2) проводит ток тиристор Tri. Для предотвращения разряда батареи на цепи управления за время гза„, когда напряжение батареи выше напряжения на выходе выпрямителя, установлен диод ВК5 (см. рис. 233).
В следующий полупериод э. д. с. вторичной обмотки направлена от вывода 71А к выводу 71 Д. Ток проводят диоды ВК2 и ВКЗ. На нагрузку z„ подается напряжение u\ одной секции вторичной обмотки трансформатора ТрР. При подаче импульса управления в момент /4 тиристор Тт2 открывается и на нагрузку пода-


Рис. 234. Схемы выпрямления в разные полупериоды
ется сумма напряжений ui + u2+"3 трех секций ил, w2, w3 вторичной обмотки трансформатора ТрР.
Средние значения напряжений в цепях управления UH и заряда батареи U6 пропорциональны заштрихованным площадям на кривых изменения напряжения (см. рис. 235) и зависят от момента включения и интервала проводимости тиристоров Тт2 и Tri.
На выходе выпрямителя в цепь нагрузки включен сглаживающий дроссель ДФ, который обеспечивает сглаживание выпрямленного напряжения, среднее значение которого на нагрузке U„ равно среднему значению выпрямленного напряжения U в
Выпрямленное напряжение постоянно колеблется в зависимости от величины питающего напряжения и меняющейся нагрузки в цепях управления.
В связи с этим возникает необходимость стабилизировать напряжение цепей управления и обеспечить требуемый уровень заряда аккумуляторной батареи. Для этой цели служит группа управления, размещенная на съемном блоке управления регулятором (БУР),— 1БА.166 и блоке-1БА.174. Сюда же входит трансформатор отсечки ТрО, включенный в цепь первичной обмотки разделительного трансформатора ТрР.
Блок БУР имеет два функциональных канала, один из которых вырабатывает сигналы управления тиристором Tri (Uynpl) и обеспечивает регулирование напряжения заряда батареи, а другой вырабатывает сигналы управления, тиристором Тт2 (Uynp2) и обеспечивает стабилизацию напряжения 110 В в цепях управления.
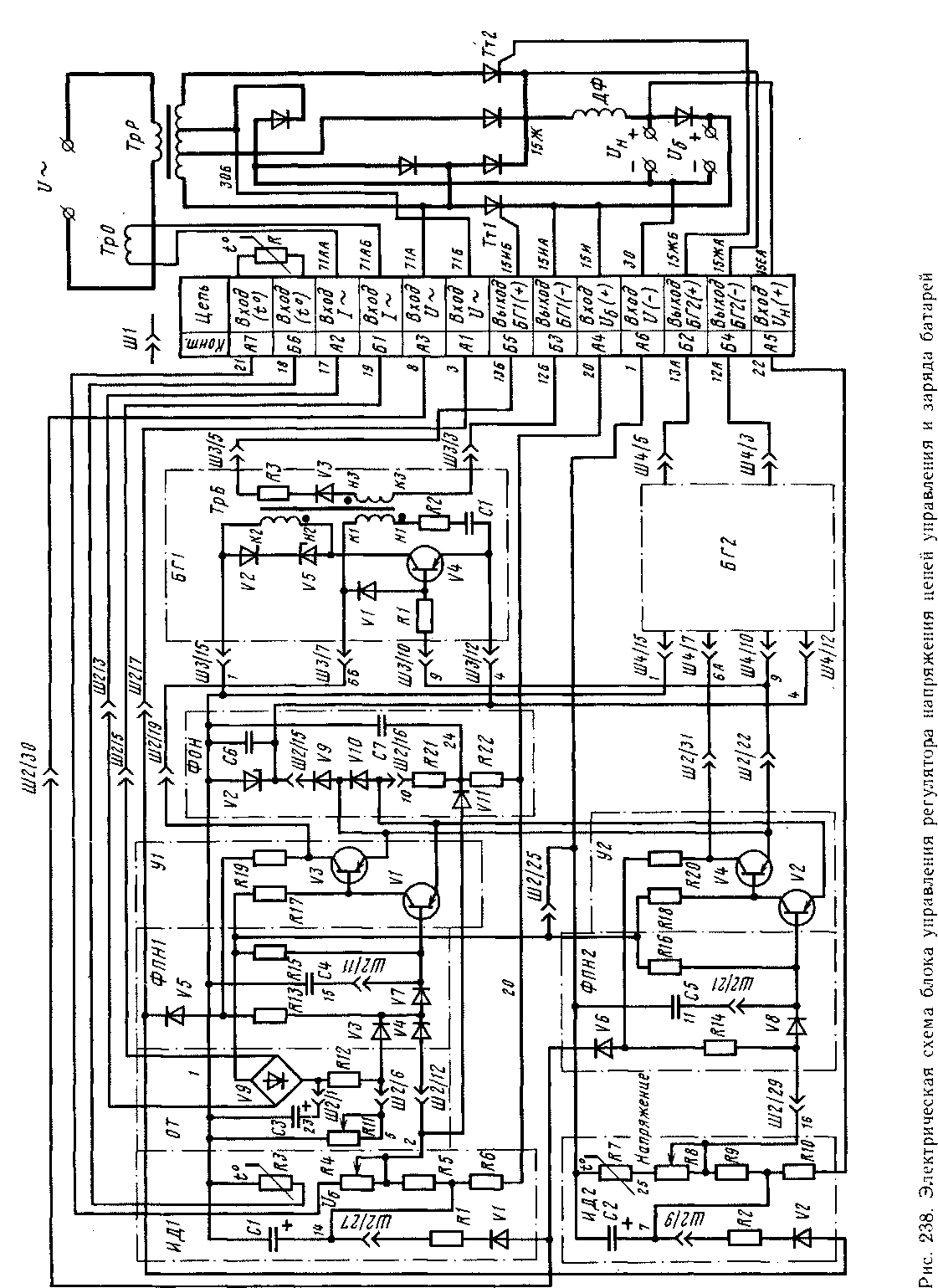
Функциональная схема блока управления регулятора напряжения цепей управления и заряда батарей БУР представлена на рис. 237, а электрическая схема блока — на рис. 238.
Каждый канал содержит измерительный делитель напряжения (ЯД), формирователь пилообразного напряжения (ФПН), усилитель (У), блокинг-генератор (БГ). Кроме того, блок имеет общий для обоих каналов формирователь опорного напряжения (ФОН), а канал регулятора заряда батареи содержит также ограничитель тока (07").
На входы блока БУР подаются следующие сигналы:
Ua — напряжение нагрузки (цепей управления) — провода 15ЕА—30; U6 — напряжение батареи — провода 15И—30; U„ — переменное напряжение транс-


форматора ТрР — провода 71А—71 Б; /т — ток, пропорциональный току первичной обмотки трансформатора ТрР—провода от трансформатора тока ТрО 71АА—71АБ; /° — сигнал, зависящий от температуры окружающего воздуха (определяется сопротивлением терморезистора к23, расположенного вне блока БУР).
На измерительные делители напряжений ИД2 и ИД1 подаются соответственно напряжения и„ и II б, а также переменное напряжение снимаемое с двух секций вторичной обмотки трансформатора ТрР.
Измерительный делитель напряжения ИД2 содержит резисторы Я8..Я10; терморезистор /?7. Он предназначен для измерения, деления и фильтрации поступающего на вход блока напряжения нагрузки (/„ (между проводами 15ЕА—30). Измерительный делитель напряжения ИД1 содержит резисторы Р4..Я6\ терморезисторы ЯЗ и Я23. Он предназначен для измерения,;деления и фильтрации поступающего на вход блока напряжения батареи II6 (между проводами 15И—30). Цепочки Р1-С1, Р2-С2, подключенные к вторичной обмотке трансформатора ТрР, осуществляют коррекцию выходного напряжения системы в зависимости от величины питающего напряжения. Терморезисторы РЗ и Р7 компенсируют изменение величины опорного напряжения ии при изменении температуры окружающей среды.
Терморезистор Я23 обеспечивает автоматическую сезонную регулировку конечного напряжения заряда аккумуляторной батареи — повышение зарядного напряжения при снижении температуры окружающей среды.
Выходные напряжения измерительных делителей ИД1 и 14Д2 при фиксированных значениях С!^ пропорциональны средним значениям напряжений IIи и 11 й.
При изменении (увеличении) питающего напряжения выходные напряжения делителей несколько увеличиваются, благодаря чему повышается точность регулирования.
Регулировку выходного напряжения делителей ИД1 и ИД2 осуществляют переменными резисторами /?4 и /?#.
Формирователь опорного напряжения (ФОН) содержит резисторы Р21, Я22, конденсаторы СБ и С7, диоды У9 и У10; стабилитрон У2. ФОН подключен параллельно ИД1 на напряжение батареи к проводам 15И—30. Опорное напряжение 110 создается за счет прямого падения напряжения на диодах У9, У10 и обратного напряжения на стабилитроне У2. Резисторы Р21, Р22 выполняют роль балластных сопротивлений. Конденсатор С7 предназначен для сглаживания опорного напряжения, а конденсатор С6 является накопителем энергии для блокинг-генераторов БГ1 и БГ2.
Формирователь пилообразного напряжения ФПН2 содержит резисторы Р14, /?/<5, диоды У6, У8, конденсатор С5, а ФПН1 — резисторы Я13, Я15, диоды УЗ, У4, У5, У7, конденсатор С4. Формирование пилообразного напряжения £/„,, V а2 обеспечивается периодическим переключением конденсаторов С5 и С4 с заряда на разряд, осуществляемым с помощью диодно-резисторных цепей У6Я14 и У5-Р13, синхронизированных с входным переменным напряжением.
Заряд конденсатора С5 осуществляется по цепи: провод 15ЕА, резисторы Я10, /?<?, диод У8; С5; провод 30; а конденсатора С4 — по цепи: провод 15И; резисторы А,<5, Я5, диоды У4, У7, С4, провод 30. Разряд конденсатора С4 на сопротивление /?/5 происходит, когда заблокирован диод У7, в момент проводимости диодов VI, У4 и У5 (в полупериод питающего напряжения, когда плюс — на выводе 71 А). Конденсатор С5 разряжается на сопротивление /?/6\ когда заблокирован диод У8 в момент проводимости диодов У2 и У6 (в следующий
полупериод питающего напряжения, когда положительный потенциал — на выводе 71 Б).
Постоянные составляющие пилообразных напряжений пропорциональны подаваемым на вход формирователей напряжениям II&\ (Uб) и (Уд2 (£/„). Их рабочие (наклонные) участки имеют длительность, примерно равную половине периода, которая определяется параметрами цепочек С4—R15 и С5—R16.
Усилители У1 и У2 служат для сравнения пилообразного напряжения Uni с опорным напряжением U0, выявления сигнала рассогласования и его усиления. Усилитель У1 содержит транзисторы VI, V3, резисторы R17, R19, а усилитель У2 — транзисторы V2, V4, резисторы R18, R20. Они вырабатывают сигналы прямоугольной формы иу\ и Uy2, передний и задний фронты которых соответствуют моментам равенства пилообразного и опорного напряжений.
Блокинг-генераторы БГ1, БГ2 предназначены для формирования импульсов управления тиристорами Тт1 и Тт2. Блокинг-генератор БГ1 (БГ2) содержит транзистор V4, трансформатор ТрБ, резисторы R1...R3, конденсатор Cl, диоды V1...V3, стабилитрон V5. Получая выходные сигналы усилителей, блокинг-генераторы вырабатывают серии импульсов Uynpi и с/упр2 с несущей частотой 1000 Гц, так что начало и конец серии соответствуют моментам переключения усилителей.
Ограничитель тока заряда аккумуляторной батареи ОТ содержит трансформатор отсечки ТрО, расположенный вне блока БУР, мостовой выпрямитель V9, сглаживающий конденсатор СЗ, диод V3, делитель напряжения из резисторов Rll, R12. Ограничитель тока ОТ предназначен для ограничения начального тока заряда разряженных аккумуляторных батарей и защиты системы от перегрузки.
На рис. 235 приведены диаграммы, поясняющие принцип работы системы. В момент to и в сдвинутый на полпериода момент ?з отпираются диоды V6 и V5, что приводит к запиранию диодов V8 и V7. В результате начинается разряд конденсаторов С5 и С4 через резисторы R16 и R15. В моменты /3 и h при смене полярности питающего напряжения запираются диоды V6, V5 и конденсаторы С5, С4 заряжаются до первоначального уровня. Таким образом, на конденсаторах С5 и С4 формируется пилообразное напряжение Un2 и Uа\.
При изменении условий работы системы (величины нагрузки или питающего напряжения) изменяется средний уровень пилообразных напряжений Unl, U„2 (повышается или понижается).
В моменты t\ и t4, когда уровень пилообразного напряжения Uni и соответственно напряжения Un2 становится меньше опорного напряжения U0, транзисторы V2 и VI открываются, транзисторы V4 и V3 запираются. Это приводит к запуску блокинг-генераторов БГ1 и БГ2, которые формируют импульсы управления t/ynpi, Uy„p2 тиристорами Тт1 и Тт2.
Таким образом, в зависимости от среднего значения выпрямленного напряжения или напряжения батареи, величины питающего напряжения, тока нагрузки системы меняются моменты включения тиристоров Тт2 и Тт1 и углы их проводимости, обеспечивая тем самым стабилизацию средних значений выпрямленного напряжения цепей управления UH и напряжения заряда батареи U6.
При разряженных аккумуляторных батареях из-за низкого значения э. д. с. батареи среднее значение напряжения заряда может быть ниже уставки регулятора. В процессе заряда э. д. с. аккумуляторных батарей увеличивается и напряжение достигает уровня, обусловленного уставкой регулятора и температурой окружающего воздуха. При изменении температуры окружающей среды изменяется сопротивление терморезистора R23, что приводит к изменению уставки

Рис. 239. Зависимости конечного напряжения заряда аккумуляторной батареи от температуры окружающей среды
регулятора напряжения заряда батареи и обеспечивает автоматическую сезонную регулировку режима подзаряда. Так, с повышением температуры напряжение заряда аккумуляторной батареи (рис. 239) должно быть снижено. С увеличением температуры сопротивление терморезистора R23 увеличивается, вместе с ним повышается уровень напряжение Ua\ и Um, момент открытия тиристора Тт1 (момент времени t\) смещается вправо, так что конечное напряжение заряда батареи уменьшается.
При больших токах нагрузки, например в случае работы только одной установки после заправки электропоезда, увеличивается ток первичной обмотки трансформатора ТрР. С ростом тока /т, подаваемого с вторичной обмотки трансформатора тока ТрО на вход ограничителя тока ОТ, увеличивается выходное напряжение, снимаемое с резистора R11. При достижении током /т величины уставки ограничителя тока выходное напряжение U0T становится выше выходного напряжения делителя (/Д|, в результате чего открывается диод V3 и увеличивается постоянная составляющая пилообразного напряжения Uni. Это приводит к смещению момента t\ вправо, к уменьшению угла проводимости тиристора Тт1 и снижению средних значений напряжения и тока заряда батареи. Таким образом, обеспечивается ограничение тока, потребляемого установкой, за счет уменьшения тока заряда аккумуляторных батарей.
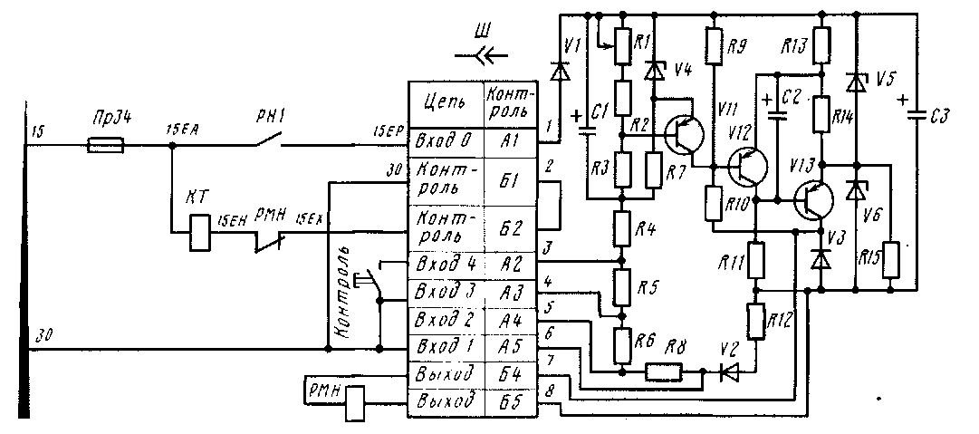
Защита от недопустимого повышения напряжения в цепях управления между проводами 15, 30 обеспечивается с помощью блока защиты БЗМН1 (рис. 240). Блок содержит измерительный делитель напряжения на резисторах R1...R6, R8, формирователь опорного напряжения на стабилитроне V4, усилитель на транзисторах V11...V13, подключенный к питающему делителю напряжения на резисторах R12, R13...R15 и стабилитронах V5, V6. Питающий делитель напряжения подключен к входной цепи через диоды VI, V2. Напряжение на резисторах R13...R15 сглажено конденсатором СЗ и стабилитронами V5, V6.
На вход блока через контакты Al, А5 штепсельного разъема подается напряжение питания цепей управления по цепи: провод 15, предохранитель Пр34, провод 15ЕА, замыкающий контакт реле напряжения РН1, провод І5ЕР, клемма А1, клемма А5, провод 30. Через контакты Б1, Б2 штепсельного разъема в цепь катушки КТ через размыкающий контакт РМН (провода 15ЕН—15ЕК) включена перемычка, соединяющая провода 15ЕК и 30, что позволяет контролировать включенное состояние штепсельного разъема.
В исходном состоянии напряжение входной цепи меньше уставки блока защиты и напряжение на резисторах Rl, R2 измерительного делителя меньше опорного напряжения на стабилитроне V4. Потенциал базы транзистора VII выше потенциала эмиттера, и транзистор VII закрыт, транзистор V12 открыт и конденсатор С2 разряжен, транзистор V13 закрыт, катушка реле РМН обесточена.
При увеличении входного напряжения свыше 120 В транзистор VII открывается и запирает транзистор V12. Конденсатор С2 начинает заряжаться от кон-
денсатора СЗ через резисторы R13, R11. По мере заряда конденсатора С2, когда напряжение на нем становится больше падения напряжения на резисторе R14, транзистор V13 открывается и катушка реле РМН получает питание от конденсатора СЗ через стабилитрон V6 и открытый транзистор V13. После включения реле РМН его размыкающий контакт разрывает цепь катушки контактора КТ, после чего теряет питание трансформатор ТрР. Реле РМН имеет механическую защелку и указательный флажок. Восстановить его можно вручную, с помощью штока, закрепленного на корпусе.
Конденсатор С2 в блоке БЗМН1 обеспечивает выдержку времени от 0,3 до 1 с и предотвращает ложное срабатывание защиты при кратковременном повышении напряжения в переходных режимах. Диод V3, шунтируя катушку реле РМН, защищает транзистор ТЗ от перенапряжений.
Проверку работоспособности блока осуществляют нажатием кнопки «Контроль», при этом в блоке закорачиваются резисторы R5, R6, R8, что приводит к снижению уставки защиты и срабатыванию блока.
Защита тиристоров и диодов от перенапряжений осуществляется с помощью цепочек RC. Цепь первичной обмотки ТрР от перегрузок и коротких замыканий защищена плавким предохранителем Яр/61, а анодные цепи тиристоров Тт1, Тт2 — предохранителями Пр45 и Пр46. Сигнальная лампа ЛС1 «Заряд» через балластный резистор R27 подключена к анодам тиристоров Тт1, Тт2 и контролирует наличие напряжения на тиристорах и целость предохранителей.
Аккумуляторная батарея от перегрузок защищена предохранителями Пр14, Пр15, а цепь параллельного соединения батарей (поездной провод 56) — предохранителем ПрЗб (см. рис. 233). Входные цепи блоков БУР, БЗМН (провод 15ЕА) защищены предохранителем Пр34, а цепь питания блока ускоренного отключения ВВ (секционный провод 22) — предохранителем ПрЗЗ.
Сигнализация о работе системы осуществляется лампой «Заряд», расположенной на блоке 1.БА.169 и лампой «Зарядный агрегат», расположенной на пульте в кабине машиниста. При работающих установках после заправки электропоезда горит лампа «Заряд», а лампа «Зарядный агрегат» гаснет. При отключении одной из установок на соответствующем головном вагоне размыкающим контактом реле напряжения РН1 включается лампа «Зарядный агрегат» и гаснет

Рис. 240. Электрическая схема блока защиты максимального напряжения БЗМН1
лампа «Заряд». Лампа «Заряд» гаснет также при сгорании плавких вставок предохранителей Пр45, Пр46.
Сигнальные лампы ЛСЗ и ЛС4 «Контроль изоляции» позволяют оценить состояние изоляции цепей управления электропоезда. Они подключены через балластные резисторы R32, R33 и контакты выключателя ВИ соответственно к проведай 15 и 30, а общей точкой 15 ЖВ — к корпусу.
При хорошем состоянии изоляции цепей управления лампы имеют одинаковый накал (правый и левый контакты ВИ включены). Слабое свечение лампы ЛС4 свидетельствует о пониженном сопротивлении изоляции провода 30 или подключенных к нему проводов с отрицательным потенциалом. А слабое свечение лампы ЛСЗ свидетельствует о пониженном сопротивлении провода 15 или подключенных к нему проводов с положительным потенциалом. Полное погасание одной из ламп свидетельствует о наличии замыкания на корпус в цепях управления.
В процессе заправки электропоезда при включении рубильников батареи БР питание цепей управления осуществляется от аккумуляторных батарей через размыкающий контакт 15-15И (56-15 на прицепных вагонах) контактора БК. При наличии напряжения на проводе 15ЕА через размыкающий контакт реле РМН включается контактор КТ, который подключает первичную обмотку трансформатора к источнику переменного напряжения 220 В. Если напряжение питания выше 185 В, срабатывает реле РН1 и своим замыкающим контактом 15ЕА-15ЕЛ через резистор R31 подает питание на поездной провод 20, к которому подключены параллельно все катушки контакторов БК. Если работает хотя бы одна установка, все контакторы БК включены и все аккумуляторные батареи работают в режиме заряда от одной установки.
После снятия переменного напряжения на обоих головных вагонах реле РН1 отключаются, провод 20 теряет питание, контакторы БК отключаются и переводят питание цепей управления от аккумуляторных батарей.
При недопустимом повышении напряжения в цепях управления срабатывает блок БЗМН1, который включает реле РМН. Оно своим размыкающим контактом 15ЕК-15ЕН отключает контактор КТ, в результате1 чего трансформатор ТрР и реле РН1 теряют питание. Для восстановления защиты необходимо возвратить реле РМН в исходное положение, после чего включится контактор КТ.
В рассмотренной схеме величину напряжения на батарее и в цепях управления контролируют с помощью вольтметра V и переключателя вольтметра ПВ. В положении переключателя «Выпрямитель» вольтметр показывает напряжение цепей управления поезда (напряжение между проводами 15ЕА-30), а в положении «Батарея» — напряжение заряда батареи (при включенном рубильнике БР) или ее э. д. с. (при отключенном БР). При неработающих выпрямительных установках и включенном рубильнике БР вольтметр в положении переключателя «Батарея» показывает напряжение батареи во время ее разряда на цепи управления. Ток батареи контролируется амперметром As, а ток нагрузки выпрямителя — амперметром Ас.
Питание устройств АЛС при наличии переменного напряжения осуществляется от преобразователя 50 В. При этом отсутствует гальваническая связь цепей АЛС с потребителями постоянного напряжения электропоезда 110 В.
Преобразователь 50 В содержит (см. рис. 233): понижающий разделительный трансформатор ТрП, выпрямитель Д4...Д7, переключатель резервного питания и фильтр, состоящий из дросселя ДЛС и конденсатора С2. Трансформатор ТрП через предохранитель Пр47 подключен к проводам 61 и 62 на напряжение 220 В.
К вторичной обмотке трансформатора через балластный резистор R35 подключена сигнальная лампа ЛС2 «Напряжение 50 В». От этой же обмотки через балластный резистор R34, катодную группу выпрямителя Д6—Д7 и анодную группу дополнительного выпрямителя запитывается реле РН2.
При подаче переменного напряжения реле РН2 включается и своими размыкающими контактами 78Д-78Х, ЗОЯ-30 разрывает цепь питания АЛС от аккумуляторной батареи. Питание устройств АЛС при этом осуществляется от выпрямителя через контакты ПрП и сглаживающий дроссель. При этом горит сигнальная лампа «Выпрямитель 50 В».
При снятии переменного напряжения реле РН2 отключается и своими контактами подключает устройства АЛС к выводу 50 В (провод 78Г) аккумуляторной батареи.
При выходе из строя стабилизатора переменного напряжения 220 В, трансформатора ТрП или выпрямителя Д4-Д7 переключатель ПРП необходимо поставить в положение «Резерв». При этом устройства АЛС получают питание от аккумуляторной батареи от провода 78Г, диод Д2, размыкающий контакт реле РН2. Для отключения питания устройств АЛС на головном вагоне в хвосте поезда переключатель ПРП необходимо установить в нулевое положение.
Другие потребители напряжением 50 В в режиме заряда аккумуляторной батареи питаются от вывода 78Б батареи через предохранитель Пр31, замыкающий контакт 78В-78Г контактора батареи БК- При работе аккумуляторной батареи в режиме разряда питание потребителей осуществляется от вывода 78А через предохранитель Пр39 и контакт 78Ж-78Г контактора БК- Диод Д1 служит для беспрерывного питания потребителей в момент переключения контактов контактора БК-
|
|