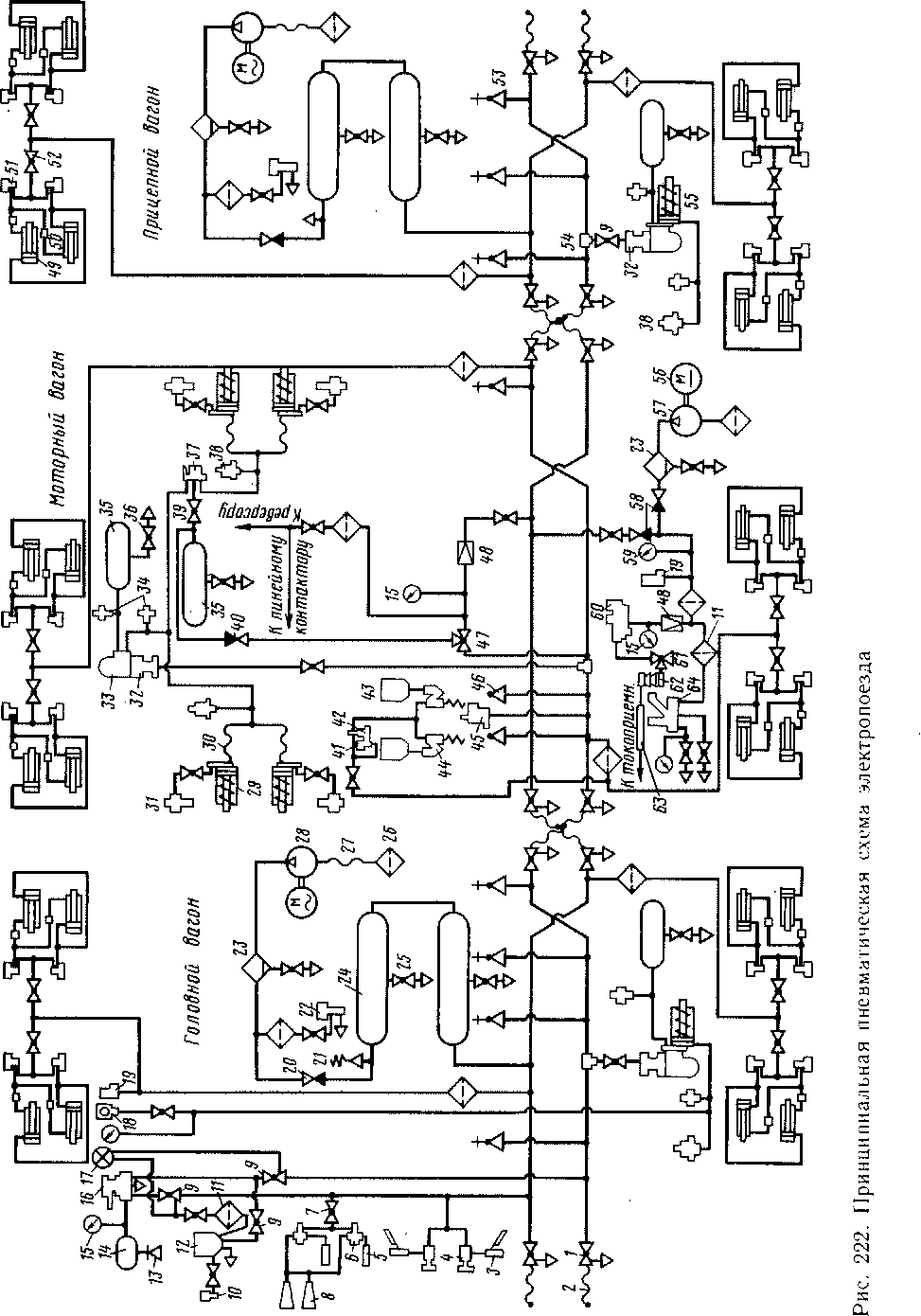
Принципиальная пневматическая схема электропоездов приведена на рис. 222. Обозначения аппаратов даны в приложении 2.
На вагонах электропоезда проложены два трубопровода — тормозная и питательная магистрали, заканчивающиеся концевыми кранами / и соединительными рукавами 2.
Тормозная магистраль питается сжатым воздухом из питательной магистрали через кран машиниста с контроллером 16. На трубопроводах, сообщающих кран машиниста с питательной и тормозной магистралями, установлены краны двойной тяги 9.
Кран машиниста при поездном положении ручки поддерживает в тормозной магистрали заданное давление; этой же ручкой осуществляется управление электропневматическими и пневматическими тормозами электропоезда.
От тормозной магистрали на каждом вагоне имеются ответвления:
через тройник 54 к воздухораспределителю 32. На этом трубопроводе установлен разобщительный кран 9. В качестве разобщительного крана использован кран двойной тяги, у которого имеющееся в корпусе отверстие с резьбой 1 /4" закрыто резьбовой пробкой;
к стоп-кранам 46 и 53, установленным в тамбурах, пассажирских салонах и кабинах машиниста. Стоп-краны предназначены для возможности экстренного торможения без участия машиниста;
на моторном вагоне к трехходовому крану 47 и пневматическому выключателю управления 45. Пневматический выключатель управления замыкает электрическую цепь при достижении в тормозной магистрали давления 0,4—0,42 МПа (4—4,2 кгс/см2) и разрывает электрическую цепь при снижении давления до 0,29—0,28 МПа (2,9—2,8 кгс/см2);
на головном вагоне к электропневматическому клапану автостопа 12 через разобщительный кран 9, в котором закрыто отверстие 1,4".
От питательной магистрали на головном и прицепном вагонах выполнены ответвления к главным резервуарам 24 вместимостью 170 л каждый и к дверным механизмам, на головном вагоне — к регулятору давления 19. Регулятор давления 19 обеспечивает автоматическое выключение электрокомпрессоров 28 при достижении в напорной магистрали давления сжатого воздуха 0,8 МПа (8 кгс/см2) и включение их при снижении давления до 0,65 МПа (6,5 кгс/см2).
На головном вагоне, кроме этого, имеются отводы через разобщительный кран и фильтр 11 к электропневматическому клапану автостопа 12, к кранам 4 стеклоочистителей и через разобщительный кран 7 к клапанам 6 звуковых сигналов. На моторном вагоне — отвод через разобщительный кран и редуктор 48 к трехходовому крану 47. От трубопровода за редуктором выполнен отвод для питания электропневматических аппаратов сжатым воздухом. Для возможности регулирования редуктора установлен манометр 15.
Для наблюдения за давлением в уравнительном резервуаре и тормозном цилиндре головного вагона установлены два манометра 15, а для наблюдения

за давлением в питательной и тормозной магистралях — двухстрелочный манометр 17, красная стрелка которого показывает давление в питательной магистрали, а черная стрелка — в тормозной.
Кран машиниста контроллером 16 сообщен с уравнительным резервуаром 14 емкостью 20 л, имеющим пробку 13. Электропневматический клапан автостопа 12 сообщен с включающим вентилем 10. Включающий вентиль обеспечивает автоматическое действие пневматических тормозов в случае разрыва электрической цепи электропневматического тормоза при перемещении ручки крана машиниста в положение электропневматического торможения (положения УА, У и VI).
Для питания сжатым воздухом всей пневматической системы электропоезда на головном и прицепном вагонах установлены электрокомпрессоры воздушные 28. Электрокомпрессор рукавом 27 сообщен с фильтром 26, через который происходит всасывание атмосферного воздуха. Нагнетание сжатого воздуха осуществляется по трубопроводу, по которому сообщается электрокомпрессор с первым главным резервуаром 24. На этом трубопроводе установлен маслоотделитель 23, имеющий водоспускной кран для выпуска конденсата, а также обратный клапан 20. Кроме того, на отводах от нагнетательного трубопровода установлен предохранительный клапан 21 и выключающий вентиль 22.
При повышении давления в питательной сети выше установленного в случае какой-либо неисправности регулятора давления (его электрической или пневматической цепи) срабатывает предохранительный клапан 21, который регулируется на давление 0,85—0,86 МПа (8,5—8,6 кгс/см2).
С помощью выключающего вентиля 22 обеспечивается выпуск сжатого воздуха из напорного трубопровода (от электрокомпрессора до обратного клапана 20) в целях облегчения запуска электрокомпрессора. Для выпуска конденсата на главных резервуарах установлены краны 25.
На каждом вагоне электропоезда установлены воздухораспределители 32 и электровоздухораспределители 33. На головном и прицепном вагонах камера электровоздухораспределителя укреплена непосредственно на фланце задней крышки тормозного цилиндра 55. Воздухораспределитель трубопроводом сообщен с запасным резервуаром 35 вместимостью 78 л, имеющим водоспускной кран 36. На этом трубопроводе установлен выпускной одинарный клапан 34.
На моторном вагоне тормозной канал камеры электровоздухораспределителя сообщен трубопроводом и далее через рукава 30 с тормозными цилиндрами 29 одной тележки и с реле давления 37, которое в свою очередь через разобщительный кран 39 сообщено с питающим резервуаром 35 вместимостью 78 л и через рукава — с тормозными цилиндрами второй тележки.
Таким образом, на моторном вагоне тормозные цилиндры одной тележки обслуживаются непосредственно электровоздухораспределителем или воздухораспределителем, а тормозные цилиндры второй тележки обслуживаются реле давления 37, которое поддерживает в них такое же давление, как в тормозных цилиндрах первой тележки.
На трубопроводе от камеры электровоздухораспределителя к реле давления (на моторном вагоне) и на отводе от тормозного цилиндра (на головном и при: цепном вагонах) установлен второй выпускной одинарный клапан 34. На этом же отводе от тормозного цилиндра на головном и прицепном вагонах установлен сигнализатор отпуска тормозов 38, а на головном вагоне, кроме того, этот отвод сообщен с манометром 15 и скоростемером 18. На моторном вагоне сигнализаторы отпуска тормозов установлены на трубопроводах, идущих к тормозным цилиндрам каждой тележкц.
Резервуар 35 питается сжатым воздухом из питательной магистрали через редуктор 48 и обратный клапан 40. При следовании вагонов в недействующем состоянии, когда в питательной сети отсутствует сжатый воздух, питание реле давления 37 осуществляется из тормозной магистрали через трехходовый кран 47, который предварительно должен быть переключен в соответствующее положение.
На моторном вагоне тормозные цилиндры сообщены с регуляторами выхода штока 31, действующими от сжатого воздуха тормозных цилиндров и обеспечивающими автоматическое регулирование рычажной передачи в пределах заданных норм выхода тормозного цилиндра.
Для централизованного открывания и закрывания наружных раздвижных дверей на каждом вагоне установлены дверные цилиндры 49, полости которых со стороны задних концов сообщены попарно непосредственно с включающим вентилем 51, а полости передних концов сообщены с таким же включающим вентилем через регулировочные вентили 50. Включающие вентили 51 сообщены с питательной магистралью через фильтр и разобщительный кран 52. Регулированием вентилей 50 обеспечивается одновременность открывания и закрывания дверей.
На головном вагоне установлены звуковые сигналы: свисток 5 малой звуковой мощности и тифон 8 большой звуковой мощности. Звуковые сигналы сообщены с клапаном 6. При легком нажатии на педаль этого клапана сжатый воздух поступает к одному из свистков, а при более сильном нажатии — в тот же свисток и оба тифона. Для очистки лобовых стекол на головном вагоне установлены стеклоочистители 3, сообщенные с кранами 4.
При отсутствии сжатого воздуха в питательной магистрали обеспечение сжатым воздухом привода токоприемника и воздушного выключателя 63 осуществляется вспомогательным компрессором 57, приводимым в действие электродвигателем 56, который питается от аккумуляторной батареи. Компрессор засасывает воздух через фильтр и нагнетает его через маслоотделитель 23, обратный клапан 58 и далее через фильтр по двум направлениям: через фильтр 11 к воздушному выключателю 64, через редуктор 48 — к клапану токоприемника 60.
Из клапана токоприемника через трехходовый кран 61, покрышку 62 и рукав токоприемника 64 сжатый воздух поступает к токоприемнику.
Автоматическое включение и выключение вспомогательного компрессора 57 осуществляется регулятором давления 19. Для обеспечения его регулировки установлен манометр 59, а для обеспечения регулировки редуктора 48 служит манометр 15. После того как электрокомпрессоры 28 повысят давление в напорной сети выше 0,65 МПа (6,5 кгс/см2), дальнейшее питание пневматического привода токоприемника и воздушного выключателя осуществляется из напорной магистрали через обратный клапан 58.
Моторный вагон оборудован системой пескоподачи. Для хранения песка установлены два бункера 43 (правый и левый), сообщенные трубопроводом с форсунками 44. Сжатый воздух к форсункам поступает из питательной магистрали через электропневматический клапан 42, управляемый включающим вентилем 41.
|
|