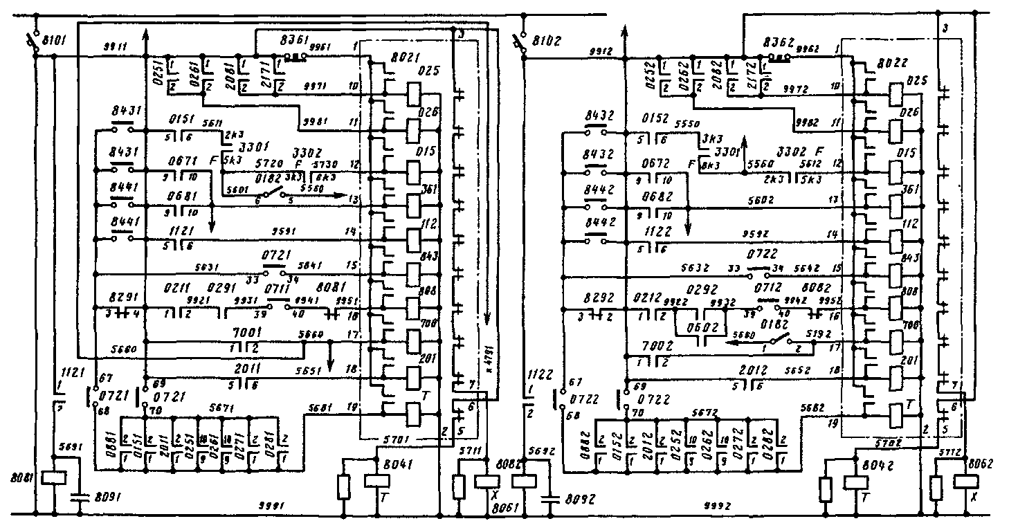
Сигнальные реле получают питание через АЗВ 8/0 от провода 99/.
Цепь сигнального реле 025 на электровозах №' 111 — 150 (рис. 32): блок-контакты / — 2 теплового реле 208 мотор-компреееора или блок-контакты / —2 теплового реле 2/7 мотор-вентилятора, замыкающиеся при срабатывании теплового реле, провод 997, катушка сигнального реле 025, провод 999.
На электровозах до № 111 катушка сигнального реле 025 получает питание через блок-контакты РП 025; блок-контакты TP 208 и TP 2/7 в цепи катушки отсутствуют (см. рис. 33 на вкладке).
На электровозах с№ 151 установлено сигнальное реле 0251026, катушка которого получает питание через блок-контакты / — 2 РП 025 или РП 026. После включения реле 025 его обратные блок-контакты разрывают цепь питания катушки реле защиты 806, вызывая

Рис. 32. Цепи сигнальных реле табло 802 на электровозах № 76 — 210
его отключение. Прямые блок-контакты сигнального реле 025 обеспечивают самопитанис катушки реле по цепи: провод 991, контакты кнопки 836 отключения сигнального реле, провод 996, прямые блок-контакты реле, катушка сигнального реле 025.
Сигнальное реле 026 на электровозах № 111 — 150 получает питание через блок-контакты / — 2 РП 025 или РП 026 (см. рис. 32), на электровозах до № 111 — через блок-контакты РП 026.
Сигнальное реле 015 табло 8021 получает питание по цени: блок-контакты 5 — 6 ДР 0151, провод 5611, блок-контакты 2 кз — 5 кз реле F, ПБК 3301, замкнутые (при отключенном реле F) на всех позициях, кроме 21-й переходной позиции, провод 5720, блок-контакты 3 кз — 6 кз реле F ПБК 3302, провод 5730, катушка сигнального реле 015. Цепь сигнального реле 015 табло 8022 аналогична.
На электровозах с № 151 катушки сигнальных реле 015 в обеих секциях получают питание только от АЗВ 8101
Сигнальное реле 361 на электровозах до № 151 получает питание через блок-контакты 9 — 10 РБ 067 или РБ 068, замыкающиеся при срабатывании 2-го якоря РБ, или через блок-контакты 2—3 реле 361.
На электровозах с № 151 данное сигнальное реле на табло 802 получило обозначение 0671068.
Сигнальное реле 112 получает питание через блок-контакты 5 — 6 РН 112, замыкающиеся при срабатывании 2-го якоря РН.
Сигнальное реле 843 получает питание через замкнутые блок-контакты 3 — 4 реле 829, провод 563, контакты 33 — 34 переключателя "X — Т" 072, замыкающиеся в положении "Ход", или через замкнутые блок-контакты плавких вставок ПТР 843, 844
Сигнальное реле 8081 получает питание через прямые блок-контакты БВ 0211 и ЛК 0291, контакты переключателя "X — Т" 0711 и обратные блок-контакты реле 8081.
Сигнальное реле 8082 получает питание через прямые блок-контакты БВ 0212 и Л К 0292 или соединенные параллельно с ними прямые блок-контакты ЛК 0602, контакты переключателя "X — Т" 0712, обратные блок-контакты реле 8082.
Сигнальное реле 700 получает питание через блок-контакты / — 2 РП 700. Сигнальное реле 7001 получает также питание на С соединении при срабатывании любого бленкерного сигнализатора во 2-й секции. Цепь питания катушки сигнального реле 7001 в этом случае следующая: АЗВ 476 (см. рис. 30); блок-контакты 85 — 86 ПБК 330, обратные блок-контакты реле 8062 и контактора 4791, провод 5660.
Сигнальное реле 201 получает питание через блок-контакты 5 — 6 ДР 201, провод 565 (см. рис. 32).
Сигнальное реле Т получает питание по цепи: провод 99/, блок-контакты 69—70 переключателя "X — Т" 072, замыкающиеся в положении "Тормоз", и какие-то из включенных параллельно блок-контактов реле 015, 201, 025, 026, 027, 028. Катушка сигнального реле Т может
также получить питание через блок-контакты плавких вставок ПТР 843, 844 или блок-контакты реле 829 и блок-контакты 67 — 68 переключателя "X — Т" 072.
На электровозах с № 151 добавлено сигнальное реле 2081217, получающее питание при срабатывании TP 208 или TP 217.
На электровозах с № 76 при постановке переключателя 0182 в по ложение "Авария БВ" цепь питания катушки сигнального реле 015 табло 8021 1-й секции через провод 6601, блок-контакты 6 — 5 переключателя 0182, провод 5560 соединяется с цепью питания катушки сигнального реле 015 табло 8022 2-й секции. На электровозах с № 41 через провод 5660 и блок-контакты / — 2 переключателя 0182, замкнутые в положении "Авария БВ", оказываются связанными цепи питания катушек сигнальных реле 700 обеих секций. Таким образом, при срабатывании ДР 015 или РП 700 на какой-либо секции срабатывают одновременно сигнальные реле 015 или 700 на обеих секциях. На электровозах до №41 одновременное срабатывание сигнальных реле 700 в обеих секциях может произойти только в случае срабатывания РП 7001 при условии, что переключатель 0182 находится в положении "Авария БВ".
Для отключения одновременно сработавших на обеих секциях сигнальных реле 700 или 015 надо отключить АЗВ 810 на головной секции, нажать на кнопку 836 в задней секции, включить АЗВ 810 на головной секции и нажать на кнопку 836 в головной секции либо вместо всего указанного выше одновременно нажать на кнопки 836 в обеих секциях.
|
|