СТПР-1000 и СТПР-600, шкаф ПЧ и ЗУ М4, блок связи с МПСУ и Д (БС-СИ), два преобразователя напряжения ПНКВ, измерительный контроллер КИ ППУ.
Охлаждение аппаратуры — принудительное от встроенных в шкафы вентиляторов.
Для начала работы ПСН должны быть соблюдены следующие условия:
* подано низкое напряжение микропроцессорной части аппаратуры ПСН;
* входное напряжение составляет 2200... 4000 В.
После подачи низкого напряжения микропроцессорная часть каждого прибора ПСН проводит самодиагностику и по запросу из МПСУ и Д передает диагностический массив состояния аппаратуры. При положительном завершении самодиагностики и подаче команды из МПСУ и Д на подключение ПСН к высокому напряжению ПСН начинает работать.
Преобразователь собственных нужд выполняет следующие функции:
формирует и поддерживает в обмотках возбуждения двух последовательно соединенных ТД ток возбуждения по уставке, поступающей из МПСУ и Д по кодовой линии связи, измеренным значениям токов возбуждения и якоря ПСН (каналы 7, 8);
* управляет подключением ПЧ, подает трехфазное напряжение, регулируемое по частоте и амплитуде, на асинхронные вспомогательные машины (вентиляторы обдува ТД, компрессор) по уставкам, поступающим из МПСУ и Д по кодовой линии связи (каналы 1 — 3);
* запитывает преобразователь ПЧ системы микроклимата кабины и МВП (каналы 4 и 9);
* заряжает аккумуляторную батарею и подает питание в цепи управления и освещения (каналы 5 и 6);
собирает диагностическую информацию от приборов ПСН по кодовым линиям связи и передает ее в систему МПСУ и Д.
Чтобы собирать диагностическую информацию, в ПСН организованы две внутренние магистральные кодовые линии связи по интерфейсу RS-485. Для этого используют два блока БС-ПС (на базе блоков БС-СИ), которые:
/- собирают диагностическую информацию от абонентов магистралей — приборов ПСН;
г формируют диагностические массивы и выдают их по запросу из МПСУ и Д;
г принимают управляющую информацию от МПСУ и Д (уставки, команды включения-выключения) и передают ее в соответствующий прибор ПСН.
Шкаф защиты обеспечивает активное подавление высоковольтных помех, содержащихся во входном напряжении 3 кВ, отключение аппаратуры ПСН от контактной сети с выдачей дискретного сигнала в МПСУ и Д при существенном повышении напряжения контактной сети. Тем самым сохраняется работоспособность всей аппаратуры.
Понижающий регулятор РН-3000 установлен в ПСН-200. Из комплекта ПСН-210-3 он исключен. Устройство РН-3000 представляет собой понижающий регулятор постоянного напряжения и обеспечивает на выходе напряжение постоянного тока, среднее значение которого 1000 В (±10 %).
Статический преобразователь СТПР-1000 для ПСН-200 преобразует:
s входное напряжение 1000 В в прямоугольное напряжение амплитудой 500 В, частотой 500 Гц;
•/ прямоугольное напряжение в постоянное напряжение 150 В;
S прямоугольное напряжение в напряжение с управляемым значением тока для питания обмоток возбуждения ТД.
В преобразователе ПСН-210-3 статический преобразователь СТПР-1000 выполняет иные функции:
s преобразовывает напряжение контактной сети в напряжение с управляемым значением тока для питания обмоток возбуждения ТД;
^ формирует резервный тракт питания с выходным напряжением 600 В.
Статический преобразователь СТПР-600 для ПСН-200 преобразует постоянное входное напряжение 1000 В в напряжение постоянного тока 600 В для питания преобразователей частоты. Комплект аппаратуры СТПР-600 для устройства ПСН-210-3 преобразует постоянное входное напряжение 3000 В в напряжение постоянного тока 600 В для питания преобразователей частоты и системы микроклимата кабины машиниста. Чтобы соблюдался температурный режим, в СТПР-600 размещены два вентилятора обдува с напряжением питания 110 В.
Шкаф ПЧ и ЗУ для ПСН-200 обеспечивает:
■ питание вентиляторов обдува ТД и турбокомпрессора. Для решения этой задачи в шкафу размещены три преобразователя частоты А1 — АЗ мощностью 30 кВт, преобразующие постоянное напряжение 600 В в регулируемое по частоте и амплитуде напряжение 380 В, 50 Гц;
■ снабжение электроэнергией аппаратуры системы микроклимата и ряд требуемых выходных напряжений.
К числу последних относят выход с регулируемым по частоте и амплитуде напряжением 380 В, 50 Гц для питания кондиционера; пять выходов соответствующей мощности напряжением 220 В, 50 Гцдпя питания МВП, калориферов и тепловентиляторов, тепловых панелей и кондиционера. Заряд аккумуляторной батареи обеспечивается двумя блоками А18, А19. Питание потребителей 110В выполняют три блока ограничителя напряжения 110В.
ЦЕПИ ПИТАНИЯ ПСН-200 И ДВИГАТЕЛЕЙ ВСПОМОГАТЕЛЬНЫХ МАШИН
Напряжение питания 50 В подается после включения источников питания ИП-ЛЭ 110/50 В и автоматических выключателей ПСН (каналы 1 и 2). При этом запитываются все аппараты, управляющие ПСН. Подача высокого напряжения на комплект ПСН осуществляется автоматически при включении БВ. Проконтролировать выполнение процесса можно по сигналу «Готовность ПСН», появившемуся на мониторе пульта ПУ-Эл.
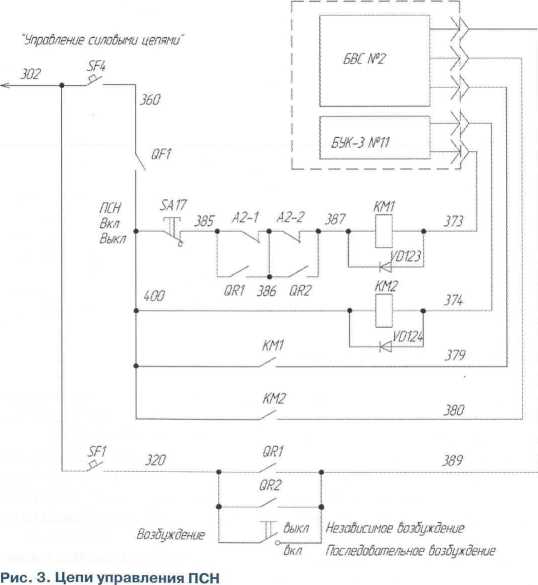
Для подачи напряжения 110 В в цепи управления ПСН необходимо включить автоматический выключатель SF4 («Управление силовыми цепями»), расположенный на панели автоматов в шкафу МПСУ и Д. Напомню, что включением ПСН управляет система МПСУ и Д. Через 3 с после выключения контактора КМ17 (цепь БВ) включается контактор КМ1 (1-я ступень пуска ПСН) по цепи (рис. 3): провод 302 (+110 В), контакт автоматического выключателя SF4, провод 360, контакт вспомогательного контакта БВ QF1, провод 400, контакт тумблера SA17 «ПСН» (положение «Вкл.»), провод 385, контакт реле А2-1 (РН-3000-1), провод 386, контакт реле А2-2 (РН-3000-2), провод 387, катушка электромагнитного контактора КМ1, провод 373, БУК-3 №11, провод 600 (минус).
Контактор КМ1 включается и замыкает свой силовой контакт в цепи питания ПСН 3 кВ (рис. 4). Через 2 с система МПСУ и Д выдает команду на включение контактора КМ2 (2-я ступень пуска ПСН), шунтирующего пусковой резистор R11 в цепи питания ПСН. Если через 1 с после включения КМ2 не появляется сигнал «Контроль ПСН», то контакторы КМ1 и КМ2 выключаются. Повторное вклю-
МПСУиЛ
