ТЯГОВАЯ СЕТЬ АВТОМАТИЗИРОВАНА


Требование отключать короткие замыкания (к.з.) в тяговой сети с нулевой выдержкой времени, чтобы снизить вероятность пережога контактной сети, предопределило внедрение постов секционирования (ПС) и пунктов параллельного соединения (ППС) на управляемых разъединителях. За многие десятилетия работы эти устройства доказали свою надежность при секционировании контактной сети.

После создания интеллектуальных терминалов защиты, автоматики и управления электроснабжением тяговой сети «ИнТер» появилась возможность полностью автоматизировать работу коммутационных аппаратов в аварийных ситуациях. Предлагаем вниманию читателей статью, в которой рассмотрены пути реализации новых функциональных возможностей автоматики «ИнТер» для управления ПС и ППС. Уверены, что опыт Горьковской дороги по интеллектуализации процессов тягового электроснабжения будет полезен специалистам в области электрификации сети дорог переменного тока.

Посты секционирования контактной сети. Северный ход Горьковской дороги, насчитывающий свыше 1000 км двухпутных линий, практически весь оборудован ПС и ППС контактной сети переменного тока на управляемых разъединителях. Аналогичные ПС установлены и на других дорогах страны. Их многолетняя работа доказала технико-экономическую эффективность такого оборудования. Более того, не было ни одного повреждения, ни одного случая травмирования обслуживающего персонала.

Перечислим преимущества ПС:

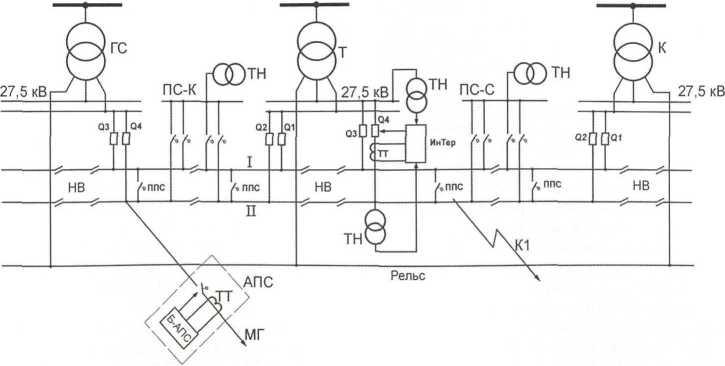
110 кВ    110    кВ    110    кВ

Рис. 1. Участок тяговой сети переменного тока Горький-Сортировочный — Тарасиха — Керженец


□ вся межподстанционная зона отключается защитами практически с нулевой выдержкой времени, что обеспечивает большую вероятность отсутствия пережогов контактной сети при коротких замыканиях (к.з.);

□    упростились схемы и конструкции ПС и ППС, что снизило затраты на эксплуатацию и обеспечило повышенную надежность оборудования. Такие ПС и ППС относятся к малообслу-живаемым электроустановкам;

□    значительно снижены капитальные затраты.

Ссылка на нулевую выдержку времени защит требует некоторых пояснений. В соответствии с «Руководящими указаниями по релейной защите систем тягового электроснабжения» №ЦЭТ-29 неселективная защита сети с ПС на разъединителях формируется путем установки нулевой выдержки времени на всех защитах межпод-станционной зоны. Однако многолетний опыт специалистов Горьковской дороги показал, что защиты, отключающие дальние к.з., т.е. у смежной подстанции, при неселективном способе должны иметь не нулевую выдержку времени, а 0,3 с, чтобы отстроиться от к.з. на станции и на линиях системы «два провода — рельс» (ДПР). На наш взгляд, это новое решение должно быть отражено в руководящих указаниях.

На рис. 1 показаны две межподстанци-онные зоны с ПС и ППС участка Горький-Сортировочный — Тарасиха — Керженец (ГС

— Т — К). Если произойдет к.з. в зоне Т — К (К1), то на тяговой подстанции Т отключаются с нулевой выдержкой времени выключатели Q3 и Q4, а на подстанции К — Q1 и Q2. Затем в бес-токовую паузу с выдержкой времени (обычно

Рис. 2. Установка трансформатора напряжения ТН-27,5 кВ на фидере контактной сети


1 с) дается команда на отключение всех разъединителей ПС и ППС межподстанционной зоны Т — К. Далее включаются все четыре выключателя тяговых подстанций этой зоны и повторно отключается тот выключатель, в зоне которого произошло устойчивое к.з. Управляемые разъединители поста и пунктов включает энергодиспетчер по телеуправлению после нормализации аварийной обстановки.

По такому алгоритму работают все межпод-станционные зоны с ПС на разъединителях. Однако известно, что устойчивые к.з. составляют менее 10 % от числа всех повреждений. Поэтому естественно желание при проходящих к.з. (например, во время грозы, к.з. в электровозах, перекрытиях изоляции контактной сети по различным причинам и др.) не отключать ПС и ППС.

Рассмотрим на примере конкретного участка тяговой сети системы 25 кВ возможности интеллектуальных терминалов «ИнТер» с новыми многофункциональными алгоритмами работы автоматического повторного включения (АПВ) для совершенствования системы тягового электроснабжения с ПС на разъединителях. В интеллектуальные устройства добавлена функция определения наличия (отсутствия) к.з. в отключенной контактной сети путем измерения остаточного напряжения (генерируемого фазо-расщепителем электроподвижного состава в режиме выбега) и наведенного напряжения от контактной сети соседнего пути и (или) от ДПР.

Чтобы реализовать указанную функцию, в ячейку выключателя фидера № 4 тяговой подстанции Тарасиха установили трансформатор напряжения ТН-27,5 кВ (рис. 2), который подключен через высоковольтный предохранитель к питающей линии контактной сети. Его задача - измерение остаточного или наведенного напряжения после аварийного отключения выключателя фидера №4. Таким образом, с помощью «ИнТер» на выключателе Q4 формируется следующий алгоритм работы автоматики электроснабжения на межподстанционной зоне Тарасиха — Керженец.

При к.з. в точке К1 отключаются четыре выключателя на тяговых подстанциях. Затем замеряется остаточное напряжение с помощью трансформатора напряжения ТН. Если к.з. проходящее, то дается разрешение на быстродействующее АПВ Q4 (БАПВ со временем 0,5 с).

41



10  11  12  13  14  15  16  17  18  19  20  21  22  23  24  25  26  27  28  29  30  31  32  33  34  35  36  37  38  39  40  41  42  43  44  45  46  47  48  49  50  51  52  53  54  55  56  57  58  59  60  61  62  63  64  65  66  67  68  69  70  71  72  73  74  75  76  77  78  79  80  81  82  83  84  85  86  87  88  89  90  91  92  93  94  95  96  97  98  99  100  101  102  103  104  105  106  107  108  109  110  111  112  113  114  115  116  117  118  119  120  121  122  123  124  125  126  127  128  129  130  131  132  133  134  135  136  137  138  139  140  141  142  143  144  145  146  147  148  149  150  151  152  153  154  155  156  157  158  159  160  161  162  163  164  165  166  167  168  169  170  171  172  173  174  175  176  177  178  179  180  181  182  183  184  185  186  187  188  189  190  191  192  193  194  195  196  197  198  199  200  201  202  203  204  205  206  207  208  209  210  211  212  213  214  215  216  217  218  219  220  221  222  223  224  225  226  227  228  229  230  231  232  233  234  235  236  237  238  239  240  241  242  243  244  245  246  247  248  249  250  251  252  253  254  255  256  257  258  259  260  261  262  263  264  265  266  267  268  269  270  271  272  273  274  275  276  277  278  279  280  281  282  283  284  285  286  287  288  289  290  291  292  293  294  295  296  297  298  299  300  301  302  303  304  305  306  307  308  309  310  311  312  313  314  315  316  317  318  319  320  321  322  323  324  325  326  327  328  329  330  331  332  333  334  335  336  337  338  339  340  341  342  343  344  345  346  347  348  349  350  351  352  353  354  355  356  357  358  359  360  361  362  363  364  365  366  367  368  369  370  371  372  373  374  375  376  377  378  379  380  381  382  383  384  385  386  387  388  389  390  391  392  393  394  395  396  397  398  399  400  401  402  403  404  405  406  407  408  409  410  411  412  413  414