СЦБИСТ - железнодорожный форум, блоги, фотогалерея, социальная сеть

СЦБИСТ - железнодорожный форум, блоги, фотогалерея, социальная сеть (https://scbist.com/)
-   Поиск документации (https://scbist.com/poisk-dokumentacii/)
-   -   «Электрический обогрев контактной системы стрелочных электроприводов», ТО-144 (https://scbist.com/poisk-dokumentacii/501-elektricheskii-obogrev-kontaktnoi-sistemy-strelochnyh-elektroprivodov-144-a.html)

Вы просматриваете версию для печати. Если вы хотите увидеть статью полностью - перейдите по ссылке

Legon 17.05.2009 16:42

«Электрический обогрев контактной системы стрелочных электроприводов», ТО-144
 
`

SPICE 22.07.2009 18:18

тоже ищу

spice добавил 22.07.2009 в 18:18
Или выложите схему ТЯ с трансформаторами электрообогрева, очень интересуют номиналы предохранителей на первичке трансформатора и от вторички к приводам.

sunserone 22.07.2009 18:32

Ну для этого не требуется ТО. Номиналы в первичной обмотке зависят от тока (кол-во стрелок от 1 до 5 макс ток если не ошибаюсь 1,83А. Поэтому до 4 стрелок можно поставить 2А при 5 - 3А), во вторичке при центральном питании преды не ставят, при местном в каждый прямой провод идущий на стрелку ставят 1А, в общий обратный 1А умноженный на кол-во стрелок, обогреваемых от транса.

Фикс 23.07.2009 09:16

Кажется расчет есть в МРЦ-13...

MikeG 23.07.2009 09:35

«Электрический обогрев контактной системы стрелочных электроприводов», ТО-144
Скачать

SPICE 23.07.2009 10:13

Цитата:

Сообщение от sunserone (Сообщение 3090)
Ну для этого не требуется ТО. Номиналы в первичной обмотке зависят от тока (кол-во стрелок от 1 до 5 макс ток если не ошибаюсь 1,83А. Поэтому до 4 стрелок можно поставить 2А при 5 - 3А), во вторичке при центральном питании преды не ставят, при местном в каждый прямой провод идущий на стрелку ставят 1А, в общий обратный 1А умноженный на кол-во стрелок, обогреваемых от транса.

ТО для этого нужно. В ящике ПЯ-1 сб.4 15 клемм-двуштырок, если напихать столько предов(в идеале 10 обогреваемых стрелок), где разделывать кабель? 4 преда на первичке, 10 предов в прямых проводах+2 общих, выходит уже 16... И где разделывать обратный провода на каждую стрелку, их же не кинешь все 5 на одну клемму?

sunserone 23.07.2009 11:56

Я за свою жизнь не видел включение обогрева от местного источника, поэтому как правило во вторичке предов нет.

Суховерша Алексей 17.03.2014 16:42

Я бы эти два сопротивления зелёненькие на крышку электропривода крепил над контактами. Проводки под разъём.

scbsvekruha 12.07.2022 13:57

Цитата:

Сообщение от Фикс (Сообщение 3092)
Кажется расчет есть в МРЦ-13...

Проглядел - нет расчета. Кто подскажет как быть? Смысл ясен, но возможно есть рекомендации.:raD:

КОПЧЕНЫЙ 12.07.2022 14:54

Цитата:

нет расчета
расчет чего?

scbsvekruha 12.07.2022 15:02

Цитата:

Сообщение от КОПЧЕНЫЙ (Сообщение 380430)
расчет чего?

Предохранителей. Какие и куда ставить.:raD:

scbsvekruha добавил 12.07.2022 в 15:02
Цитата:

Сообщение от sunserone (Сообщение 3090)
Ну для этого не требуется ТО. Номиналы в первичной обмотке зависят от тока (кол-во стрелок от 1 до 5 макс ток если не ошибаюсь 1,83А. Поэтому до 4 стрелок можно поставить 2А при 5 - 3А), во вторичке при центральном питании преды не ставят, при местном в каждый прямой провод идущий на стрелку ставят 1А, в общий обратный 1А умноженный на кол-во стрелок, обогреваемых от транса.

Вот про это вопрос

Василич 12.07.2022 15:25

http://scbist.com/photoplog/images/5...e/1_DSC004.JPG

А вот номиналы предов не помню. Кажись 5А и 2А. :net:

КОПЧЕНЫЙ 12.07.2022 15:56

Цитата:

А вот номиналы предов не помню.
напряжение на вторичной обмотке маловато, по моему. резисторы по 56ом?

КОПЧЕНЫЙ добавил 12.07.2022 в 15:35
Цитата:

А вот номиналы предов не помню.
напряжение на вторичной обмотке маловато, по моему. резисторы по 56ом?

КОПЧЕНЫЙ добавил 12.07.2022 в 15:56
Цитата:

Какие и куда ставить.
рекомендаций со ссылкой на нормативный документ нет.
делаю так:
1. на посту после 15А на каждый луч предохранители в зависимости от тока в луче. (насколько помню ток через предохранитель не должен превышать 0,8 от номинала. при это должно обеспечиваться перегорание предохранителя при КЗ на дальнем конце кабеля.)
2 в ПЯ в первичной обмотке 10А, во вторичной на каждый привод в один провод 2А (в ТО-144 нарисовано 1А на стрелку, хотя ток на 1 привод может быть 26/28=0,93А), второй провод обычно объединяется с другими стрелками и там по сумме.


Цитата:

во вторичке при центральном питании преды не ставят
не понятно. почему?

scbsvekruha 12.07.2022 16:06

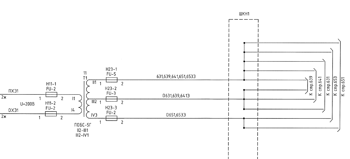
В качестве примера глянул проектную схему отвлеченного свежего проекта. Вопрос не столько в номиналах, а в наличии предохранителей во вторичной обмотке. Может указание какое выходило после ТО-144?:net:
http://scbist.com/scb/uploaded/173454_1657627390.png

Василич 12.07.2022 16:10

Цитата:

напряжение на вторичной обмотке маловато, по моему. резисторы по 56ом?
Не, 75. Методом научного тыка определил, что при наличии крышек оптимальное напряжение обогрева на сопротивлениях 19-21В и при -50 проблем с индевением контактов нет. При 22В крышки начинают плавиться. Если же без крышек, то конечно мало. Но видел обуглившиеся провода на сопротивлениях обогрева, это когда народ вваливал напряжение на обогреве по принципу - чем больше, тем лучше.


Часовой пояс GMT +3, время: 15:52.

Powered by vBulletin® Version 3.8.1
Copyright ©2000 - 2026, Jelsoft Enterprises Ltd. Перевод: zCarot


Яндекс.Метрика