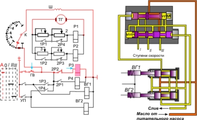
Электрогидравлическая САР тепловозов.
Электрогидравлическая система автоматического регулирования гидромеханической передачи обладает более высокой чувствительностью, быстротой действия, точностью работы, простотой монтажа и настройки и возможностью получения характеристики переключения ступеней скорости требуемой формы. Принципиальная схема такой двухимпульсной системы, примененной на опытных тепловозах ТГ100 и ТГМЗ, показана на рисунке.
![]() |
Сущность работы данной системы заключается в следующем. На каждой коробке
скоростей установлена двухимпульсная (золотниковая) распределительная коробка.
Передвижением золотников 5 (плунжеров) из одного крайнего положения в другое
обеспечивается подвод масла от питательного насоса на фрикционы 1, 2 и 3-й
передач. Команда на передвижение плунжеров подается с электрического блока
переключения через электрогидравлические вентили. Датчиком скорости движения
тепловоза является тахогенератор ТГ с приводом от промежуточного вала коробки
перемены передач. Таким образом, скорость вращения вала тахогенератора пропорциональна
скорости движения тепловоза. Питание независимой обмотки возбуждения тахогенератора
осуществляется от сети управления тепловоза. В цепь обмотки возбуждения последовательно
включено корректирующее сопротивление К, величина которого изменяется пропорционально
числу оборотов коленчатого вала дизеля. Таким образом, при повороте рукоятки
контроллера одновременно с изменением скорости вращения вала дизеля устанавливается
и величина корректирующего сопротивления. Этим обеспечивается точность переключения
передачи в расчетных точках тяговой характеристики на всех режимах работы
дизеля.
Тахогенератор включен в цепь с измерительными реле Р1 и Р2. Каждое реле двумя парами блок-контактов производит необходимые коммутационные переключения. В цепи реле Р1 и Р2 включены последовательно регулировочные сопротивления 1 и 2, З и 4, предназначенные для настройки системы. Подбором величины сопротивления 1 регулируют скорость перехода с первой ступени скорости на вторую; - сопротивления 2 со второй на первую; - сопротивления 3 со второй на третью; - сопротивления 4 с третьей на вторую.
Реле Р1 и Р2 срабатывают в зависимости от определенного напряжения тахогенератора, соответствующего точкам перехода с одной скорости на другую согласно тяговой характеристике. Промежуточные реле РЗ и Р4 управляют электрогидравлическими вентилями ВГ1 и ВГ2, которые при включении открывают доступ маслу в золотниково-распределительную коробку и тем самым перемещают золотники. При переключении скорости с 1-й на 2-ю и со 2-й на 3-ю ступени электрогидравлические вентили включаются в такой последовательности: ВГ1, ВГ1—ВГ2 и ВГ2.
Система автоматического регулирования работает следующим образом.
![]() |
При
включении кнопки ГВ образуется цепь: от плюса аккумуляторной батареи
через контакты ручного переключателя, нормально замкнутую блокировку
2Р2, катушку реле РЗ на минус. |
![]() |
Замкнувшимся
контактом 1РЗ создается цепь для включения вентиля ВГ1, а контакт 2РЗ
шунтирует сопротивление 4 в цепи катушки измерительного реле РЗ. |
![]() |
Вентиль ВГ1 срабатывает и открывает доступ масла к левому торцу верхнего золотника, |
![]() |
который, преодолев сопротивление пружины, перемещается в правое крайнее
положение. В результате образуется масляный тракт от питательного насоса
через левые проточки золотников к фрикционной муфте 1-й ступени скорости,
после включения которой тепловоз трогается с места. |
![]() |
С
увеличением скорости растет напряжение тахогенератора. При определенном
соотношении скорости тепловоза и оборотов коленчатого вала дизеля это
напряжение становится достаточным для включения реле Р1. |
![]() |
Нормально
разомкнутый контакт 1Р1 шунтирует сопротивление 1 в цепи обмотки реле
Р1, увеличивая ток в его катушке. При дальнейшем ходе якоря замыкается
нормально разомкнутый контакт 2Р1 и образуется цепь через контакты 2Р1
и обмотку промежуточного реле Р4. |
![]() |
Включением
реле Р4 выполняются две операции: замыкание нормально разомкнутого контакта
1Р4 включает электрогидравлический вентиль ВГ2, а размыкание нормально
замкнутой блокировки 2Р4 вводит сопротивление 2 в цепь катушки реле
Р1. |
![]() |
Включившийся вентиль ВГ2 отрывает доступ масла к правому торцу нижнего
золотника, |
![]() |
и последний перемещается в крайнее левое положение. Тогда масло от питательного
насоса через левую проточку верхнего золотника и среднюю проточку нижнего
золотника поступает к фрикционной муфте 2-й ступени скорости, включая
2-ю скорость, а масло от фрикционной муфты 1-й ступени уходит на слив. |
![]() |
При дальнейшем росте скорости напряжение
тахгенератора продолжает расти. При определенном напряжении происходит
срабатывание реле Р2. |
![]() |
Включившись реле Р2 выполняет два
действия: своим замыкающим контаком 1Р2 шунтирует сопротивление 3 в
цепи катушки реле Р2, а размыкающим контаком 2Р2 разрывает цепь питания
катушки реле Р3. |
![]() |
Снятие
питания с катушки реле Р3 приводит к тому, что контакт 1Р3 размыкается,
в результате чего вентиль ВГ1 теряет питание. Кроме того, в результате
размыкания контакта 2Р3 в цепь катушки реле Р2 вводится сопротивление
4. |
![]() |
После
снятия питания вентиль ВГ1 под действием усилия пружины перемещается
вправо, в разультате чего левый торец верхнего золотника соединяется
со сливом |
![]() |
и
последний под действием усилия своей пружины уходит перемещается вправо
до упора. Тогда масло от питательного насоса через правую проточку верхнего
золотника и правую проточку нижнего золотника поступает к фрикционной
муфте 3-й ступени скорости, включая 3-ю скорость, а масло от фрикционной
муфты 2-й ступени уходит на слив. |
Хотя процесс переключения ступеней скорости передачи полностью автоматизирован,
тем не менее в системе автоматики предусмотрено и ручное управление, которое
выполняется с помощью серийного переключателя. При переводе рукоятки этого
переключателя с позиции А (автоматика) в нулевое положение — выключается система
автоматики и отключается гидропередача. После включения 1-й скорости (позиция
I) машинист, наблюдая за показаниями скоростемера при скорости, соответствующей
переключению на 2-ю ступень, устанавливает переключатель в позицию II и т.
д.
Опыт применения электрической системы регулирования гидромеханической передачи
показывает, что фактическое отклонение точек переключений от расчетных значений
при работе дизеля на полных и частичных нагрузках не превышает 2%.