![]() |
Раздел IIl
АППАРАТУРА ТОНАЛЬНЫХ РЕЛЬСОВЫХ ЦЕПЕЙ ТРЦЗ И ТРЦ4
1. Общие сведения
С 1993 года по
настоящее время выпускается аппаратура тональных рельсовых цепей третьего
поколения ТРЦЗ и четвертого поколения ТРЦ4.
В состав аппаратуры ТРЦЗ входят: генератор
путевой ГПЗ (черт. 36601-00-00); приемник путевой ПП, ППМ (черт. 36612-00-00);
фильтр путевой ФПМ (черт. 36163-00-00); трансформатор
уравнивающий УТЗ (черт. 36491-00-00).
В состав
аппаратуры ТРЦ4 входят: генератор путевой ГП4 (черт.
36602-00-00); приемник рельсовой цепи ПРЦ4Л (черт. 36021-00-00); фильтр
рельсовой цепи ФРЦ4Л (черт. 36023-00-00); блок выпрямителей сопряжения БВС4Л
(черт. 36024-00-00); приемники путевые ППЗ, ППЗМ, ПП4 (черт. 36881-00-00 ...
36881-00-00-19, черт. 36882-00-00 ... 36882-00-00-05); блоки фильтров БФ-8 и
БФ-12 (черт. 36881-20-00 и 36881-20-00-01).
Также
производятся преобразователи П12/14 (черт. 36901-00-00) и стенды для наладки и
проверки аппаратуры тональных рельсовых цепей СП-ТРЦ (черт. 36450-00-00).
Необходимо
обратить внимание, что в данном разделе описана конструкция приемников ППЗ,
ППЗМ и ПП4 с учетом доработки и изменений, внесенных
в декабре 1999 года. Приемники ППЗ, ППЗМ и ПП4,
изготовленные в предшествующие годы, т.е. до декабря 1999 года, в соответствии
с решением Министерства путей сообщения РФ должны быть доработаны в условиях
заводов-изготовителей или РТУ дистанций в соответствии с электрическими
принципиальными схемами, приведенными в данном разделе.
2. Генераторы путевые ГПЗ, ГП4
Назначение. Генераторы путевые предназначены для
формирования и усиления амплитудно-модулированных сигналов в диапазонах:
— ГПЗ от 420 до
780 Гц;
— ГП4 от 4000 до 6000 Гц.
|
|
Некоторые конструктивные особенности. Генераторы путевые ГПЗ, ГП4 (рис. 67) устанавливаются для эксплуатации на рамах релейных стативов и шкафов в розетки реле НШ.
Электропитание ГПЗ, ГП4 осуществляется от источника однофазного переменного тока частотой 50 Гц, номинальным напряжением 35 В с допускаемыми изменениями в пределах от 31,5 до 36,8 В. Ток, потребляемый ГПЗ, ГП4 от сети переменного тока напряжением 35 В, должен быть не более 1,1 А. Генераторы ГПЗ выпускаются двух типов (вариантов) исполнения: ГПЗ/8, 9, 11 (чертеж 36601-00-00) и ГПЗ/11, 14, 15 (чертеж 36601-00-00-01).
Частоты, формируемые генераторами несущих и модулирующих сигналов, соответствуют величинам, указанным в табл. 62 и 63.
Величина амплитудно-модулированного выходного сигнала (вы воды разъема ХР/2—ХР/52) при подключенной нагрузке к генератору ГПЗ (сопротивление величиной 7 Ом) должна быть в пределах от 1 до 6 В и иметь возможность плавного регулирования. Генератор ГПЗ должен формировать, усиливать и выдавать на выход (выводы разъема ХР/2—ХР/52) амплитудно-модулированный сигнал в соответствии с данными табл. 64.
Величина действующего значения выходного сигнала (выводы разъема ХР/32—ХР/52) при подключенной нагрузке к генератору ГП4 (сопротивление величиной 6,8 Ом) должна быть в пределах от 1 до 6 В и иметь возможность плавного регулирования. Генератор ГП4 должен формировать, усиливать и выдавать на выход (выводы разъема ХР/32 — ХР/52) амплитудно-модулированный сигнал в соответствии с данными табл. 65.
Таблица 62
Частоты, формируемые генераторами несущих и модулирующих сигналов
|
Тип генератора |
Перемычки разъема ХР |
Несущая частота формируемого сигнала, Гц |
Длительность периода несущей частоты формируемого сигнала, мс |
||
|
при нормальных климатических условиях |
при температуре минус 45' и плюс 65' |
при нормальных климатических условиях |
при температуре минус 45' и плюс 65' |
||
|
ГПЗ/8, 9, 11 |
12-23 12-21 12-22 |
420±1 480+1 580±1,5 |
420±2 480±2 580±3 |
2,375-2,386 2,079-2,087 1,720-1,728 |
2,37-2,39 2,074-2,092 1,715-1,733 |
|
ГПЗ/11, 14, 15 |
12-22 12-13 12-11 |
580±1,5 720+2 780+2 |
580+3 720+4 780±4 |
1,720-1,728 1,385-1,392 1,278-1,285 |
1,715-1,733 1,381-1,396 1,275-1,288 |
|
ГП4 |
81-63, 12-21 81-82, 12-22 — , 12-23 |
4545±5 5000±5 5555±5 |
4545±10 5000±10 5555±10 |
|
|
Таблица 63
Длительность периода сигнала частоты модуляции генераторов ГПЗ и ГП4
|
Тип генератора |
Перемычки разъема ХР |
Длительность периода сигнала частоты модуляции, мс |
Частота модуляции (для справки), Гц |
|
|
при нормальных климатических условиях |
при температуре минус 45' и плюс 65' |
|||
|
ГПЗ/8, 9, 11; ГП4 |
62-42 |
от 124 до 126 |
от 123 до 127 |
8 |
|
ГПЗ/11, 14, 15; ГП4 |
62-33 |
от 82,5 до 84,0 |
от 82 до 85 |
12 |
Таблица 64
Выходные клеммы и устанавливаемые перемычки на генераторе ГПЗ
|
Тип ГПЗ |
№ черт. |
Частота несущего сигнала, Гц |
Частота мод. сигнала, Гц |
Перемычки ХР, определяющие частоту настройки |
Выходные клеммы ГПЗ |
Перемычки для подключения выходного каскада ГПЗ |
Выход ГПЗ на ПУ-1 |
Тр-р TV |
|
|
|
|
|
|
|
|
|
перемычки на ХР |
клемма подключения ПУ-1 |
|
|
ГПЗ/8,9,11 |
36601-00-00 |
420 |
8 12 |
81-73,62-42,12-23 81-73,62-33,12-23 |
2-52 |
83-72 3-4 51-61 |
83-2 |
83-53 |
36161-09-00 |
|
480 |
8 12 |
12-21,62-42,81-63 12-21,62-33,81-63 |
|
|
|
|
|||
|
580 |
8 12 |
12-22,62-42,81-82 12-22,62-33,81-82 |
|
|
|
|
|||
|
ГПЗ/11,14,15 ГПЗ/8,9,11 |
36601-00-01 |
580 |
8 12 |
81-73,62-42,12-22 81-73,62-33, 12-22 |
2-52 |
83-72 3-4 51-61 |
83-2 |
83-53 |
36161-09-00-01 |
|
720 |
8 12 |
12-12,62-42,81-63 12-13,62-33,81-63 |
|
|
|
|
|||
|
780 |
8 12 |
12-11,62-42,81-82 12-11,62-33, 81-82 |
|
|
|
|
|||
Таблица 65
Выходные клеммы и устанавливаемые перемычки на генераторе ГП4
|
Частота несущего сигнала, Гц |
Частота мод. сигнала, Гц |
Перемычки ХР, определяющие частоту настройки |
Выходные клеммы ГП4 |
Перемычки ХР для подключения вых. каскада |
Выход на ПУ-1 |
|
|
перемычки на ХР |
клеммы подключения ПУ-1 |
|||||
|
4545 |
8 |
62-42, 81-63, 12-21 |
32-52 |
83-72 11-13 51-53 |
32-83 |
61-83 |
|
12 |
62-33, 81-63, 12-21 |
|||||
|
5000 |
8 |
62-42,81-82, 12-22 |
||||
|
12 |
62-33, 81-82, 12-22 |
|||||
|
5555 |
8 |
62-42, 12-23 |
||||
|
12 |
62-33, 12-23 |
|||||
|
|
Генераторы ГПЗ и ГП4 осуществляют световую индикацию работоспособности:
—формирование амплитудно-модулированного сигнала;
—наличие выпрямленного напряжения
источника питания выходного усилителя
мощности.
Электрические принципиальные схемы генераторов ГПЗ приведены на рис. 68, ГП4 — на рис. 69.
Длительность периода сигнала частоты модуляции генераторов ГПЗ и ГП4 приведены в табл. 63.
Выходные клеммы и устанавливаемые перемычки на генераторе ГПЗ приведены в табл. 64.
Выходные клеммы и устанавливаемые перемычки на генераторе ГП4 приведены в табл. 65.
Наименование и тип одинаковых элементов, примененных в генераторах ГПЗ и ГП4, приведены в табл. 66.
|
|
Электрическая прочность и сопротивление изоляции. Сопротивление изоляции генераторов ГПЗ и ГП4, измеренное между всеми выводами разъема ХР, соединенными между собой, и корпусом генераторов (винт крепления ручки генератора) должно быть не менее 50 МОм при нормальных климатических условиях и не менее 3 МОм при воздействии дестабилизирующих факторов (при влажности воздуха 100% при температуре плюс 25°С).
Таблица 66
Наименование и тип одинаковых элементов ГПЗ и ГП4
|
Условное обозначение на рис. 68,69 |
Наименование прибора |
Тип прибора |
|||
|
С1.С5 |
Конденсатор |
К73-11-160В-1,0мкФ±10% |
|||
|
С2, СЗ, С2', СЗ' |
Конденсатор |
К50-29-63В-1000мкФ |
|||
|
С4 |
Конденсатор |
К50-29-63В-100мкФ |
|||
|
С9, СЮ |
Конденсатор |
К10-17-2Б-Н50-0.15 мкФ |
|||
|
DD1 |
Микроузел |
ГНЧ(П2) ТУ32ЦШ3755-92 |
|||
|
DD2 |
Микроузел |
Манипулятор МН (ПЗ) ТУ32ЦШ3755-92 |
|||
|
R1 |
Резистор |
С2-ЗЗН-0,25-1,1 кОм±5% |
|||
|
R2 |
Резистор |
С2-ЗЗН-0,25-4,7 кОм±5% |
|||
|
R3 |
Резистор |
С2-ЗЗН-0,25-6,8 кОм±5% |
|||
|
R4 —R6 |
Резистор |
С2-ЗЗН-0.25-510 Ом + 5% |
|||
|
R7, R8 |
Резистор |
С2-ЗЗН-0.25-10 Ом+5% |
|||
|
R9, R10 |
Резистор |
С2-ЗЗН-2.0-75 Ом±5% |
|||
|
R11 |
Резистор |
СП5-16ВБ-1.0 Вт-2,2 кОм+5% |
|||
|
R12 |
Резистор |
С2-ЗЗН-1,0-2,2 кОм±5% |
|||
|
R13, R14 |
Резистор |
С2-ЗЗН-2.0-680 Ом+5% |
|||
|
VT1, VT2 |
Транзистор |
КТ3102АМ |
|||
|
VT3 |
Транзистор |
КТ3107Б |
|||
|
VT4, VT7 |
Транзистор |
КТ816В |
|||
|
VT5, VT6 |
Транзистор |
КТ817В |
|||
|
VT8 |
Транзистор |
КТ819Г |
|||
|
VT9 |
Транзистор |
КТ818Г |
|||
|
VD1 — VD4 |
Диод |
КД213А-6 |
|||
|
VD5, VD10 |
Диод |
КД510А |
|||
|
VD6, VD11 |
Индикатор единичный |
АЛ307АМ |
|||
|
СП |
Резонатор кварцевый |
РК170БВ-9ДУ-1000К |
|||
|
VD7 |
Стабилитрон |
КС482А |
|
||
|
ХР |
Плата реле НШ |
Черт. 2168-01-11 |
|
||
Примечание. Кроме того, в генераторе путевом ГПЗ применены: С6 — конденсатор К71-7-250В-0,1 мкФ±5%; СИ - конденсатор К1О-17а-М750-390О пФ±10% (подбираются при настройке и могут быть от 3900 до 5600 пФ); С12 — конденсатор К73-11-250В-3900 пФ±10% (подбираются при настройке и могут быть от 3900 до 5600 пФ); R15 - резистор С2-ЗЗН-0,25-390 Ом ± 5%; R16 -С2-ЗЗН-1,0-2,2 Ом±5%; R17 - С2-ЗЗН-2.0-180 Ом±5%; R18 - С2-ЗЗН-1,0-5,1 кОм±5%; R19 — С2-ЗЗН-1.0-330 Ом±10%, а в генераторе путевом ГП4 применены: С6 - конденсатор К71-7-250В-0.0706 мкФ±5%; С7, С8 -К10-17-ЗГ-М47-470 пФ+10%; СП - К71-7-250-0.0164 мкФ±5%; С12 -К71-7-250В-0,0348 мкФ+5%; С13 - К10-17-а-М750-3900 пФ±10% (подбираются при настройке и могут быть от 3900 до 5600 пФ); R15 — резистор С2-ЗЗН-0,25-12 Ом+5%; R16.R17 - С2-ЗЗН-1,0-1,0 кОм±5%; R18 - R21 - С2-ЗЗН-0,25-1000 Ом±5%; R22,R23 - С2-ЗЗН-1.0-33 Ом±5%; R24 - С2-ЗЗН-1,0-330 Ом±10%; R25 - С22-ЗЗН-1,0-5,1 кОм±5%; VD8, VD9 - диоды КД510А; TV1 - трансформатор (черт. 36022-07-00).
Электрическая изоляция между всеми клеммами разъема ХР, соединенными между собой, и корпусом генератора (винт крепления ручки генератора) должна выдерживать без пробоя и явлений разрядного характера от источника мощностью не менее 0,5 кВА испытательное напряжение 500 В переменного тока частотой 50 Гц в течение 0,1 мин.
Проверка электрических характеристик генераторов ГПЗ проводится по схеме рис. 70. При этом при проверке ГПЗ/8, 9, 11 переключение несущих частот осуществляется переключателем SA2 при установке переключателя SA3 в положение «1»; при проверке ГПЗ/11, 14, 15 переключение несущих частот осуществляется переключателем SA3 при установке переключателя SA2 в положение «3».
Проверка производится в такой последовательности. Устанавливаются переключатели в следующие положения: SA1 — «1», SA2 — «I», SA3 - «Ь (ГПЗ/8, 9, 11) или SA2 - «3», SA3 - «1» (ГПЗ/11, 14, 15): SA4 - «1», SA5 - «1».
Подают на ГПЗ питающее напряжение 35В (контроль напряжения по вольтметру PV1), изменяя положение регулятора автотрансформатора ATV. Установив регулятор резистора R11 генератора ГПЗ в крайнее правое положение (по часовой стрелке) по амперметру РА определяют величину тока потребления ГПЗ, которая должна быть не более 1,1 А.
Установив переключатель SA1 в положение «2», определяют по показанию частотомера PF значения несущих частот (FH) при положениях переключателя SA2 «1», «2», «3» для ГПЗ/8, 9, 11 или SA3-«1», «2», «3» для ГПЗ/11, 14, 15.
Установив переключатель SA1 в положение «3», по показаниям частотомера PF определяют значения частот модуляции (FM) при положениях переключателя SA2 «1», «2»

Установив переключатель SA1 в положение «1», регулятор резистора R11 генератора ГПЗ в крайнее левое положение (против часовой стрелки), по вольтметру RV2 определяют величину действующего значения напряжения выходного сигнала, которая должна быть не более 1В. Измерение вольтметром PV2 величины выходного напряжения производится при положениях переключателей SA4 «2» и «3» и SA2 или SA3 «2» и «3» соответственно.
Установив регулятор резистора R11 генератора ГПЗ в крайнее правое положение (по часовой стрелке), по вольтметру PV2 определяют величины действующих напряжений выходного сигнала при положениях переключателей SA4 «1», «2», «3» и SA2 или SA3 «1», «2», «3» соответственно, которые должны быть не менее 6 В. По осциллографу PS можно убедиться в наличии на выходе генератора ГПЗ амплитудно-модулированного сигнала, а визуально в правильности работы световой индикации генератора (светодиод VD6 должен светиться в мигающем режиме, светодиод VD11 должен светиться непрерывно).
В электрической схеме проверки генераторов ГПЗ применены: ATV—автотрансформатор АОСН-2А; TV-трансформатор ПОБС-5А; PV1, РА — прибор комбинированный Ц4353; PV2 — милливольтметр ВЗ-38Б; PS — осциллограф Cl-120; PF — частотомер 43-63;
|
|
SA1 — SA5 — переключатели; R — резистор 6,8 Ом, Р>25 Вт; R1, R2 - резисторы 27 кОм; Р2>0,25 Вт.
Проверка электрических характеристик генератора ГП4 проводится по схеме рис. 71.
Проверка проводится в такой последовательности. Переключатели SA1, SA3, SA4, SA5 устанавливают в положение «1». Подается на ГП4 питающее напряжение 35 В (контроль напряжения по вольтметру PV1), изменяя положение регулятора автотрансформатора ATV.
Установив регулятор резистора R11 генератора ГП4 в крайнее правое положение (по часовой стрелке), определяется по амперметру РА величина тока потребления ГП4, которая должна быть не более 1,1 А.
Установив переключатель SA1 в положение «2» определяют по показанию частотомера PF значения несущих частот (FH) при положениях переключателя SA4 «1», «2», «3».
Установив переключатель SA1 в положение «3», по показаниям частотомера PF определяют значения частот модуляции (FM) при положениях переключателя SA5 «1» и «2».
Установив переключатель SA1 в положение «1», регулятор резистора R11 генератора ГП4 в крайнее левое положение (против часовой стрелки), определяют по вольтметру RV2 величину действующего значения напряжения выходного сигнала при положениях переключателей SA3 и SA4 «1», «2», «3» соответственно, которая должна быть не более 1 В.
Установив регулятор резистора R11 генератора ГП4 в крайнее правое положение (по часовой стрелке), по вольтметру PV2 определяют величину действующих напряжений выходного сигнала при положениях переключателей SA3, SA4 «1», «2», «3» соответственно, которые должны быть не менее 6 В. По осциллографу PS можно убедиться в наличии на выходе генератора ГП4 амплитудно-модулированного сигнала, а визуально в правильности работы световой индикации генератора ГП4 (светодиод VD6 ГП4 должен светиться в мигающем режиме, светодиод VD11 ГП4 должен светиться непрерывно).
В электрической схеме проверки генераторов ГП4 применены: ATV-автотрансформатор АОСН-2А; TV — трансформатор ПОБС-5А; PV2, PV3 — милливольтметры ВЗ-38Б; PS — осциллограф С1-120; PF — частотомер 43-63; PA, PV1 — прибор комбинированный Ц4353; R - резистор 6,8 Ом, Р>25Вт; SA1, SA3 ... SA5 - переключатели; Rl, R2 — резисторы 27 кОм; Р>0,25Вт.
Наработка на отказ генераторов ГПЗ, ГП4 не менее 130 000 часов. Полный средний срок службы — не менее 15 лет.
Условия эксплуатации. Генераторы путевые ГПЗ, ГП4 предназначены для работы при температуре окружающего воздуха от минус 45 до плюс 65°С.
Габаритные размеры генераторов 228x82x203 мм; масса — 2,5 кг.
3. Приемники путевые сигналов рельсовой цепи ПП, ППМ
Назначение. Приемники путевые сигналов рельсовой цепи ПП, ППМ предназначены для эксплуатации в составе аппаратуры контроля рельсовых цепей с частотами в диапазоне от 420 до 780 Гц при любом виде тяги поездов.
Некоторые конструктивные особенность. Приемники путевые ПП, ППМ (рис. 72) устанавливаются для эксплуатации в розетки реле ДСШ на рамах релейных стативов и шкафов.
Электропитание осуществляется от источника однофазного переменного тока частотой 50 Гц, номинальным напряжением 17,5 В с допускаемыми изменениями в пределах от 15,7 до 18,4 В.
Нагрузкой ПП, ППМ является нейтральное малогабаритное реле постоянного тока типа АНШ1-1230 с параллельно включенными обмотками.
В зависимости от частот принимаемых сигналов выпускаются 20 вариантов исполнения приемников ПП, ППМ.
Электрические характеристики приемников путевых ПП, ППМ приведены в табл. 67.

Электрические параметры входных фильтров ПП, ППМ измеряются при входном сигнале номинальной частоты, равном 0,5 В, и соответствуют приведенным в графах 4 — 7. Входное сопротивление ПП, ППМ сигналу средней частоты полосы пропускания входного фильтра напряжением 0,5 В должно быть в пределах от 120 до 160 Ом при напряжении питания ПП, ППМ, равном 15,7 В.
Чувствительность ПП, ППМ, т.е. величина действующего значения напряжения входного AM (амплитудно-модулированного) сигнала с номинальными частотами, при которой нагрузка ПП, ППМ — реле АНШ2-1230 — притягивает свой якорь, соответствует данным, приведенным в графе 8, при напряжении питания в пределах от 15,7 до 18,4 В.
Коэффициент возврата ПП, ППМ не менее 0,8 при напряжении питания от 15,7 до 18,4 В.
При напряжении питания 15,7 В и изменении величины действующего значения напряжения входного AM сигнала номинальной частоты от действительного значения чувствительности проверяемого
Таблица 67
Электрические характеристики приемников путевых ПП, ППМ
|
Исполнение ПП |
Номинальная несущая частота, Гц, ±1 Гц |
Номинальная частота модуляции, Гц |
Средняя частота полосы
пропускания входного фильтра, Гц |
Полоса пропускания
входного фильтра на уровне 0,7 Гц, не менее |
Затухание входного фильтра |
Чувствительность, В |
Частота модуляции, Гц |
Напряжение на выходе ПП, В, не более |
Выходные клеммы ПП |
||
|
частота соседнего канала, Гц |
ДБ, не менее |
при нор-, мальных климатических условиях |
при крайних значениях рабочей температуры |
||||||||
|
1 |
2 |
3 |
4 |
5 |
6 |
7 |
8 |
9 |
10 |
11 |
12 |
|
ПП8/8 ПП8/12 |
420 |
8 12 |
418-422 |
24 |
480 |
38 |
0,35±0,03 |
0,35 |
12 8 |
0,1 |
31-33 |
|
ПП9/8 ПП9/12 |
480 |
8 12 |
478-482 |
420 |
12 8 |
31-13 |
|||||
|
ПП11/8 ПП11/12 |
580 |
8 12 |
578-582 |
480 |
30 |
12 8 |
31-83 |
||||
|
ПП14/8 ПП14/12 |
720 |
8 12 |
718-722 |
780 |
12 8 |
31-52 |
|||||
|
ПП15/8 ПП15/12 |
780 |
8 12 |
778-782 |
720 |
12 8 |
31-51 |
|||||
|
ППМ8/8 ППМ8/12 |
420 |
8 12 |
418-422 |
24 |
480 |
38 |
0,70±0,06 |
0,70 |
12 8 |
0,1 |
31-33 |
|
ППМ9/8 ППМ9/12 |
480 |
8 12 |
478-482 |
420 |
12 8 |
31-13 |
|||||
|
ППМ11/8 ППМ11/12 |
580 |
8 12 |
578-582 |
480 |
30 |
12 8 |
31-83 |
||||
|
ППМ 14/8 ППМ14/12 |
720 |
8 12 |
718-722 |
780 |
30 |
12 8 |
31-52 |
||||
|
ППМ 15/8 ППМ 15/12 |
780 |
8 12 |
778-782 |
720 |
12 8 |
31-51 |
|||||
Таблица 68
Выходные клеммы ПП, ППМ и номера чертежей примененных трансформаторов
|
Тип приемника |
Номер чертежа |
Тип приемника |
Номер чертежа |
Трансформаторы |
Конденсаторы |
Выходные клеммы |
Выводы трас-форм. TV2 |
С7;С8 |
С9;С10 |
||||||
|
TV1 |
TV2 |
TV3 |
TV4 |
TV5 |
TV6 |
С1-С4 |
ПП |
ППМ |
|||||||
|
ПП8-8 |
36162--00-00 |
ППМ8-8 |
36162--00-00-10 |
36162--13-00 |
36162--15-00 |
36162--17-00 |
36162--19-00 |
36162--10-00 |
36162--11-00 |
К71-7-250В0.1 мкФ±0,5% В |
31-33 |
3-5 |
3-4 |
С7, С8 парал. |
С9, С10 парал. |
|
ПП8-12 |
-01 |
ППМ8-12 |
-11 |
36162--10-00--01 |
36162--11-00--01 |
С7 |
С9 |
||||||||
|
ПП9-8 |
-02 |
ППМ9-8 |
-12 |
36162--13-00- -01 |
36162--15-00--01 |
36162--17-00--01 |
36162--19-00--01 |
36162--10-00 |
36162--11-00 |
К71-7-250В 0,0796 мкф±0,5% В |
31-13 |
С7, С8 парал. |
С9, С10 парал. |
||
|
ПП9-12 |
-03 |
ППМ9-12 |
-13 |
36162--'10-00--01 |
36162--11-00--01 |
С7 |
С9 |
||||||||
|
ПП11-8 |
-04 |
ППМ11-8 |
-14 |
36162--13-00--02 |
36162--15-00--02 |
36162--17-00--02 |
36162--19-00--02 |
36162--10-00 |
36162--11-00 |
К71-7-250В 0,0796 мкФ±0,5% В |
31-83 |
С7, С8 парал. |
С9, С10 парал. |
||
|
ПП11-12 |
-05 |
ППМ11-12 |
-15 |
36162--10-00--01 |
36162--11-00--01 |
С7 |
С9 |
||||||||
|
ПП14-8 |
-06 |
ППМ14-8 |
-16 |
36162--13-00--03 |
36162--15-00--03 |
36162--17-00--03 |
36162--19-00--03 |
36162--10-00 |
36162--11-00 |
К71-7-250В0.1 мкф±0,5% В |
31-52 |
С7.С8 парал. |
С9, С10 парал. |
||
|
ПП14-12 |
-07 |
ППМ14-12 |
-17 |
36162--10-00--01 |
36162--11-00--01 |
С7 |
С9 |
||||||||
|
ПП15-8 |
-08 |
ППМ15-8 |
-18 |
36162--13-00--04 |
36162--15-00--04 |
36162- -17-00- -04 |
36162--19-00--04 |
36162--10-00 |
36162--11-00 |
К71-7-250В 0,0796 мкф±0,5% В |
31-51 |
С7, С8 парал. |
С9, С10 парал. |
||
|
ПП15-12 |
-09 |
ППМ15-12 |
-19 |
36162--10-00--01 |
36162--11-00--01 |
С7 |
С9 |
||||||||
Выходные клеммы приемников ПП, ППМ, номера чертежей примененных транзисторов приведены в табл. 68.
Наименование и тип элементов, примененных в приемниках ПП, ППМ, приведены в табл. 69.
Таблица 69 Наименование и тип элементов, примененных
в ПП, ППМ
|
Условное обозначение на рис. 73 |
Наименование прибора |
Тип прибора |
|
С1.С4 |
Конденсатор |
К71-7-....-В (см. табл.68) |
|
С5, С6 |
Конденсатор |
К73-11-160В-6.8 мкф±10% |
|
С7, С8, С9, СЮ |
Конденсатор |
К73-11-160В-6.8 мкФ+10% (см. табл.68) |
|
С11.С12 |
Конденсатор |
К50-29-25 В-2200 мкФ-В |
|
С13 |
Конденсатор |
К50-29-25В-100мкФ |
|
R1 |
Резистор |
С2-ЗЗН-0,25-4700 Ом+10% |
|
R2* |
Резистор |
С2-ЗЗН-0.25-820 Ом+10% (подбирается при настройке от 0,8 до 1,5 кОм) |
|
R3 |
Резистор |
С2-ЗЗН-0,25-5,1 кОМ+10% |
|
R4 |
Резистор |
С2-ЗЗН-0,25-3,9 кОм±10% |
|
R5 |
Резистор |
С2-ЗЗН-0.25-560 Ом±10% |
|
R7 |
Резистор |
С2-ЗЗН-2,0-10 кОм+10% |
|
R8 |
Резистор |
С2-ЗЗН-0,25-1,5 кОм+10% |
|
R9 |
Резистор |
С2-ЗЗН-0.25-270 Ом±10% |
|
R10 |
Резистор |
С2-ЗЗН-0.25-470 Ом±10% |
|
R11 |
Резистор |
С2-ЗЗН-0,25-1,3 кОм±10% |
|
R12 |
Резистор |
С2-ЗЗН-0,25-4,7 кОм+10% |
|
R13 |
Резистор |
С2-ЗЗН-0.25-820 Ом±10% |
|
R14 |
Резистор |
С2-ЗЗН-0.25-120 Ом±10% |
|
R15 |
Резистор |
С2-ЗЗН-0,25-1,5 кОм±10% |
|
R16* |
Резистор |
С2-ЗЗН-0.25-82 кОм±10% (подбирается при настройке 82, 100, 120, 150и200кОм) |
|
R17, R18 |
Резистор |
С2-ЗЗН-0,25-2,2 кОм±10% |
Продолжение табл. 69
|
Условное обозначение на рис. 73 |
Наименование прибора |
Тип прибора |
|
R19, R20 |
Резистор |
С2-ЗЗН-0.25-12 кОм±10% |
|
R21 |
Резистор |
С2-ЗЗН-0,25-100 Ом±10% |
|
R22, R23 |
Резистор |
С2-ЗЗН-0,25-2,2 кОм+10% |
|
R24... R26 |
Резистор |
С2-ЗЗН-0.25-470 Ом+10% |
|
R27, R28 |
Резистор |
С2-ЗЗН-0,5-3,3 Ом+10% |
|
R29 |
Резистор |
С2-ЗЗН-2-270Ом±10% |
|
R30 |
Резистор |
С2-ЗЗН-2-180Ом±10% |
|
R31 |
Резистор |
С2-ЗЗН-1-470Ом±10% |
|
R32 |
Резистор |
С2-ЗЗН-1-12 0м±Ю% |
|
R33 |
Резистор |
С2-ЗЗН-1-8.2 Ом+10% |
|
R34 |
Резистор |
СП5-22-1ВТ-1 кОм+5% |
|
R35 |
Резистор |
С2-ЗЗН-0,25-2,2 кОм+10% |
|
R36* |
Резистор |
С2-ЗЗН-0,5-2,2 Ом±10% (подбирается при настройке и может быть 2,2; 3,3; 4,7; 6,8; 8,2 и 10 Ом) |
|
TV1...TV6 |
Трансформатор |
См. табл.68 |
|
VD1, VD2 |
Стабилитрон |
КС512А |
|
VD3, VD4 |
Диоды |
КД510А |
|
VD5 |
Выпрямительный мост |
КЦ407А |
|
VD6...VD8 |
Стабилитрон |
КС456А |
|
VD9, VD10 |
Диоды |
КД243А |
|
VD11.VD12 |
Индикатор единичный |
АЛ307АМ |
|
VT1,VT2, VT4, VT7, VT8 |
Транзистор |
KT501E |
|
VT3, VT6, VT9 |
Транзистор |
KT3102AM |
|
VT5,VT10 |
Транзистор |
КТ3107Б |
|
VT11 |
Транзистор |
KT816B |
|
VT12 |
Транзистор |
КТ817В |
|
XT |
Плата реле ДСШ |
Черт. 13727-00-01 |
|
|
Электрическая прочность и сопротивление изоляции. Электрическая прочность токоведущих частей ПП, ППМ должна выдерживать без пробоя и явлений разрядного характера (поверхностного перекрытия изоляции) от источника мощностью не менее 0,5 кВА испытательное напряжение 300 В переменного тока частотой 50 Гц в течение одной минуты.
Сопротивление изоляции ПП, ППМ, измеряемое между всеми задействованными выводами разъема XT, соединенными между собой, и корпусом ПП, ППМ (винт крепления ручки ПП, ППМ), должно быть не менее 50 МОм в нормальных климатических условиях, не менее 3 МОм при воздействии дестабилизирующих факторов.
Проверка электрических характеристик приемников ПП, ППМ проводится по схеме рис. 74.
Для измерения электрических параметров входного фильтра, величины входного сопротивления необходимо выполнить следующее. Установить тумблер SA1 в положение «1», установить на магазине сопротивлений PR величину сопротивления 1,5 кОм, включить тумблер SA3. Изменяя положение регулятора автотрансформатора ATV, необходимо подать питающее напряжение на ПП, ППМ, равное 15,7 В (контроль напряжения по вольтметру PV1). Для определения средней частоты полосы пропускания входного фильтра на вход ПП, ППМ от генератора G подать сигнал частотой, соответствующей номинальной несущей частоте проверяемого исполнения ПП, ППМ согласно табл. 67, напряжением 0,5 В. Частота контролируется по частотомеру PF, напряжение по вольтметру PV4. Изменяя частоту генератора G в сторону увеличения и уменьшения, по минимальному показанию вольтметра PV4 (в провале полосы пропускания) и показанию частотомера PF определяют среднюю частоту полосы пропускания входного фильтра, которая должна быть в пределах, указанных в табл. 67. Погрешность измерения напряжения ±4%.
Величина входного сопротивления ПП, ППМ определяется на средней частоте полосы пропускания входною фильтра как отношение показаний милливольтметра PV4 и PV3, умноженное на 1,5 кОм. Входное сопротивление ПП, ППМ должно быть в пределах от 120 до 160 Ом. Погрешность измерения ±4%.
Полоса пропускания входного фильтра ПП, ППМ определяется на уровне 0,7 от уровня сигнала на средней частоте полосы пропускания по частотомеру PF при изменении частоты генератора G вверх и вниз от средней частоты полосы пропускания. Уровень сигнала контролируется по милливольтметру PV5. Полосы пропускания входного фильтра на уровне 0,7 должна быть не менее 24 Гц.
Для проверки затухания входного фильтра ПП, ППМ устанавливается частота сигнала от генератора G, соответствующая для проверяемого типа ПП, ППМ. Затухание определяется по отношению показаний милливольтметра PV5 при сигнале средней частоты полосы пропускания £ его показанию при сигнале установленной частоты. Затухание должно соответствовать значениям, указанным в табл. 67. Погрешность измерения +4%.
Для измерения чувствительности, коэффициента возврата и напряжения постоянного тока на выходе приемника ПП, ППМ необходимо выполнить следующее. Тумблер SA1 установить в положение «П», нажатием соответствующих кнопок SB1—SB5 установить между клеммами генератора ГП соответствующие перемычки, необходимые для формирования АМ - сигнала номинальными частотами проверяемого типа ПП, ППМ согласно табл. 67. Нажатием соответствующей кнопки SB10—SB14 схемы проверки ПП, ППМ подключают реле KV и прибор PV2 к соответствующим выходным клеммам проверяемого типа ПП, ППМ согласно таблице. На магазине сопротивлений PR устанавливается величина сопротивления 15 кОм. Включаются тумблеры SA2 и SA3 схемы проверки ПП, ППМ и с помощью регулятора автотрансформатора ATV устанавливается напряжение с трансформатора TV1 равное 15,7 В.
Чувствительность ПП, ППМ определяют, уменьшая величину сопротивления магазина сопротивлений PR с 15 кОм до величины, при которой реле KV притягивает якорь. Притяжение якоря контролируют визуально, а величину входного напряжения контролируют по милливольтметру PV4. Чувствительность ПП, ППМ должна быть в пределах, указанных в табл. 67. Погрешность измерении ±2,5%.
Коэффициент возврата ПП, ППМ определяется как отношение величин входных напряжений, при которых нагрузка ПП, ППМ (реле KV) отпускает и притягивает якорь соответственно. Отпадание якоря реле определяют визуально при увеличении сопротивления магазина сопротивлений PR. Величину входного напряжения, при котором реле отпустит свой якорь, контролируют по милливольтметру PV4. Коэффициент возврата должен быть не менее 0,8. Погрешность измерений ±4%.
Измерение напряжения постоянного тока на выходе ПП, ППМ производится при наличии на входе действующего значения входного напряжения (0,4 и 1,5 В) для ПП и (0,8 и 2,5 В) для ППМ AM сигнала с номинальными частотами. Величина входного напряжения контролируется милливольтметром PV4. Напряжение на выходе ПП, ППМ измеряют вольтметром PV2, оно должно быть не менее 4,2 В. Погрешность измерения вольтметром PV4±4%, a PV2±1,5%.
Для измерения чувствительности, коэффициента возврата при напряжении питания 18,4 В, напряжения постоянного тока на выходе ПП, ППМ и потребляемой мощности подают, изменяя положение регулятора автотрансформатора ATV, питающее напряжение на ПП, ППМ, равное 18,4 В, которое контролируют по вольтметру PV1. Чувствительность и коэффициент возврата определяют по вышеизложенной методике. Для измерения величины напряжения постоянного тока на выходе ПП, ППМ при напряжении питания 18,4 В устанавливают частоту модуляции AM сигнала, соответствующую указанной в табл. 67 для проверяемого типа ПП, ППМ, путем изменения установки перемычек между клеммами генератора ГП, влияющих на частоту модуляции. Величину напряжения постоянного тока на входе ПП, ППМ, которая должна соответствовать табл. 67, определяют по вольтметру PV2. Погрешность измерений вольтметром PV2±1,5%.
Мощность, потребляемую ПП, ППМ от сети однофазного переменного тока напряжением 18,4 В, определяют как произведение показаний амперметра РА и вольтметра PV1. Мощность должна быть не более 6 ВА Погрешность измерений тока и напряжения ±2,5%.
В электрической схеме проверки приемников ПП, ППМ применены: G — генератор ГЗ-123; PF — частотомер 43-63; PA, PV1, PV2 — прибор комбинированный Ц4353; PV3, PV5 —милливольтметры ВЗ 386; ATV — автотрансформатор АОСН-2А; TV1, TV2 — трансформатор ПОБС-5А; KV — реле АНШ2-1230; PR — магазин сопротивлений Р-33; ГП — генератор путевой; SA1...SA3 — тумблер ТП 1-2; SB1...SB14 — переключатели ПКН61; Rl, R2 — резисторы 27 кОм, Р>0,25 Вт.
Наработка на отказ приемников ПП, ППМ не менее 70 000 часов. Полный средний срок службы — не менее 15 лет.
Условия эксплуатации. Приемники ПП, ППМ предназначены для работы при температуре окружающего воздуха от минус 45 до плюс 65°С.
Перед установкой в ПП, ППМ электролитических конденсаторов срок хранения которых с момента изготовления их заводом-изготовителем превышает 1 год, должна быть произведена их тренировка.
Габаритные размеры приемников 265x136x201 мм; масса — 6,5 кг.
4. Фильтры путевые ФПМ
Назначение. Фильтры путевые ФПМ предназначены для эксплуатации в составе аппаратуры контроля рельсовых цепей с частотами в диапазоне от 420 до 780 Гц, возможностью установки на рамах релейных стативов и шкафов для передачи сигналов рабочих резонансных частот и согласования приборов питающего конца с рельсовой цепью участков при любом виде тяги поездов.
Некоторые конструктивные особенности. Фильтры путевые ФПМ (рис. 75) устанавливаются в розетки реле НШ и выпускаются в двух вариантах исполнения согласно табл. 70.

Таблица 70
Варианты исполнения фильтров путевых ФПМ
|
Тип, исполнение |
Номер чертежа |
Передаваемые в рельсовую цепь резонансные частоты, Гц |
|
ФПМ 8, 9, 11 |
36163-00-00 |
420, 480, 580 |
|
ФПМ 11, 14, 15 |
36163-00-00-01 |
580, 720, 780 |
Электрические параметры фильтров ФПМ соответствуют указанным в табл. 71.
Таблица 71
Электрические параметры фильтров ФПМ
|
Наименование параметра |
Номера контактов для измерения |
Значение параметра |
|
|
ФПМ 8, 9, 11 |
ФПМ 11, 14, 15 |
||
|
Электрическая емкость, мкФ |
71-72 |
0,100±0,005 |
0,100±0,005 |
|
71-73 |
0,150±0,0075 |
0,150±0,0075 |
|
|
71-81 |
0,220±0,011 |
0,220±0,011 |
|
|
71-82 |
0,330±0,0165 |
0,330±0,0165 |
|
|
71-83 |
0,470 + 0,0235 |
0,470+0,0235 |
|
|
71-21 |
0,680±0,034 |
0,680±0,034 |
|
|
71-22 |
1,5±0,75 |
1,5±0,75 |
|
|
71-23 |
2,2+0,11 |
2,2±0,11 |
|
|
Величина входного сопротивления, Ом, на частоте |
|
|
|
|
420±2 Гц |
11-43 |
от 70 до 86 |
— |
|
580±2 Гц |
11-43 |
— |
от 60 до 74 |
Электрическая принципиальная схема фильтров путевых ФПМ приведена на рис. 76.
Выводы подключения фильтров ФПМ приведены в табл. 72.
Наименование и тип элементов, примененных в фильтрах ФПМ, приведены в табл. 73.
Электрическая прочность и сопротивление изоляции те же, что и у описанных приемников ПРЦ4Л.
Проверка электрических параметров фильтров путевых ФПМ проводится по схеме рис. 77.

Таблица 72
Выводы подключения фильтров ФПМ
|
Тип фильтра |
Частота, Гц |
Перемычки |
Вход |
Выход |
Номер чертежа трансформатора TV |
||
|
ЦАБ |
АБ авт. |
АБ эл. |
|||||
|
ФПМ 8, 9, 11 |
420 |
43-23-22-21-83 |
11-71 |
12-61 |
12-62 |
12-63 |
36163-02-00 |
|
480 |
42-23-22-21 |
||||||
|
580 |
41-23-22-73-81 |
||||||
|
ФПМ 11, 14, 15 |
580 |
43-23-22-73-81 |
36163-02-00-01 |
||||
|
720 |
42-23-82-21-83 |
||||||
|
780 |
41-23-81-21-83 |
||||||

Таблица 73 Наименование и тип элементов; примененных в ФПМ
|
Условное обозначение на рис. 76 |
Наименование прибора |
Тип прибора |
|
С1 |
Конденсатор |
К75-24-400В-0.1 мкф±10% -В |
|
С2 |
Конденсатор |
К75-24-400В-0.15 мкф±10% -В |
|
СЗ |
Конденсатор |
К75-24-400В-0.22 мкф±10% -В |
|
С4 |
Конденсатор |
К75-24-400В-0.33 мкФ±10% -В |
|
С5 |
Конденсатор |
К75-24-400В-0.47 мкф±10% -В |
|
С6 |
Конденсатор |
К75-24-400В-0.68 мкф±10% -В |
|
С7 |
Конденсатор |
К75-24-400В-1.5 мкФ+10% -В |
|
С8 |
Конденсатор |
К75-24-400В-2.2 мкф±10% -В |
|
TV |
Трансформатор |
См. табл. 72 |
|
ХР |
|
Элементы конструкции реле НШ |
Измерение входного сопротивления ФПМ 8,9, 11 проводится на резонансной частоте фильтра 420 Гц. Частоту сигнала устанавливают генератором G с точностью ±2 Гц и контролируют частотомером PF. Напряжение сигнала, поступающего с генератора G на выводы 11-71 ФПМ, должно быть от 3 до 4 В (контроль напряжения по вольтметру PV1). После подачи на ФПМ 8, 9, 11 сигнала осуществляют настройку фильтра в резонанс подбором параллельного соединения перемычек между выводом 22 и выводами 21, 83, 82, 81, 73, 72 разъема фильтра, замыкая соответствующие переключатели схемы проверки ФПМ. Устанавливая перемычки, добиваются максимума показания вольтметра PV2; определяют по вольтметру PV2 величину напряжения на выводах 11-43 ФПМ 8, 9, 11, которая должна быть не менее 35 В; определяют величину сопротивления между выводами 11-43 ФПМ 8, 9, 11 как частное от деления показаний вольтметра PV2 и амперметра РА.
Для проверки электрических характеристик фильтров ФПМ 11, 14, 15 подают на выводы 11-71 ФПМ 11, 14, 15 сигнал частотой 580+2 Гц, напряжением 3,5 В и по методике для фильтра ФПМ 8, 9, 11 определяют величину сопротивления ФПМ 11, 14, 15.
В электрической схеме проверки фильтров ФПМ применены: G — генератор сигналов ГЗ-109; PF — частотомер 43-63; PV1-PV2 — милливольтметры ВЗ-38Б; РА — прибор комбинированный Ц4353; TV — трансформатор ПОБС-5А; SB1-SB2 — переключатель ПКН61.
Наработка на отказ фильтров ФПМ не менее 100 000 часов. Полный срок службы — не менее 20 лет.
Условия эксплуатации. Фильтры путевые ФПМ предназначены для работы при температуре окружающего воздуха от минус 40 до плюс 65°С.
Габаритные размеры фильтров 228x82x203 мм; масса — 3,2 кг.
5. Трансформатор уравнивающий УТЗ
Назначение. Трансформатор уравнивающий УТЗ (черт. 36491-00-00) предназначен для уравнивания напряжений на приемных концах рельсовых цепей ТРЦЗ.
Некоторые конструктивные особенности. Трансформатор уравнивающий УТЗ (рис. 78) устанавливается для эксплуатации в релейном шкафу.
Электрическая схема трансформатора УТЗ приведена на рис. 79.
Допустимый ток через обмотки трансформатора до 0,5 А.
Величина входного сопротивления УТЗ на выводах 1-2 при величинах сигналов 0,5 В частотами и установленными перемычками при нормальных климатических условиях не менее 2000 Ом.
Частота сигнала, Гц 420 480 580 720 780
Перемычки между выводами УТЗ 3-10 4-10 5-10 6-10 7-10
Коэффициент трансформации УТЗ относительно выводов 1-2:
|
Выводы |
3-9 |
4-9 |
5-9 |
6-9 |
7-9 |
8-9 |
|
Коэффициент трансформации |
1,2+0,06 |
1,37+0,07 |
1,65+0,08 |
2,03±0,10 |
2,44+0,12 |
3,39+0,17 |
Электрическое сопротивление изоляции между выводами 1-2 и 3-9 не менее 50 МОм. Срок службы — не менее 20 лет.
Габаритные размеры трансформаторов 72x108x85 мм; масса — 1,1 кг.
6. Приемники рельсовой цепи ПРЦ4Л
Назначение. Приемники рельсовой цепи ПРЦ4Л предназначены для эксплуатации в составе аппаратуры контроля рельсовых цепей с частотами в диапазоне от 4000 до 6000 Гц при любом виде тяги поездов.
Некоторые конструктивные особенности. Приемники рельсовой цепи ПРЦ4Л (рис. 80) устанавливаются для эксплуатации в розетки реле ДСШ на рамах релейных стативов и шкафов.
|
|

Электропитание осуществляется от источника однофазного переменного тока частотой 50 Гц номинальным напряжением 17,5 В с допускаемыми изменениями в пределах от 15,7 до 18,4 В.
ПРЦ4Л в зависимости от частот принимаемых сигналов выпускаются шести исполнений: ПРЦ4Л-4/8 (черт.36021-00-00), ПРЦ4Л-4/12 (черт. 36021-00-00-01), ПРЦ4Л-5/8 (черт.36021-00-00-02), ПРЦ4Л-5/12 (черт. 36021-00-00-03), ПРЦ4Л-6/8 (черт.36021-00-00-04), ПРЦ4Л-6/12 (черт. 36021-00-00-05). Электрические параметры входных фильтров ПРЦ4Л при входном сигнале номинальной частоты, равном 0,2 В, соответствуют приведенным в графах 4—7 табл. 74.
Входное сопротивление ПРЦ4Л сигналу средней частоты полосы пропускания входного фильтра напряжением 0,2 В должно быть в пределах от 120 до 160 Ом при напряжении питания ПРЦ4Л, равном 15,7 В.
Таблица 74 Электрические параметры ПРЦ4Л
|
Тип |
Номинальные частоты сигнала, Гц |
Средняя частота полосы пропускания входного фильтра, Гц |
Полоса пропускания входного фильтра 0,7, Гц, не менее |
Затухание входного фильтра на частотах соседних каналов |
Напряжение постоянного тока на выходе при частоте модуляции |
Выходные клеммы |
|||
|
несущая |
модуляция |
частота, Гц |
не менее, дБ |
частота, Гц |
В, не более |
||||
|
1 |
2 |
3 |
4 |
5 |
6 |
7 |
8 |
9 |
10 |
|
ПРЦ4Л-4/8 ПРЦ4Л-4/12 |
4545 |
8 12 |
4525—4565 |
75 |
5000 |
38 |
12 8 |
0,1 |
31-33 |
|
ПРЦ 4Л-5/8 ПРЦ4Л-5/12 |
5000 |
8 12 |
4980-5020 |
4545 5555 |
12 8 |
31-13 |
|||
|
ПРЦ4Л-6/8 ПРЦ4Л-6/12 |
5555 |
8 12 |
5535—5575 |
5000 |
12 8 |
31-83 |
|||
Чувствительность ПРЦ4Л, т.е. величина действующего значения напряжения входного AM (амплитудно-модулированного) сигнала с номинальными частотами, при которой нагрузка ПРЦ4Л — реле АНШ2-1230 притягивает свой якорь, должна быть:
— в нормальных климатических
условиях от 0,11 до 0,13 В;
— при воздействии дестабилизирующих факторов от 0,10 до
0,17 В.
Коэффициент возврата ПРЦ4Л должен быть не менее 0,8 при напряжении питания от 15,7 до 18,4 В.
При напряжении питания 15,7 В и изменении величины действующего значения напряжения входного сигнала номинальной частоты от действительного значения чувствительности проверяемого приемника до 0,6 В напряжение постоянного тока на выходе ПРЦ4Л должно быть:
— при нормальных климатических условиях не менее 4,6 В;
— при
воздействии дестабилизирующих факторов не менее 4,2 В.
Напряжение постоянного тока на
выходе ПРЦ4Л, нагруженного
на реле АНШ2-1230, при напряжении питания, равном 18,4 В, и при наличии на входе AM сигнала номинальной частотой и частотой модуляции соседнего канала должно быть не более 0,1 В.
Мощность, потребляемая ПРЦ4Л от сети однофазного переменного тока напряжением 18,4 В, должна быть не более 6 ВА.
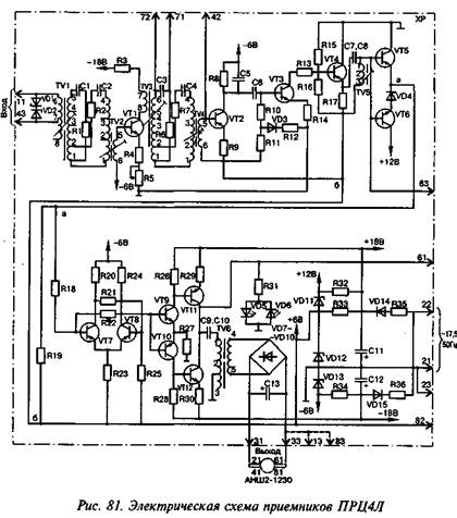
Электрическая принципиальная схема приемников ПРЦ4Л приведена на рис. 81.
Выходные клеммы и выводы трансформаторов ПРЦ4Л приведены в табл. 75.

Наименование и тип элементов, примененных в приемниках ПРЦ4Л, приведены в табл. 76.
Электрическая прочность и сопротивление изоляции. Электрическая изоляция между всеми задействованными выводами разъема ХР, соединенными между собой, и корпусом (винт крепления ручки ПРЦ4Л) должна выдерживать без пробоя и явлений разрядного характера (поверхностного перекрытия изоляции) от источника мощностью не менее 0,5 кВА испытательное напряжение 2000 В переменного тока частотой 50 Гц в течение 0,1 мин..
Сопротивление изоляции токоведущих частей ПРЦ4Л должно быть не менее 50 МОм в нормальных климатических условиях и не менее 3 МОм при воздействии дестабилизирующих факторов.
Таблица 75
Выходные клеммы и выводы трансформаторов ПРЦ4Л
|
Частота, Гц |
Тип приемника |
Обозначение |
Выводы трансформаторов для выбора типа приемника |
Выходные клеммы |
С7, С8 |
С9, С10 |
|||
|
TV1 |
TV2 |
TV3 |
TV4 |
||||||
|
4545/8 |
ПРЦ4Л-4/8 |
36021-00-00 |
1-5 |
1-4 |
1-6 |
1-4 |
31-33 |
С7, С8 соединены параллельно |
С9, С10 соедин ены параллельно |
|
4545/12 |
ПРЦ4Л-4/12 |
-01 |
С7 |
С9 |
|||||
|
5000/8 |
ПРЦ4Л-5/8 |
-02 |
1-4 |
1-3 |
1-5 |
1-3 |
31-13 |
С7, С8 соединены параллельно |
С9, С10 соединены параллельно |
|
5000/12 |
ПРЦ4Л-5/12 |
-03 |
С7 |
С9 |
|||||
|
5555/8 |
ПРЦ4Л-6/8 |
-04 |
1-3 |
1-2 |
1-4 |
1-2 |
31-83 |
С7, С8 соединены параллельно |
С9, С10 соединены параллельно |
|
5555/12 |
ПРЦ4Л-6/12 |
-05 |
С9 |
С9 |
|||||
Таблица 76
Наименование и тип элементов, примененных в ПРЦ4Л
|
Условное обозначение на рис. 81 |
Наименование прибора |
Тип прибора |
|
С1 -С4 |
Конденсатор |
К71-7-250В-0,0796 мкф±0,5% |
|
С5 |
Конденсатор |
К71-7-250В-0.2 мкф±0,5% |
|
С6 |
Конденсатор |
К73-11-160В-6.8 мкФ±10% |
|
С7, С8 |
Конденсатор |
К73-11-160В-6.8 мкф±10% (см. табл. 75) |
|
С9, СЮ |
Конденсатор |
К73-11-160В-6.8 мкф±10% (см. табл.75) |
|
С11,С12 |
Конденсатор |
К50-29-25В-2200 мкФ |
|
С13 |
Конденсатор |
К50-29-25В-100мкФ |
Продолжение табл. 76
|
Условное обозначение на рис. 81 |
Наименование приборе |
Тип прибора |
|
R1, R2, R6, R7 |
Резистор |
С2-ЗЗН-0,25-3,3 Ом±10% |
|
R3, R14, R26...R28 |
Резистор |
С2-ЗЗН-0,25-470 Ом±10% |
|
R4* |
Резистор |
С2-ЗЗН-0,25-1,8 кОм±5% (подбирается при настройке от 1,8 до 2,4 кОм) |
|
R5 |
Резистор |
СП5-22-1 Вт-1,0 кОм±5% |
|
R8 |
Резистор |
С2-ЗЗН-0,25-3,9 кОм±10% |
|
R9 |
Резистор |
С2-ЗЗН-0.25-560 Ом±10% |
|
R10 |
Резистор |
С2-ЗЗН-0,25-10 кОм±10% |
|
R11, R19 |
Резистор |
С2-ЗЗН-0,25-1,5 кОм±10% |
|
R12 |
Резистор |
С2-ЗЗН-0.25-270 Ом±10% |
|
R13 |
Резистор |
С2-ЗЗН-0,25-1,3 кОм+10% |
|
R15 |
Резистор |
С2-ЗЗН-0,25-4,7 кОм±10% |
|
R16 |
Резистор |
С2-ЗЗН-0.25-820 Ом±10% |
|
R17 |
Резистор |
С2-ЗЗН-0.25-120 Ом+10% |
|
R18, R20, R24, R25 |
Резистор |
С2-ЗЗН-0,25-2,2 кОм + 10% |
|
R21, R22 |
Резистор |
С2-ЗЗН-0,25-12 кОм + 10% |
|
R23 |
Резистор |
С2-ЗЗН-0.25-Ю0 Ом±10% |
|
R29, R30 |
Резистор |
С2-ЗЗН-0,5-3,3 Ом±10% |
|
R31 |
Резистор |
С2-ЗЗН-0,25-1,8 кОм±Ю% |
|
R32 |
Резистор |
С2-ЗЗН-1-270 Ом+10% |
|
R33, R34 |
Резистор |
С2-ЗЗН-2-270 Ом±10% |
|
R36 |
Резистор |
С2-ЗЗН-1-12 0м±Ю% |
|
Н35 |
Резистор |
С2-ЗЗН-1-8,2 Ом+10% |
|
TV5 |
Трансформатор |
Черт. 36162-10-00 |
|
TV1 |
Трансформатор |
Черт.36021-08-00 |
|
TV2 |
Трансформатор |
Черт. 36021-09-00 |
|
TV3 |
Трансформатор |
Черт. 36021-08-00-01 |
|
IV4 |
Трансформатор |
Черт. 36021-09-00-01 |
|
IV6 |
Трансформатор |
Черт. 36162-11-00 |
|
VDI, VD2 |
Стабилитрон |
КС512А |