9.4. Аппараты автоматического управления
Регуляторы напряжения. На тепловозах питание цепей управления и освещения и по дз а ряд аккумуляторных батарей осуществляются от вспомогательных генераторов, частота вращения якоря и нагрузка которых изменяются в широких пределах. Для поддержания напряжения этих машин постоянным применяют регуляторы напряжения, принцип работы которых основан на изменении тока возбуждения генераторов.
Регулятор напряжения типа ТРН-1 (рис. 9.17) имеет неподвижную катушку 21 и две подвижные: напряжения 15 и токовую 3. Подвижные катушки размещены на латунном каркасе 5, привернутом к шайбе 6 с компенсирующим винтом 14. С шайбой через стойки 7 связана текстолитовая планка 13, на которой установлена алюминиевая планка 8,
имеющая наклонную верхнюю часть с подвижными контактами 9. На концах планки 13 закреплены две шпильки 4, через втулки / связанные с пружинами 2. Передняя шпилька 4 соединена с противовесом 23. Вся подвижная система подвешена на четырех пластинчатых пружинах 18 и двух винтовых пружинах 2. Пружины стремятся поднять подвижную систему вверх, а сила, возникающая при взаимодействии подвижной и неподвижной катушек, действует в противоположном направлении.
Над контактной планкой 8 находятся неподвижные пальцы 10, нажатие которых регулируется пружинами //. С контактами через выводы 12 соединены секции резистора, включенного последовательно с обмоткой возбуждения вспомогательного генератора. Магнитная система регулятора состоит из сердечника 19, связанного с наружным стаканом 20 через основание 22. К стакану крепится корпус 17. На сердечник 19 навернут полюс 16.
Схема включения регулятора показана на рис. 9.18. Неподвижная катушка 21 включена на напряжение вспомогательного генератора через резистор а катушка напряжения 15 — через потенциометр обратной связи ЯЗ. Токовая катушка 3 включена последовательно с обмоткой возбуждения вспомогательного генератора, ее магнитный поток направлен навстречу потоку катушки напряжения.
При перемещении подвижной системы подвижные контакты, замыкая или размыкая неподвижные контакты, изменяют сопротивление резистора Ц1, т. е. и ток возбуждения. Если напряжение вспомогательного генератора увеличивается, то в результате увеличения силы взаимодействия неподвижной и подвижной катушек подвижная система опускается вниз, размыкая пальцы и увеличивая сопротивление в цепи обмотки возбуждения. При умень-. шении напряжения происходит об-
ратный процесс. Для увеличения чувствительности регулятора потери на трение в подвижной системе максимально уменьшены, что в сочетании с относительно большой массой подвижных частей может приводить к появлению устойчивых колебаний напряжения вспомогательного генератора. Для обеспечения устойчивой работы регулятора предусмотрена электрическая и магнитная обратная связь. Электрическая обратная связь обеспечивается за счет включения катушки 15 через потенциометр НЗ. Если, например, напряжение вспомогательного генератора увеличивается, то в результате взаимодействия катушек 15 и 21 увеличивается и сопротивление резистора /?/, а потенциал точки а уменьшается. В результате уменьшается ток ка-

Рис. 9.17. Регулятор напряжения ТРН-1

Рис. 9.18. Схема включения регулятора напряжения ТРН-1
тушки 15, т. е. замедляется перемещение подвижной системы. При уменьшении напряжения генератора происходит обратный процесс.
Магнитная обратная связь обеспечивается токовой катушкой: при увеличении тока возбуждения, когда напряжение генератора, т. е. и сила взаимодействия катушек напряжения начинает возрастать, токовая катушка размагничивает катушки напряжения, сглаживая нарастание усилия. Латунный каркас 5 (см. рис. 9.17) также служит магнитным демпфером, так как при перемещениях катушек в нем возникают вихревые токи, препятствующие этому перемещению.
К недостаткам регуляторов типа ТРН-1 и других конструкций, основанных на изменении сопротивления в цепи обмотки возбуждения, относится наличие вибрирующих контактов и подвижных частей, в результате чего эти регуляторы требуют постоянного ухода и частых ремонтов в эксплуатации.
Регуляторы, выполненные на базе полупроводниковых приборов, лишены этих недостатков. Принципиальная схема тиристорного регулятора напряжения БРН-3, устанавливаемого на тепловозах типа ТЭ10, представлена на рис. 9.19, а. Последовательно с обмоткой возбуждения Ш1—U12 вспомогательного генератора ВГ включен силовой тиристор УД1. При замыкании блок-контакта РУЗ напряжение аккумуляторной батареи Б подается к аноду тиристора УД1 и через резистор R2, диод Д1 и управляющий электрод тиристора УД1 проходит ток — тиристор УД1 включается. При этом по обмотке возбуждения Uli—U12 проходит максимальный ток, определяемый напряжением батареи Б и сопротивлением этой обмотки.
Одновременно конденсатор С заряжается по цепи: плюс батареи Б, резистор R1, конденсатор С, тиристор УД1, минус батареи Б. Как только напряжение на конденсаторе достигает напряжения пробоя стабилитрона СТ1, через управляющий электрод вспомогательного тиристора УД2 проходит ток. Тиристор УД2 открывается, и начинается разряд конденсатора по цепи: плюс конденсатора С, тиристоры УД2 и УД1, минус конденсатора С. Ток разряда конденсатора противоположен по направлению току возбуждения вспомогательного генератора ВГ, протекающему через тиристор УД1.
При достаточной емкости конденсатора С наступит момент, когда ток, проходящий через тиристор УД1,

Рис. 9.19. Тиристорний регулятор напряжения БРН-3
станет равным нулю и тиристор закроется. Конденсатор С станет заряжаться обратной полярностью (на схеме показано в скобках) по цепи: плюс батареи Б, обмотка Ш1—Ш2, конденсатор С, тиристор УД2, минус батареи Б. В этот период времени ток в обмотке Ш1—Ш2 поддерживается за счет э.д.с. самоиндукции, замыкающейся через диод Д2. Когда напряжение на конденсаторе С возрастает до определенного значения, тиристор УД1 вновь откроется. Таким образом, образуется колебательный контур,в котором тиристоры УД1 и УД2 поочередно включаются и выключаются — так называемый мультивибратор. Частота переключений зависит от емкости конденсатора С, сопротивления резистора Р1 и напряжения пробоя стабилитрона С77. Описанный процесс продолжается до тех пор, пока напряжение вспомогательного генератора не достигнет заданного значения. В этот момент стабилитрон СТ2, включенный через потенциометр Р.З на напряжение вспомогательного генератора ВГ, станет пропускать ток через базу транзистора 77 по цепи: плюс вспомогательного генератора ВГ, потенциометр стабилитрон СТ2, эмиттер-базовый переход 77, минус генератора ВГ. Сопротивление цепи коллектор—эмиттер транзистора ТІ резко снижается, и в очередной период колебаний ток проходит через резистор Я2 и транзистор ТІ, минуя управляющий электрод тиристора УД1. Тиристор УД1 остается в выключенном состоянии, и колебательный процесс прекращается. В результате уменьшается ток, протекающий по обмотке Ш1—Ш2, а следовательно, и напряжение вспомогательного генератора. Когда напряжение, приложенное к стабилитрону СТ2, станет меньше напряжения пробоя, ток через базу транзистора 77 прекратится, сопротивление транзистора резко возрастет и ток снова пройдет через управляющий электрод тиристора УД1 — колебательный процесс восстановится.
Форма напряжения, прикладываемого к обмотке Ш1—Ш2, показана на рис. 9.19,6. Очевидно, среднее значение напряжения, а значит, и тока возбуждения будет зависеть от времени включенного состояния тиристора УД1:
где ивг—напряжение вспомогательного генератора (или батареи Б); /з — время открытого состояния тиристора УД]; /і—время работы мультивибратора; <7 — число колебаний за время Л; (2 — время, когда мультивибратор не работает.
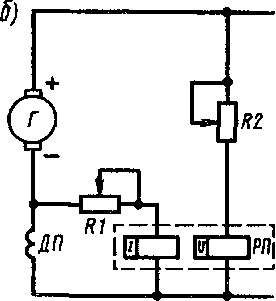
Реле перехода (РП). Для автоматического управления переключением тяговых двигателей и включения контакторов ослабления возбуждения тяговых двигателей используются реле перехода. Переключения в силовой цепи должны происходить в определенных точках внешней характеристики тягового генератора, т. е. при определенных соотношениях напряжения и тока тягового генератора. Поэтому реле перехода типа Р-42Б имеет две катушки: катушку напряжения 6 с сердечником 4 (рис. 9.20, а) и токовую катушку 17 с сердечником /. Якорь 10 реле может качаться на оси 2, закрепленной на кронштейне 11. На якоре установлены плунжеры 9 и 16 и подвижные контакты 8 и 15. Неподвижные контакты 7 и 14 закреплены на изоляционной планке 13. Якорь удерживается в выключенном положении пружиной 12, а противовес 3 уравновешивает подвижную систему реле и уменьшает влияние тряски при движении тепловоза на работу реле. Все элементы реле смонтированы на общей панели 5.
Катушка напряжения реле через резистор Р2 (рис. 9.20, б) включена на напряжение (7Г тягового генератора Г, и ее намагничивающая сила пропорциональна С1Г. Токовая катушка через резистор Р*1 включена параллельно обмотке ДП добавочных полюсов тягового генератора,
и ее магнитодвижущая сила пропорциональна току тягового генератора. Сила, создаваемая магнитным потоком катушки напряжения, стремится притянуть плунжер этой катушки к сердечнику и включить реле, а сила, создаваемая магнитным потоком токовой катушки, и сила натяжения пружины — выключить реле.
При движении тепловоза ток тягового генератора может уменьшаться (увеличение скорости) или увеличиваться (уменьшение скорости). В первом случае сила, создаваемая токовой катушкой, уменьшается, а катушкой напряжения — увеличивается. При определенных соотношениях этих сил, а значит, тока и напряжения тягового генератора плунжер катушки напряжения притягивается к сердечнику и реле включается, замыкая контакты. При этом подается импульс на переключение тяговых двигателей с одного соединения на другое (например, с
последовательного на последовательно-параллельное) или включение контакторов ослабления возбуждения. При уменьшении скорости происходят обратные процессы.
Реле перехода выполняют с небольшим коэффициентом возврата, т. е. ток включения реле должен быть значительно больше тока выключения, иначе неизбежна неустойчивая работа реле. Действительно, при переходе, например, на ослабленное возбуждение магнитный поток тяговых двигателей уменьшается, а их ток, а значит, и ток тягового генератора увеличивается. Напряжение тягового генератора при этом снижается по его внешней характеристике. Следовательно, после включения реле перехода ток в его катушке напряжения уменьшается, а в токовой — увеличивается. Если бы реле перехода имело большой коэффициент возврата, то оно неизбежно должно было бы выключиться. Это соответствовало бы обратному пере-


Рис. 9.20. Реле перехода Р-42Б
ходу на полное возбуждение и, если скорость движения не изменилась, новому включению реле. Таким образом, наступил бы режим периодического включения и выключения реле — так называемая звонковая работа.
Необходимый коэффициент возврата обеспечивается изменением зазора между плунжерами и сердечниками реле при его переключениях. В выключенном положении реле зазор между плунжером и сердечником токовой катушки равен нулю, а катушки напряжения — 3 мм. Следовательно, для создания магнитного потока и силы, необходимой для включения реле, требуется достаточно большой ток в катушке напряжения. После включения реле зазор между сердечником и плунжером катушки напряжения равен нулю, а токовой — 3 мм. Значит, реле может удерживаться во включенном положении при значительно меньшем значении тока в катушке напряжения. Для реле перехода, применяемых иа тепловозах, коэффициент возврата равен 0,15—0,16. Реле перехода регулируют изменением натяжения пружины. Кроме того, на тепловозе моменты включения и выключения реле могут изменяться подбором сопротивлений резисторов /?/ и Я2.
На тепловозах 2ТЭП6 применяют реле перехода типа РД-3010 (рис. 9.21), имеющие более простую конструкцию и меньшие габаритные размеры. Это реле также имеет катушку напряжения / и токовую 5, между которыми размещен якорь 3 реле. Катушки закреплены на общем маг-нитопроводе 13 и имеют сердечники 2 и 4, причем сердечник токовой катушки с помощью винта 6 может перемещаться для изменения воздушного зазора между якорем и сердечником. Якорь крепится на оси 10, установленной на стойке 9, и удерживается в выключенном положении пружиной 12. Подвижные контакты 8 закреплены на якоре реле, а неподвижные 7 — на изоляционной

Рис. 9.21. Реле перехода РД-ЗОЮ
планке, установленной на магнито-проводе. Контактная группа и часть якоря с пружинами закрыты кожухом //. Принцип действия реле аналогичен реле Р-42Б.
При неработающем дизеле на тепловозе питание цепей управления и освещения осуществляется от аккумуляторной батареи, а при работающем дизеле — от вспомогательного генератора (ВГ). Вспомогательный генератор должен быть подключен к цепи управления, если его напряжение на 1 —1,5 В больше напряжения батареи. При напряжении, равном или меньшем, чем напряжение батареи, питание цепей управления должно осуществляться от батареи. При этом должен исключаться разрядный ток батареи через вспомогательный генератор. Для выполнения этих функций на тепловозах использовалось реле обратного тока и электромагнитный контактор. На современных тепловозах эта задача решается с помощью полупроводникового диода Л, включенного по схеме рис. 9.22. Если напряжение £/БА батареи Б больше напряжения £/вг вспомогательного генератора, то

Рис. 9.22. Схема включения диода в качестве реле обратного тока
диод Д заперт и ток разряда отсутствует. Если иЪ1> иБА, то диод пропускает ток и цепи управления получают питание от вспомогательного генератора ВГ.










