5.3. Сборка и контроль ее качества
После окончания работ по комплектованию деталей приступают к сборке. В практике ремонта тепловозов сборка объектов ремонта осуществляется в большинстве случаев на основе неполной взаимозаменяемости. В отдельных случаях для достижения заданных условий прибегают к индивидуальной пригонке одной из деталей узла путем слесарно-механической обработки.
В конструкции многих узлов тепловоза для достижения установленных зазоров, например в зацеплении конической зубчатой передачи и в узлах с коническими роликовыми подшипниками, в разъемных подшипниках скольжения, а также для регулировки соосности соединяемых валов двух агрегатов предусмотрены так называемые компенсаторы, которые бывают неподвижными (регулировочные прокладки, шайбы, кольца и т.п.) и подвижными (регулировочные упоры, болты и гайки).
Несмотря на разнообразие конструктивных элементов тепловозов, сборочные работы состоят из небольшого числа повторяющихся операций. К ним следует прежде всего отнести сборку резьбовых и прессовых соединений, узлов с подшипниками качения и скольжения, зубчатых передач.

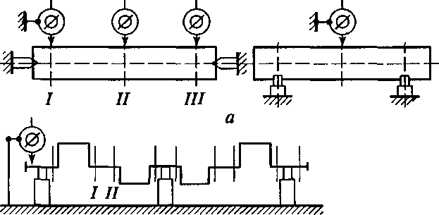
Рис. 5.4. Схема проверки прямолинейности цилиндрического вала (а) и коренных шеек коленчатого вала (б) индикаторным приспособлением (в); круговая диаграмма записей результатов измерений (г): /, //, /// — пояса измерений; д — з, д' — з' — точки измерений

В процессе сборки выполняют различные контрольные операции, связанные с проверкой взаимной ориентации деталей в узле или механизме. Многие из этих проверок были освещены при ремонте типовых соединений и узлов.
На рис. 5.'4, а показана схема проверки прямолинейности (отсутствия биения) цилиндрического вала, а на рис. 5.4, б — схема проверки коренных шеек коленчатого вала. Пояса измерений I, II, III для цилиндрического вала выбирают произвольно, но их должно быть не менее трех по длине вала (по концам и середине), а для каждой шейки коленчатого вала не менее двух поясов — по краям шейки на расстоянии 15... 20 мм от галтелей. До начала измерений поворотом шкалы цифру 0 выставляют против стрелки индикатора. Вал медленно поворачивают на полный оборот; через каждые 45° читают и записывают на круговой диаграмме показание индикатора в каждом поясе измерения. Отклонение стрелки индикатора от нуля против часовой стрелки записывают со знаком «минус», а по часовой стрелке — со знаком «плюс». Результаты измерений считаются правильными, если после полного оборота вала стрелка индикатора (при нахождении над точкой д) установится против нуля шкалы. В противном случае измерения повторяют.
Находят наибольшую алгебраическую разность между показаниями индикатора в каждой плоскости отдельно для каждого пояса измерения. Она и является действительной величиной несоосности (биения) контролируемого вала. В нашем примере несоосность СЖ_Ж'= 0,08 - (-0,12) = 0,20 мм.
По величине биения коренных шеек коленчатого вала (бывшего в эксплуатации) косвенно судят как о характере износа шеек, так и о их соосности (возможном прогибе). Биение шеек нового или отремонтированного вала (после шлифования шеек) более 0,03 мм указывает на неточность обработки шеек или прогиб вала. Описанный способ проверки валов индикатором хотя и менее точен, чем оптико-механический способ, но вполне пригоден для

Рис. 5.5. Схема проверки индикаторным приспособлением параллельности и скрещивания осей отверстий головки шатуна:
#„ #2, А„ h2, G„ G2, g„ g2 -измеряемые расстояния
практических целей. Он прост, не слишком трудоемок и не требует сложных измерительных средств.
Проверка параллельности и скрещивания осей отверстий показана на примере контроля шатуна дизеля (рис. 5.5). Проверяемый шатун выставляют на плите вертикально таким образом, чтобы расстояния п\ и /г2 были равны. Измеряют расстояния Н\ и Я2. Разность этих величин укажет на непараллельность (перекос) оси отверстия верхней головки относительно оси отверстия нижней головки шатуна. Для проверки скрещивания осей шатун укладывают на три призмы горизонтально и так, чтобы g\ - g1. Измеряют расстояния (?1 и (72. Разность этих величин покажет, насколько скрещиваются оси отверстий шатуна в пространстве.










